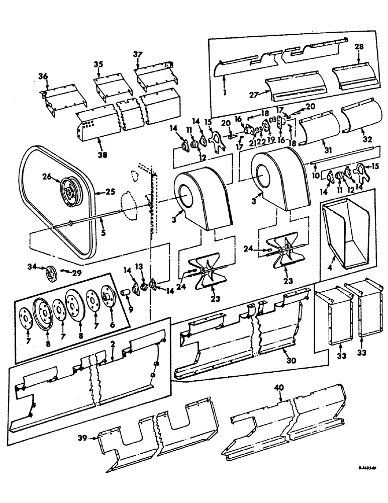
Запчасти Case IH 234 (F-12) - SHELLER, SHELLER FAN AND DRIVE (58) - ATTACHMENTS/HEADERS

Схема запчастей Case IH 234 - (F-12) - SHELLER, SHELLER FAN AND DRIVE (58) - ATTACHMENTS/HEADERS
7
21
33
26
16
18
20
8
14
33
14
37
15
14
7
27
24
13
17
1
25
36
17
11
20
19
15
35
14
34
8
5
38
9
24
12
16
30
28
18
10
23
11
22
40
29
2
23
14
14
4
3
39
6
31
7
12
3
32
FIT
1:1
100%

Артикул

Название

Примечание

Количество

1

937500R11

COVER ASSY., fan suction tube front, serial no. 1990 and below

1шт.

18673R1

CARRIAGE BOLT,Short Sq Nk, 5/16" - 18 x 1/2", Gr 2

BOLT, 5/16 x 1/2 C-Z sq-nk. crg.

2шт.

938017R1

FLANGE NUT,Flg, USR, 5/16"-18

5/16-18 C-Z whiz lock

2шт.

2

937501R11

COVER ASSY., fan suction tube bottom, serial no. 1990 and below

1шт.

18673R1

CARRIAGE BOLT,Short Sq Nk, 5/16" - 18 x 1/2", Gr 2

BOLT, 5/16 x 1/2 C-Z sq-nk. crg.

8шт.

938017R1

FLANGE NUT,Flg, USR, 5/16"-18

5/16-18 C-Z whiz lock

8шт.

3

169225C1

HOUSING ASSY., fan

2шт.

18764R1

HARDWARE,Hex, 5/16"-18 x 3/4", G2

BOLT, 5/16 x 3/4 C-Z hex-hd. mach.

8шт.

80681

LOCK WASHER,5/16"

WASHER, LOCK, 5/16"

8шт.

4

937509R91

EXTENSION ASSY., fan side, serial no. 2366 and below

2шт.

938017R1

FLANGE NUT,Flg, USR, 5/16"-18

5/16-18 C-Z whiz lock

8шт.

477-73108

SERRATED SCREW,Sl Truss Hd, 5/16" - 18 x 1/2"

5/16 x 1/2 C-Z whiz lock

8шт.

5

937511R11

SHAFT ASSY., fan, L.H.

1шт.

NLS

NO LONGER SERVICED

7/8"

1шт.

21761R1

WASHER

29/32 x 1-1/2 x 16 ga. C-Z

4шт.

6

629619R91

HUB ASSY., fan driven, serial no. 2366 and below

1шт.

181368

SCREW, 3/8-24 x 1-1/8 C-Z hex-hd. cap

1шт.

120382

LOCK WASHER,Helical Spring, 3/8"

WASHER, LOCK, 3/8"

1шт.

614452R1

WASHER

13/32 x 1-1/4 x 11 ga. C-Z

1шт.

7

629622R1

FLANGE, fan sheave spacer, serial no. 2366 and below

5шт.

8

629623R1

PULLEY, fan driven, serial no. 2366 and below

2шт.

18475R1

BOLT,Hex, 5/16" - 18 x 1 1/4", Gr 2

5/16 x 1-1/4 C-Z hex-hd.

4шт.

120376

NUT,5/16"-18, G5

4шт.

80681

LOCK WASHER,5/16"

WASHER, LOCK, 5/16"

4шт.

9

522077R1

SPACER

fan drive pulley

1шт.

10

937512R1

SHAFT, fan, R.H.

1шт.

11

673365R91

BALL BEARING,0.875" ID x 52 mm OD x 1.375"

ASSY., fan shaft outer ball

2шт.

12

658006R11

COLLAR

W/SET SCREW, LCG

2шт.

83-1254

SET SCREW,Hex Soc, 1/4"-20 x 1/4"

SCREW, 1/4 x 1/4 hex-soc-hd. cup

2шт.

13

657383R92

BEARING

ASSY., fan shaft center ball

1шт.

14

571424R1

FLANGE

fan shaft brg.

6шт.

16897R1

CARRIAGE BOLT,Short Nk, 5/16" - 18 x 3/4", Gr 2, Full Thd

BOLT, 5/16 x 3/4 C-Z sq-nk. crg.

9шт.

938017R1

FLANGE NUT,Flg, USR, 5/16"-18

5/16-18 C-Z whiz lock

9шт.

15

626957R1

SUPPORT, fan brg.

2шт.

16897R1

CARRIAGE BOLT,Short Nk, 5/16" - 18 x 3/4", Gr 2, Full Thd

BOLT, 5/16 x 3/4 C-Z sq-nk. crg.

6шт.

938017R1

FLANGE NUT,Flg, USR, 5/16"-18

5/16-18 C-Z whiz lock

6шт.

16

626959R91

HUB ASSY., fan shaft coupling

2шт.

17

126-121

WOODRUFF KEY,#A, 1/4" x 7/8", HT

KEY, 1/4 x 7/8 ast Woodruff A

2шт.

18

20806R1

PIN, 5/16 x 1-11/16 C-Z std-hd. hard

2шт.

648002

KNIFE

1/8" x 3/4"

2шт.

19

43549D

PLATE ASSY.

DISC, fan shaft coupling

1шт.

20

43552DB

STEP BOLT,Hex, 3/8" - 24 x 1 15/16"

SCREW, fan shaft coupling

4шт.

120369

NUT,3/8"-24, G5

4шт.

120382

LOCK WASHER,Helical Spring, 3/8"

WASHER, LOCK, 3/8"

4шт.

21

356588R1

RETAINER

coupling rubber washer

8шт.

22

43550D

RUBBER WASHER

fan shaft coupling rubber

8шт.

23

575988R2

FAN

2шт.

120377

NUT,3/8" - 16, Gr 5

2шт.

187870

SCREW, 3/8 x 1-1/2 sq-hd. cup set

2шт.

24

126

KEY,1/4" Sq x 2 1/2", Par

1/4 x 2-1/2 sq. parallel

2шт.

25

588894R1

V-BELT,0.63" W

Fan drive, Serial no. 1990 and below 0.63" W

1шт.

25

23898K

BELT,61.79" L

V-BELT , Fan drive, S/N 1991 to 2366 61.79" L

1шт.

25

588894R1

V-BELT,0.63" W

Fan drive, Serial no. 2367 and above 0.63" W

1шт.

26

161431C91

PULLEY

fan drive tightener, 4-1/4 in. OD x 17/32 bore, serial no. 1990 and below

1шт.

26

161430C91

PULLEY

fan drive tightener, 4-13/32 in. OD x 17/32 bore, serial no. 1991 and above

1шт.

20314R1

BOLT,Short NK, 1/2"-13 x 2 1/2", G2

1/2 x 2-1/2 C-Z sq-nk. crg.

1шт.

120378

NUT,Hex, 1/2" - 13, Gr 5

NUT, 1/2"-13, G5

1шт.

120384

WASHER,1/2"

LOCK, 1/2"

1шт.

178374R1

WASHER

17/32 x 1-1/4 x 16 ga. C-Z

7шт.

27

938247R91

COVER ASSY., fan suction tube top rear inner, serial no. 1990 and below

1шт.

178673R1

BOLT, 5/16 x 1/2 C-Z sq-nk. crg.

2шт.

938017R1

FLANGE NUT,Flg, USR, 5/16"-18

5/16-18 C-Z whiz lock

2шт.

938017R1

FLANGE NUT,Flg, USR, 5/16"-18

5/16-18 C-Z whiz lock

5шт.

477-73108

SERRATED SCREW,Sl Truss Hd, 5/16" - 18 x 1/2"

5/16-18 x 1/2 C-Z slt-truss-hd. whiz lock

5шт.

28

938249R91

COVER ASSY., fan suction tube top rear outer, serial no. 1990 and below

2шт.

18673R1

CARRIAGE BOLT,Short Sq Nk, 5/16" - 18 x 1/2", Gr 2

BOLT, 5/16 x 1/2 C-Z sq-nk. crg.

4шт.

938017R1

FLANGE NUT,Flg, USR, 5/16"-18

5/16-18 C-Z whiz lock

12шт.

477-73108

SERRATED SCREW,Sl Truss Hd, 5/16" - 18 x 1/2"

5/16-18 x 1/2 C-Z slt-truss-hd. whiz lock

8шт.

29

150532C1

KEY

fan driven hub

1шт.

30

163551C11

COVER ASSY., fan suction tube bottom, serial no., Serial Range: 1991-2366

1шт.

18673R1

CARRIAGE BOLT,Short Sq Nk, 5/16" - 18 x 1/2", Gr 2

BOLT, 5/16 x 1/2 C-Z sq-nk. crg.

13шт.

938017R1

FLANGE NUT,Flg, USR, 5/16"-18

5/16 C-Z whiz lock

21шт.

122863

RIVET, 3/16 x 5/16 C-Z truss-hd. semi-tubular

6шт.

135270

SERRATED SCREW,5/16" - 18 x 3/4"

5/16 x 1/2 C-Z whiz lock

8шт.

31

152871C11

COVER ASSY., fan suction tube outer, serial no., Serial Range: 1991-2366

2шт.

31

152861C11

COVER ASSY., fan suction tube outer, serial no. 2367 & above

2шт.

18673R1

CARRIAGE BOLT,Short Sq Nk, 5/16" - 18 x 1/2", Gr 2

BOLT, 5/16 x 1/2 C-Z sq-nk. crg.

4шт.

938017R1

FLANGE NUT,Flg, USR, 5/16"-18

5/16 C-Z whiz lock

4шт.

172455

SELF-TAP SCREW,Sl Hex, 5/16" - 18 x 3/4"

SCREW, 5/16 x 3/4 hex-hd. cap

12шт.

80681

LOCK WASHER,5/16"

WASHER, LOCK, 5/16"

12шт.

32

163552C11

COVER ASSY., fan suction tube fr. inner, serial no., Serial Range: 1991-2366

1шт.

32

167317C11

DUCT ASSY., fan suction upper inner, serial no. 2367 & above

1шт.

18673R1

CARRIAGE BOLT,Short Sq Nk, 5/16" - 18 x 1/2", Gr 2

BOLT, 5/16 x 1/2 C-Z sq-nk. crg.

2шт.

938017R1

FLANGE NUT,Flg, USR, 5/16"-18

5/16 C-Z whiz lock

2шт.

172455

SELF-TAP SCREW,Sl Hex, 5/16" - 18 x 3/4"

SCREW, 5/16 x 3/4 hex-hd. cap

8шт.

80681

LOCK WASHER,5/16"

WASHER, LOCK, 5/16"

8шт.

33

156572C91

SECTION ASSY., fan extension lower, serial no. 2367 & above

2шт.

938017R1

FLANGE NUT,Flg, USR, 5/16"-18

5/16 C-Z whiz lock

6шт.

477-73108

SERRATED SCREW,Sl Truss Hd, 5/16" - 18 x 1/2"

5/16 x 1/2 C-Z whiz lock

6шт.

34

167321C1

PULLEY, fan driven, serial no. 2367 & above

1шт.

181367

SCREW, 3/8-24 x 1 C-Z hex-hd. cap

1шт.

120382

LOCK WASHER,Helical Spring, 3/8"

WASHER, LOCK, 3/8"

1шт.

614452R1

WASHER

13/32 x 1-1/4 x 11 ga. C-Z

1шт.

35

167314C1

COVER, concave front upper inner, serial no. 2367 and above

1шт.

16897R1

CARRIAGE BOLT,Short Nk, 5/16" - 18 x 3/4", Gr 2, Full Thd

BOLT, 5/16 x 3/4 C-Z sq-nk. crg.

4шт.

938017R1

FLANGE NUT,Flg, USR, 5/16"-18

5/16 C-Z whiz lock

7шт.

477-73108

SERRATED SCREW,Sl Truss Hd, 5/16" - 18 x 1/2"

5/16 x 1/2 C-Z whiz lock

3шт.

36

167315C11

COVER ASSY., concave front upper outer, serial no. 2367 and above

1шт.

18673R1

CARRIAGE BOLT,Short Sq Nk, 5/16" - 18 x 1/2", Gr 2

BOLT, 5/16 x 1/2 C-Z sq-nk. crg.

3шт.

938017R1

FLANGE NUT,Flg, USR, 5/16"-18

5/16 C-Z whiz lock

7шт.

477-73108

SERRATED SCREW,Sl Truss Hd, 5/16" - 18 x 1/2"

5/16-18 x 1/2 C-Z whiz lock

4шт.

37

167316C11

COVER ASSY., concave front upper outer, R.H., serial no. 2367 and above

1шт.

18673R1

CARRIAGE BOLT,Short Sq Nk, 5/16" - 18 x 1/2", Gr 2

BOLT, 5/16 x 1/2 C-Z sq-nk. crg.

3шт.

938017R1

FLANGE NUT,Flg, USR, 5/16"-18

5/16 C-Z whiz lock

7шт.

477-73108

SERRATED SCREW,Sl Truss Hd, 5/16" - 18 x 1/2"

5/16 x 1/2 C-Z whiz lock

4шт.

38

167318C1

COVER, concave front upper inner, serial no. 2367 & above

1шт.

18673R1

CARRIAGE BOLT,Short Sq Nk, 5/16" - 18 x 1/2", Gr 2

BOLT, 5/16 x 1/2 C-Z sq-nk. crg.

4шт.

938017R1

FLANGE NUT,Flg, USR, 5/16"-18

5/16 C-Z whiz lock

14шт.

477-73108

SERRATED SCREW,Sl Truss Hd, 5/16" - 18 x 1/2"

5/16 x 1/2 C-Z whiz lock

10шт.

39

167319C1

COVER ASSY., concave rear, serial no. 2367 & above

1шт.

18673R1

CARRIAGE BOLT,Short Sq Nk, 5/16" - 18 x 1/2", Gr 2

BOLT, 5/16 x 1/2 C-Z sq-nk. crg.

6шт.

938017R1

FLANGE NUT,Flg, USR, 5/16"-18

5/16 C-Z whiz lock

16шт.

477-73108

SERRATED SCREW,Sl Truss Hd, 5/16" - 18 x 1/2"

5/16 x 1/2 C-Z whiz lock

10шт.

40

167320C11

COVER ASSY., fan suction tube bottom, serial no. 2367 & above

1шт.

18673R1

CARRIAGE BOLT,Short Sq Nk, 5/16" - 18 x 1/2", Gr 2

BOLT, 5/16 x 1/2 C-Z sq-nk. crg.

5шт.

16897R1

CARRIAGE BOLT,Short Nk, 5/16" - 18 x 3/4", Gr 2, Full Thd

BOLT, 5/16 x 3/4 C-Z sq-nk. crg.

1шт.

20816R1

BOLT, 3/8 x 1/2 C-Z sq-nk. crg.

2шт.

938017R1

FLANGE NUT,Flg, USR, 5/16"-18

5/16 C-Z whiz lock

14шт.

482256R1

BEARING LOCK NUT,Flg, USR, 3/8"-16

3/8 C-Z flange lock

2шт.

477-73108

SERRATED SCREW,Sl Truss Hd, 5/16" - 18 x 1/2"

5/16 x 1/2 C-Z whiz lock

8шт.

Выбрано товаров: 120