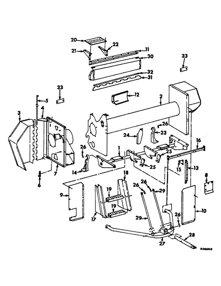
Запчасти Case IH 234 (G-02) - GRINDER AND SHELLER UNITS, GRINDER FRAME AND STAND (58) - ATTACHMENTS/HEADERS

Схема запчастей Case IH 234 - (G-02) - GRINDER AND SHELLER UNITS, GRINDER FRAME AND STAND (58) - ATTACHMENTS/HEADERS
26
4
22
33
26
16
6
25
18
21
26
5
25
24
28
27
3
10
2
11
32
19
26
26
29
31
17
19
14
1
9
15
29
12
20
13
7
23
8
30
33
FIT
1:1
100%

Артикул

Название

Примечание

Количество

1

152840C91

FRAME ASSY., grinder

1шт.

231-14410

NUT,5/8"-11, GB

NUT, LOCK, 5/8"-11, GB

2шт.

2

152844C91

CONCAVE ASSY., grinder, R.H.

1шт.

17351R1

CARRIAGE BOLT,Short Sq Nk, 3/8" - 16 x 1", Gr 2

BOLT, 3/8 x 1 C-Z sq-nk. crg.

8шт.

120377

NUT,3/8" - 16, Gr 5

11шт.

120382

LOCK WASHER,Helical Spring, 3/8"

WASHER, LOCK, 3/8"

11шт.

3

938088R91

COVER ASSY., side sheet extension

1шт.

4

150976C1

HINGE, side sheet

1шт.

18673R1

CARRIAGE BOLT,Short Sq Nk, 5/16" - 18 x 1/2", Gr 2

BOLT, 5/16 x 1/2 C-Z sq-nk. crg.

3шт.

938017R1

FLANGE NUT,Flg, USR, 5/16"-18

5/16-18 C-Z whiz lock

3шт.

5

938092R1

ROD, cover hinge

1шт.

6

565449R1

CLIP

cover

2шт.

7

152850C91

CONCAVE ASSY., grinder, L.H.

1шт.

18508R1

CARRIAGE BOLT,Short Nk, 3/8" - 16 x 3/4", Gr 2, Full Thd

BOLT, 3/8 x 3/4 C-Z sq-nk. crg.

4шт.

120377

NUT,3/8" - 16, Gr 5

9шт.

935736R1

NUT, WING

NUT, 5/16-18 C-Z wing

2шт.

80681

LOCK WASHER,5/16"

WASHER, LOCK, 5/16"

2шт.

120382

LOCK WASHER,Helical Spring, 3/8"

WASHER, LOCK, 3/8"

9шт.

8

156543C1

REINFORCEMENT, drive chain shield

1шт.

16897R1

CARRIAGE BOLT,Short Nk, 5/16" - 18 x 3/4", Gr 2, Full Thd

BOLT, 5/16 x 3/4 C-Z sq-nk. crg.

4шт.

120376

NUT,5/16"-18, G5

4шт.

80681

LOCK WASHER,5/16"

WASHER, LOCK, 5/16"

4шт.

9

167462C1

SECTION, back, L.H.

1шт.

18673R1

CARRIAGE BOLT,Short Sq Nk, 5/16" - 18 x 1/2", Gr 2

BOLT, 5/16 x 1/2 C-Z sq-nk. crg.

5шт.

938017R1

FLANGE NUT,Flg, USR, 5/16"-18

5/16-18 C-Z whiz lock

7шт.

477-73108

SERRATED SCREW,Sl Truss Hd, 5/16" - 18 x 1/2"

5/16-18 x 1/2 C-Z slt-truss-hd. whiz lock

2шт.

10

167463C1

SECTION BACK, R.H.

1шт.

18673R1

CARRIAGE BOLT,Short Sq Nk, 5/16" - 18 x 1/2", Gr 2

BOLT, 5/16 x 1/2 C-Z sq-nk. crg.

3шт.

938017R1

FLANGE NUT,Flg, USR, 5/16"-18

5/16-18 C-Z whiz lock

9шт.

477-73108

SERRATED SCREW,Sl Truss Hd, 5/16" - 18 x 1/2"

5/16-18 x 1/2 C-Z slt-truss-hd. whiz lock

6шт.

11

153214C1

CHANNEL, concave cover

1шт.

18673R1

CARRIAGE BOLT,Short Sq Nk, 5/16" - 18 x 1/2", Gr 2

BOLT, 5/16 x 1/2 C-Z sq-nk. crg.

2шт.

16897R1

CARRIAGE BOLT,Short Nk, 5/16" - 18 x 3/4", Gr 2, Full Thd

BOLT, 5/16 x 3/4 C-Z sq-nk. crg.

2шт.

938017R1

FLANGE NUT,Flg, USR, 5/16"-18

5/16-18 C-Z whiz lock

4шт.

12

167469C1

GRATE ASSY., hand hole

1шт.

17351R1

CARRIAGE BOLT,Short Sq Nk, 3/8" - 16 x 1", Gr 2

BOLT, 3/8 x 1 C-Z sq-nk. crg.

4шт.

120377

NUT,3/8" - 16, Gr 5

4шт.

120382

LOCK WASHER,Helical Spring, 3/8"

WASHER, LOCK, 3/8"

4шт.

13

156210C1

SUPPORT, wagon hitch angle

1шт.

16897R1

CARRIAGE BOLT,Short Nk, 5/16" - 18 x 3/4", Gr 2, Full Thd

BOLT, 5/16 x 3/4 C-Z sq-nk. crg.

3шт.

17351R1

CARRIAGE BOLT,Short Sq Nk, 3/8" - 16 x 1", Gr 2

BOLT, 3/8 x 1 C-Z sq-nk. crg.

2шт.

120377

NUT,3/8" - 16, Gr 5

2шт.

938017R1

FLANGE NUT,Flg, USR, 5/16"-18

5/16-18 C-Z whiz lock

3шт.

120382

LOCK WASHER,Helical Spring, 3/8"

WASHER, LOCK, 3/8"

2шт.

14

937672R1

LOCK, stand, L.H.

1шт.

18481R1

COTTER PIN,3/16" x 1"

PIN, SPLIT (COTTER), 3/16" x 1"

1шт.

671034R1

PIN

1/2 x 1-1/2 C-Z std-hd.

1шт.

21150R1

HEADED PIN,12.7mm OD x 57.15mm L

PIN, 1/2 x 2-1/4 C-Z std-hd.

1шт.

15

938232R1

STRIP, wagon hitch support angle

1шт.

18673R1

CARRIAGE BOLT,Short Sq Nk, 5/16" - 18 x 1/2", Gr 2

BOLT, 5/16 x 1/2 C-Z sq-nk. crg.

1шт.

938017R1

FLANGE NUT,Flg, USR, 5/16"-18

5/16-18 C-Z whiz lock

1шт.

16

938244R91

ANGLE ASSY., top support

1шт.

18508R1

CARRIAGE BOLT,Short Nk, 3/8" - 16 x 3/4", Gr 2, Full Thd

BOLT, 3/8 x 3/4 C-Z sq-nk. crg.

4шт.

120377

NUT,3/8" - 16, Gr 5

4шт.

120382

LOCK WASHER,Helical Spring, 3/8"

WASHER, LOCK, 3/8"

4шт.

17

938221R1

SIDE, operator ladder, L.H.

1шт.

18673R1

CARRIAGE BOLT,Short Sq Nk, 5/16" - 18 x 1/2", Gr 2

BOLT, 5/16 x 1/2 C-Z sq-nk. crg.

4шт.

938017R1

FLANGE NUT,Flg, USR, 5/16"-18

5/16-18 C-Z whiz lock

4шт.

18

938222R1

SIDE, operator ladder, R.H.

1шт.

18673R1

CARRIAGE BOLT,Short Sq Nk, 5/16" - 18 x 1/2", Gr 2

BOLT, 5/16 x 1/2 C-Z sq-nk. crg.

2шт.

16897R1

CARRIAGE BOLT,Short Nk, 5/16" - 18 x 3/4", Gr 2, Full Thd

BOLT, 5/16 x 3/4 C-Z sq-nk. crg.

2шт.

938017R1

FLANGE NUT,Flg, USR, 5/16"-18

5/16-18 C-Z whiz lock

4шт.

19

937878R1

STEP, operator ladder

2шт.

18673R1

CARRIAGE BOLT,Short Sq Nk, 5/16" - 18 x 1/2", Gr 2

BOLT, 5/16 x 1/2 C-Z sq-nk. crg.

8шт.

938017R1

FLANGE NUT,Flg, USR, 5/16"-18

5/16-18 C-Z whiz lock

8шт.

20

939426R1

STEP, operators

1шт.

18673R1

CARRIAGE BOLT,Short Sq Nk, 5/16" - 18 x 1/2", Gr 2

BOLT, 5/16 x 1/2 C-Z sq-nk. crg.

2шт.

16897R1

CARRIAGE BOLT,Short Nk, 5/16" - 18 x 3/4", Gr 2, Full Thd

BOLT, 5/16 x 3/4 C-Z sq-nk. crg.

3шт.

938017R1

FLANGE NUT,Flg, USR, 5/16"-18

5/16-18 C-Z whiz lock

5шт.

21

156116C1

BRACKET, step thread, L.H.

1шт.

16897R1

CARRIAGE BOLT,Short Nk, 5/16" - 18 x 3/4", Gr 2, Full Thd

BOLT, 5/16 x 3/4 C-Z sq-nk. crg.

2шт.

938017R1

FLANGE NUT,Flg, USR, 5/16"-18

5/16-18 C-Z whiz lock

2шт.

22

156117C1

BRACKET, operators step, R.H.

1шт.

18673R1

CARRIAGE BOLT,Short Sq Nk, 5/16" - 18 x 1/2", Gr 2

BOLT, 5/16 x 1/2 C-Z sq-nk. crg.

2шт.

938017R1

FLANGE NUT,Flg, USR, 5/16"-18

5/16-18 C-Z whiz lock

2шт.

23

937673R1

LOCK, stand, R.H.

1шт.

18481R1

COTTER PIN,3/16" x 1"

PIN, SPLIT (COTTER), 3/16" x 1"

1шт.

671034R1

PIN

1/2 x 1-1/2 C-Z std-hd.

1шт.

21150R1

HEADED PIN,12.7mm OD x 57.15mm L

PIN, 1/2 x 2-1/4 C-Z std-hd.

1шт.

24

156387C1

SUPPORT, frame front, R.H.

1шт.

18421R1

CARRIAGE BOLT,Short Sq Nk, 7/16" - 14 x 1", Gr 2

BOLT, CARRIAGE, Short NK, 7/16"-14 x 1", G5, Full Thd

4шт.

271501

SOCKET

NUT, 7/16-14 C-Z hex.

4шт.

120383

LOCK WASHER,Helical Spring, 7/16"

WASHER, LOCK, 7/16"

4шт.

25

937868R1

BRACKET, elevator support retainer

2шт.

18421R1

CARRIAGE BOLT,Short Sq Nk, 7/16" - 14 x 1", Gr 2

BOLT, CARRIAGE, Short NK, 7/16"-14 x 1", G5, Full Thd

4шт.

NLS

NO LONGER SERVICED

NUT, 7/16-14 C-Z hex.

4шт.

120383

LOCK WASHER,Helical Spring, 7/16"

WASHER, LOCK, 7/16"

4шт.

26

520175R1

CLIP

PIN, stand lock, QA.

4шт.

27

937661R91

HITCH ASSY., wagon

1шт.

217973

COTTER PIN,1/4" x 1 1/4"

Pin, Split (Cotter), 1/4" x 1-1/4"

2шт.

21667R1

HEADED PIN,3/4" x 3 3/4"

PIN, 3/4 x 3-1/2 C-Z std-hd.

2шт.

28

937666R11

PIPE ASSY., wagon hitch ext.

1шт.

217973

COTTER PIN,1/4" x 1 1/4"

Pin, Split (Cotter), 1/4" x 1-1/4"

1шт.

21667R1

HEADED PIN,3/4" x 3 3/4"

PIN, 3/4 x 3-1/2 C-Z std-hd.

1шт.

29

937667R11

PIPE ASSY., wagon hitch brace

2шт.

30

153208C91

DOOR ASSY., concave front upper

1шт.

18673R1

CARRIAGE BOLT,Short Sq Nk, 5/16" - 18 x 1/2", Gr 2

BOLT, 5/16 x 1/2 C-Z sq-nk. crg.

3шт.

938017R1

FLANGE NUT,Flg, USR, 5/16"-18

5/16 x znd. flange lock

3шт.

31

156164C1

HINGE, concave front lower cover R.H.

1шт.

938017R1

FLANGE NUT,Flg, USR, 5/16"-18

5/16-18 C-Z whiz lock

11шт.

477-73108

SERRATED SCREW,Sl Truss Hd, 5/16" - 18 x 1/2"

5/16-18 x 1/2 C-Z slt-truss-hd. whiz lock

11шт.

32

156157C1

ROD, concave front cover hinge

1шт.

137185

COTTER PIN,1/8" x 1"

PIN, SPLIT (COTTER), 1/8" x 1"

2шт.

33

175311C1

REFLECTOR

grinder unit

2шт.

Выбрано товаров: 104