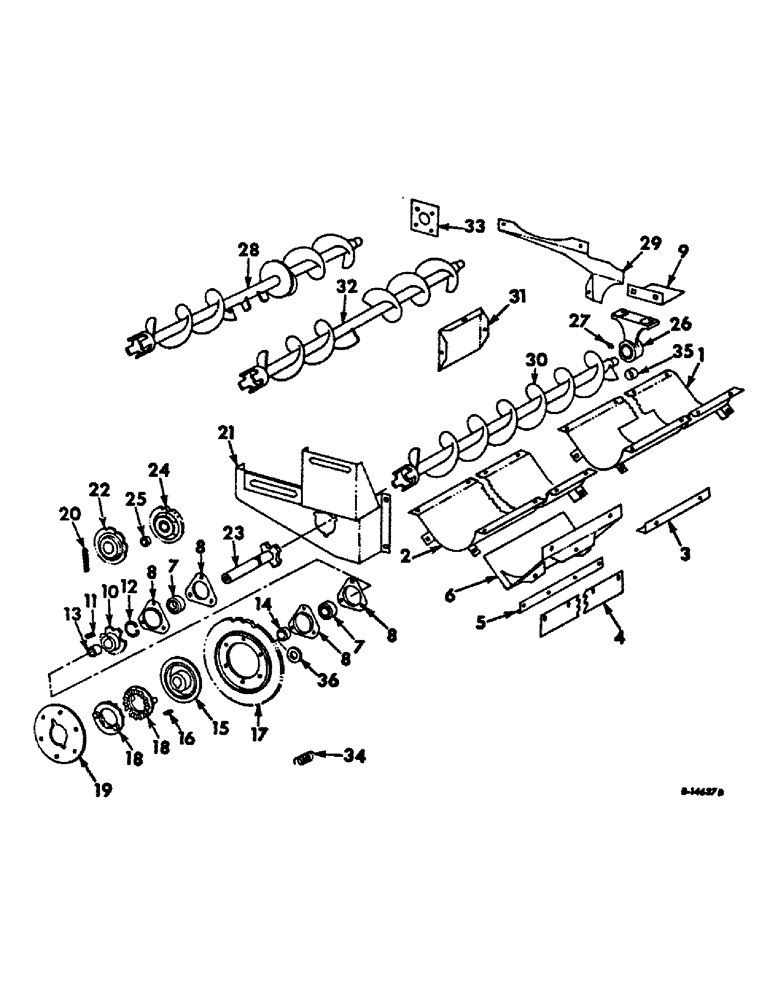
Запчасти Case IH 234 (G-10) - GRINDER AND SHELLER UNITS, GROUND CORN CONVEYOR (58) - ATTACHMENTS/HEADERS

Схема запчастей Case IH 234 - (G-10) - GRINDER AND SHELLER UNITS, GROUND CORN CONVEYOR (58) - ATTACHMENTS/HEADERS
2
18
27
8
21
31
8
35
13
10
23
20
6
19
18
17
30
32
24
14
25
36
29
12
8
3
11
1
8
28
9
33
7
26
16
5
34
22
15
7
4
FIT
1:1
100%

Артикул

Название

Примечание

Количество

1

152879C11

TROUGH ASSY., shelled corn auger, L.H.

1шт.

18673R1

CARRIAGE BOLT,Short Sq Nk, 5/16" - 18 x 1/2", Gr 2

BOLT, 5/16 x 1/2 C-Z sq-nk. crg.

2шт.

938017R1

FLANGE NUT,Flg, USR, 5/16"-18

5/16-18 C-Z whiz lock

2шт.

2

152877C11

TROUGH ASSY., shelled corn auger, R.H.

1шт.

16897R1

CARRIAGE BOLT,Short Nk, 5/16" - 18 x 3/4", Gr 2, Full Thd

BOLT, 5/16 x 3/4 C-Z sq-nk. crg.

4шт.

938017R1

FLANGE NUT,Flg, USR, 5/16"-18

5/16-18 C-Z whiz lock

4шт.

3

156378C1

ANGLE, hopper seal att.

1шт.

938017R1

FLANGE NUT,Flg, USR, 5/16"-18

5/16-18 C-Z whiz lock

3шт.

477-73108

SERRATED SCREW,Sl Truss Hd, 5/16" - 18 x 1/2"

5/16-18 x 1/2 C-Z slt-truss-hd. whiz lock

3шт.

4

937905R1

SEAL, elevator

1шт.

5

937906R1

SUPPORT, elevator seal

1шт.

16897R1

CARRIAGE BOLT,Short Nk, 5/16" - 18 x 3/4", Gr 2, Full Thd

BOLT, 5/16 x 3/4 C-Z sq-nk. crg.

4шт.

120376

NUT,5/16"-18, G5

4шт.

80681

LOCK WASHER,5/16"

WASHER, LOCK, 5/16"

4шт.

6

152874C91

EXTENSION ASSY., hopper seal

1шт.

938017R1

FLANGE NUT,Flg, USR, 5/16"-18

5/16-18 C-Z whiz lock

5шт.

477-73108

SERRATED SCREW,Sl Truss Hd, 5/16" - 18 x 1/2"

5/16-18 x 1/2 C-Z slt-truss-hd. whiz lock

5шт.

7

671681R91

BEARING ASSY,25.43mm ID x 52.09mm OD x 16mm W

ASSY., shelled corn auger inner ball

1шт.

139009

PRESSURE PIPE

SCREW, 1/4-28 x 1/4 hex-soc-hd. cup-pt. set

2шт.

7

155264C91

BALL BEARING,25.43mm ID x 52.09mm OD x 16mm W

ASSY., shelled corn auger outer ball

1шт.

8

571424R1

FLANGE

shelled corn auger ball brg.

4шт.

16897R1

CARRIAGE BOLT,Short Nk, 5/16" - 18 x 3/4", Gr 2, Full Thd

BOLT, 5/16 x 3/4 C-Z sq-nk. crg.

6шт.

938017R1

FLANGE NUT,Flg, USR, 5/16"-18

5/16-18 C-Z whiz lock

6шт.

9

159774C1

ANGLE, shelled corn auger brg. support

1шт.

18508R1

CARRIAGE BOLT,Short Nk, 3/8" - 16 x 3/4", Gr 2, Full Thd

BOLT, 3/8 x 3/4 C-Z sq-nk. crg.

2шт.

120377

NUT,3/8" - 16, Gr 5

2шт.

120382

LOCK WASHER,Helical Spring, 3/8"

WASHER, LOCK, 3/8"

2шт.

10

161286C1

SPROCKET EAR CORN AUGER DRIVE, 6T

1шт.

11

587016R1

KEY, auger drive sprocket

1шт.

12

937158R1

RING, SNAP

RING, auger drive sprocket snap

1шт.

13

585464R1

SPACER

ear corn auger sprocket inner

1шт.

14

152261C1

SPACER,1 1/4" Tube x 1 7/8"

ear corn auger sprocket outer

1шт.

15

937696R2

HOLDER, ground corn auger driven sprocket

1шт.

16

150532C1

KEY

auger driven sprocket holder

1шт.

17

156381C1

SPROCKET, shelled corn auger driven, 22T

1шт.

231-1445

NUT,5/16"-18, GB

NUT, 5/16-18 znp. nylon insert

6шт.

413-548

BOLT,Hex, 5/16" - 18 x 3", Gr 5

SCREW, 5/16-18 x 3 C-Z hex-hd. cap

6шт.

619855R1

WASHER

11/32 x 3/4 x 16 ga. C-Z

6шт.

18

U1288

RATCHET

ground corn auger slip clutch

2шт.

19

161005C1

RETAINER, slip clutch ratchet

1шт.

20

CHAIN ASSY., shelled corn auger drive use 43 links from a 10-ft. roll marked 569089R91, one connecting link 587372R91

1шт.

21

159257C91

BRACKET ASSY., shelled corn auger brg.

1шт.

16897R1

CARRIAGE BOLT,Short Nk, 5/16" - 18 x 3/4", Gr 2, Full Thd

BOLT, 5/16 x 3/4 C-Z sq-nk. crg.

4шт.

938017R1

FLANGE NUT,Flg, USR, 5/16"-18

5/16 C-Z whiz lock

4шт.

22

564989R91

DRIVE SPROCKET

SPROCKET ASSY., drive chain tightener, 9T

1шт.

20314R1

BOLT,Short NK, 1/2"-13 x 2 1/2", G2

1/2 x 2-1/2 C-Z sq-nk. crg.

1шт.

120378

NUT,Hex, 1/2" - 13, Gr 5

NUT, 1/2"-13, G5

1шт.

120384

WASHER,1/2"

LOCK, 1/2"

1шт.

178374R1

WASHER

17/32 x 1-1/4 x 16 ga.

3шт.

607896R1

SQ HOLE WASHER,17/32" x 1 1/4" x .120", Sq Hole

17/32 x 1-1/4 x 16 ga. C-Z

1шт.

23

156379C91

SHAFT ASSY., shelled corn auger drive

1шт.

181696

1/2-20 x 1 C-Z hex-hd. cap

1шт.

120384

WASHER,1/2"

LOCK, 1/2"

1шт.

2770R1

WASHER, 17/32 x 1-1/2 x 7 ga. C-Z

1шт.

24

629972R91

DRIVE SPROCKET,15T

SPROCKET ASSY., rotor drive chain tightener, 15T

1шт.

18826R1

BOLT,Hex, 5/8"-11 x 3", G2

5/8 x 3 C-Z hex-hd. mach.

1шт.

280374

NUT,Hex, 5/8" - 11, Gr 5

5/8-11 C-Z hex.

1шт.

20511R1

WASHER, 5/8 C-Z med. lock

1шт.

608701R1

WASHER

21/32 x 1-1/4 x 16 ga. C-Z

1шт.

21759R1

WASHER

21/32 x 2 x 11 ga. C-Z

2шт.

25

320993R1

SPACER,7/8" Tube x 1/2"

tightener bracket

1шт.

26

156862C11

BRACKET W/BUSHING, shelled corn auger, includes ref. no. 35

1шт.

18684R1

BOLT,Sht Sq Nk, 3/8" - 16 x 1 1/4", Gr 2

3/8 x 1-1/4 C-Z sq-nk. crg.

2шт.

120377

NUT,3/8" - 16, Gr 5

2шт.

120382

LOCK WASHER,Helical Spring, 3/8"

WASHER, LOCK, 3/8"

2шт.

591715R1

WASHER

1-1/32 x 1-1/2 x 16 ga. C-Z

2шт.

27

332040

LUBE NIPPLE,90 Degree, 1/8" NPT x .84" lg

FITTING, 1/8-27 90 deg. angle lub.

1шт.

28

152872C91

AUGER ASSY., shelled corn, for use w/grinder unit

1шт.

29

152881C11

COVER ASSY., shelled corn auger, for use w/grinder unit

1шт.

938017R1

FLANGE NUT,Flg, USR, 5/16"-18

5/16-18 C-Z whiz lock

1шт.

477-73108

SERRATED SCREW,Sl Truss Hd, 5/16" - 18 x 1/2"

5/16-18 x 1/2 C-Z slt-truss-hd. whiz lock

1шт.

30

156887C91

AUGER ASSY., shelled corn, for use w/sheller unit w/cracking rolls

1шт.

31

156889C1

COVER, auger trough discharge, for use w/sheller unit w/cracking rolls

1шт.

18763R1

BOLT,Hex, 5/16" - 18 x 1/2", Gr 2

5/16 x 1/2 C-Z hex-hd. mach.

3шт.

120376

NUT,5/16"-18, G5

3шт.

80681

LOCK WASHER,5/16"

WASHER, LOCK, 5/16"

3шт.

32

156884C91

AUGER ASSY., shelled corn, for use w/sheller unit

1шт.

33

156886C1

COVER, auger end, for use w/sheller unit

1шт.

18673R1

CARRIAGE BOLT,Short Sq Nk, 5/16" - 18 x 1/2", Gr 2

BOLT, 5/16 x 1/2 C-Z sq-nk. crg.

1шт.

938017R1

FLANGE NUT,Flg, USR, 5/16"-18

5/16-18 C-Z whiz lock

1шт.

34

U13033

SPRING

slip clutch

6шт.

35

568615R2

BEARING

BUSHING, auger bracket

1шт.

36

654283C1

WASHER, auger drive shaft

6шт.

Выбрано товаров: 83