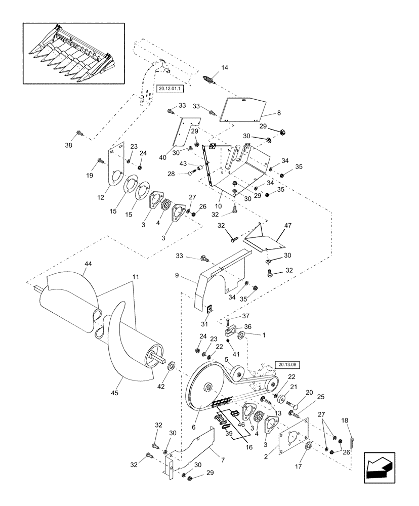
Запчасти Case IH 2412-30 (20.13.07[1]) - AUGER DRIVE, DOUBLE, BPIN CBJ030601 [INCLUDES ALL HAJ PINS] (58) - ATTACHMENTS/HEADERS

Схема запчастей Case IH 2412-30 - (20.13.07[1]) - AUGER DRIVE, DOUBLE, BPIN CBJ030601 [INCLUDES ALL HAJ PINS] (58) - ATTACHMENTS/HEADERS
20
34
35
23
7
15
14
30
3
3
37
6
17
24
27
10
25
29
29
32
30
12
11
47
26
43
29
15
40
9
35
33
26
44
27
1
30
4
3
20.13.08
20.12.01.1
46
22
32
29
2
23
19
34
34
4
41
28
31
21
13
16
38
30
45
30
18
42
32
33
3
35
22
32
32
36
33
8
24
5
39
30
FIT
1:1
100%

Артикул

Название

Примечание

Количество

1

86555132

WASHER,36.6mm ID x 63.5mm OD x 6.35mm Thk

2шт.

2

86634719

SUPPORT

Auger

2шт.

3

86620026

FLANGED BEARING

ZND

8шт.

4

121602

BALL BEARING,28.6mm Hex x 72mm OD x 37.7mm W

4шт.

5

86627870

DRIVEN SPROCKET,15T

Idler

2шт.

6

87280073

SPROCKET

58T

2шт.

7

86636542

SHIELD

Auger, Lower LH

1шт.

7

86636545

SHIELD

Auger, Lower RH

1шт.

8

86729818

PLATE

Top

2шт.

9

86613823

SHIELD

Auger, LH

1шт.

9

86613826

SHIELD

Auger, RH

1шт.

10

86729815

SHIELD

Drive, LH

1шт.

BPIN HAJ036102

1шт.

10

87031018

SHIELD

Drive, LH

1шт.

PIN HAJ036102 and after [Includes all CBJ PIN's]

1шт.

10

86729816

SHIELD

Drive, RH

1шт.

BPIN HAJ036102

1шт.

10

87031023

SHIELD

Drive, RH

1шт.

PIN HAJ036102 and after [Includes all CBJ PIN's]

1шт.

11

86615199

AUGER

LH, 8 Row-36" & 38"

1шт.

11

86615200

AUGER

RH, 8 Row-36" & 38"

1шт.

11

86615203

AUGER

LH, 12 Row-22"

1шт.

11

86615205

AUGER

RH, 12 Row-22"

1шт.

11

86615194

AUGER

RH, 12 Row-30"

1шт.

11

86615193

AUGER

LH, 12 Row-30"

1шт.

12

86614562

BRACKET

Auger

2шт.

13

86633356

CARRIAGE BOLT,M10 x 34.8mm, Cl 8.8

6шт.

14

133449

FASTENER

Special, 1/4 Turn

2шт.

15

86614656

PLATE

Bearing

4шт.

16

86611667

CHAIN,#60, 93 Links x 19.05mm = 1771.65mm

#60, 0.75"P, 93 Links, 69-3/4" Total Length

2шт.

17

86611850

WASHER

4/ARшт.

18

87041

COTTER PIN,1/4" x 1 3/4"

2шт.

19

9706704

BOLT,Hex, M10 x 1.5 x 41.58mm, Cl 8.8

6шт.

20

338263

CARRIAGE BOLT,Sht Sq Nk, M12 x 1.75 x 70mm, Cl 8.8

2шт.

21

86535203

SPACER

2шт.

22

86611853

WASHER,14.29mm ID x 23.81mm OD x 1.52mm Thk

10шт.

23

140046

BELLEVILLE WASHER,M12 Bolt Size x 27mm OD x 1.8mm Thk

4шт.

24

9706685

NUT,M12 x 1.75, Cl 8

4шт.

25

338949

CARRIAGE BOLT,M10 x 1.5 x 25mm, Cl 8.8

14шт.

26

100016

NUT,M10 x 1.5, Cl 8

24шт.

27

140045

BELLEVILLE WASHER,M10 Bolt Size x 22mm OD x 1.6mm Thk

24шт.

28

86507486

CARRIAGE BOLT,M8 x 1.25 x 20mm, Cl 8.8

4шт.

29

9706690

NUT,M8 x 1.25, Cl 8

24шт.

30

322358

BELLEVILLE WASHER,M8 Bolt Size x 18mm OD x 1.4mm Thk

32шт.

31

86508354

PUSH-ON NUT,M8 x 1.25

Speed, M8 x 1.25

4шт.

32

120104

BOLT,Hex, M8 x 1.25 x 20mm, Cl 8.8

28шт.

33

86977726

BOLT,Hex, M6 x 12mm, Cl 8.8

14шт.

34

322357

BELLEVILLE WASHER,M6 Bolt Size x 14mm OD x 1.3mm Thk

14шт.

35

15896221

NUT,Hex, M6, 5.20mm High, Cl 10

14шт.

36

86611827

CLAMP,32.08mm - 35.16mm

2шт.

37

120069

BOLT,M10 x 1.5 x 56.58mm OAL, Cl 8.8

2шт.

38

811-12040

CARRIAGE BOLT,Sht Sq Nk, M12 x 1.75 x 40mm, Cl 8.8

2шт.

39

165590

CONNECTING LINK

#60, W/Spring Clip

4шт.

40

86729817

COVER

Auger Drive

2шт.

41

100037

LOCK NUT,M10 x 1.5, Cl 8

2шт.

42

136065

WASHER

3-5/16"

4шт.

43

103789

SPACER

2шт.

44

86640648

AUGER FLIGHT

36", RH, Replacement Section

1шт.

45

86640649

AUGER FLIGHT

36", LH, Replacement Section

1шт.

46

86595275

OFFSET LINK

#60

1шт.

47

87011984

SHIELD

RH

1шт.

PIN HAJ036102 and after [Includes all CBJ PIN's]

1шт.

47

87011980

SHIELD

LH

1шт.

PIN HAJ036102 and after [Includes all CBJ PIN's]

1шт.

Выбрано товаров: 64