Запчасти Case IH 2606XR (58.212.050) - SIDE DIVIDERS - C585 (58) - ATTACHMENTS/HEADERS

Схема запчастей Case IH 2606XR - (58.212.050) - SIDE DIVIDERS - C585 (58) - ATTACHMENTS/HEADERS
2
23
7
13
17
26
12
28
21
23
3
27
22
14
11
28
26
11
17
17
15
19
1
29
6
8
31
32
25
4
10
18
30
16
27
9
24
home
5
20
24
20
FIT
1:1
100%

Артикул

Название

Примечание

Количество

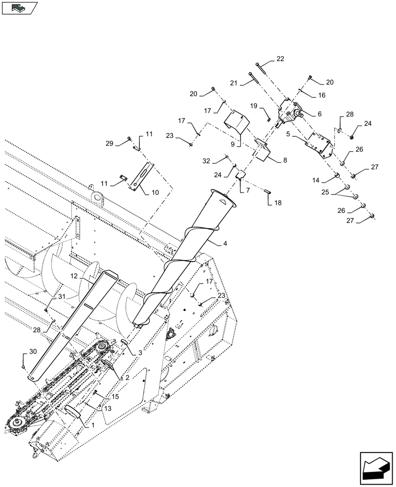
1

84976235

PROTECTION CAP

1шт.

2

84976225

BEARING HOUSING

1шт.

3

340411236

BALL BEARING,25mm ID x 52mm OD x 15mm W

1шт.

4

84976231

AUGER

LH

1шт.

4

84976229

AUGER

RH

1шт.

5

84976251

SUPPORT

1шт.

6

84976269

GEARBOX

1шт.

6

84976269R

REMAN-GEARBOX

Reman Gearbox for PN 84976269

1шт.

84976269C

CORE-GEARBOX

Return Number

1шт.

7

84976237

HYD CONNECTOR

1шт.

8

84976000

GUARD

1шт.

9

84976267

GUARD

1шт.

10

322575350

CANVAS

1шт.

11

322575250

FIXING PLATE

2шт.

12

84976405

SUPPORT

LH

1шт.

12

84976407

SUPPORT

RH

1шт.

13

87016617

LOCK WASHER,M8

4шт.

14

340415211

BUSHING

2шт.

15

43128

BOLT,M8 x 1.25 x 30mm, Cl 8.8

4шт.

16

9824259

WASHER,6.4mm ID x 12mm OD x 1.6mm Thk

2шт.

17

322357

BELLEVILLE WASHER,M6 Bolt Size x 14mm OD x 1.3mm Thk

8шт.

18

278910

LOCK PIN,12mm OD x 55mm L, Slotted

1шт.

19

170005

KEY,M8 x 7mm W x 25mm OAL

3шт.

20

86508568

BOLT,Hex, M6 x 1 x 16mm, Cl 8.8

4шт.

21

212668

BOLT,Hex, M10 x 1.5 x 150mm, Cl 8.8, Full Thd

2шт.

22

120118

BOLT,Hex, M10 x 1.5 x 120mm, Cl 8.8, Full Thd

2шт.

23

9706755

NUT,M6, Cl 8

8шт.

24

9706690

NUT,M8 x 1.25, Cl 8

5шт.

25

86625253

WASHER,11mm ID x 24mm OD x 2mm Thk

4шт.

26

140015

WASHER,6.4mm ID x 14mm OD x 1.6mm Thk

5шт.

27

100016

NUT,M10 x 1.5, Cl 8

4шт.

28

412650

BELLEVILLE WASHER,M8 Bolt Size x 22mm OD x 1.4mm Thk

7шт.

29

120100

BOLT,M6 x 20mm, Cl 8.8

4шт.

30

86507486

CARRIAGE BOLT,M8 x 1.25 x 20mm, Cl 8.8

2шт.

31

120104

BOLT,Hex, M8 x 1.25 x 20mm, Cl 8.8

3шт.

32

300477

SET SCREW,M8 x 16mm

1шт.

Выбрано товаров: 36