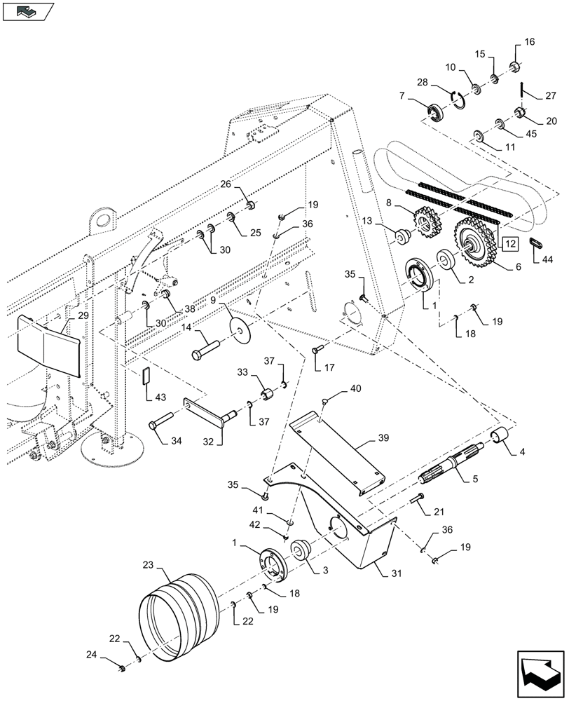
Запчасти Case IH 2606XR (58.224.090) - HEADER DRIVE, RH (58) - ATTACHMENTS/HEADERS

Схема запчастей Case IH 2606XR - (58.224.090) - HEADER DRIVE, RH (58) - ATTACHMENTS/HEADERS
39
19
28
30
36
22
5
30
27
home
22
6
14
38
8
25
34
37
12
3
42
18
19
31
37
24
10
29
43
33
9
13
40
7
19
44
41
20
16
36
19
35
4
11
32
21
15
17
23
2
1
18
45
1
35
26
FIT
1:1
100%

Артикул

Название

Примечание

Количество

1

321139050

SUPPORT

2шт.

2

412268

BALL BEARING,35 mm ID x 72 mm OD x 25.4 mm

1шт.

3

322360

BALL BEARING,35mm ID x 72mm OD x 19mm W

1шт.

4

322652050

SPACER

1шт.

5

322642150

SHAFT

1шт.

6

322713250

DRIVEN SPROCKET

Z=28T

1шт.

FOR FLAGSHIP COMBINES ONLY

1шт.

6

84977506

DRIVEN SPROCKET

Z=30T

1шт.

FOR MIDRANGE COMBINES ONLY

1шт.

6

87594560

SPROCKET

Z=24T, Start Serial: D638

1шт.

FOR LOW RPM ONLY

1шт.

7

28996530

BALL BEARING,30mm ID x 62mm OD x 16mm W

1шт.

8

300114232

DRIVEN SPROCKET

1шт.

9

84976403

WASHER

,, Serial Range: -C567

1шт.

9

86592703

WASHER,21mm ID x 50mm OD x 6mm Thk

,, Start Serial: D568

1шт.

10

322640650

WASHER

1шт.

11

355502150

WASHER

1шт.

12

84976827

CHAIN,60-2, 90 Links x 19.05mm = 1714.5mm

Incl 44

1шт.

13

322632550

BUSHING

1шт.

14

15989124

SCREW,M20 x 1.5 x 100mm

2шт.

15

86642462

LOCK WASHER,M20

1шт.

16

12164311

NUT,Hex, M20 x 1.5

1шт.

17

9706704

BOLT,Hex, M10 x 1.5 x 41.58mm, Cl 8.8

3шт.

18

140028

WASHER,10.2mm ID x 18.1mm OD x 2.2mm Thk

6шт.

19

100016

NUT,M10 x 1.5, Cl 8

1шт.

20

412144

SLOTTED NUT,M20 x 1.5, Cl 8

1шт.

21

120113

BOLT,Hex, M10 x 1.5 x 50mm, Cl 8.8, Full Thd

3шт.

22

140017

WASHER,M10 x 20mm OD x 2mm Thk

6шт.

23

322361450

SHIELD

1шт.

24

100037

LOCK NUT,M10 x 1.5, Cl 8

3шт.

25

87016618

LOCK WASHER,M16

,, Serial Range: -C567

3шт.

25

140048

BELLEVILLE WASHER,M16 Bolt Size x 32mm OD x 2.8mm Thk

,, Start Serial: D568

3шт.

26

100020

NUT,M16 x 2.0, Cl 8

3шт.

27

300416

COTTER PIN,M4 x 50

1шт.

28

370012

RING,M62, Internal

1шт.

29

84976427

SUPPORT

,, Serial Range: -C567

1шт.

29

84210566

GUIDE

,, Start Serial: D568

1шт.

30

140020

WASHER,17.5mm ID x 30mm OD x 3mm Thk

7шт.

31

84976189

CONSOLE

,, Serial Range: -C567

1шт.

32

322651950

SUPPORT

1шт.

33

322651850

COUPLING

1шт.

34

412587

BOLT,Hex, M16 x 2 x 90mm, Cl 8.8, Full Thd

1шт.

35

86633356

CARRIAGE BOLT,M10 x 34.8mm, Cl 8.8

,, Serial Range: -C567

4шт.

36

412655

BELLEVILLE WASHER,M10 Bolt Size x 20mm OD x 1.6mm Thk

,, Serial Range: -C567

4шт.

37

370024

CIRCLIP,M20, Ext

2шт.

38

86000441

NUT,M16 x 2.0, Cl 8

1шт.

39

87635439

COVER

1шт.

40

86619060

CARRIAGE BOLT,M8 x 1.25 x 16mm, Cl 8.8

2шт.

41

412650

BELLEVILLE WASHER,M8 Bolt Size x 22mm OD x 1.4mm Thk

2шт.

42

9706690

NUT,M8 x 1.25, Cl 8

2шт.

43

84972786

FLEXIBLE SHEATH

1шт.

44

340437624

LINK CHAIN,#60-2, 19.05mm Pitch

1шт.

45

140021

WASHER,22mm ID x 37mm OD x 3mm Thk

,, Start Serial: D568

1шт.

Выбрано товаров: 53