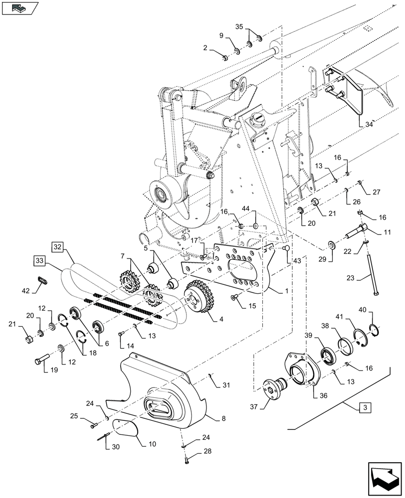
Запчасти Case IH 2608XF (58.224.100) - HEADER DRIVE, LH (58) - ATTACHMENTS/HEADERS

Схема запчастей Case IH 2608XF - (58.224.100) - HEADER DRIVE, LH (58) - ATTACHMENTS/HEADERS
21
18
9
32
13
13
1
40
43
34
16
39
13
8
30
25
38
12
5
22
26
42
17
24
41
14
24
16
6
16
10
3
16
21
36
27
home
7
15
20
33
29
19
31
11
4
23
28
20
44
37
12
35
2
FIT
1:1
100%

Артикул

Название

Примечание

Количество

1

84977381

SUPPORT

,, Serial Range: -C581

1шт.

FOR FLAGSHIP COMBINES ONLY

1шт.

1

84221048

PLATE

,, Start Serial: D582

1шт.

FOR FLAGSHIP COMBINES ONLY

1шт.

1

84977377

SUPPORT

,, Serial Range: -C581

1шт.

FOR MIDRANGE COMBINES ONLY

1шт.

1

84222783

PLATE

,, Start Serial: D582

1шт.

FOR MIDRANGE COMBINES ONLY

1шт.

2

100020

NUT,M16 x 2.0, Cl 8

3шт.

3

84977395

DRIVE

Incl 36 - 41

1шт.

4

322713150

DRIVEN SPROCKET,25T

Z= 25

1шт.

FOR FLAGSHIP COMBINES ONLY

1шт.

4

84977253

DRIVEN SPROCKET

Z= 27

1шт.

FOR MIDRANGE COMBINES ONLY

1шт.

5

322632550

BUSHING

2шт.

6

28996530

BALL BEARING,30mm ID x 62mm OD x 16mm W

2шт.

7

300114232

DRIVEN SPROCKET

2шт.

8

84972867

SHIELD

1шт.

9

140048

BELLEVILLE WASHER,M16 Bolt Size x 32mm OD x 2.8mm Thk

3шт.

10

84976025

COVER

1шт.

11

84976057

BOLT,Hex, M20 x 1.5 x 100mm

1шт.

12

322640650

WASHER

2шт.

13

412123

LOCK WASHER,13.1mm ID x 21.1mm OD x 2.55mm Thk

1шт.

14

300388

BOLT,Hex, M12 x 1.75 x 25mm, Cl 8.8

4шт.

15

84976032

SCREW,Flat CSK, M12 x 35mm, Cl 8.8

6шт.

16

9706685

NUT,M12 x 1.75, Cl 8

1шт.

17

84976774

SCREW,FLAT, M12 x 30mm, Cl 8.8

1шт.

18

370012

RING,M62, Internal

2шт.

19

84976826

BOLT,Hex, M20 x 1.5 x 85mm, Cl 8.8

1шт.

20

86642462

LOCK WASHER,M20

2шт.

21

9706694

NUT,Hex, M20, Cl 8

2шт.

22

86588502

WASHER,13mm ID x 25mm OD x 3mm Thk

1шт.

23

84976058

BOLT,Hex, M12 x 210mm, Cl 8.8

1шт.

24

86625263

WASHER,9mm ID x 20mm OD x 1.6mm Thk

4шт.

25

43128

BOLT,M8 x 1.25 x 30mm, Cl 8.8

2шт.

26

322358

BELLEVILLE WASHER,M8 Bolt Size x 18mm OD x 1.4mm Thk

4шт.

27

9706690

NUT,M8 x 1.25, Cl 8

4шт.

28

43127

BOLT,Hex, M8 x 1.25 x 25mm, Cl 8.8

2шт.

29

355502150

WASHER

1шт.

30

9512968

RIVET,Pop, 4.8mm OD x 11.2mm L

2шт.

31

140014

WASHER,M5 x 10mm OD x 1mm Thk

2шт.

32

84976827

CHAIN,60-2, 90 Links x 19.05mm = 1714.5mm

Incl 42

1шт.

33

87536190

CHAIN,60-2, 2 Links x 19.05mm = 38.1mm

Incl 42

1шт.

FOR AF COMBINES ONLY

1шт.

33

87534773

CHAIN,60-2, 14 Links x 19.05mm = 266.7mm

Incl 42

1шт.

FOR AFX COMBINES ONLY

1шт.

34

84976427

SUPPORT

,, Serial Range: -C567

1шт.

34

84199877

GUIDE

,, Start Serial: D568

1шт.

35

140020

WASHER,17.5mm ID x 30mm OD x 3mm Thk

6шт.

36

84977388

FLANGE

1шт.

37

322698850

HUB

1шт.

38

322699050

SPACER

1шт.

39

28996570

BALL BEARING

2шт.

40

11069376

SNAP RING,M50, Ext

1шт.

41

11062476

SNAP RING,M90, Int

1шт.

42

340437624

LINK CHAIN,#60-2, 19.05mm Pitch

1шт.

43

120044

CARRIAGE BOLT,M12 x 1.75 x 30mm, Cl 8.8

,, Start Serial: D582

8шт.

44

140046

BELLEVILLE WASHER,M12 Bolt Size x 27mm OD x 1.8mm Thk

,, Start Serial: D582

8шт.

Выбрано товаров: 58