Запчасти Case IH 2608XF (58.224.310) - ROW UNIT DRIVES, SAFETY CLUTCH (58) - ATTACHMENTS/HEADERS

Схема запчастей Case IH 2608XF - (58.224.310) - ROW UNIT DRIVES, SAFETY CLUTCH (58) - ATTACHMENTS/HEADERS
home
11
8
5
10
2
6
7
4
3
9
58.224.310
1
FIT
1:1
100%

Артикул

Название

Примечание

Количество

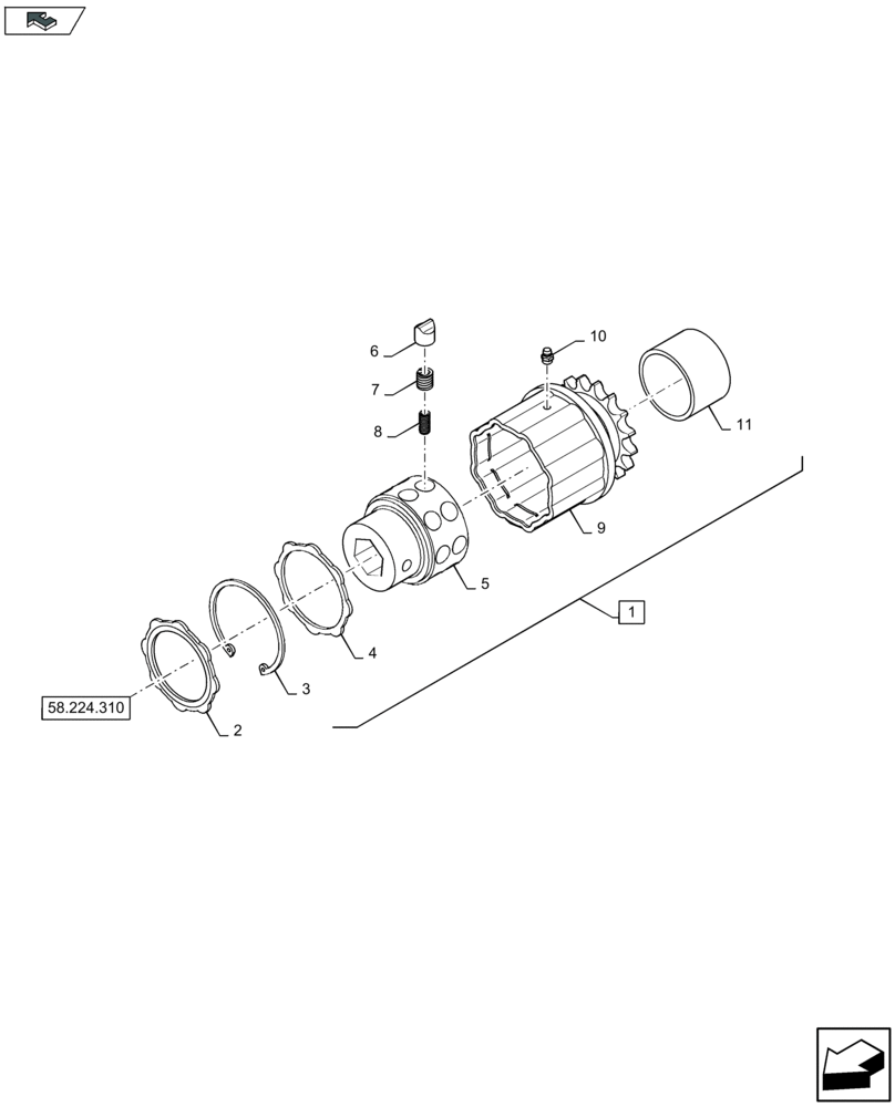
1

84972761

CLUTCH

Incl 2 - 11

1шт.

2

86634290

SEALING RING,58.5mm ID x 84mm OD x 6mm Thk

1шт.

3

300633

SNAP RING,M80, Internal

1шт.

4

418509

RING

1шт.

5

84977724

HUB

1шт.

6

275246

CAM

16шт.

7

386510

SPRING,Compression, 13mm OD X 13.2mm L

16шт.

8

279346

SPRING

7шт.

9

84977723

BOX

1шт.

10

300919

LUBE NIPPLE

1шт.

11

84977727

LUBRICANT

1шт.

Выбрано товаров: 11