Запчасти Case IH 2608XR (58.224.320) - ROW UNIT DRIVES, SAFETY CLUTCH (58) - ATTACHMENTS/HEADERS

Схема запчастей Case IH 2608XR - (58.224.320) - ROW UNIT DRIVES, SAFETY CLUTCH (58) - ATTACHMENTS/HEADERS
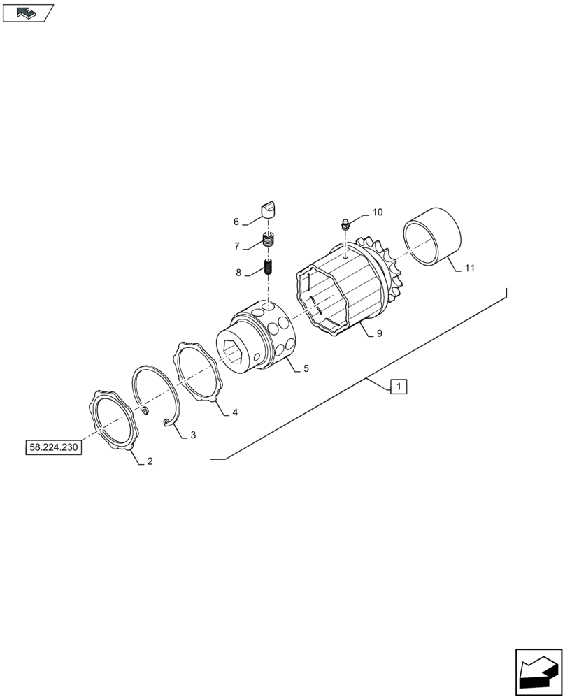
6
58.224.230
2
11
home
7
8
4
1
3
5
9
10
FIT
1:1
100%

Артикул

Название

Примечание

Количество

1

84972763

CLUTCH

Incl 2 - 11

1шт.

FOR 2606XR AND 2608XR ONLY

1шт.

1

84972763R

REMAN-CLUTCH ASSY

FOR 2606XR AND 2608XR ONLY

1шт.

1

84972763C

CORE-CLUTCH ASSEMBLY

Return Number

1шт.

1

84972763

CLUTCH

Incl 2 - 11

2шт.

FOR 2612XR ONLY

1шт.

1

84972763C

CORE-CLUTCH ASSEMBLY

FOR 2612XR ONLY

2шт.

1

84972763C

CORE-CLUTCH ASSEMBLY

Return Number

2шт.

2

86634290

SEALING RING,58.5mm ID x 84mm OD x 6mm Thk

1шт.

3

300633

SNAP RING,M80, Internal

1шт.

4

418509

RING

1шт.

5

84977724

HUB

1шт.

6

275246

CAM

16шт.

7

386510

SPRING,Compression, 13mm OD X 13.2mm L

16шт.

8

279346

SPRING

7шт.

9

84977723

BOX

1шт.

10

300919

LUBE NIPPLE

1шт.

11

84977730

LUBRICANT

1шт.

Выбрано товаров: 18