Запчасти Case IH 306 (30) - CROSS AUGER (58) - ATTACHMENTS/HEADERS

Схема запчастей Case IH 306 - (30) - CROSS AUGER (58) - ATTACHMENTS/HEADERS
7
6
16
6
15
5
2
17
11
7
4
4
13
1
12
10
3
14
6
5
9
FIT
1:1
100%

Артикул

Название

Примечание

Количество

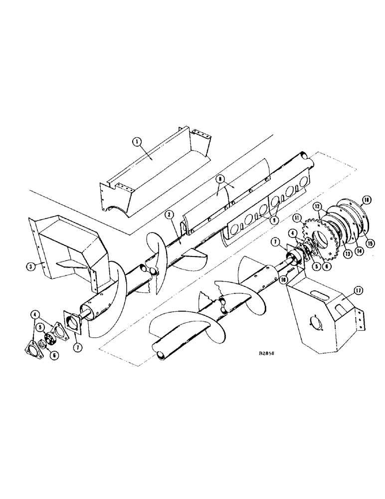
1

F93024

BEATER COVER - cross auger

1шт.

13-512

BOLT,Hex, 5/16" - 18 x 3/4", Gr 5

Nut (25-105) L.W. (92-5) Hex, 5/16"-18 x 3/4", G5, Full Thd

6шт.

2

F92835

CROSS AUGER

1шт.

126-21

WOODRUFF KEY,#A, 1/4" x 7/8"

1шт.

131-37

LOCK NUT,3/4"-16

NUT - 3/4" N.F. and flatwasher (195-45)

1шт.

3

F92839

SUPPORT - auger, R.H. 30"

1шт.

F92841

SUPPORT - auger, R.H. 28"

1шт.

113-206

BOLT,Hex, 3/8" - 16 x 3/4", Gr 5, Full Thd

and L.W. (192-21) Hex, 3/8"-16 x 3/4", G5, Full Thd

10шт.

129-103

NUT,Hex, 3/8" - 16, Gr 5

NUT, 3/8"-16, G5

4шт.

4

F54559

RETAINER

FLANGETTE

4шт.

5

F51085

BEARING

2шт.

6

F62226

COLLAR

2шт.

7

F93033

SHIELD - anti-wrap

2шт.

8

F54544

BEATER - cross auger

4шт.

9

F54545

CLIP - beater backing

4шт.

113-208

BOLT,Hex, 3/8" - 16 x 1-1/4", Gr 5

Nut (129-103) L.W. (192-21) Hex, 3/8"-16 x 1 1/4", G5, Full Thd

12шт.

10

O6267HT

KEY

- 5/16" sq. x 1-1/2"

1шт.

11

F17493

SPROCKET - (45T)

1шт.

111-218

BOLT - 5/16" x 2" rhd, sq. nk.

5шт.

12

F93082

FACING - slip clutch (Set of 6)

2шт.

13

F93020

HUB AND BEARING - auger drive

1шт.

13-58

BOLT,Hex, 5/16" - 18 x 1/2", Gr 5

2шт.

193-45

WASHER,Ext-Int Tooth, 5/16"

- 5/16"

2шт.

14

F55083

PLATE - thrust

1шт.

15

F17496

SPRING - rubber

1шт.

16

F22250

PLATE

- pressure

1шт.

131-575

NUT

NUT - 5/16" Flexloc

5шт.

17

F92838

SUPPORT - auger, L.H. 30"

1шт.

F92840

SUPPORT - auger, L.H. 28"

1шт.

113-206

BOLT,Hex, 3/8" - 16 x 3/4", Gr 5, Full Thd

and L.W. (192-21) Hex, 3/8"-16 x 3/4", G5, Full Thd

10шт.

129-103

NUT,Hex, 3/8" - 16, Gr 5

NUT, 3/8"-16, G5

7шт.

Выбрано товаров: 31