Запчасти Case IH 306 (34) - ROW ASSEMBLY (58) - ATTACHMENTS/HEADERS

Схема запчастей Case IH 306 - (34) - ROW ASSEMBLY (58) - ATTACHMENTS/HEADERS
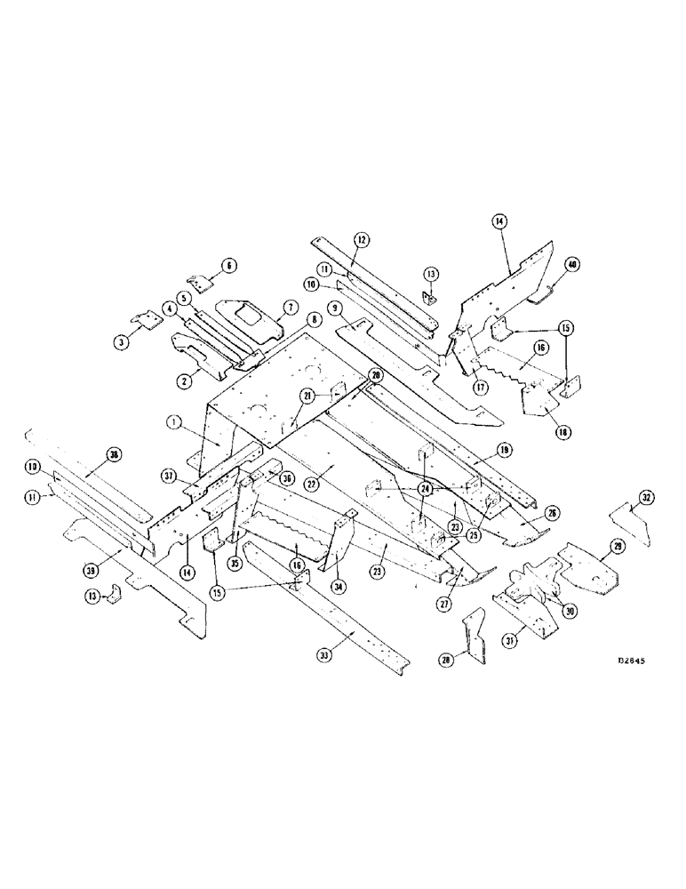
11
35
15
36
4
40
18
22
3
14
26
32
2
28
10
23
27
17
19
8
10
20
38
33
5
13
14
29
1
21
11
37
9
16
7
23
39
31
12
16
15
13
30
25
6
24
34
FIT
1:1
100%

Артикул

Название

Примечание

Количество

1

F54653

PLATE - bearing, stalk roll

6шт.

11-512

SCREW,Short Nk, 5/16" - 18 x 3/4", Gr 2

BOLT, CARRIAGE, , Nut (25-105), L.W. (92-5) Short NK, 5/16"-18 x 3/4", G2

36шт.

11-616

CARRIAGE BOLT,Short NK, 3/8"-16 x 1", G2

BOLT, CARRIAGE, , Nut (25-106) L.W. (92-6) Short NK, 3/8"-16 x 1", G2

36шт.

12-612

BOLT - 3/8" x 3/4" rhd. sq. nk., nut (25-106) L.W. (92-6)

24шт.

13-68

SCREW,Hex, 3/8" - 16 x 1/2", Gr 5

BOLT - 3/8" x 1/2" N.C. hex., L.W. (92-6)

6шт.

14-612

BOLT,Hex, 3/8" - 24 x 3/4", Gr 5, Full Thd

Nut (25-116) L.W. (92-6) Hex, 3/8"-24 x 3/4", G5, Full Thd

8шт.

113-243

X

BOLT - 3/8" x 4-1/4" N.C. hex. and L.W. (92-6)

36шт.

164-125

SCREW - 3/8" x 1" fl. hd. hex. mach., nut (25-116) L.W. (92-6) Hex Soc Flat Hd, 3/8"-24 x 1"

16шт.

195-25

WASHER,3/8"

16шт.

2

F54716

STRIPPER - rear, R.H.

6шт.

11-612

BOLT

- 3/8" x 3/4" rhd. sq. nk., nut (25-106) L.W. (92-6)

6шт.

25-116

NUT,Hex, 3/8"-24, G5

- 3/8" N.F. hex., L.W. (92-6)

6шт.

3

F54736

STRIPPER - lower, R.H.

6шт.

11-612

BOLT

- 3/8" x 3/4" rhd. sq. nk., nut (25-106) L.W. (92-6)

12шт.

111-217

CARRIAGE BOLT,Short NK, 5/16"-18 x 5/8", G2

BOLT - 5/16" x 5/8" rhd. sq. nk., nut (129-102) L.W. (192-20)

5шт.

4

F55038

STRIPPER - extension, R.H.

6шт.

5

F55039

STRIPPER - extension, L.H.

6шт.

6

F54737

STRIPPER - lower, L.H.

6шт.

11-612

BOLT

- 3/8" x 3/4" rhd. sq. nk., nut (25-106) L.W. (92-6)

12шт.

111-217

CARRIAGE BOLT,Short NK, 5/16"-18 x 5/8", G2

BOLT - 5/16" x 5/8" rhd. sq. nk., nut (129-102) L.W. (192-20)

5шт.

7

F54717

STRIPPER - rear, L.H.

6шт.

11-612

BOLT

- 3/8" x 3/4" rhd. sq. nk., nut (25-106) L.W. (92-6)

6шт.

25-116

NUT,Hex, 3/8"-24, G5

- 3/8" N.F. hex., L.W. (92-6)

6шт.

8

F53579

COVER - roll gear

6шт.

9

F54699

PLATE - stripper, L.H.

6шт.

11-616

CARRIAGE BOLT,Short NK, 3/8"-16 x 1", G2

BOLT, CARRIAGE, , Nut (25-106) L.W. (92-6) Short NK, 3/8"-16 x 1", G2

12шт.

10

F54695

WEAR STRIP - gathering chain

12шт.

18-516

BOLT - 5/16" x 1" N.C. plow, nut (25-105) L.W. (92-5)

24шт.

11

F55096

SUPPORT - channel

12шт.

12

F54661

HOLD-DOWN - gathering chain, L.H.

6шт.

13

F54696

BRACKET - wear strip

12шт.

11-616

CARRIAGE BOLT,Short NK, 3/8"-16 x 1", G2

BOLT, CARRIAGE, , Locknut (131-6) Short NK, 3/8"-16 x 1", G2

12шт.

14

F55148

SHIELD - roll drive

6шт.

15

F54670

SUPPORT - shield

24шт.

14-612

BOLT,Hex, 3/8" - 24 x 3/4", Gr 5, Full Thd

Nut (25-116) L.W. (92-6) Hex, 3/8"-24 x 3/4", G5, Full Thd

36шт.

25-116

NUT,Hex, 3/8"-24, G5

- 3/8" N.F. hex., L.W. (92-6)

36шт.

16

F54714

GUARD - trash

12шт.

11-616

CARRIAGE BOLT,Short NK, 3/8"-16 x 1", G2

BOLT, CARRIAGE, , Nut (25-106) L.W. (92-6) Short NK, 3/8"-16 x 1", G2

48шт.

17

F54669

SUPPORT - rear, L.H.

6шт.

14-610

BOLT,Hex, 3/8" - 24 x 5/8", Gr 5, Full Thd

- 3/8" x 5/8" N.F. hex., L.W. (92-6)

12шт.

14-612

BOLT,Hex, 3/8" - 24 x 3/4", Gr 5, Full Thd

Nut (25-116) L.W. (92-6) Hex, 3/8"-24 x 3/4", G5, Full Thd

12шт.

14-648

CAPSCREW,Hex, 3/8" - 24 x 3", Gr 5

BOLT - 3/8" x 3" N.F. hex.

12шт.

25-116

NUT,Hex, 3/8"-24, G5

- 3/8" N.F. hex., and L.W. (92-6)

6шт.

131-415

JAM NUT,Push, Bolt Retainer, 3/8" x 25/32"

(PALNUT) Push, Bolt Retainer, 3/8" x 25/32"

12шт.

18

F54663

SUPPORT - front, L.H.

6шт.

14-610

BOLT,Hex, 3/8" - 24 x 5/8", Gr 5, Full Thd

- 3/8" x 5/8" N.F. hex., nut (25-116) L.W. (92-6)

6шт.

14-612

BOLT,Hex, 3/8" - 24 x 3/4", Gr 5, Full Thd

Nut (25-116) L.W. (92-6) Hex, 3/8"-24 x 3/4", G5, Full Thd

12шт.

14-648

CAPSCREW,Hex, 3/8" - 24 x 3", Gr 5

BOLT - 3/8" x 3" N.F. hex., palnut (131-415)

6шт.

25-116

NUT,Hex, 3/8"-24, G5

- 3/8" N.F. hex., and L.W. (92-6)

6шт.

19

F54657

ANGLE - row frame, L.H.

6шт.

13-612

BOLT,Hex, 3/8" - 16 x 3/4", Gr 5, Full Thd

Nut (25-106) L.W. (92-6) Hex, 3/8"-16 x 3/4", G5, Full Thd

8шт.

13-616

BOLT,Hex, 3/8" - 16 x 1", Gr 5, Full Thd

Nut (25-106) L.W. (92-6) Hex, 3/8"-16 x 1", G5, Full Thd

7шт.

14-648

CAPSCREW,Hex, 3/8" - 24 x 3", Gr 5

BOLT - 3/8" x 3" N.F. hex., palnut (131-415)

12шт.

25-116

NUT,Hex, 3/8"-24, G5

- 3/8" N.F. hex., and L.W. (92-6)

12шт.

20

F54655

MAIN FRAME - upper, L.H.

6шт.

11-512

SCREW,Short Nk, 5/16" - 18 x 3/4", Gr 2

BOLT, CARRIAGE, , Nut (25-105), L.W. (92-5) Short NK, 5/16"-18 x 3/4", G2

6шт.

14-644

SCREW,Hex, 3/8" - 24 x 2 3/4", Gr 5

BOLT - 3/8" x 2-3/4" N.F. hex., nut (25-116) L.W. (92-6)

6шт.

21

F54658

SPACER - rear

12шт.

22

F54654

MAIN FRAME - upper, R.H.

6шт.

11-512

SCREW,Short Nk, 5/16" - 18 x 3/4", Gr 2

BOLT, CARRIAGE, , Nut (25-105), L.W. (92-5) Short NK, 5/16"-18 x 3/4", G2

6шт.

14-644

SCREW,Hex, 3/8" - 24 x 2 3/4", Gr 5

BOLT - 3/8" x 2-3/4" N.F. hex., nut (25-116) L.W. (92-6)

6шт.

195-21

WASHER,5/16"

FLATWASHER - 5/16"

4шт.

23

F54709

CHANNEL - lower

12шт.

24

F54659

GUIDE - rod

24шт.

25

F54692

GUIDE - spring

12шт.

26

F92813

SHOE - skid, L.H.

6шт.

14-612

BOLT,Hex, 3/8" - 24 x 3/4", Gr 5, Full Thd

Nut (25-116) L.W. (92-6) Hex, 3/8"-24 x 3/4", G5, Full Thd

6шт.

14-616

BOLT,Hex, 3/8" - 24 x 1", Gr 5

- 3/8" x 1" N.F. hex., nut (25-116) L.W. (92-6)

6шт.

14-648

CAPSCREW,Hex, 3/8" - 24 x 3", Gr 5

BOLT - 3/8" x 3" N.F. hex., nut (25-116) L.W. (92-6)

12шт.

27

F92812

SHOE - skid, R.H.

6шт.

14-612

BOLT,Hex, 3/8" - 24 x 3/4", Gr 5, Full Thd

Nut (25-116) L.W. (92-6) Hex, 3/8"-24 x 3/4", G5, Full Thd

18шт.

14-616

BOLT,Hex, 3/8" - 24 x 1", Gr 5

- 3/8" x 1" N.F. hex., nut (25-116) L.W. (92-6)

6шт.

14-648

CAPSCREW,Hex, 3/8" - 24 x 3", Gr 5

BOLT - 3/8" x 3" N.F. hex., nut (25-116) L.W. (92-6)

12шт.

28

F93028

GUSSET - R.H.

6шт.

13-616

BOLT,Hex, 3/8" - 16 x 1", Gr 5, Full Thd

Nut (25-106) L.W. (92-6) Hex, 3/8"-16 x 1", G5, Full Thd

6шт.

29

F54693

SUPPORT - slide, L.H.

6шт.

11-616

CARRIAGE BOLT,Short NK, 3/8"-16 x 1", G2

BOLT, CARRIAGE, , Nut (25-106) L.W. (92-6) Short NK, 3/8"-16 x 1", G2

6шт.

30

F2205

WEAR BLOCK - gathering chain

12шт.

31

F54691

SUPPORT - slide, R.H.

6шт.

11-616

CARRIAGE BOLT,Short NK, 3/8"-16 x 1", G2

BOLT, CARRIAGE, , Nut (25-106) L.W. (92-6) Short NK, 3/8"-16 x 1", G2

6шт.

32

F93029

GUSSET - L.H.

6шт.

13-616

BOLT,Hex, 3/8" - 16 x 1", Gr 5, Full Thd

Nut (25-106) L.W. (92-6) Hex, 3/8"-16 x 1", G5, Full Thd

6шт.

33

F54656

ANGLE - row frame, R.H.

6шт.

13-612

BOLT,Hex, 3/8" - 16 x 3/4", Gr 5, Full Thd

Nut (25-106) L.W. (92-6) Hex, 3/8"-16 x 3/4", G5, Full Thd

8шт.

13-616

BOLT,Hex, 3/8" - 16 x 1", Gr 5, Full Thd

Nut (25-106) L.W. (92-6) Hex, 3/8"-16 x 1", G5, Full Thd

7шт.

14-648

CAPSCREW,Hex, 3/8" - 24 x 3", Gr 5

BOLT - 3/8" x 3" N.F. hex., palnut (131-415)

12шт.

34

F54662

SUPPORT - front, R.H.

6шт.

25-116

NUT,Hex, 3/8"-24, G5

- 3/8" N.F. hex., and L.W. (92-6)

12шт.

14-610

BOLT,Hex, 3/8" - 24 x 5/8", Gr 5, Full Thd

- 3/8" x 5/8" N.F. hex., nut (25-116) L.W. (92-6)

6шт.

14-612

BOLT,Hex, 3/8" - 24 x 3/4", Gr 5, Full Thd

Nut (25-116) L.W. (92-6) Hex, 3/8"-24 x 3/4", G5, Full Thd

12шт.

14-648

CAPSCREW,Hex, 3/8" - 24 x 3", Gr 5

BOLT - 3/8" x 3" N.F. hex., palnut (131-415)

6шт.

25-116

NUT,Hex, 3/8"-24, G5

- 3/8" N.F. hex., and L.W. (92-6)

6шт.

35

F54668

SUPPORT - rear, R.H.

6шт.

14-610

BOLT,Hex, 3/8" - 24 x 5/8", Gr 5, Full Thd

- 3/8" x 5/8" N.F. hex., L.W. (92-6)

12шт.

14-648

CAPSCREW,Hex, 3/8" - 24 x 3", Gr 5

BOLT - 3/8" x 3" N.F. hex.

12шт.

25-116

NUT,Hex, 3/8"-24, G5

- 3/8" N.F. hex., and L.W. (92-6)

6шт.

131-415

JAM NUT,Push, Bolt Retainer, 3/8" x 25/32"

(PALNUT) Push, Bolt Retainer, 3/8" x 25/32"

12шт.

36

F54667

HOLDER - bearing, lower

6шт.

14-620

BOLT,Hex, 3/8" - 24 x 1-1/4", Gr 5

- 3/8" x 1-1/4" N.F. hex., palnut (131-415)

36шт.

37

F92802

HOLDER - bearing, upper

6шт.

38

F54660

HOLD-DOWN - gathering chain, R.H.

6шт.

39

F54697

PLATE - stripper, R.H.

6шт.

11-616

CARRIAGE BOLT,Short NK, 3/8"-16 x 1", G2

BOLT, CARRIAGE, , Locknut (131-6) Short NK, 3/8"-16 x 1", G2

6шт.

11-616

CARRIAGE BOLT,Short NK, 3/8"-16 x 1", G2

BOLT, CARRIAGE, , Nut (25-106) L.W. (92-6) Short NK, 3/8"-16 x 1", G2

6шт.

40

F55155

STOP - rod

6шт.

129-17

NUT,Hex, #10 - 24

NUT - 3/16" N.C. hex.

12шт.

Выбрано товаров: 106