Запчасти Case IH 306 (54) - BEATER ATTACHMENT (58) - ATTACHMENTS/HEADERS

Схема запчастей Case IH 306 - (54) - BEATER ATTACHMENT (58) - ATTACHMENTS/HEADERS
8
2
11
19
9
3
18
14
15
4
8
10
7
16
20
1
6
17
7
13
12
6
5
4
FIT
1:1
100%

Артикул

Название

Примечание

Количество

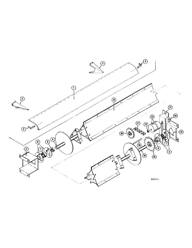
1

F54958

SHIELD

1шт.

113-102

BOLT,Hex, 5/16" - 18 x 3/4", Gr 5

Hex, 5/16"-18 x 3/4", G5, Full Thd, Flatwasher (195-521) and L.W. (192-20)

4шт.

113-206

BOLT,Hex, 3/8" - 16 x 3/4", Gr 5, Full Thd

Nut (129-103) L.W. (192-21) Hex, 3/8"-16 x 3/4", G5, Full Thd

24шт.

2

F55125

SHIELD - beater, R.H.

1шт.

3

F55126

SHIELD - beater, L.H.

1шт.

4

F54957

ANGLE - shield

2шт.

113-102

BOLT,Hex, 5/16" - 18 x 3/4", Gr 5

Hex, 5/16"-18 x 3/4", G5, Full Thd, Nut (129-102), flatwasher (195-521) and L.W. (192-20)

4шт.

5

F93054

SUPPORT - R.H.

1шт.

111-202

CARRIAGE BOLT,Short NK, 5/16"-18 x 3/4", G2

BOLT, CARRIAGE, Short NK, 5/16"-18 x 3/4", G2, Nut (129-102) L.W. (192-20)

3шт.

113-206

BOLT,Hex, 3/8" - 16 x 3/4", Gr 5, Full Thd

Nut (129-103) L.W. (192-21) Hex, 3/8"-16 x 3/4", G5, Full Thd

4шт.

6

B18282

FLANGE

TTE

4шт.

7

F82057

BEARING

2шт.

8

F62108

COLLAR

1шт.

9

F92927

SHAFT - beater, R.H.

1шт.

113-206

BOLT,Hex, 3/8" - 16 x 3/4", Gr 5, Full Thd

L.W. (192-21) Hex, 3/8"-16 x 3/4", G5, Full Thd

6шт.

10

F92925

BEATER

1шт.

11

F54956

SUPPORT - idler

1шт.

113-206

BOLT,Hex, 3/8" - 16 x 3/4", Gr 5, Full Thd

Nut (129-103) flatwasher (195-525) and L.W. (192-21) Hex, 3/8"-16 x 3/4", G5, Full Thd

2шт.

12

F54955

SUPPORT - L.H.

1шт.

111-202

CARRIAGE BOLT,Short NK, 5/16"-18 x 3/4", G2

BOLT, CARRIAGE, Short NK, 5/16"-18 x 3/4", G2, Nut (129-102) L.W. (192-20)

3шт.

113-206

BOLT,Hex, 3/8" - 16 x 3/4", Gr 5, Full Thd

Nut (129-103) L.W. (192-21) Hex, 3/8"-16 x 3/4", G5, Full Thd

4шт.

13

F4709

IDLER - wood (30" row) (NOTE:) 1 used 28" row

2шт.

192-21

LOCK WASHER,3/8"

WASHER, LOCK, 3/8"

1шт.

195-525

WASHER,3/8", SAE

FLATWASHER - 3/8"

1шт.

14

111-350

CARRIAGE BOLT,Short NK, 3/8"-16 x 4", G2

BOLT - 3/8" x 4" rhd. sq. nk. (30" row)

1шт.

111-349

CARRIAGE BOLT,Short NK, 3/8"-16 x 2 1/2", G2

BOLT - 3/8" x 2-1/2" rhd. sq. nk., (28" row)

1шт.

15

129-103

NUT,Hex, 3/8" - 16, Gr 5

NUT, 3/8"-16, G5

1шт.

O928B

WASHER - (Not shown)

2шт.

16

F92929

SPROCKET - beater driven

1шт.

178-818

SCREW - set 5/16" - 18 x 3/8" hex.

2шт.

17

F54111

CHAIN - beater drive (NSS - see chain page)

1шт.

18

F92926

SHAFT - beater, L.H.

1шт.

113-206

BOLT,Hex, 3/8" - 16 x 3/4", Gr 5, Full Thd

L.W. (192-21) Hex, 3/8"-16 x 3/4", G5, Full Thd

6шт.

19

O2227CH

KEY

- 1/4" sq. x 1-3/4"

1шт.

20

F92928

SPROCKET - beater drive

1шт.

Выбрано товаров: 35