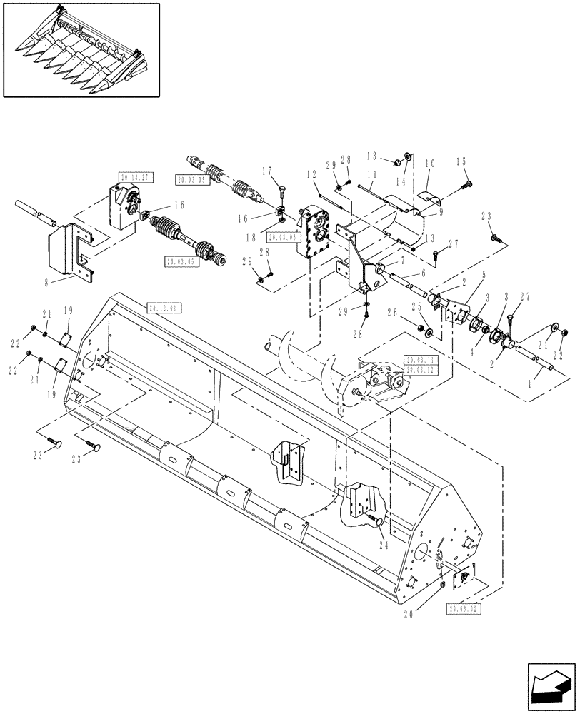
Запчасти Case IH 3206-36 (20.03.01) - MAIN DRIVE FROM COMBINE (58) - ATTACHMENTS/HEADERS

Схема запчастей Case IH 3206-36 - (20.03.01) - MAIN DRIVE FROM COMBINE (58) - ATTACHMENTS/HEADERS
15
4
16
23
19
22
3
14
27
13
28
23
21
12
27
24
18
2
22
5
19
20
29
21
13
28
16
2
8
21
25
29
7
11
29
1
17
9
6
10
28
26
22
3
23
20.13.27
20.03.06
20.03.12
20.03.11
20.03.02
20.12.01
20.03.05
20.03.05
FIT
1:1
100%

Артикул

Название

Примечание

Количество

1

87347712

SHIELD

LH & RH, 12 Row 22"

2шт.

1

87347642

SHIELD

RH, 12 Row 30"

1шт.

1

87365903

SHIELD

LH 12 Row 30"

1шт.

2

86615925

BRACKET

8 Row 36"/38", 12 Row 22"/30"

4шт.

2

86615925

BRACKET

12 Row 20", 8 Row 22"/30"/70cm

1шт.

3

86620027

FLANGED BEARING,80.02mm ID x 147.6mm OD x 4mm Thk

8 Row 36"/38", 12 Row 22"/30"

4шт.

4

86523785

BALL BEARING,31.78mm Hex x 80mm OD x 36.5mm W

8 Row 36"/38", 12 Row 22"/30"

2шт.

5

86978979

BRACKET

8 Row 36"/38", 12 Row 22"/30"

2шт.

6

87347489

SHIELD

6 Row 36"/38", 8 Row 70cm, LH

1шт.

6

87347466

SHIELD

8 Row 22" RH

1шт.

6

87347641

SHIELD

8 Row 30", 12 Row 20", LH

1шт.

6

86614380

SHIELD

8 Row 30", 12 Row 20", RH

1шт.

6

87365897

SHIELD

8 Row 70cm RH

1шт.

6

86614377

SHIELD

8 Row 36"/38", 12 Row 22", LH & RH

2шт.

6

86614378

SHIELD

12 Row 30 LH & RH

2шт.

7

86900276

MOUNTING PARTS

LH

1шт.

8

86900280

MOUNTING PARTS

RH, 8 & 12 Row

1шт.

9

86900126

SHIELD

LH

1шт.

9

86900127

SHIELD

RH, 8 & 12 Row

1шт.

10

86900130

COVER

Rubber, 6 Row

1шт.

10

86900130

COVER

Rubber, 8 & 12 Row

2шт.

11

86900131

PIN,8mm OD

6 Row

1шт.

11

86900131

PIN,8mm OD

8 & 12 Row

1шт.

12

80412100

LOCK PIN

1шт.

13

86528579

NUT,M8 x 1.25

1шт.

14

140041

WASHER,M8 x 28mm OD x 3mm Thk

1шт.

15

86619060

CARRIAGE BOLT,M8 x 1.25 x 16mm, Cl 8.8

1шт.

16

86611827

CLAMP,32.08mm - 35.16mm

1шт.

17

120069

BOLT,M10 x 1.5 x 56.58mm OAL, Cl 8.8

1шт.

18

100037

LOCK NUT,M10 x 1.5, Cl 8

1шт.

19

86614640

COVER

2шт.

20

86619024

BLOCK

M16-2

1шт.

21

140046

BELLEVILLE WASHER,M12 Bolt Size x 27mm OD x 1.8mm Thk

1шт.

22

9706685

NUT,M12 x 1.75, Cl 8

1шт.

23

120044

CARRIAGE BOLT,M12 x 1.75 x 30mm, Cl 8.8

1шт.

24

308761

CARRIAGE BOLT,M8 x 1.25 x 25mm, Cl 8.8

1шт.

25

322358

BELLEVILLE WASHER,M8 Bolt Size x 18mm OD x 1.4mm Thk

1шт.

26

9706690

NUT,M8 x 1.25, Cl 8

1шт.

27

570821

SELF-TAP SCREW,Hex Flng, 5/16" - 18 x 5/8"

1шт.

28

300389

BOLT,M12 x 1.75 x 35mm, Cl 8.8

1шт.

29

87376144

WASHER,13mm ID x 28mm OD x 5mm Thk

1шт.

Выбрано товаров: 41