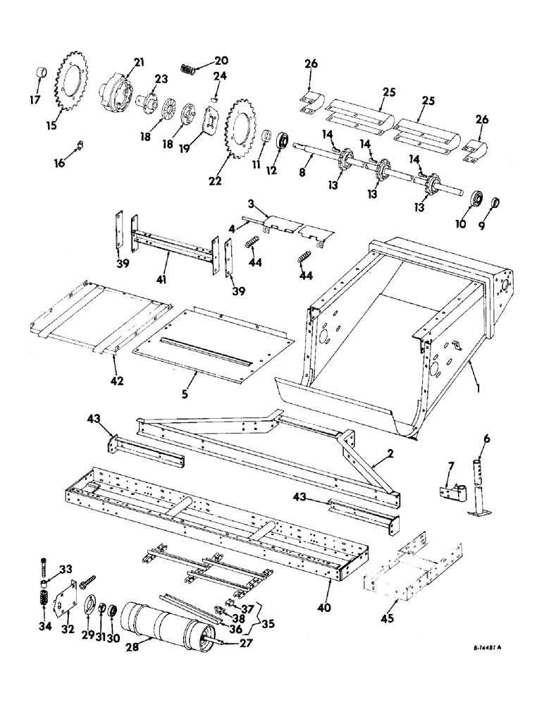
Запчасти Case IH 327WN (H-03) - FEEDER FRAME, LIFT, STAND AND FEED CONVEYOR (58) - ATTACHMENTS/HEADERS

Схема запчастей Case IH 327WN - (H-03) - FEEDER FRAME, LIFT, STAND AND FEED CONVEYOR (58) - ATTACHMENTS/HEADERS
27
14
18
9
32
38
6
39
12
3
28
13
16
25
31
26
41
25
39
8
37
40
13
45
30
15
21
5
7
19
44
18
4
42
24
43
26
37
17
44
2
23
34
14
20
29
36
11
22
13
43
33
10
14
FIT
1:1
100%

Артикул

Название

Примечание

Количество

1

156920C91

SHELL ASSY, feeder

1шт.

18794R1

BOLT,Hex, 7/16" - 14 x 1", Gr 2

7/16 x 1 C-Z hex-hd mach

4шт.

18795R1

BOLT,Hex, 7/16"-14 x 1 1/4", G2

7/16 x 1-1/4 C-Z hex-hd mach

4шт.

120376

NUT,5/16"-18, G5

1шт.

NLS

NO LONGER SERVICED

NUT, 7/16 C-Z hex

8шт.

120283

SCREW,Hex, 5/16" x 3/4", Gr 5

5/16-18 x 1 slt-truss-hd mach

2шт.

80681

LOCK WASHER,5/16"

WASHER, LOCK, 5/16"

1шт.

120383

LOCK WASHER,Helical Spring, 7/16"

WASHER, LOCK, 7/16"

8шт.

5028

WASHER, 15/32 x 1 x 11 ga

8шт.

2

156941C91

FRAME ASSY, feeder extension

1шт.

15009R1

CARRIAGE BOLT,Short Sq Nk, 7/16" - 14 x 1", Gr 2

BOLT, CARRIAGE, Short NK, 7/16"-14 x 1", G2, Full Thd

8шт.

271500

SOCKET

7/16-14 hex

8шт.

103320

LOCK WASHER,5/16"

WASHER, LOCK, 5/16"

8шт.

3

156938C11

EXTENSION ASSY, feeder frame bottom

1шт.

17720R1

BOLT, 7/16 x 4 hex-hd mach

2шт.

18526R1

LOCK NUT,7/16"-14, GB

NUT, 7/16 ESNA lock

2шт.

Q5028

WASHER

15/32 x 1 x 11 ga

4шт.

4

583682R1

ROD, feeder frame bottom extension hinge

1шт.

5

156931C1

SECTION, feeder frame cover

1шт.

14994R1

CARRIAGE BOLT,Sq Nk, 5/16" - 18 x 3/4", Gr 2

BOLT, CARRIAGE, Short NK, 5/16"-18 x 3/4", G2

2шт.

17404R1

BOLT,Hex, 5/16" - 18 x 1/2", Gr 2

5/16-18 x 1/2 hex-hd mach

4шт.

17447R1

BOLT

7/16-18 x 1-1/4 hex-hd mach

2шт.

9635082

NUT,5/16" - 18, Gr 5

5/16-18 hex

4шт.

425-107

NUT,7/16"-14, G5

7/16-14 hex

2шт.

103320

LOCK WASHER,5/16"

WASHER, LOCK, 5/16"

4шт.

103322

LOCK WASHER,7/16"

WASHER, LOCK, 7/16"

2шт.

Q397

WASHER

11/32 x 3/4 x 16 ga

4шт.

Q6652

WASHER, 15/32 x 1 x 16 ga

2шт.

6

589573R92

STAND ASSY

2шт.

7

589576R91

HOLDER ASSY, stand LH

1шт.

7

589577R91

HOLDER ASSY, stand RH

1шт.

88707

CARRIAGE BOLT,Sht Sq Nk, 1/2" - 13 x 1 1/4", Gr 5, Full Thd

BOLT, CARRIAGE, Short NK, 1/2"-13 x 1 1/4", G5, Full Thd

12шт.

102637

NUT,1/2"-13, G5

12шт.

517843R1

COTTER PIN

PIN, 3/16 quick attachable cot

2шт.

103323

LOCK WASHER,1/2"

WASHER, LOCK, 1/2"

12шт.

8

156963C1

SHAFT, feed conveyor

1шт.

9

557113R11

COLLAR

W/SET SCREW LKG, for use w/bearing 256557R91

1шт.

9

585498R11

COLLAR

W/SET SCREW LKG, for use w/bearing 585497R91

1шт.

102592

SET SCREW,Hex Skt, 3/8" - 16 x 3/8"

SCREW, 3/8 x 3/8 hex-soc-hd cup-pt

1шт.

10

256557R91

BEARING

ASSY, feed conveyor shaft ball, optional for bearing 585497R91

1шт.

10

585497R91

BEARING

ASSY, feed conveyor shaft ball, optional for brg 256557R91

1шт.

11

557113R11

COLLAR

W/SET SCREW LKG, for use w/bearing 256557R91

1шт.

11

585498R11

COLLAR

W/SET SCREW LKG, for use w/bearing 585497R91

1шт.

102592

SET SCREW,Hex Skt, 3/8" - 16 x 3/8"

SCREW, 3/8-16 x 3/8 hex-soc-hd cup-pt

1шт.

12

256557R91

BEARING

ASSY, feed conveyor shaft ball, optional for bearing 585497R91

1шт.

12

585497R91

BEARING

ASSY, feed conveyor shaft ball, optional for bearing 256557R91

1шт.

13

937493R1

SPROCKET ASSY.

SPROCKET, feed conveyor drive 10T

3шт.

14

Q1497

KEY,Gib, 3/8" Sq x 2"

3/8 x 2 gib

3шт.

15

156959C1

SPROCKET, feeder drive chain driven 51T

1шт.

17601R1

BOLT,Hex, 3/8"-16 x 2 3/4", G2

3/8-16 x 2-3/4 hex-hd mach

4шт.

102635

NUT,3/8"-16, G5

4шт.

103321

LOCK WASHER,3/8"

WASHER, LOCK, 3/8"

4шт.

16

219-8

LUBE NIPPLE,1/4" - 28 NPTF

FITTING, 1/4-28NS-34 str lub

1шт.

17

18519K

BUSHING

feeder driven sprocket hub

1шт.

18

B12170

RATCHET,Clutch Slip, 94.49mm

slip clutch

2шт.

19

589381R1

RETAINER, feed conveyor drive slip clutch

1шт.

19836R1

BOLT, 1/2 x 3-3/4 dld sq-nk crg

4шт.

121592

SLOTTED NUT,1/2"-13, G5

NUT, 1/2 C-Z slt-hex

4шт.

121224

SUPPORT

3/32" x 1"

4шт.

178374R1

WASHER

17/32 x 1-1/4 x 16 ga C-Z

4шт.

20

NLS

NO LONGER SERVICED

slip clutch

4шт.

21

589384R11

HUB ASSY, feeder driven, includes ref no. 17

1шт.

22

936304R1

SPROCKET, main drive 38T

1шт.

17601R1

BOLT,Hex, 3/8"-16 x 2 3/4", G2

3/8-16 x 2-3/4 hex-hd mach

4шт.

102635

NUT,3/8"-16, G5

4шт.

103321

LOCK WASHER,3/8"

WASHER, LOCK, 3/8"

4шт.

23

589379R91

HUB

HOLDER ASSY, feed conveyor drive slip clutch

1шт.

103384

COTTER PIN,1/8" x 3/4"

Pin, Split (Cotter), 1/8" x 3/4"

1шт.

V4941/2

PIN

5/16 x 2 std hd

1шт.

24

88745

WOODRUFF KEY,#28, 5/16" x 2 1/8", HT

KEY, 5/16 x 2-1/8 Woodruff 28

1шт.

25

156961C1

CHANNEL, feeder shaft center

2шт.

14986R1

BOLT, 5/16-18 x 1/2 short-sq-nk crg

4шт.

9635082

NUT,5/16" - 18, Gr 5

5/16-18 hex

4шт.

103320

LOCK WASHER,5/16"

WASHER, LOCK, 5/16"

4шт.

26

156962C1

CHANNEL, feeder shaft outer

2шт.

14986R1

BOLT, 5/16-18 x 1/2 short-sq-nk crg

12шт.

9635082

NUT,5/16" - 18, Gr 5

5/16-18 hex

12шт.

103320

LOCK WASHER,5/16"

WASHER, LOCK, 5/16"

12шт.

27

938990R1

SHAFT, feeder conveyor drum

1шт.

28

589363R91

DRUM ASSY, feeder conveyor

1шт.

271500

SOCKET

7/16-14 hex

6шт.

103322

LOCK WASHER,7/16"

WASHER, LOCK, 7/16"

6шт.

29

629958R1

FLANGE

conveyor drum brg

2шт.

30

564991R91

BEARING

ASSY, conveyor drum ball

2шт.

31

658006R11

COLLAR

W/SET SCREW LKG

2шт.

83-1254

SET SCREW,Hex Soc, 1/4"-20 x 1/4"

SCREW, 1/4-20 x 1/4 hex-soc-hd cup-pt set

2шт.

32

156947C91

BRACKET ASSY, feed conveyor drum support LH

1шт.

32

156948C91

BRACKET ASSY, feed conveyor drum support RH

1шт.

14995R1

BOLT

3/8 x 3/4 sq-nk crg

8шт.

102635

NUT,3/8"-16, G5

8шт.

425-107

NUT,7/16"-14, G5

7/16-14 hex

6шт.

461189R2

SCREW, 7/16-14 x 3-3/4 hex-hd cap

6шт.

103321

LOCK WASHER,3/8"

WASHER, LOCK, 3/8"

8шт.

33

H39274

SPACER,1/2" Pipe x 1 1/2"

conveyor drum adjusting bolt

2шт.

34

PO144

SPRING

drum adjusting bolt

2шт.

231-1408

LOCK NUT,1/2"-13, GB

NUT, 1/2-13 ESNA stop

2шт.

191268

BOLT,Hex, 1/2" - 13 x 6 1/2", Gr 5

SCREW, 1/2-13 x 6-1/2 hex hd cap

2шт.

Q5035

WASHER

17/32 x 1 x 16 ga

8шт.

35

156953C91

CHAIN W/SLATS, feed conveyor

1шт.

36

589370R1

SLAT, feeder conveyor chain

32шт.

104264

RIVET,FH, 5/16" x 5/8"

5/16 x 5/8 small F-HD solid

1шт.

37

587371R93

DRAG LINK

LINK, connecting

1шт.

38

589656R91

LINK

ASSY, conveyor chain attaching

1шт.

39

152522C1

STRAP, feeder shaft main channel

2шт.

40

938959R92

FRAME ASSY, main bracket

1шт.

41

152525C91

CHANNEL ASSY, feeder shaft shield

1шт.

14986R1

BOLT, 5/16 x 1/2 sq-nk crg

8шт.

9635082

NUT,5/16" - 18, Gr 5

5/16-18 hex

8шт.

103320

LOCK WASHER,5/16"

WASHER, LOCK, 5/16"

8шт.

42

156956C91

SHIELD ASSY, feeder conveyor chain

1шт.

14986R1

BOLT, 5/16 x 1/2 sq-nk crg

8шт.

9635082

NUT,5/16" - 18, Gr 5

5/16-18 hex

8шт.

103320

LOCK WASHER,5/16"

WASHER, LOCK, 5/16"

8шт.

43

938947R92

CHANNEL ASSY, feeder extension sliding

2шт.

18695R1

CARRIAGE BOLT,Short Sq Nk, 7/16" - 14 x 1 1/4", Gr 2

BOLT, 7/16 x 1-1/4 C-Z sq-nk crg

4шт.

18794R1

BOLT,Hex, 7/16" - 14 x 1", Gr 2

7/16 x 1 C-Z hex-hd mach

8шт.

271501

SOCKET

NUT, 7/16 C-Z hex

12шт.

120383

LOCK WASHER,Helical Spring, 7/16"

WASHER, LOCK, 7/16"

12шт.

44

311

SPRING

feeder frame bottom extension

2шт.

45

938965R91

EXTENSION ASSY, main frame LH

1шт.

45

938966R91

EXTENSION ASSY, main frame RH, 38 and 40 inch row spacing

1шт.

Выбрано товаров: 0