Запчасти Case IH 328N (C-13) - STALK ROLL CONTROL (58) - ATTACHMENTS/HEADERS

Схема запчастей Case IH 328N - (C-13) - STALK ROLL CONTROL (58) - ATTACHMENTS/HEADERS
13
11
14
7
12
5
5
17
6
1
28
12
15
24
16
7
10
23
8
22
2
3
26
29
27
9
13
20
21
19
25
4
18
28
3
6
30
FIT
1:1
100%

Артикул

Название

Примечание

Количество

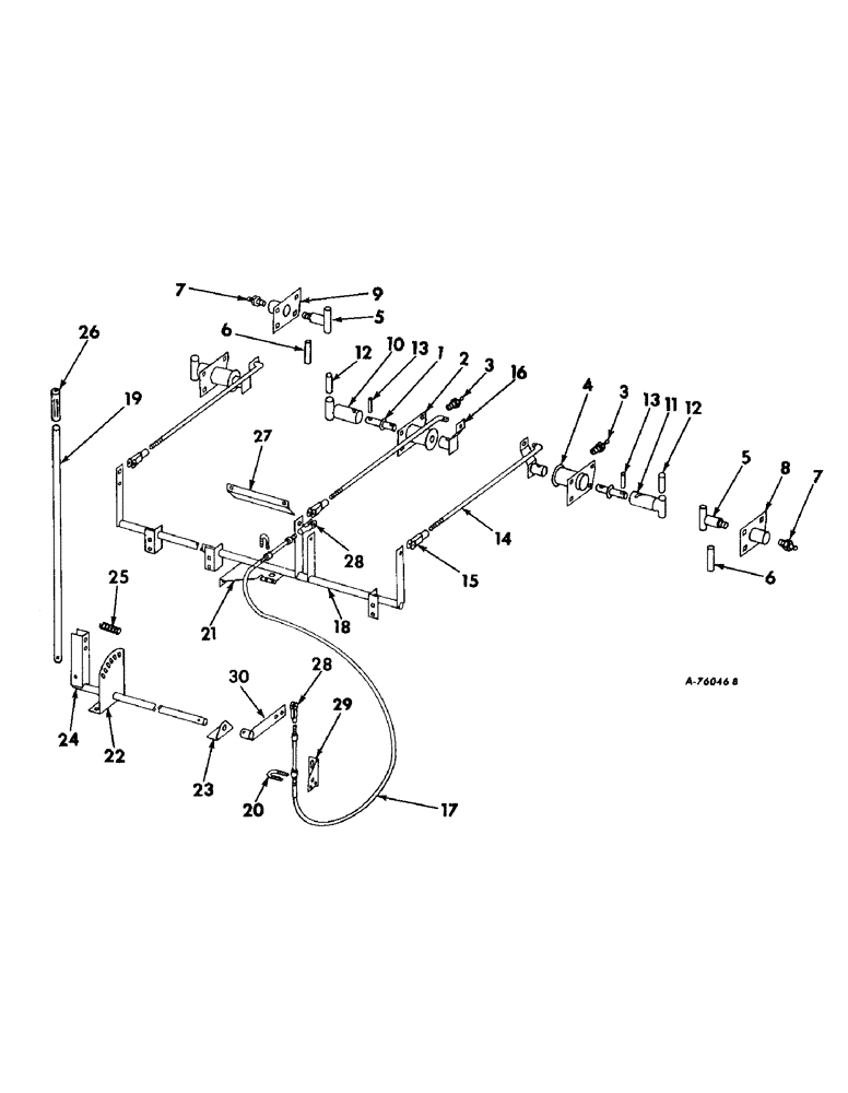
1

580187R1

SHAFT ASSY, stalk roll control

3шт.

2

586016R91

HOUSING ASSY, stalk roll cam left

2шт.

BOLT, 7/16-14 x 1 short-sq-nk crg

8шт.

NUT, 7/16-14 hex

8шт.

WASHER, 7/16 med lock

8шт.

3

80711

LUBE NIPPLE,65 Degree, 1/8" NPT x 7/8" lg

FITTING, 1/8-27 PTF 67-1/2 deg angle

3шт.

4

586017R91

HOUSING ASSY, stalk roll cam right

1шт.

BOLT, 7/16-14 x 1 short-sq-nk crg

4шт.

NUT, 7/16-14 hex

4шт.

WASHER, 7/16 med lock

4шт.

5

587511R1

ANCHOR, stalk roll support

3шт.

17296R1

LOCK NUT,3/4"-16

NUT, 3/8-16 thin ESNA lock

3шт.

WASHER, 3/4 med lock

3шт.

Q216

WASHER

1-3/32 x 1-3/4 x 16 ga

24шт.

6

580184R1

BUSHING, stalk roll support anchor

3шт.

7

109461

LUBE NIPPLE,1/8"-27 x .66 lg

NIPPLE, LUBE, , PTF 1/8"-27 x .66 lg

3шт.

8

589692R91

HUB ASSY, stalk roll support right

2шт.

BOLT, 7/16-14 x 1 short-sq-nk crg

4шт.

NUT, 7/16-14 hex

4шт.

WASHER, 7/16 med lock

4шт.

9

589691R91

HUB ASSY, stalk roll support left

2шт.

BOLT, 7/16-14 x 1 short-sq-nk crg

8шт.

NUT, 7/16-14 hex

8шт.

WASHER, 7/16 med lock

8шт.

10

580180R1

CAM, stalk roll adjustment left

2шт.

11

580181R1

CAM, stalk roll adjustment right

1шт.

12

580184R1

BUSHING, stalk roll adjustment cam

3шт.

13

584453R1

PIN

stalk roll control cam

3шт.

14

589702R1

ROD, stalk roll control

3шт.

114505

JAM NUT,Jam, 1/2"-13, G5

3шт.

PIN, 3/16 x 1 cot

4шт.

15

104039

ADJUSTABLE CLEVIS,1/2"-20 x 3"

CLEVIS, stalk roll control rod

3шт.

PIN, 1/8 x 1 cot

3шт.

114787

AXLE PIN

PIN, 1/2 x 1-1/2 rod end

3шт.

16

589709R91

HUB ASSY, stalk roll control cam

3шт.

577139R1

LOCK PIN,3/8" x 1 1/2", Slotted

Pin, 3/8" x 1 1/2", Slotted

3шт.

17

589700R91

CABLE, stalk roll control

1шт.

NUT, 3/8-24 hex

2шт.

18

939063R91

PIPE ASSY, stalk roll control torsion

1шт.

BOLT, 3/8-16 x 1 short-sq-nk crg

6шт.

NUT, 3/8-16 hex

6шт.

WASHER, 3/8 med lock

6шт.

19

589707R1

PIPE, stalk roll control

1шт.

17069R1

LOCK PIN,5/16" x 1 3/4", Slotted

Pin, 5/16" x 1 3/4", Slotted

1шт.

20

33175A

U-BOLT, stalk roll control cable

2шт.

NUT, 3/8-16 hex

4шт.

WASHER, 3/8-16 med lock

4шт.

21

150531C1

BRACKET, stalk roll control

1шт.

NUT, 1/2-13 hex

2шт.

BOLT, 1/2-13 x 1 hex-hd mach

2шт.

WASHER, 1/2 med lock

2шт.

22

589704R1

SECTOR, stalk roll control

1шт.

SCREW, 3/8-16 x 3/4 hex-hd cap

2шт.

WASHER, 3/8 med lock

2шт.

23

589705R1

BRACKET, stalk roll torque pipe

1шт.

SCREW, 3/8-16 x 3/4 hex-hd cap

2шт.

WASHER, 3/8 med lock

2шт.

Q1597

WASHER

13/32 x 3/4 x 16 ga

2шт.

24

150090C91

PIPE ASSY, stalk roll torque, 328N corn head

1шт.

24

589706R91

PIPE ASSY, stalk roll torque, 329N corn head

1шт.

BOLT, 3/8-16 x 3-1/2 hex-hd mach

1шт.

231-1446

NUT,3/8" - 16, Gr 5

NUT, LOCK, , Esna stop 3/8"-16, GB

1шт.

17069R1

LOCK PIN,5/16" x 1 3/4", Slotted

Pin, 5/16" x 1 3/4", Slotted

1шт.

Q1597

WASHER

13/32 x 3/4 x 16 ga

1шт.

Q3481

WASHER

1-1/32 x 1-1/2 x 16 ga

3шт.

25

C33464

SPRING, stalk roll control lever

1шт.

26

568043R1

GRIP, stalk roll control lever

1шт.

27

589792R1

SHIELD, stalk roll control torsion

1шт.

BOLT, 7/16-14 x 1 short-sq-nk crg

6шт.

NUT, 7/16-14 hex

6шт.

WASHER, 7/16 med lock

6шт.

28

104038

ADJUSTABLE CLEVIS,3/8"-24 x 2 1/2"

CLEVIS, stalk roll control cable

2шт.

PIN, 3/32 x 3/4 cot

2шт.

NLS

NO LONGER SERVICED

PIN, 3/8 x 1-3/32 rod end

2шт.

29

589356R1

BRACKET, stalk roll control cable

1шт.

BOLT, 5/16-18 x 1 short-sq-nk crg

1шт.

BOLT, 1/2-13 x 1-1/4 short-sq-nk crg

1шт.

NUT, 5/16-18 hex

1шт.

NUT, 1/2-13 hex

1шт.

WASHER, 5/16 med lock

1шт.

WASHER, 1/2 med lock

1шт.

30

589788R91

ARM ASSY, stalk roll control

1шт.

576517R1

LOCK PIN,1/4" x 1 1/2", Slotted

Pin, 1/4" x 1 1/2", Slotted

1шт.

Выбрано товаров: 83