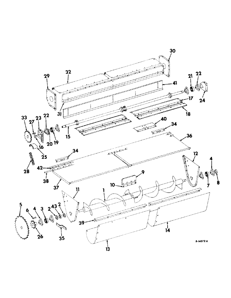
Запчасти Case IH 329N (C-05) - AUGER, BEATER AND DRIVE (58) - ATTACHMENTS/HEADERS

Схема запчастей Case IH 329N - (C-05) - AUGER, BEATER AND DRIVE (58) - ATTACHMENTS/HEADERS
23
25
3
34
13
20
34
6
17
30
37
12
22
5
22
29
38
9
36
14
39
42
31
18
40
2
15
28
16
21
11
32
43
35
8
10
7
24
2
33
19
26
4
27
4
41
FIT
1:1
100%

Артикул

Название

Примечание

Количество

1

938998R91

AUGER ASSY

1шт.

SCREW, 1/2-20 x 1 hex-hd cap

1шт.

WASHER, 1/2 int-tooth lock

4шт.

WASHER, 1-1/4 med lock

1шт.

21585D

WASHER

17/32 x 1-3/4 x 3/16

1шт.

2

632156R1

THRUST WASHER

auger driver LH shaft

2шт.

3

617668R91

BALL BEARING

auger LH shaft ball

1шт.

4

571425R1

FLANGED BEARING

auger shaft brg

4шт.

BOLT, 3/8-16 x 3/4 short-sq-nk crg

6шт.

NUT, 3/8-16 hex

6шт.

WASHER, 3/8 med lock

6шт.

5

935789R91

SPROCKET ASSY, auger driven, 50T

1шт.

6

577147R1

KEY

5/16 x 1-3/16 sq parallel

2шт.

7

617668R91

BALL BEARING

auger RH shaft ball

1шт.

8

557995R11

COLLAR

W/SET SCREW, auger RH shaft brg lkg

1шт.

115321

SET SCREW,Hex Skt, 5/16"-18 x 5/16"

SCREW, 1/4-20 x 1/4 hex-soc-hd cup-pt set

1шт.

9

634470R1

BAT

auger

2шт.

10

634471R1

STRAP, auger bat

2шт.

BOLT, 3/8-16 x 1-1/4 short-sq-nk crg

8шт.

NUT, 3/8-16 hex

8шт.

WASHER, 3/8 med lock

8шт.

11

939020R91

END ASSY, auger trough LH

1шт.

BOLT, 5/16-18 x 1/2 short-sq-nk crg

4шт.

BOLT, 5/16-18 x 3/4 short-sq-nk crg

4шт.

NUT, 5/16-18 hex

8шт.

WASHER, 5/16 med lock

8шт.

12

939021R91

END ASSY, auger trough RH

1шт.

BOLT, 5/16-18 x 1/2 short-sq-nk crg

4шт.

BOLT, 5/16-18 x 3/4 short-sq-nk crg

4шт.

NUT, 5/16-18 hex

8шт.

WASHER, 5/16 med lock

8шт.

13

939003R1

TROUGH, auger LH, 328N corn head

1шт.

13

150118C1

TROUGH, auger LH, 329N corn head

1шт.

BOLT, 5/16-18 x 3/4 short-sq-nk crg

6шт.

NUT, 5/16-18 hex

7шт.

120283

SCREW,Hex, 5/16" x 3/4", Gr 5

5/16-18 x 1 slt-truss-hd mach

1шт.

WASHER, 5/16 med lock

7шт.

Q397

WASHER

11/32 x 3/4 x 16 ga

6шт.

14

939004R1

TROUGH, auger RH, 328N corn head

1шт.

14

150119C1

TROUGH, auger RH, 329N corn head

1шт.

BOLT, 5/16-18 x 3/4 short-sq-nk crg

6шт.

NUT, 5/16-18 hex

7шт.

120283

SCREW,Hex, 5/16" x 3/4", Gr 5

5/16-18 x 1 slt-truss-hd mach

1шт.

WASHER, 5/16 med lock

7шт.

Q397

WASHER

11/32 x 3/4 x 16 ga

6шт.

15

939086R91

SHAFT ASSY, beater

1шт.

SCREW, 1/2-20 x 1 hex-hd cap

2шт.

SCREW, 5/16-24 x 3/4 hex-hd cap

24шт.

WASHER, 5/16 med lock

24шт.

WASHER, 1 med lock

1шт.

WASHER, 1/2 int-tooth lock

2шт.

Q397

WASHER

11/32 x 3/4 x 16 ga

24шт.

76730H

WASHER

17/32 x 1-1/2 x 11 ga

2шт.

16

654283R1

THRUST WASHER

beater shaft

2шт.

17

939088R1

SECTION, beater drum

6шт.

18

939089R1

BAT, beater

3шт.

BOLT, 5/16-18 x 1-1/4 short-sq-nk crg

42шт.

NUT, 5/16-18 hex

42шт.

WASHER, 5/16 med lock

42шт.

19

455965R91

BALL BEARING,1.0005" ID x 52 mm OD x 15 mm

beater shaft ball LH

1шт.

20

455102R11

COLLAR

W/SET SCREW, beater shaft brg LH

1шт.

83-1254

SET SCREW,Hex Soc, 1/4"-20 x 1/4"

SCREW, 1/4-20 x 1/4 hex-soc-hd cup-pt set

1шт.

21

455965R91

BALL BEARING,1.0005" ID x 52 mm OD x 15 mm

beater shaft ball RH

1шт.

22

571424R1

FLANGE

beater shaft brg

4шт.

BOLT, 5/16-18 x 3/4 short-sq-nk crg

6шт.

NUT, 5/16-18 hex

6шт.

WASHER, 5/16 med lock

6шт.

23

939078R1

BRACKET, outer left

1шт.

BOLT, 3/8-16 x 3/4 short-sq-nk crg

3шт.

NUT, 3/8-16 hex

3шт.

WASHER, 3/8 med lock

3шт.

24

939079R1

BRACKET, brg outer RH

1шт.

BOLT, 3/8-16 x 3/4 short-sq-nk crg

2шт.

NUT, 3/8-16 hex

2шт.

WASHER, 3/8 med lock

2шт.

25

583619R1

BLOCK

beater chain tightener

1шт.

BOLT, 5/16-18 x 1 short-sq-nk crg

1шт.

NUT, 5/16-18 hex

1шт.

WASHER, 5/16 med lock

1шт.

26

654967R1

SPROCKET, beater drive LH 8T

1шт.

27

587016R1

KEY, 1/4 x 3/4 sq parallel

1шт.

28

CHAIN, beater drive roller, order 45 links of 1-1/4 in extended pitch agricultural type roller chain from a 10 ft roll marked 569089R91 and one connecting link 587372R91

1шт.

29

939132R1

SIDE, beater LH

1шт.

30

939133R1

SIDE, beater RH

1шт.

BOLT, 5/16-18 x 3/4 short-sq-nk crg

4шт.

NUT, 5/16-18 hex

4шт.

938017R1

FLANGE NUT,Flg, USR, 5/16"-18

5/16-18 CD or zn-pltd whiz lock

8шт.

477-73108

SERRATED SCREW,Sl Truss Hd, 5/16" - 18 x 1/2"

5/16-18 CD or zn-pltd slt-truss-hd whiz lock

8шт.

31

939091R1

SHIELD, beater

1шт.

BOLT, 5/16-18 x 3/4 short-sq-nk crg

1шт.

NUT, 5/16-18 hex

1шт.

WASHER, 5/16 med lock

1шт.

32

939194R91

COVER ASSY, beater LH

1шт.

32

939195R91

COVER ASSY, beater RH

1шт.

938017R1

FLANGE NUT,Flg, USR, 5/16"-18

5/16-18 CD or zn-pltd whiz lock

6шт.

477-73108

SERRATED SCREW,Sl Truss Hd, 5/16" - 18 x 1/2"

5/16-18 x 1/2 CD or zn-pltd slt-truss-hd whiz lock

6шт.

33

632190R1

SPROCKET, beater driven, 13T

1шт.

34

939017R1

ANGLE, auger through front center

2шт.

35

939025R1

STRAP, auger through end support

2шт.

BOLT, 3/8-16 x 3/4 short-sq-nk crg

4шт.

BOLT, 3/8-16 x 1 short-sq-nk crg

4шт.

NUT, 3/8-16 hex

8шт.

WASHER, 3/8 med lock

8шт.

36

939010R1

DOOR, auger RH

1шт.

37

939009R1

DOOR, auger LH

1шт.

38

939019R1

ROD, auger door hinge

1шт.

39

939008R1

ANGLE, auger door, 328N corn head

2шт.

39

150117C1

ANGLE, auger door, 329N corn head

2шт.

BOLT, 5/16-18 x 1/2 short-sq-nk crg

4шт.

BOLT, 5/16-18 x 3/4 short-sq-nk crg

2шт.

BOLT, 5/16-18 x 1 short-sq-nk crg

2шт.

NUT, 5/16-18 hex

8шт.

WASHER, 5/16 med lock

8шт.

40

939090R1

REINFORCEMENT, beater drum section

3шт.

41

939092R1

SHIELD, beater adjustable

1шт.

938017R1

FLANGE NUT,Flg, USR, 5/16"-18

5/16-18 CD or zn-pltd flange whiz lock

8шт.

135270

SERRATED SCREW,5/16" - 18 x 3/4"

5/16-18 x 3/4 CD or zn-pltd slt-truss-hd whiz lock

8шт.

42

939150R91

HINGE ASSY, auger door

1шт.

938017R1

FLANGE NUT,Flg, USR, 5/16"-18

5/16-18 CD or zn-pltd flange whiz lock

13шт.

135270

SERRATED SCREW,5/16" - 18 x 3/4"

5/16-18 x 3/4 CD or zn-pltd slt-truss-hd whiz lock

13шт.

43

632157R1

SPACER, auger shaft

1шт.

Выбрано товаров: 121