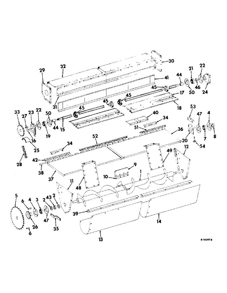
Запчасти Case IH 329WN (E-06) - AUGER, BEATER AND DRIVE (58) - ATTACHMENTS/HEADERS

Схема запчастей Case IH 329WN - (E-06) - AUGER, BEATER AND DRIVE (58) - ATTACHMENTS/HEADERS
50
9
22
11
10
19
45
37
52
22
34
25
45
13
15
46
45
33
31
26
35
44
16
2
48
6
49
42
39
21
47
17
29
51
53
7
18
24
4
1
40
23
34
50
4
5
47
44
38
2
20
8
12
43
41
14
6
45
54
27
30
36
28
3
32
FIT
1:1
100%

Артикул

Название

Примечание

Количество

1

938998R91

AUGER ASSY, 28, 30 and 32 inch row spacing

1шт.

1

938994R91

AUGER ASSY, 38 and 40 inch row spacing

1шт.

181427

BOLT,Hex, 1/2" - 20 x 1", Gr 5

SCREW, 1/2-20 x 1 hex-hd cap

1шт.

115551

LOCK WASHER,Int Tooth, 1/2"

WASHER, LOCK, Int Tooth, 1/2"

2шт.

21585D

WASHER

17/32 x 1-3/4 x 3/16

1шт.

NLS

NO LONGER SERVICED

LOCK, 1 1/4"

1шт.

2

632156R1

THRUST WASHER

auger LH shaft

2шт.

3

156011C91

BALL BEARING

BEARING ASSY, auger shaft LH relube ball

1шт.

3

617688R91

BEARING

ASSY, auger LH shaft ball, not relube brg

1шт.

4

939460R91

FLANGE

W/65 DEG FITTING, brg, for relube brg

2шт.

4

939460R91

FLANGE

auger shaft brg, not relube brg

2шт.

14995R1

BOLT

3/8-16 x 3/4 sq-nk crg

6шт.

102635

NUT,3/8"-16, G5

6шт.

103321

LOCK WASHER,3/8"

WASHER, LOCK, 3/8"

6шт.

5

935789R91

SPROCKET ASSY, auger driven 50T

1шт.

6

577147R1

KEY

5/16 x 1-3/16 sq-parallel

2шт.

7

156011C91

BALL BEARING

BEARING ASSY, auger shaft RH, for relube brg

1шт.

7

617688R91

BEARING

ASSY, auger RH shaft ball, not relube brg

1шт.

8

557995R11

COLLAR

W/SET SCREW, auger shaft RH

1шт.

115321

SET SCREW,Hex Skt, 5/16"-18 x 5/16"

SCREW, 5/16-18 x 5/16 hex-soc-hd cup-pt set

1шт.

9

634470R1

BAT

auger

2шт.

10

634471R1

STRAP, auger bat retainer

2шт.

86508749

CARRIAGE BOLT,Short Square Neck, 3/8" - 16 x 1 1/4", Grade 5

BOLT, 3/8 x 1-1/4 sq-nk crg

8шт.

102635

NUT,3/8"-16, G5

8шт.

103321

LOCK WASHER,3/8"

WASHER, LOCK, 3/8"

8шт.

11

939020R92

END ASSY, auger trough LH

1шт.

14986R1

BOLT, 5/16 x 1/2 sq-nk crg

4шт.

14994R1

CARRIAGE BOLT,Sq Nk, 5/16" - 18 x 3/4", Gr 2

BOLT, CARRIAGE, Short NK, 5/16"-18 x 3/4", G2

4шт.

9635082

NUT,5/16" - 18, Gr 5

5/16-18 hex

8шт.

103320

LOCK WASHER,5/16"

WASHER, LOCK, 5/16"

8шт.

12

939021R92

END ASSY, auger trough RH

1шт.

14986R1

BOLT, 5/16 x 1/2 sq-nk crg

4шт.

14994R1

CARRIAGE BOLT,Sq Nk, 5/16" - 18 x 3/4", Gr 2

BOLT, CARRIAGE, Short NK, 5/16"-18 x 3/4", G2

4шт.

9635082

NUT,5/16" - 18, Gr 5

5/16-18 hex

8шт.

103320

LOCK WASHER,5/16"

WASHER, LOCK, 5/16"

8шт.

13

150490C11

TROUGH ASSY, auger LH, 328WN corn head 38 and 40 inch row spacing

1шт.

13

939005R11

TROUGH ASSY, auger LH, 329WN corn head 38 and 40 inch row spacing

1шт.

13

939003R11

TROUGH ASSY, auger LH, 328WN corn head 28, 30 and 32 inch row spacing

1шт.

13

150118C11

TROUGH ASSY, auger LH, 329WN corn head 28, 30 and 32 inch row spacing

1шт.

14994R1

CARRIAGE BOLT,Sq Nk, 5/16" - 18 x 3/4", Gr 2

BOLT, CARRIAGE, Short NK, 5/16"-18 x 3/4", G2

6шт.

9635082

NUT,5/16" - 18, Gr 5

5/16-18 hex

7шт.

120283

SCREW,Hex, 5/16" x 3/4", Gr 5

5/16 x 1 slt-truss-hd mach

1шт.

103320

LOCK WASHER,5/16"

WASHER, LOCK, 5/16"

7шт.

Q397

WASHER

11/32 x 3/4 x 16 ga

6шт.

14

150491C11

TROUGH ASSY, auger RH, 328WN corn head 38 and 40 inch row spacing

1шт.

14

939006R11

TROUGH ASSY, auger RH, 329WN corn head 38 and 40 inch row spacing

1шт.

14

939004R11

TROUGH ASSY, auger RH, 328WN corn head 28, 30 and 32 inch row spacing

1шт.

14

150119C11

TROUGH ASSY, auger RH, 329WN corn head 28, 30 and 32 inch row spacing

1шт.

14994R1

CARRIAGE BOLT,Sq Nk, 5/16" - 18 x 3/4", Gr 2

BOLT, CARRIAGE, Short NK, 5/16"-18 x 3/4", G2

6шт.

9635082

NUT,5/16" - 18, Gr 5

5/16-18 hex

7шт.

120283

SCREW,Hex, 5/16" x 3/4", Gr 5

5/16 x 1 slt-truss-hd mach

1шт.

103320

LOCK WASHER,5/16"

WASHER, LOCK, 5/16"

7шт.

Q397

WASHER

11/32 x 3/4 x 16 ga

6шт.

15

151314C1

SHAFT, beater, 28, 30 and 32 inch row spacing

1шт.

15

151322C1

SHAFT, beater, 38 and 40 inch row spacing

1шт.

492-11112

LOCK WASHER,1 1/8"

1-1/8 C-Z med lock

1шт.

16

472323R1

WASHER

beater shaft

9шт.

17

939088R1

SECTION, beater drum, 28, 30 and 32 inch row spacing

6шт.

17

150251C1

SECTION, beater drum, 38 and 40 inch row spacing

6шт.

181336

BOLT,Hex, 5/16" - 24 x 3/4", Gr 5

24шт.

103320

LOCK WASHER,5/16"

WASHER, LOCK, 5/16"

24шт.

Q397

WASHER

11/32 x 3/4 x 16 ga

24шт.

18

939089R1

BAT, beater drum, 28, 30 and 32 inch row spacing

3шт.

18

150252C1

BAT, beater drum, 38 and 40 inch row spacing

3шт.

151446C1

SERRATED SCREW,Flg Lock, Sl Truss Hd, 5/16" - 18 x 1 1/4"

5/16 x 1-1/4 slt-truss

36шт.

9635082

NUT,5/16" - 18, Gr 5

5/16 hex

36шт.

115548

LOCK WASHER,Int Tooth, 5/16"

WASHER, LOCK, Int Tooth, 5/16"

36шт.

19

939475R91

BEARING

ASSY, beater shaft relube ball

1шт.

19

455965R91

BALL BEARING,1.0005" ID x 52 mm OD x 15 mm

ASSY, beater shaft ball, not relube brg

1шт.

20

166046C1

BRACKET, auger bearing, 328WN serial no. 1283 and above, 329WN serial no. 1316 and above

1шт.

18508R1

CARRIAGE BOLT,Short Nk, 3/8" - 16 x 3/4", Gr 2, Full Thd

BOLT, 3/8 x 3/4 C-Z sq-nk crg

4шт.

120377

NUT,3/8" - 16, Gr 5

4шт.

120382

LOCK WASHER,Helical Spring, 3/8"

WASHER, LOCK, 3/8"

4шт.

619856R1

WASHER

13/32 x 1 x 16 ga C-Z

4шт.

21

939475R91

BEARING

ASSY, beater shaft relube ball

1шт.

21

455965R91

BALL BEARING,1.0005" ID x 52 mm OD x 15 mm

ASSY, beater shaft ball, not relube brg

1шт.

22

936460R91

FLANGE, w/65 deg fitting beater driven sprocket brg, for relube brg

2шт.

22

571424R1

FLANGE

beater shaft brg, not relube brg

1шт.

23

151316C2

BRACKET, beater LH bearing

1шт.

14995R1

BOLT

3/8 x 3/4 sq-nk crg

3шт.

102635

NUT,3/8"-16, G5

3шт.

103321

LOCK WASHER,3/8"

WASHER, LOCK, 3/8"

3шт.

24

151317C1

BRACKET, beater RH brg

1шт.

14995R1

BOLT

3/8 x 3/4 sq-nk crg

3шт.

102635

NUT,3/8"-16, G5

3шт.

103321

LOCK WASHER,3/8"

WASHER, LOCK, 3/8"

3шт.

25

583620R1

BLOCK

beater chain tightener

1шт.

15007R1

CARRIAGE BOLT,Sq Nk, 5/16" - 18 x 1", Gr 2

BOLT, CARRIAGE, Short NK, 5/16"-18 x 1", G2

1шт.

9635082

NUT,5/16" - 18, Gr 5

5/16-18 hex

1шт.

103320

LOCK WASHER,5/16"

WASHER, LOCK, 5/16"

1шт.

26

654967R1

SPROCKET, beater drive LH 8T

1шт.

27

577147R1

KEY

5/16 x 1-3/16 sq parallel

1шт.

28

CHAIN, beater drive roller, use 45 links from 10-ft roll marked 569089R91 and one connecting link 587372R91

1шт.

29

939132R1

SIDE, beater LH

1шт.

14994R1

CARRIAGE BOLT,Sq Nk, 5/16" - 18 x 3/4", Gr 2

BOLT, CARRIAGE, Short NK, 5/16"-18 x 3/4", G2

4шт.

9635082

NUT,5/16" - 18, Gr 5

5/16-18 hex

4шт.

938017R1

FLANGE NUT,Flg, USR, 5/16"-18

5/16-18 C-Z flange whiz lock

2шт.

477-73108

SERRATED SCREW,Sl Truss Hd, 5/16" - 18 x 1/2"

5/16 x 1/2 C-Z slt-truss-hd whiz lock

2шт.

103320

LOCK WASHER,5/16"

WASHER, LOCK, 5/16"

4шт.

30

939133R1

SIDE, beater RH

1шт.

14994R1

CARRIAGE BOLT,Sq Nk, 5/16" - 18 x 3/4", Gr 2

BOLT, 5/16 x 1/2 sq-nk crg

4шт.

9635082

NUT,5/16" - 18, Gr 5

5/16-18 hex

4шт.

938017R1

FLANGE NUT,Flg, USR, 5/16"-18

5/16-18 C-Z flange whiz lock

2шт.

477-73108

SERRATED SCREW,Sl Truss Hd, 5/16" - 18 x 1/2"

5/16 x 1/2 C-Z slt-truss-hd whiz lock

2шт.

103320

LOCK WASHER,5/16"

WASHER, LOCK, 5/16"

4шт.

31

939091R1

SHIELD, beater, 28, 30 and 32 inch row spacing

1шт.

31

150254C1

SHIELD, beater, 38 and 40 inch row spacing

1шт.

14994R1

CARRIAGE BOLT,Sq Nk, 5/16" - 18 x 3/4", Gr 2

BOLT, CARRIAGE, Short NK, 5/16"-18 x 3/4", G2

1шт.

9635082

NUT,5/16" - 18, Gr 5

5/16-18 hex

1шт.

103320

LOCK WASHER,5/16"

WASHER, LOCK, 5/16"

1шт.

32

939194R91

COVER ASSY, beater LH, 28, 30 and 32 inch row spacing

1шт.

32

150353C91

COVER ASSY, beater LH, 38 and 40 inch row spacing

1шт.

32

939195R91

COVER ASSY, beater RH, 28, 30 and 32 inch row spacing

1шт.

32

150354C91

COVER ASSY, beater RH, 38 and 40 inch row spacing

1шт.

938017R1

FLANGE NUT,Flg, USR, 5/16"-18

5/16-18 C-Z flange whiz lock

4шт.

477-73108

SERRATED SCREW,Sl Truss Hd, 5/16" - 18 x 1/2"

5/16 x 1/2 C-Z slt-truss-hd whiz lock

4шт.

33

151013C1

SPROCKET, beater driven 13T

1шт.

34

939017R1

ANGLE, auger trough front center, 28, 30 and 32 inch row spacing

2шт.

34

654953R1

ANGLE, auger trough front, 38 and 40 inch row spacing

2шт.

35

939025R1

STRAP, auger trough end support

2шт.

80280503

CARRIAGE BOLT,Sht Sq Nk, 3/8" - 16 x 1", Gr 5, Full Thd

BOLT, 3/8 x 1 sq-nk crg

4шт.

17412R1

BOLT,Hex, 3/8" - 16 x 3/4", Gr 2

3/8 x 3/4 hex-hd mach

4шт.

102635

NUT,3/8"-16, G5

8шт.

103321

LOCK WASHER,3/8"

WASHER, LOCK, 3/8"

8шт.

36

939014R1

DOOR, auger RH, 38 and 40 inch row spacing

1шт.

36

939010R1

DOOR, auger RH, 28, 30 and 32 inch row spacing

1шт.

37

939013R1

DOOR, auger LH, 38 and 40 inch row spacing

1шт.

37

939009R1

DOOR, auger LH, 28, 30 and 32 inch row spacing

1шт.

38

939019R1

ROD, auger door hinge, 28, 30 and 32 inch row spacing

1шт.

38

939018R1

ROD, auger door hinge, 38 and 40 inch row spacing

1шт.

39

151655C1

ANGLE, auger door, 328WN corn head for 38 and 40 inch row spacing

2шт.

39

939007R1

ANGLE, auger door, 329WN corn head for 38 and 40 inch row spacing

2шт.

39

939008R1

ANGLE, auger door, 328WN corn head for 28, 30 and 32 ich row spacing

2шт.

39

150117C1

ANGLE, auger door, 329WN corn head for 28, 30 and 32 inch row spacing

2шт.

14986R1

BOLT, 5/16 x 1/2 sq-nk crg

4шт.

14994R1

CARRIAGE BOLT,Sq Nk, 5/16" - 18 x 3/4", Gr 2

BOLT, CARRIAGE, Short NK, 5/16"-18 x 3/4", G2

2шт.

15007R1

CARRIAGE BOLT,Sq Nk, 5/16" - 18 x 1", Gr 2

BOLT, CARRIAGE, Short NK, 5/16"-18 x 1", G2

2шт.

9635082

NUT,5/16" - 18, Gr 5

5/16-18 hex

8шт.

103320

LOCK WASHER,5/16"

WASHER, LOCK, 5/16"

8шт.

40

939090R1

REINFORCEMENT, beater drum section

3шт.

41

939092R1

SHIELD, beater adjustable, 28, 30 and 32 inch row spacing

1шт.

41

150253C1

SHIELD, beater adjustable, 38 and 40 inch row spacing

1шт.

135270

SERRATED SCREW,5/16" - 18 x 3/4"

5/16-18 x 3/4 C-Z slt-truss-hd whiz lock

8шт.

938017R1

FLANGE NUT,Flg, USR, 5/16"-18

5/16-18 C-Z flange whiz lock

8шт.

42

939151R2

HINGE, auger door LH, 28, 30 and 32 inch row spacing

1шт.

42

939148R2

HINGE, auger door LH, 38 and 40 inch row spacing

1шт.

938017R1

FLANGE NUT,Flg, USR, 5/16"-18

5/16-18 C-Z flange whiz lock

3шт.

135270

SERRATED SCREW,5/16" - 18 x 3/4"

5/16 x 3/4 C-Z slt-truss-hd whiz lock

3шт.

43

632157R1

SPACER, auger shaft

1шт.

44

151315C1

SPACER, beater shaft bearing RH, 28, 30 and 32 inch row spacing

2шт.

44

151334C1

SPACER, beater shaft, 38 and 40 inch row spacing

2шт.

45

155160C1

SUPPORT, beater section, 328WN serial no. 1282 and below, 329WN serial no. 1315 and below

4шт.

45

166390C1

SUPPORT, beater section, 328WN serial no. 1283 and above, 329WN serial no. 1316 and above

1шт.

181336

BOLT,Hex, 5/16" - 24 x 3/4", Gr 5

48шт.

103320

LOCK WASHER,5/16"

WASHER, LOCK, 5/16"

48шт.

Q397

WASHER

11/32 x 3/4 x 16 ga

48шт.

46

557115R11

COLLAR

COLLAR W/SET SCREW, lkg

1шт.

115321

SET SCREW,Hex Skt, 5/16"-18 x 5/16"

SCRW, 5/16-18 x 5/16 hex-soc-hd cup-pt set

1шт.

47

939461R1

FLANGE

auger shaft brg, for relube brg

2шт.

47

571425R1

FLANGED BEARING

auger shaft brg, not relube brg

2шт.

48

152588C1

SECTION, auger front outer LH, 38 and 40 inch row spacing

1шт.

17411R1

BOLT,Hex, 5/16"-18 X 3/4", G2

5/16 x 3/4 sq-nk crg

5шт.

9635082

NUT,5/16" - 18, Gr 5

5/16-18 hex

5шт.

103320

LOCK WASHER,5/16"

WASHER, LOCK, 5/16"

5шт.

49

152589C1

SECTION, auger front outer RH, 38 and 40 inch row spacing

1шт.

17411R1

BOLT,Hex, 5/16"-18 X 3/4", G2

5/16 x 3/4 sq-nk crg

5шт.

9635082

NUT,5/16" - 18, Gr 5

5/16-18 hex

5шт.

103320

LOCK WASHER,5/16"

WASHER, LOCK, 5/16"

5шт.

50

939461R1

FLANGE

beater driven sprkt brg, for relube brg

2шт.

50

571424R1

FLANGE

beater shaft brg, not relube brg

2шт.

14994R1

CARRIAGE BOLT,Sq Nk, 5/16" - 18 x 3/4", Gr 2

BOLT, CARRIAGE, Short NK, 5/16"-18 x 3/4", G2

6шт.

9635082

NUT,5/16" - 18, Gr 5

5/16-18 hex

6шт.

103320

LOCK WASHER,5/16"

WASHER, LOCK, 5/16"

6шт.

51

939152R2

HINGE, auger door RH, 28, 30 and 32 inch row spacing

1шт.

51

939149R2

HINGE, auger door RH, 38 and 40 inch row spacing

1шт.

938017R1

FLANGE NUT,Flg, USR, 5/16"-18

5/16-18 C-Z flange whiz lock

3шт.

135270

SERRATED SCREW,5/16" - 18 x 3/4"

5/16 x 3/4 C-Z slt-truss-hd whiz lock

3шт.

52

939147R1

HINGE, auger door center

1шт.

938017R1

FLANGE NUT,Flg, USR, 5/16"-18

5/16-18 C-Z flange

7шт.

135270

SERRATED SCREW,5/16" - 18 x 3/4"

5/16 x 3/4 C-Z slt-truss-hd whiz lock

7шт.

53

166045C1

ANGLE, auger adjustment, 328WN serial no. 1283 and above, 329WN serial no. 1316 and above

1шт.

18508R1

CARRIAGE BOLT,Short Nk, 3/8" - 16 x 3/4", Gr 2, Full Thd

BOLT, 3/8 x 3/4 C-Z sq/nk crg

4шт.

120377

NUT,3/8" - 16, Gr 5

4шт.

120382

LOCK WASHER,Helical Spring, 3/8"

WASHER, LOCK, 3/8"

4шт.

54

166048C1

BOLT, auger adjustment, 328WN serial no. 1283 and above, 329WN serial no. 1316 and above

2шт.

120377

NUT,3/8" - 16, Gr 5

4шт.

120382

LOCK WASHER,Helical Spring, 3/8"

WASHER, LOCK, 3/8"

4шт.

619856R1

WASHER

13/32 x 1 x 16 ga C-Z

4шт.

Выбрано товаров: 188