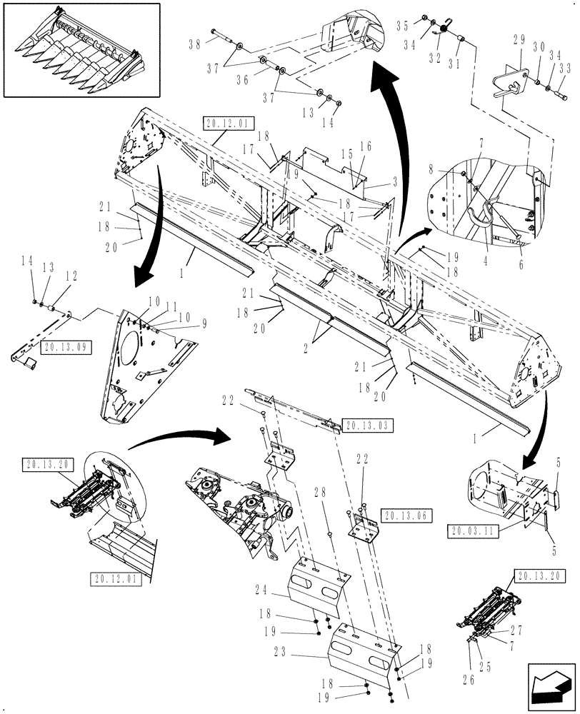
Запчасти Case IH 3406-30 (20.12.02.01) - MAIN FRAME SHIELDS AND ATTACHING PARTS, 6 ROW TO 12 ROW (58) - ATTACHMENTS/HEADERS

Схема запчастей Case IH 3406-30 - (20.12.02.01) - MAIN FRAME SHIELDS AND ATTACHING PARTS, 6 ROW TO 12 ROW (58) - ATTACHMENTS/HEADERS
14
4
34
19
35
28
33
18
26
20
21
18
2
31
27
19
36
20.03.11
13
22
19
18
12
8
13
5
3
37
37
23
18
17
22
20
20.13.06
20.13.09
20.12.01
20.13.20
20.12.01
20.13.20
20.13.03
18
18
20
34
38
11
29
21
30
7
1
9
10
21
1
6
25
32
19
24
19
15
5
7
18
18
16
10
18
17
14
FIT
1:1
100%

Артикул

Название

Примечание

Количество

1

86637054

SHIELD

6 Row 30"/70cm & 8 Row 22"

2шт.

1

87012355

SHIELD

6 Row 36" & 38"; 8 Row 70cm

2шт.

1

86636045

SHIELD

8 Row 30" & 12 Row 20"

2шт.

1

87012357

SHIELD

8 Row 36" & 38"

2шт.

1

87012359

SHIELD

12 Row 22"

2шт.

1

87015316

SHIELD

LH, 12 Row 30"

1шт.

1

87015318

SHIELD

RH, 12 Row 30"

1шт.

2

86611548

SHIELD

Center

2шт.

3

87722607

SHROUD

1шт.

4

87016747

BRACKET

PTO Storage

1шт.

5

86614670

ANGLE

6 Row 36" & 70cm; 8 Row 36"

4шт.

6

9780090

CARRIAGE BOLT,Sq Nk, M10 x 1.5 x 125mm, Cl 8.8

1шт.

7

140045

BELLEVILLE WASHER,M10 Bolt Size x 22mm OD x 1.6mm Thk

5шт.

8

100037

LOCK NUT,M10 x 1.5, Cl 8

1шт.

9

9706687

BOLT,M12 x 1.75 x 30mm, Cl 8.8

6 Row 30"/70cm; 8 Row 22"/38"/70cm; 12 Row-All Sizes

2шт.

9

43158

BOLT,Hex, M12 x 80mm, Cl 8.8

6 Row 36"/38"; 8 Row 30"/36"

2шт.

10

86511324

WASHER,13mm ID x 24mm OD x 2.5mm Thk

4шт.

11

144607

SPACER,0.516" ID x 0.749" OD x 0.28" L

2шт.

12

579577

SPACER

6 Row 36"/38"; 8 Row 30"/36" Only

2шт.

13

140046

BELLEVILLE WASHER,M12 Bolt Size x 27mm OD x 1.8mm Thk

2шт.

14

9706685

NUT,M12 x 1.75, Cl 8

2шт.

15

276-14820

SCREW

4шт.

16

140041

WASHER,M8 x 28mm OD x 3mm Thk

4шт.

17

86528166

BOLT,M8 x 1.25 x 126.58mm, Cl 8.8

4шт.

18

322358

BELLEVILLE WASHER,M8 Bolt Size x 18mm OD x 1.4mm Thk

1шт.

19

9706690

NUT,M8 x 1.25, Cl 8

1шт.

20

120104

BOLT,Hex, M8 x 1.25 x 20mm, Cl 8.8

1шт.

21

80664

WASHER,0.38" ID x 0.88" OD x 0.08" Thk

1шт.

22

120038

CARRIAGE BOLT,Rnd Head, M8 x 1.25 x 30mm, Cl 8.8, Full Thd

1шт.

23

87727820

SHIELD

6 Row 30"/36"/38"

5шт.

23

87727820

SHIELD

8 Row 30"/36"/38"

7шт.

23

87727820

SHIELD

12 Row 30"

11шт.

23

Not Used 20" & 22"

1шт.

24

87724443

SHIELD

6 Row 36"/38"/70cm

5шт.

24

87724443

SHIELD

8 Row 36"/38"/70cm

7шт.

24

Not Used 20" & 22"

1шт.

25

86611547

BRACKET

2шт.

26

86633356

CARRIAGE BOLT,M10 x 34.8mm, Cl 8.8

4шт.

27

100016

NUT,M10 x 1.5, Cl 8

4шт.

28

86507486

CARRIAGE BOLT,M8 x 1.25 x 20mm, Cl 8.8

1шт.

29

87033816

CLIP

Combine Attach

1шт.

30

86622548

SPACER,13.55mm ID x 19.01mm OD x 10.79mm L

3/4" Tube

1шт.

31

86553411

SPACER,13.49mm ID x 18.97mm OD x 23.88mm L

Split

1шт.

32

87026147

SPRING

1шт.

33

9706693

BOLT,M12 x 60mm, Cl 8.8

1шт.

34

86511324

WASHER,13mm ID x 24mm OD x 2.5mm Thk

2шт.

35

100038

NUT,M12 x 1.75, Cl 8

1шт.

36

86837468

SPACER,13.5mm ID x 19mm OD x 68.3mm L

3/4" Tube

2шт.

37

143479

WASHER,15.08" ID x 31.75" OD x 3.5" Thk

4шт.

38

86900194

BOLT,Hex, M12 x 115mm, Cl 10.9

2шт.

Выбрано товаров: 50