Запчасти Case IH 3408-70 (20.03.04) - PTO SHIELD (58) - ATTACHMENTS/HEADERS

Схема запчастей Case IH 3408-70 - (20.03.04) - PTO SHIELD (58) - ATTACHMENTS/HEADERS
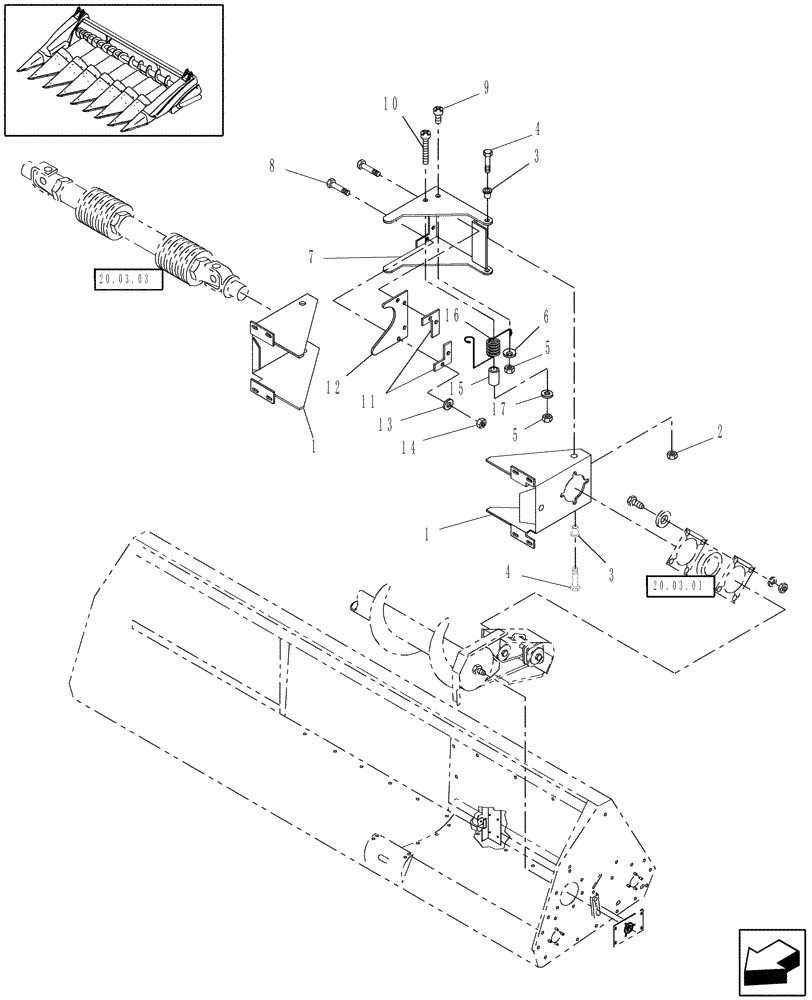
1
4
3
6
12
20.03.01
20.03.03
17
5
16
10
2
3
9
13
11
14
15
5
7
4
8
1
FIT
1:1
100%

Артикул

Название

Примечание

Количество

1

87018930

BRACKET

Bearing, LH

1шт.

1

87018932

BRACKET

Bearing, RH

1шт.

2

353308

NUT,M6 x 1.0, Cl 8

2шт.

3

87017719

WASHER

Shoulder, Nylon

2шт.

4

9804256

BOLT,Hex, M6 x 1 x 20mm, Full Thd, Cl 8.8

2шт.

5

86629542

NUT,M8 x 1.25, Cl 8.8

2шт.

6

322358

BELLEVILLE WASHER,M8 Bolt Size x 18mm OD x 1.4mm Thk

1шт.

7

87018934

SHIELD

LH

1шт.

7

87018936

SHIELD

RH

1шт.

8

120100

BOLT,M6 x 20mm, Cl 8.8

4шт.

9

44317

SCREW,Cross Pan Hd, M8 x 16

1шт.

10

86585705

SCREW,Pan, M8 x 40mm, Cl 4.8

1шт.

11

87019204

RUBBER STRIP

Angle

2шт.

12

87017420

GUARD

Rubber

1шт.

13

322357

BELLEVILLE WASHER,M6 Bolt Size x 14mm OD x 1.3mm Thk

4шт.

14

353308

NUT,M6 x 1.0, Cl 8

4шт.

15

87018928

SPACER

Spring Support

1шт.

16

87019200

SPRING

LH

1шт.

16

87019202

SPRING

RH

1шт.

17

140041

WASHER,M8 x 28mm OD x 3mm Thk

1шт.

Выбрано товаров: 20