Запчасти Case IH 3408-70 (88.100.58) - KIT, GEARBOX SHAFT (88) - ACCESSORIES

Схема запчастей Case IH 3408-70 - (88.100.58) - KIT, GEARBOX SHAFT (88) - ACCESSORIES
6
20.013.27
20.013.27
8
7
20.013.20
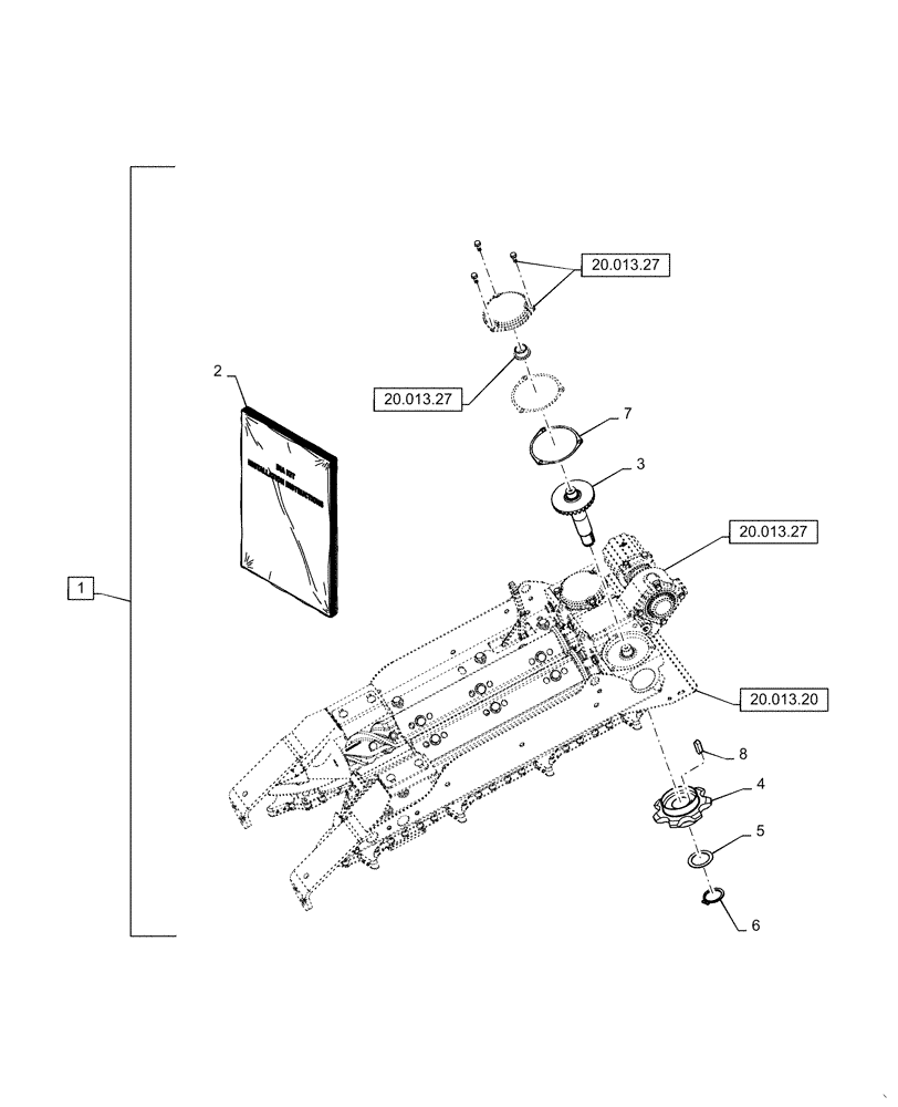
1
3
5
4
20.013.27
2
FIT
1:1
100%

Артикул

Название

Примечание

Количество

1

84492078

SERVICE KIT

Gearbox Shaft, Incl 2 - 8

1шт.

2

84492800

INSTRUCTION

Sheet, Gathering Shaft Install

1шт.

3

84240709

SHAFT

Bevel Gear, 30T

1шт.

4

84347361

SPROCKET

Gathering Chain, 7T

1шт.

5

84237672

SHIM,30mm ID x 42mm OD x 1mm Thk

30.5mm x 42mm x 1mm

1шт.

6

8409215

CIRCLIP

Extra Heavy

1шт.

7

86550515

SHIM,115.8mm ID x 127mm OD x 0.18mm Thk

.508mm

2шт.

8

84237668

KEY

Parallel, Round Ends, 8mm x 7mm x 25mm

1шт.

Выбрано товаров: 8