Запчасти Case IH 402 (64) - STALK ROLL ADJUSTING CONTROLS, ROWS 2, 3 AND 4 (58) - ATTACHMENTS/HEADERS

Схема запчастей Case IH 402 - (64) - STALK ROLL ADJUSTING CONTROLS, ROWS 2, 3 AND 4 (58) - ATTACHMENTS/HEADERS
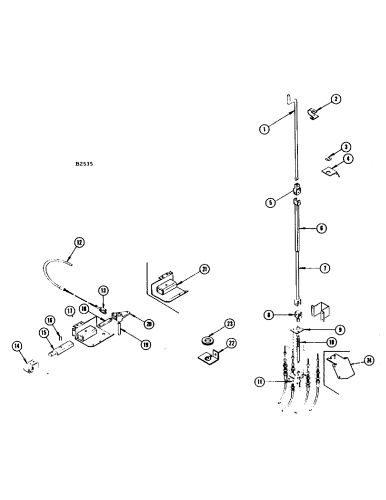
5
22
16
20
18
9
2
10
15
19
23
4
17
1
8
13
14
21
6
7
3
12
11
24
FIT
1:1
100%

Артикул

Название

Примечание

Количество

1

F53923

CRANK - roll adjusting

1шт.

114-6

BOLT,Hex, 1/4" - 28 x 1-1/4", Gr 5

1шт.

131-526

NUT - 1/4" flexloc, N. F. hex.

1шт.

2

F53920

CLAMP - upper

1шт.

3

F53924

WASHER - retaining

1шт.

4

F53919

BRACKET - platform

1шт.

113-102

BOLT,Hex, 5/16" - 18 x 3/4", Gr 5

Hex, 5/16"-18 x 3/4", G5, Full Thd

2шт.

5

F92131

UNIVERSAL - roll adjusting

1шт.

6

F92132

TUBE - roll adjusting

1шт.

114-107

BOLT,Hex, 5/16" - 24 x 1-1/2", Gr 5

- 5/16" x 1-1/2" N. F. hex.

1шт.

7

F92138

ROD - roll adjusting (660-960)

1шт.

F92135

ROD - roll adjusting (1060-1160-1660-1665)

1шт.

114-107

BOLT,Hex, 5/16" - 24 x 1-1/2", Gr 5

- 5/16" x 1-1/2" N. F. hex.

1шт.

8

F79307

UNIVERSAL

1шт.

14-420

BOLT,Hex, 1/4" - 28 x 1-1/4", Gr 5

1шт.

9

F92102

PLATE - upper, stalk roll adjusting

1шт.

10

F53845

SCREW - stalk roll adjusting

1шт.

132-25

COTTER PIN,3/32" x 5/8"

Pin, Split (Cotter), 3/32" x 5/8"

1шт.

195-21

WASHER,5/16"

- , SAE std. 5/16"

1шт.

11

F53779

PLATE - stalk roll adjusting (Rows 3 and 4)

1шт.

14-612

BOLT,Hex, 3/8" - 24 x 3/4", Gr 5, Full Thd

Nut (25-116) Hex, 3/8"-24 x 3/4", G5, Full Thd

2шт.

12

F92100

CABLE - snapping roll adjusting (Short)

1шт.

25-115

NUT,5/16"-24, G5

- 5/16" NF hex

2шт.

131-33

NUT - 7/16" Esna stop

1шт.

195-902

WASHER

- 7/16" beveled

1шт.

F92101

CABLE - snapping roll adjusting (Medium) (Row 2)

1шт.

F92101

CABLE - snapping roll adjusting (Medium) (Rows 3 and 4)

2шт.

25-115

NUT,5/16"-24, G5

- 5/16" NF hex (Row 2)

2шт.

25-115

NUT,5/16"-24, G5

- 5/16" NF hex (Rows 3 and 4)

4шт.

131-33

NUT - 7/16" Esna stop (Row 2)

1шт.

131-33

NUT - 7/16" Esna stop (Rows 3 and 4)

2шт.

195-902

WASHER

- 7/16" beveled (Row 2)

1шт.

195-902

WASHER

- 7/16" beveled (Rows 3 and 4)

2шт.

F92180

CABLE - snapping roll adjusting (Long) (Row 4)

1шт.

25-115

NUT,5/16"-24, G5

- 5/16" NF hex (Row 4)

1шт.

131-33

NUT - 7/16" Esna stop (Row 4)

2шт.

195-902

WASHER

- 7/16" beveled (Row 4)

1шт.

13

213-4

ADJUSTABLE CLEVIS,3/8"-24 x 2 1/2"

CLEVIS (Row 2)

2шт.

13

213-4

ADJUSTABLE CLEVIS,3/8"-24 x 2 1/2"

CLEVIS (Row 3)

3шт.

13

213-4

ADJUSTABLE CLEVIS,3/8"-24 x 2 1/2"

CLEVIS (Row 4)

4шт.

25-156

JAM NUT,Jam, 3/8"-24, G5

JAM NUT - 3/8" N. F. hex. (Row 2)

2шт.

25-156

JAM NUT,Jam, 3/8"-24, G5

JAM NUT - 3/8" N. F. hex. (Row 3)

3шт.

25-156

JAM NUT,Jam, 3/8"-24, G5

JAM NUT - 3/8" N. F. hex. (Row 4)

4шт.

141-4

CLEVIS PIN,3/8" x 1.060"

PIN, CLEVIS, (For ref. 13) (Row 2) 3/8" x 1.060"

2шт.

141-4

CLEVIS PIN,3/8" x 1.060"

PIN, CLEVIS, (For ref. 13) (Row 3) 3/8" x 1.060"

3шт.

141-4

CLEVIS PIN,3/8" x 1.060"

PIN, CLEVIS, (For ref. 13) (Row 4) 3/8" x 1.060"

4шт.

132-26

COTTER PIN

Pin, Split (Cotter), 3/32" x 3/4" (Row 2)

2шт.

132-26

COTTER PIN

Pin, Split (Cotter), 3/32" x 3/4" (Row 3)

3шт.

132-26

COTTER PIN

Pin, Split (Cotter), 3/32" x 3/4" (Row 4)

4шт.

14

F92419

SUPPORT - bearing (See ref. 19, page 63) (Row 2)

4шт.

14

F92419

SUPPORT - bearing (See ref. 19, page 63) (Row 3)

6шт.

14

F92419

SUPPORT - bearing (See ref. 19, page 63) (Row 4)

8шт.

15

F53616

ROD - snapping roll adjusting (Row 2)

2шт.

15

F53616

ROD - snapping roll adjusting (Row 3)

3шт.

15

F53616

ROD - snapping roll adjusting (Row 4)

4шт.

16

F53892

LINK PIN - (For ref. 18) (Row 2)

2шт.

16

F53892

LINK PIN - (For ref. 18) (Row 3)

3шт.

16

F53892

LINK PIN - (For ref. 18) (Row 4)

4шт.

F54396

LINK PIN - headed (For ref. 18) (Row 2)

2шт.

F54396

LINK PIN - headed (For ref. 18) (Row 3)

3шт.

F54396

LINK PIN - headed (For ref. 18) (Row 4)

4шт.

17

F92954

GUIDE - stalk roll adjusting, R.H. (Rows 2 and 3)

1шт.

F92954

GUIDE - stalk roll adjusting, R.H. (Row 4)

2шт.

219-55

LUBE NIPPLE,90 Degree Elbow, 1/8" - 27 NPTF

NIPPLE, LUBE, (Rows 2 and 3) 90º, 1/8" NPT x .84" lg

2шт.

219-55

LUBE NIPPLE,90 Degree Elbow, 1/8" - 27 NPTF

NIPPLE, LUBE, (Row 4) 90º, 1/8" NPT x .84" lg

4шт.

13-612

BOLT,Hex, 3/8" - 16 x 3/4", Gr 5, Full Thd

(Rows 2 and 3) Hex, 3/8"-16 x 3/4", G5, Full Thd

5шт.

13-612

BOLT,Hex, 3/8" - 16 x 3/4", Gr 5, Full Thd

(Row 4) Hex, 3/8"-16 x 3/4", G5, Full Thd

10шт.

92-6

LOCK WASHER,3/8"

(Rows 2 and 3) 3/8"

5шт.

92-6

LOCK WASHER,3/8"

(Row 4) 3/8"

10шт.

25-106

NUT,3/8"-16, G5

- 3/8" (Rows 2 and 3)

5шт.

25-106

NUT,3/8"-16, G5

- 3/8" (Row 4)

10шт.

18

F53891

ARM - adjusting (Row 2)

2шт.

18

F53891

ARM - adjusting (Row 3)

3шт.

18

F53891

ARM - adjusting (Row 4)

4шт.

14-464

X

BOLT - 1/2" x 4" N. F. hex. (Row 2)

2шт.

14-464

X

BOLT - 1/2" x 4" N. F. hex. (Row 3)

3шт.

14-464

X

BOLT - 1/2" x 4" N. F. hex. (Row 4)

4шт.

19

F53615

SPACER - snapping roll adjustment (Row 2)

2шт.

19

F53615

SPACER - snapping roll adjustment (Row 3)

3шт.

19

F53615

SPACER - snapping roll adjustment (Row 4)

4шт.

14-868

BOLT - 1/2" x 4-1/4" N. F. hex. (Row 2)

2шт.

14-868

BOLT - 1/2" x 4-1/4" N. F. hex. (Row 3)

3шт.

14-868

BOLT - 1/2" x 4-1/4" N. F. hex. (Row 4)

4шт.

20

F2311

ARM - pivot, stalk roll (Row 2)

2шт.

20

F2311

ARM - pivot, stalk roll (Row 3)

3шт.

20

F2311

ARM - pivot, stalk roll (Row 4)

4шт.

21

F92963

GUIDE - stalk roll adjusting, L.H. (Row 2)

1шт.

21

F92963

GUIDE - stalk roll adjusting, L. H. (Rows 3 and 4)

2шт.

219-55

LUBE NIPPLE,90 Degree Elbow, 1/8" - 27 NPTF

NIPPLE, LUBE, (Row 2) 90º, 1/8" NPT x .84" lg

2шт.

219-55

LUBE NIPPLE,90 Degree Elbow, 1/8" - 27 NPTF

NIPPLE, LUBE, (Rows 3 and 4) 90º, 1/8" NPT x .84" lg

4шт.

13-612

BOLT,Hex, 3/8" - 16 x 3/4", Gr 5, Full Thd

(Row 2) Hex, 3/8"-16 x 3/4", G5, Full Thd

5шт.

13-612

BOLT,Hex, 3/8" - 16 x 3/4", Gr 5, Full Thd

(Rows 3 and 4) Hex, 3/8"-16 x 3/4", G5, Full Thd

10шт.

22

F54320

BRACKET - cable (Rows 3 and 4)

1шт.

23

F54321

GROMMET

(Rows 3 and 4)

1шт.

24

F54704

PLATE - stalk roll adjusting (Row 2)

1шт.

Выбрано товаров: 0