Запчасти Case IH 402 (66) - MULTI-LUBER AND HARNESS (58) - ATTACHMENTS/HEADERS

Схема запчастей Case IH 402 - (66) - MULTI-LUBER AND HARNESS (58) - ATTACHMENTS/HEADERS
10
13a
11
2
12
22
13
4
6
9
15
16
21
8
18
7
14
3
11
20
5
1
19
4
FIT
1:1
100%

Артикул

Название

Примечание

Количество

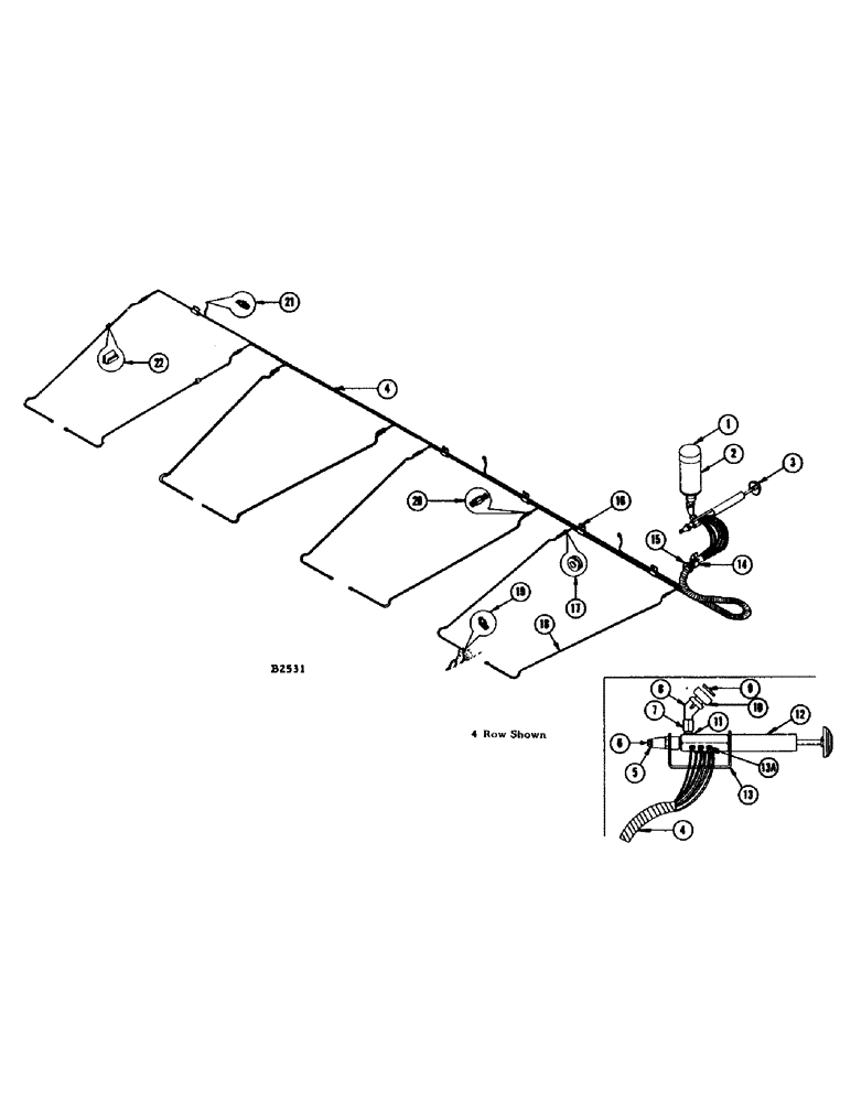
1

F86366

CAP

1шт.

2

F86369

RESERVOIR - lubricant

1шт.

3

NSS

NOT SOLD SEPARAT

MULTI-LUBER AND HARNESS

1шт.

4

F92250

HARNESS (4-row)

1шт.

F92253

HARNESS (3-row)

1шт.

F92459

HARNESS (2-row)

1шт.

5

F12306

GASKET

1шт.

6

F14105

PLUG - stop (4-row)

1шт.

F14107

PLUG - stop (3-row)

1шт.

F54298

PLUG - stop (2-row)

1шт.

7

F14104

ADAPTER

1шт.

8

221-1402

ELBOW

- 1/4" NPTX x 45 degrees st.

1шт.

9

F12310

GASKET

1шт.

10

F14103

ADAPTER

1шт.

11

F12308

GASKET

1шт.

12

F86372

BODY - pump

1шт.

13

F14106

BRACKET - saddle

1шт.

13a

F54609

NUT - compression (18" tube O. D. x 1/4" - 28)

1шт.

14

F12300

"J" CLAMP

1шт.

14-48

BOLT,Hex, 1/4" - 28 x 1/2", Gr 5

1шт.

92-4

LOCK WASHER,1/4"

WASHER, LOCK, 1/4"

1шт.

95-4

WASHER,1/4"

- 1/4"

1шт.

25-104

NUT,1/4"-20, G5

1шт.

15

F54096

GROMMET

1шт.

16

F12300

"J" CLAMP - (Use 3 on 2 row, 5 on 3 row, 7 on 4 row)

1шт.

11-510

SCREW,Short Nk, 5/16" - 18 x 5/8", Gr 2

BOLT - 5/16" x 5/8" rhd. sq. nk.

1шт.

9635082

NUT,5/16" - 18, Gr 5

- 5/16"

1шт.

17

F21347

GROMMET - (Use 4 on 2 row, 6 on 3 row, 8 on 4 row)

1шт.

18

F12417

PIPE

TUBING - nylon (10 ft. lengths)

1шт.

F92247

LOOM - stalk roll (4 on 2 row, 6 on 3, 8 on 4)

1шт.

19

F86399

FITTING

- stalk roll bearing (See ref. 17 for quantity)

1шт.

20

F86368

UNION - (Repair for broken line)

1шт.

21

F86399

FITTING

- gear box (Use 2 on 2 row, 3 on 3 row, 4 on 4 row)

1шт.

22

F54095

CLIP - frame (Use 12 on 2 row, 18 on 3 row, 24 on 4 row)

1шт.

331-56

GREASE - Rykon R, multi-luber (1 pt.)

1шт.

Выбрано товаров: 35