Запчасти Case IH 4206-30 (58.100.AH[01]) - DRIVE, HEADER ASSY, FRONT (58) - ATTACHMENTS/HEADERS

Схема запчастей Case IH 4206-30 - (58.100.AH[01]) - DRIVE, HEADER ASSY, FRONT (58) - ATTACHMENTS/HEADERS
11
3
home
30
6
16
26
27
1
29
28
18
4
19
30
27
10
13
4
22
29
12
1
12
12
7
28
23
2
3
14
18
5
17
2
24
21
9
20
5
8
3
17
10
20
15
3
25
26
FIT
1:1
100%

Артикул

Название

Примечание

Количество

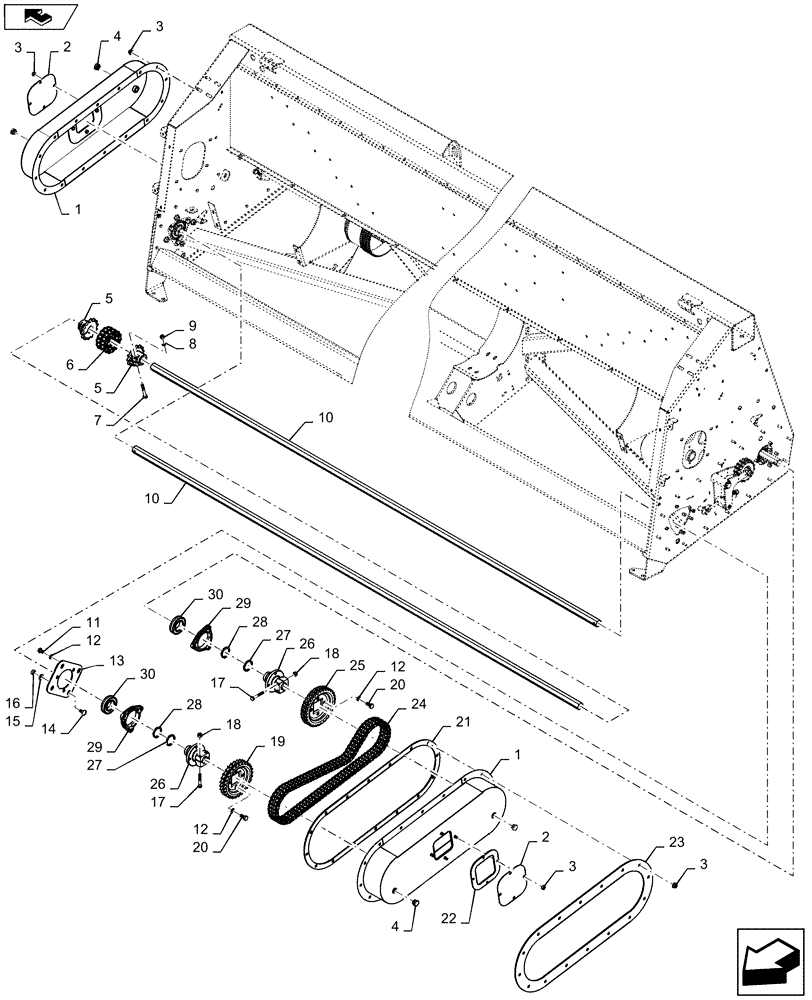
1

87482693

SHIELD

2шт.

1

47676693

SHIELD

Narrow Option for Non Chopping

1шт.

2

84977580

COVER

2шт.

3

86619801

FLANGE NUT,M8 x 1.25, Cl 8

40шт.

4

84977693

PLUG,M18 x 1.5

6шт.

5

322570650

DRIVEN SPROCKET

2шт.

6

340437629

CHAIN,60-2, 14 Links x 19.05mm = 266.7mm

1шт.

7

120070

BOLT,Hex, M10 x 1.5 x 60mm, Cl 8.8

2шт.

8

140028

WASHER,10.2mm ID x 18.1mm OD x 2.2mm Thk

2шт.

9

100016

NUT,M10 x 1.5, Cl 8

2шт.

10

47415608

DRIVE SHAFT

2шт.

11

15540221

BOLT,Hex, M12 x 1.25 x 20mm, Cl 8.8, Full Thd

6шт.

12

412123

LOCK WASHER,13.1mm ID x 21.1mm OD x 2.55mm Thk

14шт.

13

84977230

COVER PLATE

1шт.

14

374895

CARRIAGE BOLT,M12 x 1.75 x 25mm, Cl 8.8

4шт.

15

140046

BELLEVILLE WASHER,M12 Bolt Size x 27mm OD x 1.8mm Thk

4шт.

16

9706685

NUT,M12 x 1.75, Cl 8

4шт.

17

120071

BOLT,Hex, M10 x 65, 8.8

4шт.

18

100037

LOCK NUT,M10 x 1.5, Cl 8

4шт.

19

84977161

DRIVEN SPROCKET

1шт.

20

398792

SCREW,Hex, M12 x 25mm, Cl 10.9

8шт.

21

84977588

GASKET

1шт.

22

84977581

GASKET

1шт.

23

84977574

PLATE

1шт.

24

84977338

CHAIN,#60-2, 88 Links x 19.05mm = 1676.4mm

1шт.

25

87568038

DRIVING GEAR

30T

1шт.

26

84977568

HUB

2шт.

27

84977639

RING

2шт.

28

370007

SNAP RING,M45, Ext

2шт.

29

300019980

SUPPORT

2шт.

30

340411240

SPHERICAL BEARING,45mm ID x 85mm OD x 19mm W

2шт.

Выбрано товаров: 31