Запчасти Case IH 429 (B-13) - STALK ROLL CONTROL (58) - ATTACHMENTS/HEADERS

Схема запчастей Case IH 429 - (B-13) - STALK ROLL CONTROL (58) - ATTACHMENTS/HEADERS
3
21
2
27
12
26
31
5
4
6
1
16
14
20
28
30
7
12
11
15
19
13
6
7
29
22
18
27
23
13
3
24
5
17
9
8
25
28
10
FIT
1:1
100%

Артикул

Название

Примечание

Количество

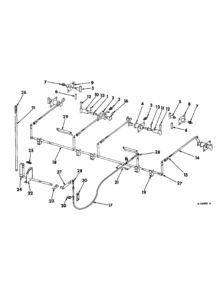
1

580187R1

SHAFT ASSY, stalk roll control

4шт.

2

586016R91

HOUSING ASSY, stalk roll cam left

2шт.

BOLT, 7/16-14 x 1 short sq-nk crg

8шт.

NUT, 7/16-14 hex

8шт.

WASHER, 7/16 med lock

8шт.

3

80711

LUBE NIPPLE,65 Degree, 1/8" NPT x 7/8" lg

FITTING, 1/8-27 PTF 67-1/2 deg angle

4шт.

4

586017R91

HOUSING ASSY, stalk roll cam right

2шт.

BOLT, 7/16-14 x 1 short sq-nk crg

8шт.

NUT, 7/16-14 hex

8шт.

WASHER, 7/16 med lock

8шт.

5

587511R1

ANCHOR, stalk roll support

4шт.

17296R1

LOCK NUT,3/4"-16

NUT, 3/8-16 thin ESNA lock

2шт.

WASHER, 3/4 med lock

4шт.

Q5099

WASHER

25/32 x 1-3/4 x 11 ga

4шт.

Q216

WASHER

1-3/32 x 1-3/4 x 16 ga, or as required

32шт.

6

580184R1

BUSHING, stalk roll support anchor

4шт.

7

109461

LUBE NIPPLE,1/8"-27 x .66 lg

NIPPLE, LUBE, , PTF 1/8"-27 x .66 lg

4шт.

8

589691R91

HUB ASSY, stalk roll support left

2шт.

BOLT, 7/16-14 x 1 short sq-nk crg

8шт.

NUT, 7/16-14 hex

8шт.

WASHER, 7/16 med lock

8шт.

9

589692R91

HUB ASSY, stalk roll support right

2шт.

BOLT, 7/16-14 x 1 short sq-nk crg

8шт.

NUT, 7/16-14 hex

8шт.

WASHER, 7/16 med lock

8шт.

10

580180R1

CAM, stalk roll adjustment left

2шт.

11

580181R1

CAM, stalk roll adjustment right

2шт.

12

580184R1

BUSHING, stalk roll adjustment cam

4шт.

13

584453R1

PIN

stalk roll control cam

4шт.

14

589702R1

ROD, stalk roll control

4шт.

114496

HOURMETER,Jam, 1/2"-20, G5

NUT, 1/2-20 hex jam

4шт.

PIN, 3/16 x 1 cot

4шт.

15

104039

ADJUSTABLE CLEVIS,1/2"-20 x 3"

CLEVIS, stalk roll control rod

4шт.

PIN, 1/8 x 1 cot

4шт.

114787

AXLE PIN

PIN, 1/2 x 1-1/2 rod end

4шт.

16

589709R91

HUB ASSY, stalk roll control cam

4шт.

577139R1

LOCK PIN,3/8" x 1 1/2", Slotted

Pin, 3/8" x 1 1/2", Slotted

4шт.

17

589700R91

CABLE, stalk roll control

1шт.

NUT, 3/8-24 hex

2шт.

18

589784R91

PIPE ASSY, stalk roll control torsion

1шт.

BOLT, 3/8-16 x 1 short sq-nk crg

4шт.

NUT, 3/8-16 hex

4шт.

WASHER, 3/8 med lock

4шт.

19

589787R1

ANGLE, stalk roll control torsion pipe

3шт.

BOLT, 3/8-16 x 1 short sq-nk crg

6шт.

NUT, 3/8-16 hex

6шт.

WASHER, 3/8 med lock

6шт.

20

33175A

U-BOLT, stalk roll control cable

2шт.

NUT, 3/8-16 hex

4шт.

WASHER, 3/8-16 med lock

4шт.

21

589703R1

BRACKET, stalk roll control

1шт.

BOLT, 7/16-14 x 1-1/4 short sq-nk crg

2шт.

NUT, 7/16-14 hex

2шт.

WASHER, 7/16 med lock

2шт.

22

589704R1

SECTOR, stalk roll control

1шт.

SCREW, 3/8-16 x 3/4 hex-hd cap

2шт.

WASHER, 3/8 med lock

2шт.

23

589705R1

BRACKET, stalk roll torque pipe

1шт.

SCREW, 3/8-16 x 3/4 hex-hd cap

2шт.

WASHER, 3/8 med lock

2шт.

Q1597

WASHER

13/32 x 3/4 x 16 ga

2шт.

24

589706R91

PIPE ASSY, stalk roll torque

1шт.

BOLT, 3/8-16 x 3-1/2 hex-hd mach

1шт.

231-1446

NUT,3/8" - 16, Gr 5

NUT, LOCK, , Esna stop 3/8"-16, GB

1шт.

17069R1

LOCK PIN,5/16" x 1 3/4", Slotted

Pin, 5/16" x 1 3/4", Slotted

1шт.

Q1597

WASHER

13/32 x 3/4 x 16 ga

1шт.

Q3481

WASHER

1-1/32 x 1-1/2 x 16 ga

3шт.

25

C33464

SPRING, stalk roll control lever

1шт.

26

568043R1

GRIP, stalk roll control lever

1шт.

27

589788R91

ARM ASSY, stalk roll control

3шт.

576517R1

LOCK PIN,1/4" x 1 1/2", Slotted

Pin, 1/4" x 1 1/2", Slotted

3шт.

28

104038

ADJUSTABLE CLEVIS,3/8"-24 x 2 1/2"

CLEVIS, stalk roll control cable

2шт.

PIN, 3/32 x 3/4 cot

2шт.

NLS

NO LONGER SERVICED

PIN, 3/8 x 1-3/32 rod end

2шт.

29

589792R1

SHIELD, stalk roll control torsion

2шт.

BOLT, 7/16-14 x 1 short sq-nk crg

6шт.

NUT, 7/16-14 hex

6шт.

WASHER, 7/16 med lock

6шт.

30

589356R1

BRACKET, stalk roll control cable

1шт.

BOLT, 5/16-18 x 1 short sq-nk crg

1шт.

BOLT, 1/2-13 x 1-1/4 short sq-nk crg

1шт.

NUT, 5/16-18 hex

1шт.

NUT, 1/2-13 hex

1шт.

WASHER, 5/16 med lock

1шт.

WASHER, 1/2 med lock

1шт.

31

589707R1

PIPE, stalk roll control

1шт.

31

589793R2

PIPE, stalk roll control lever, special, 403 combine serial no. 7224 and above w/operators cab, 503 combine serial no. 7224 and above w/operators cab

1шт.

17069R1

LOCK PIN,5/16" x 1 3/4", Slotted

Pin, 5/16" x 1 3/4", Slotted

1шт.

Выбрано товаров: 88