Запчасти Case IH 4408F-30 (58.220.050) - ROW UNIT ATTACHMENT, RH (58) - ATTACHMENTS/HEADERS

Схема запчастей Case IH 4408F-30 - (58.220.050) - ROW UNIT ATTACHMENT, RH (58) - ATTACHMENTS/HEADERS
9
13
5
15
3
9
11
14
10
4
8
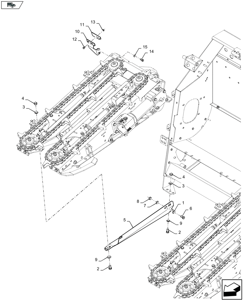
1
4
6
7
2
home
3
2
12
FIT
1:1
100%

Артикул

Название

Примечание

Количество

1

86625253

WASHER,11mm ID x 24mm OD x 2mm Thk

2шт.

2

300388

BOLT,Hex, M12 x 1.75 x 25mm, Cl 8.8

2шт.

3

140046

BELLEVILLE WASHER,M12 Bolt Size x 27mm OD x 1.8mm Thk

2шт.

4

9706685

NUT,M12 x 1.75, Cl 8

2шт.

5

322556250

PLATE

1шт.

FOR 4406F-75

1шт.

5

322457050

PLATE

1шт.

FOR 4406F-80, 4408F-75, 4412F-30 AND 4408F-30 ONLY

1шт.

5

47382085

STIFFENER

1шт.

FOR 4408F-80 ONLY

1шт.

6

43139

BOLT,M10 x 1.5 x 25mm, Cl 8.8

2шт.

7

140045

BELLEVILLE WASHER,M10 Bolt Size x 22mm OD x 1.6mm Thk

2шт.

8

100016

NUT,M10 x 1.5, Cl 8

2шт.

9

86511324

WASHER,13mm ID x 24mm OD x 2.5mm Thk

2шт.

10

47588374

BRACKET

1шт.

11

47588351

PLATE

1шт.

12

86512439

CARRIAGE BOLT,M6 x 16mm, Cl 8.8

2шт.

13

9804276

FLANGE NUT,Hex, M6 x 1, Cl 8

2шт.

14

120104

BOLT,Hex, M8 x 1.25 x 20mm, Cl 8.8

2шт.

15

322358

BELLEVILLE WASHER,M8 Bolt Size x 18mm OD x 1.4mm Thk

2шт.

Выбрано товаров: 20