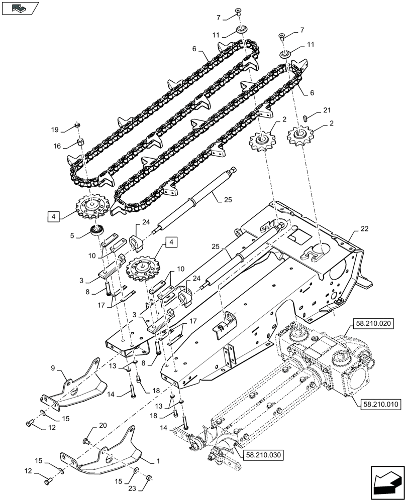
Запчасти Case IH 4408F-30 (58.220.070) - ROW UNIT CHAIN AND SPROCKETS - C685 (58) - ATTACHMENTS/HEADERS

Схема запчастей Case IH 4408F-30 - (58.220.070) - ROW UNIT CHAIN AND SPROCKETS - C685 (58) - ATTACHMENTS/HEADERS
58.210.020
19
2
3
15
20
10
25
11
23
8
6
24
13
8
15
13
11
15
5
2
22
12
14
9
21
18
10
4
25
home
7
17
7
6
24
14
3
18
1
12
17
16
4
58.210.030
58.210.010
FIT
1:1
100%

Артикул

Название

Примечание

Количество

1

84497506

SKID/SHOE

1шт.

WITH CHOPPER ONLY

1шт.

2

84977235

SPROCKET,DRIVE

2шт.

MAINTENANCE PART

1шт.

3

84513854

GUIDE

, Serial Range: -C679

2шт.

3

47609284

GUIDE

, Start Serial: D680

2шт.

4

87473652

DRIVEN SPROCKET

Incl 5

2шт.

MAINTENANCE PART

1шт.

5

443898

BALL BEARING,25mm ID x 52mm OD x 15mm W

2шт.

MAINTENANCE PART

1шт.

6

84977231

GATHERING CHAIN

2шт.

MAINTENANCE PART

1шт.

FOR CHAIN WITH 8 PADDLES ONLY

1шт.

6

84494761

GATHERING CHAIN,2280mm L

2шт.

MAINTENANCE PART

1шт.

FOR CHAIN WITH 6 PADDLES ONLY

1шт.

7

84976774

SCREW,FLAT, M12 x 30mm, Cl 8.8

2шт.

8

47455269

BOLT

, Serial Range: -C679

2шт.

8

47503285

BOLT

, Start Serial: D680

2шт.

9

84528829

SKID/SHOE

1шт.

WITH CHOPPER ONLY

1шт.

10

84514345

GUIDE

4шт.

11

322453050

LOCK WASHER

2шт.

12

300388

BOLT,Hex, M12 x 1.75 x 25mm, Cl 8.8

4шт.

WITH CHOPPER ONLY

1шт.

13

140028

WASHER,10.2mm ID x 18.1mm OD x 2.2mm Thk

8шт.

14

120071

BOLT,Hex, M10 x 65, 8.8

4шт.

15

140046

BELLEVILLE WASHER,M12 Bolt Size x 27mm OD x 1.8mm Thk

8шт.

WITH CHOPPER ONLY

1шт.

16

84305109

NUT

2шт.

17

84514774

PLATE

4шт.

18

86508097

HEX SOC SCREW,M10 x 25mm, Cl 12.9, Full Thd

4шт.

19

47455264

NUT

, Serial Range: -C679

2шт.

19

47503296

NUT

, Start Serial: D680

2шт.

20

374895

CARRIAGE BOLT,M12 x 1.75 x 25mm, Cl 8.8

4шт.

WITH CHOPPER ONLY

1шт.

21

322743050

KEY

2шт.

22

84575119

FRAME

1шт.

23

9706685

NUT,M12 x 1.75, Cl 8

4шт.

WITH CHOPPER ONLY

1шт.

24

48145392

RUBBER BLOCK

2шт.

25

47451459

SPRING

2шт.

Выбрано товаров: 42