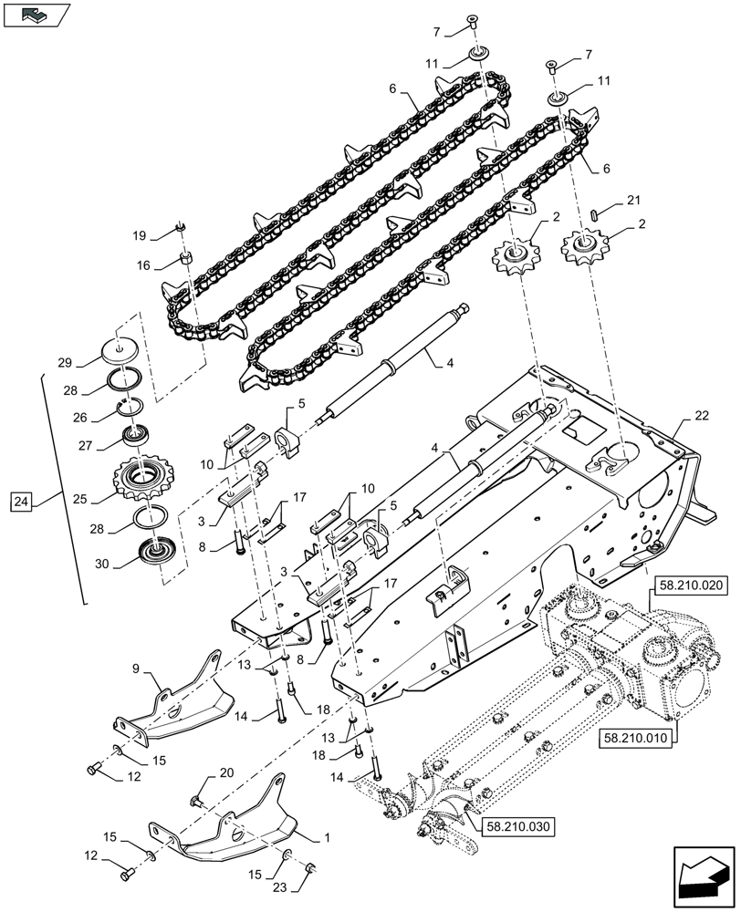
Запчасти Case IH 4408F-30 (58.220.071) - ROW UNIT CHAIN AND SPROCKETS - D686 (58) - ATTACHMENTS/HEADERS

Схема запчастей Case IH 4408F-30 - (58.220.071) - ROW UNIT CHAIN AND SPROCKETS - D686 (58) - ATTACHMENTS/HEADERS
58.210.020
12
5
7
27
30
11
18
4
20
13
9
14
25
17
8
3
11
14
15
23
8
29
16
18
5
13
24
19
home
15
6
1
15
26
12
28
3
10
2
7
6
22
21
17
4
10
28
2
58.210.030
58.210.010
FIT
1:1
100%

Артикул

Название

Примечание

Количество

1

84497506

SKID/SHOE

1шт.

WITH CHOPPER ONLY

1шт.

2

84977235

SPROCKET,DRIVE

2шт.

MAINTENANCE PART

1шт.

3

47609284

GUIDE

2шт.

4

47451459

SPRING

2шт.

5

48145392

Stop

RUBBER BLOCK

2шт.

6

84977231

GATHERING CHAIN

2шт.

MAINTENANCE PART

1шт.

FOR CHAIN WITH 8 PADDLES ONLY

1шт.

6

84494761

GATHERING CHAIN,2280mm L

2шт.

MAINTENANCE PART

1шт.

FOR CHAIN WITH 6 PADDLES ONLY

1шт.

7

84976774

SCREW,FLAT, M12 x 30mm, Cl 8.8

2шт.

8

47503285

BOLT

2шт.

9

84528829

SKID/SHOE

1шт.

WITH CHOPPER ONLY

1шт.

10

84514345

GUIDE

4шт.

11

322453050

LOCK WASHER

2шт.

12

300388

BOLT,Hex, M12 x 1.75 x 25mm, Cl 8.8

4шт.

WITH CHOPPER ONLY

1шт.

13

140028

WASHER,10.2mm ID x 18.1mm OD x 2.2mm Thk

8шт.

14

120071

BOLT,Hex, M10 x 65, 8.8

4шт.

15

140046

BELLEVILLE WASHER,M12 Bolt Size x 27mm OD x 1.8mm Thk

8шт.

WITH CHOPPER ONLY

1шт.

16

84305109

NUT

2шт.

17

84514774

PLATE

4шт.

18

120052

HEX SOC SCREW,M10 x 25mm, Cl 8.8

4шт.

19

47503296

NUT

2шт.

20

374895

CARRIAGE BOLT,M12 x 1.75 x 25mm, Cl 8.8

4шт.

WITH CHOPPER ONLY

1шт.

21

322743050

KEY

2шт.

22

84575119

FRAME

1шт.

23

9706685

NUT,M12 x 1.75, Cl 8

4шт.

WITH CHOPPER ONLY

1шт.

24

47906258

SPROCKET

Incl 25 -30

2шт.

MAINTENANCE PART

1шт.

25

47842144

SPROCKET

1шт.

MAINTENANCE PART

1шт.

26

370012

RING,M62, Internal

1шт.

MAINTENANCE PART

1шт.

27

28996530

BALL BEARING,30mm ID x 62mm OD x 16mm W

1шт.

MAINTENANCE PART

1шт.

28

47842160

SEAL

2шт.

MAINTENANCE PART

1шт.

29

47906302

SHIELD

1шт.

MAINTENANCE PART

1шт.

30

47906256

SHIELD

1шт.

MAINTENANCE PART

1шт.

Выбрано товаров: 49