Запчасти Case IH 4408F-30 (58.224.450) - HEADER DRIVE IDLER, LH & RH (58) - ATTACHMENTS/HEADERS

Схема запчастей Case IH 4408F-30 - (58.224.450) - HEADER DRIVE IDLER, LH & RH (58) - ATTACHMENTS/HEADERS
15
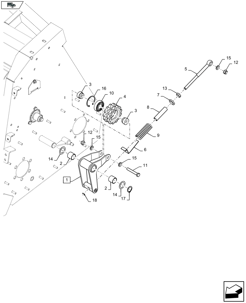
2
8
14
1
18
3
4
3
6
14
11
12
home
16
9
7
10
17
13
2
15
15
12
5
FIT
1:1
100%

Артикул

Название

Примечание

Количество

1

84524715

ARM

Incl 2

2шт.

2

322478150

BUSHING

2шт.

3

84524717

SLEEVE

4шт.

4

87752744

SPROCKET

2шт.

MAINTENANCE PART

1шт.

5

47471009

EYEBOLT

2шт.

6

47473549

INDICATOR

2шт.

7

87758098

WASHER

2шт.

8

87758096

TUBE,22 mm OD x 88 mm L

2шт.

9

87758095

EXPANDER

2шт.

10

28996530

BALL BEARING,30mm ID x 62mm OD x 16mm W

2шт.

MAINTENANCE PART

1шт.

11

43158

BOLT,Hex, M12 x 80mm, Cl 8.8

2шт.

12

100038

NUT,M12 x 1.75, Cl 8

4шт.

13

100095

THIN NUT,Thin, M16 x 2, Cl 04

4шт.

14

441176

WASHER,31mm ID x 45mm OD x 0.87mm Thk

4шт.

15

140018

WASHER,13.5mm ID x 24mm OD x 2.5mm Thk

6шт.

16

370012

RING,M62, Internal

2шт.

17

370003

SNAP RING,M30, External

2шт.

18

11066176

SNAP RING,M13, Ext

2шт.

Выбрано товаров: 20