Запчасти Case IH 4408F-30 (35.660.020) - HYDRAULIC FLIP-UP CYLINDER (35) - HYDRAULIC SYSTEMS

Схема запчастей Case IH 4408F-30 - (35.660.020) - HYDRAULIC FLIP-UP CYLINDER (35) - HYDRAULIC SYSTEMS
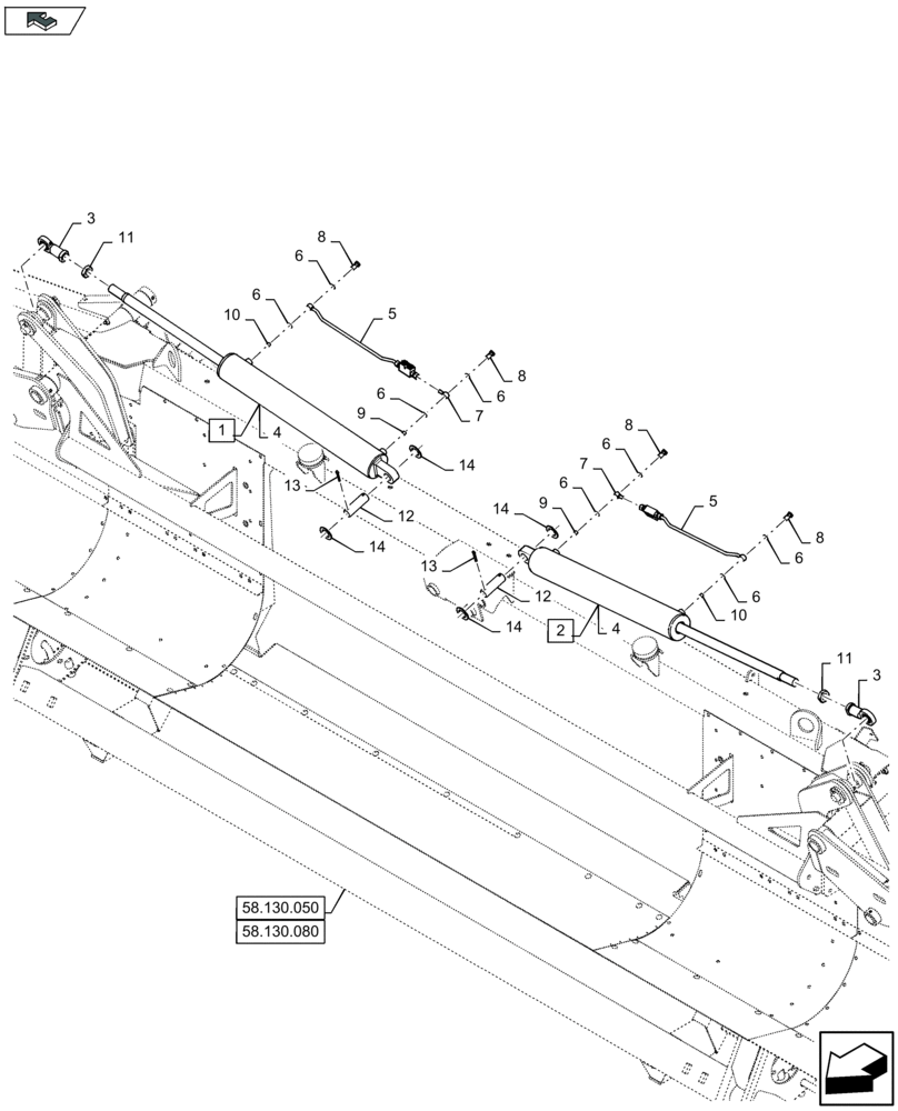
8
10
14
3
6
8
7
6
6
58.130.080
8
5
6
3
7
11
6
1
9
11
4
6
14
2
8
6
14
home
9
13
6
58.130.050
13
12
4
5
10
12
14
FIT
1:1
100%

Артикул

Название

Примечание

Количество

1

84577582

HYDRAULIC CYLINDER,Double Acting, 35mm Rod, 625mm Stroke

RH, Incl 3 - 11

1шт.

2

84577583

HYDRAULIC CYLINDER,Double Acting, 35mm Rod, 602mm Stroke

LH, Incl 3 - 11

1шт.

3

84590555

CLEVIS

1шт.

4

84590545

SEAL KIT

1шт.

5

84590561

VALVE

1шт.

6

84590568

SEALING RING

2шт.

7

84590565

BANJO BOLT

1шт.

8

84590563

BANJO BOLT

2шт.

9

47455203

RESTRICTOR

1шт.

10

47455206

RESTRICTOR

1шт.

11

84590559

NUT

1шт.

12

47469975

PIN

2шт.

13

300423

COTTER PIN,M6.3 x 50

4шт.

14

47466547

SPACER

4шт.

Выбрано товаров: 14