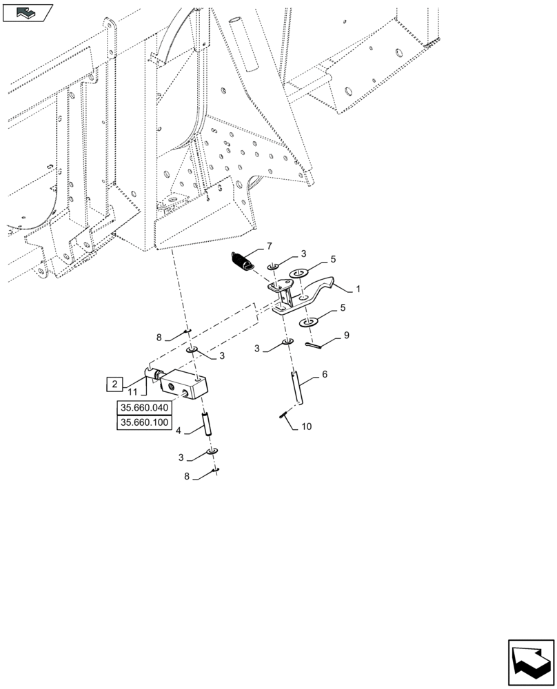
Запчасти Case IH 4408F-30 (35.660.030) - HYDRAULIC LIFT SYSTEM (35) - HYDRAULIC SYSTEMS

Схема запчастей Case IH 4408F-30 - (35.660.030) - HYDRAULIC LIFT SYSTEM (35) - HYDRAULIC SYSTEMS
home
3
5
8
10
7
5
4
3
3
2
11
8
35.660.100
1
35.660.040
9
3
6
FIT
1:1
100%

Артикул

Название

Примечание

Количество

1

322526850

HOOK

LH

1шт.

1

322526950

HOOK

RH

1шт.

2

84976698

HYDRAULIC CYLINDER

Incl 11

1шт.

3

355501520

WASHER

8шт.

4

322439750

PIN

2шт.

FOR 4406F-75, 4406F-80, 4408F-75, 4408F-80 AND 4408F-30 ONLY

1шт.

4

47374126

HITCH PIN,14mm OD x 67mm L

2шт.

FOR 4412F-30 ONLY

1шт.

5

355536320

WASHER

4шт.

6

322527550

PIN

2шт.

7

87326763

SPRING

2шт.

8

301614

SNAP RING,M14, Ext

4шт.

9

300423

COTTER PIN,M6.3 x 50

2шт.

10

130007

COTTER PIN,M4 x 25

4шт.

11

84976695

SEAL KIT

1шт.

Выбрано товаров: 15