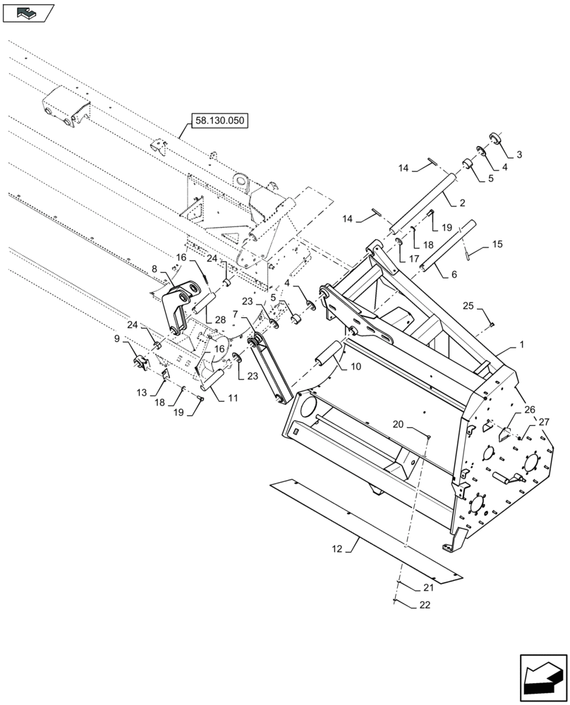
Запчасти Case IH 4408F-30 (58.130.040) - HEADER FRAME, LH (58) - ATTACHMENTS/HEADERS

Схема запчастей Case IH 4408F-30 - (58.130.040) - HEADER FRAME, LH (58) - ATTACHMENTS/HEADERS
24
15
26
21
12
14
23
58.130.050
home
22
17
20
16
18
4
11
19
16
6
7
24
13
2
25
4
9
3
18
27
5
5
23
19
1
28
8
14
10
FIT
1:1
100%

Артикул

Название

Примечание

Количество

1

47448516

FRAME

1шт.

FOR 4408F-75 ONLY

1шт.

1

84524702

FRAME

1шт.

FOR 4408F-80 AND 4408F-30 ONLY

1шт.

2

47392601

PIN

1шт.

3

322439150

BUSHING

1шт.

4

355545310

WASHER

3шт.

5

321933750

BUSHING

1шт.

6

84585068

PIN

1шт.

7

84590485

ARM

1шт.

8

84590486

ARM

1шт.

9

84976311

SUPPORT

1шт.

10

47392684

TUBE

1шт.

11

47469938

PIN

, Serial Range: -C669

1шт.

11

47712231

STRAIGHT PIN

, Start Serial: D670

1шт.

12

47448513

PLATE

1шт.

FOR 4408F-75 ONLY

1шт.

12

84590780

PLATE

1шт.

FOR 4408F-80 AND 4408F-30 ONLY

1шт.

13

322466750

PLATE,40mm OD x 0.56mm Thk

4шт.

14

388604

PIN,10mm OD x 55mm L, Slotted

3шт.

15

412689

LOCK PIN,8mm OD x 50mm L, Slotted

1шт.

16

300423

COTTER PIN,M6.3 x 50

2шт.

17

84593444

WASHER,13mm ID x 40mm OD x 7.37mm Thk

, Serial Range: -C669

1шт.

17

9838302

WASHER,13.5mm ID x 45mm OD x 6mm Thk

, Start Serial: D670

1шт.

18

140046

BELLEVILLE WASHER,M12 Bolt Size x 27mm OD x 1.8mm Thk

3шт.

19

9706687

BOLT,M12 x 1.75 x 30mm, Cl 8.8

3шт.

20

86507486

CARRIAGE BOLT,M8 x 1.25 x 20mm, Cl 8.8

4шт.

21

322358

BELLEVILLE WASHER,M8 Bolt Size x 18mm OD x 1.4mm Thk

4шт.

22

9706690

NUT,M8 x 1.25, Cl 8

4шт.

23

47466547

SPACER

2шт.

24

322100250

BUSHING

2шт.

25

9833239

THREADED INSERT

4шт.

26

47451477

ACCESS COVER

1шт.

27

86619801

FLANGE NUT,M8 x 1.25, Cl 8

1шт.

28

47506245

ARTICULATED SHAFT

1шт.

Выбрано товаров: 36