Запчасти Case IH 4416-30 (58.230.AI[04]) - SPRING, SPROCKET (58) - ATTACHMENTS/HEADERS

Схема запчастей Case IH 4416-30 - (58.230.AI[04]) - SPRING, SPROCKET (58) - ATTACHMENTS/HEADERS
13
11
10
2
6
15
5
4
14
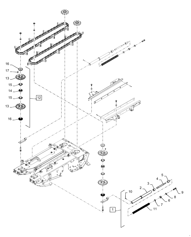
1
15
8
16
12
16
7
3
13
9
17
FIT
1:1
100%

Артикул

Название

Примечание

Количество

1

47451403

Incl 2 - 11

SPRING

1шт.

2

84351233

SERVICE KIT

1шт.

3

47451365

INSERT

1шт.

4

47451368

ROD

1шт.

5

47451371

INSERT

1шт.

6

84517240

RING

1шт.

7

84517319

WASHER

1шт.

8

10791411

THIN NUT,Thin, M16, 1.50mm Pitch, 8.00mm High, Cl 04, ZND

1шт.

9

84369592

BOLT

1шт.

10

325911

RIVET,Pop, 4.75mm OD x 7.4mm L

1шт.

11

47451414

COMPRESSION SPRING

1шт.

12

87473652

DRIVEN SPROCKET

Incl 13 - 17

1шт.

13

84170591

SPROCKET

2шт.

14

443898

BALL BEARING,25mm ID x 52mm OD x 15mm W

1шт.

15

84176302

OIL SEAL

2шт.

16

84170589

BUSHING

2шт.

17

84177562

SUPPORT

6шт.

Выбрано товаров: 17