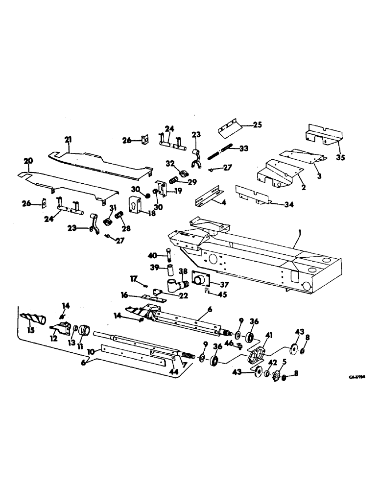
Запчасти Case IH 733 (L-24) - STALK ROLL FRAME, ROLLS & CONTROL, 733 S/N 576 & ABOVE, 734 S/N 537 & ABOVE (58) - ATTACHMENTS/HEADERS

Схема запчастей Case IH 733 - (L-24) - STALK ROLL FRAME, ROLLS & CONTROL, 733 S/N 576 & ABOVE, 734 S/N 537 & ABOVE (58) - ATTACHMENTS/HEADERS
43
9
1
42
8
2
6
38
27
5
21
8
14
33
30
44
40
34
25
4
26
46
15
24
24
41
23
19
17
27
9
39
10
31
6
36
45
43
22
18
26
14
32
12
28
35
37
11
20
3
13
36
29
7
16
23
30
FIT
1:1
100%

Артикул

Название

Примечание

Количество

1

173999C1

FRAME ASSY, stalk roll

3шт.

18695R1

CARRIAGE BOLT,Short Sq Nk, 7/16" - 14 x 1 1/4", Gr 2

BOLT, 7/16 x 1-1/4 sq-nk crg

12шт.

271501

SOCKET

NUT, 7/16 C-Z hex

12шт.

120383

LOCK WASHER,Helical Spring, 7/16"

WASHER, LOCK, 7/16"

12шт.

2

173392C1

SHIELD, stalk roll frame LH

2шт.

18508R1

CARRIAGE BOLT,Short Nk, 3/8" - 16 x 3/4", Gr 2, Full Thd

BOLT, 3/8 x 3/4 znd sq-nk crg

2шт.

120377

NUT,3/8" - 16, Gr 5

2шт.

120382

LOCK WASHER,Helical Spring, 3/8"

WASHER, LOCK, 3/8"

2шт.

3

173393C1

SHIELD, stalk roll frame RH

2шт.

18508R1

CARRIAGE BOLT,Short Nk, 3/8" - 16 x 3/4", Gr 2, Full Thd

BOLT, 3/8 x 3/4 znd sq-nk crg

2шт.

120377

NUT,3/8" - 16, Gr 5

2шт.

120382

LOCK WASHER,Helical Spring, 3/8"

WASHER, LOCK, 3/8"

2шт.

4

162826C1

ANGLE, stalk roll frame tie center, 733 corn head

2шт.

4

162828C1

ANGLE, stalk roll frame tie center, 734 corn head

2шт.

18794R1

BOLT,Hex, 7/16" - 14 x 1", Gr 2

7/16 x 1 znd hex-hd mach

8шт.

NLS

NO LONGER SERVICED

NUT, 7/16-14 C-Z hex

8шт.

120383

LOCK WASHER,Helical Spring, 7/16"

WASHER, LOCK, 7/16"

8шт.

5

SPROCKET, stalk roll driven, refer to stalk roll drive unit for listing

3шт.

6

173687C92

ROLL ASSY, left driver stalk, includes ref nos. 7, 10 thru 15, and 44

3шт.

6

173688C92

ROLL ASSY, right driven stalk, includes ref nos. 7, 10 thru 15, and 44

3шт.

7

175232C91

SHAFT ASSY, stalk roll driver, includes ref no. 11, 175236C1 or 175237C1

3шт.

7

175235C91

SHAFT ASSY, stalk roll driven, includes ref no. 11, 175236C1 or 175237C1

3шт.

19638R1

LOCK NUT,3/4"-16, GB

NUT, 3/4-16 znp nylon insert hex

6шт.

178139

WASHER, 1-3/16 C-Z med lock

6шт.

8

584253R1

WASHER

25/32 x 1-3/4 x 3/16 hard

6шт.

9

654297R1

WASHER

stalk roll shaft

6шт.

10

173375C1

KNIFE SECTION

SECTION, stalk roll knife no. 1

12шт.

10

173376C1

KNIFE SECTION

SECTION, stalk roll knife no. 2

12шт.

181694

BOLT,Hex, 1/2" - 20 x 7/8"

SCREW, 1/2 x 7/8 C-Z hex-hd cap

96шт.

138549

LOCK WASHER,Int Tooth, 1/2"

WASHER, LOCK, Int Tooth, 1/2"

96шт.

11

173693C1

SECTION, roll center LH, RH spiral, 733 serial no. 576 thru 861, 734 serial no. 537 thru 671

3шт.

11

173694C1

SECTION, roll center RH, LH spiral, 733 serial no. 576 thru 861, 734 serial no. 537 thru 671

3шт.

173704C1

PIN

5/16 x 2-3/8 groove

6шт.

11

175236C1

SECTION, roll center LH, RH spiral, 733 serial no. 862 and above, 734 serial no. 672 and above

3шт.

11

175237C1

SECTION, roll center RH, LH spiral, 733 serial no. 862 and above, 734 serial no. 672 and above

3шт.

175238C1

PIN, 3/8 x 2-3/4 hardened

6шт.

12

173695C91

SUPPORT

W/BUSHING, stalk roll LH

3шт.

12

173696C91

SUPPORT W/BUSHING, stalk roll RH, includes ref nos. 13 and 14

3шт.

13

173699C1

BUSHING,25.6mm ID x 33.4mm OD x 56.9mm L

stalk roll support

6шт.

14

109461

LUBE NIPPLE,1/8"-27 x .66 lg

NIPPLE, LUBE, , NPT 1/8"-27 x .66 lg

6шт.

15

173700C1

POINT, stalk roll LH

3шт.

15

173701C1

POINT, stalk roll RH

3шт.

173702C1

PIN

5/16 x 1-3/4 groove

6шт.

173703C1

PIN

5/16 x 2-1/4 groove

6шт.

16

162600C1

KNIFE

weed front LH

3шт.

16

162601C1

KNIFE

weed front RH

3шт.

113-206

BOLT,Hex, 3/8" - 16 x 3/4", Gr 5, Full Thd

3/8 x 3/4 C-Z hex-hd cap

18шт.

120382

LOCK WASHER,Helical Spring, 3/8"

WASHER, LOCK, 3/8"

18шт.

17

589713R1

SHIM

WASHER, weed knife shim

1шт.

18

162878C1

BRACKET, stalk roll shield adj screw LH

3шт.

18421R1

CARRIAGE BOLT,Short Sq Nk, 7/16" - 14 x 1", Gr 2

BOLT, CARRIAGE, Short NK, 7/16"-14 x 1", G5, Full Thd

6шт.

271501

SOCKET

NUT, 7/16 C-Z hex

6шт.

120383

LOCK WASHER,Helical Spring, 7/16"

WASHER, LOCK, 7/16"

6шт.

19

162879C1

BRACKET, stalk roll shield adj screw RH

3шт.

18421R1

CARRIAGE BOLT,Short Sq Nk, 7/16" - 14 x 1", Gr 2

BOLT, CARRIAGE, Short NK, 7/16"-14 x 1", G5, Full Thd

6шт.

NLS

NO LONGER SERVICED

NUT, 7/16 C-Z hex

6шт.

120383

LOCK WASHER,Helical Spring, 7/16"

WASHER, LOCK, 7/16"

6шт.

20

162886C93

SHIELD ASSY, stalk roll left

3шт.

21

162887C93

SHIELD ASSY, stalk roll right

3шт.

22

170376C1

SHIELD

stalk roll point LH

3шт.

22

170377C1

SHIELD

stalk roll point RH

3шт.

18508R1

CARRIAGE BOLT,Short Nk, 3/8" - 16 x 3/4", Gr 2, Full Thd

BOLT, 3/8 x 3/4 znd sq-nk crg

12шт.

120377

NUT,3/8" - 16, Gr 5

12шт.

120382

LOCK WASHER,Helical Spring, 3/8"

WASHER, LOCK, 3/8"

12шт.

23

156706C1

ARM, stalk roll shield adj lower

6шт.

125637

COTTER PIN,1/8" x 2"

PIN, SPLIT (COTTER), 1/8" x 2"

6шт.

576483R1

LOCK PIN,5/16" x 1 1/2", Slotted

Pin, 5/16" x 1 1/2", Slotted

6шт.

16543R1

WASHER, 5/32 x 7/16 x 18 ga C-Z

12шт.

24

166151C91

ARM ASSY, stalk roll shield control

6шт.

25

166154C2

SHIELD, stalk roll adj rod

3шт.

18421R1

CARRIAGE BOLT,Short Sq Nk, 7/16" - 14 x 1", Gr 2

BOLT, CARRIAGE, Short NK, 7/16"-14 x 1", G5, Full Thd

9шт.

271501

SOCKET

NUT, 7/16 C-Z hex

9шт.

120383

LOCK WASHER,Helical Spring, 7/16"

WASHER, LOCK, 7/16"

9шт.

26

156719C1

ANGLE, stalk roll shield control tube

12шт.

17351R1

CARRIAGE BOLT,Short Sq Nk, 3/8" - 16 x 1", Gr 2

BOLT, 3/8 x 1 C-Z sq-nk crg

24шт.

120377

NUT,3/8" - 16, Gr 5

24шт.

120382

LOCK WASHER,Helical Spring, 3/8"

WASHER, LOCK, 3/8"

24шт.

27

589457R1

SCREW, stalk roll shield adj nut

12шт.

492-11062

BEARING WASHER,5/8"

WASHER, LOCK, 5/8"

12шт.

28

156708C2

SCREW, stalk roll shield adj left

3шт.

29

156709C2

SCREW, stalk roll shield adj right

3шт.

30

M5895

COLLAR, stalk roll shield adj rod

4шт.

125843

SET SCREW,Hex Skt, 3/8"-16 x 3/8"

SCREW, 3/8 x 3/8 hex-soc-hd cup

4шт.

31

935560R1

NUT, stalk roll shield adj left

3шт.

32

935561R1

NUT, stalk roll shield adj right

3шт.

33

168540C1

SHAFT, stalk roll shield adj, 733 corn head

1шт.

33

168526C1

SHAFT, stalk roll shield adj, 734 corn head

1шт.

34

168490C2

SHIELD, stalk row frame LH

1шт.

18508R1

CARRIAGE BOLT,Short Nk, 3/8" - 16 x 3/4", Gr 2, Full Thd

BOLT, 3/8 x 3/4 C-Z sq-nk crg

1шт.

120377

NUT,3/8" - 16, Gr 5

1шт.

120382

LOCK WASHER,Helical Spring, 3/8"

WASHER, LOCK, 3/8"

1шт.

35

168491C2

SHIELD, stalk row frame RH

1шт.

18508R1

CARRIAGE BOLT,Short Nk, 3/8" - 16 x 3/4", Gr 2, Full Thd

BOLT, 3/8 x 3/4 C-Z sq-nk crg

1шт.

120377

NUT,3/8" - 16, Gr 5

1шт.

120382

LOCK WASHER,Helical Spring, 3/8"

WASHER, LOCK, 3/8"

1шт.

36

173735C91

BEARING ASSY

stalk roll housing ball

6шт.

37

162871C91

HUB ASSY, stalk roll support

6шт.

18421R1

CARRIAGE BOLT,Short Sq Nk, 7/16" - 14 x 1", Gr 2

BOLT, CARRIAGE, Short NK, 7/16"-14 x 1", G5, Full Thd

24шт.

NLS

NO LONGER SERVICED

NUT, 7/16 C-Z hex

24шт.

120383

LOCK WASHER,Helical Spring, 7/16"

WASHER, LOCK, 7/16"

24шт.

38

162876C2

ANCHOR, stalk roll support

6шт.

102609R1

LOCK NUT,3/4"-16

NUT, 3/4-16 znp nylon insert hex

6шт.

87340

LOCK WASHER,Helical Spring, 0.759" ID, CST, ZND

WASHER, LOCK, 3/4"

6шт.

22241R1

WASHER

1-3/32 x 1-3/4 x 16 ga C-Z

1шт.

21713R1

WASHER,25/32" x 1 3/4" x .120"

25/32 x 1-3/4 x 11 ga C-Z

6шт.

39

158783C1

BUSHING

stalk roll support

6шт.

40

161160C1

BOLT,Hex, 1/2" - 20 x 4", Drilled

stalk roll support

6шт.

125250

SLOTTED NUT,1/2"-20, G8

NUT, 1/2-20 C-Z slt-hex

6шт.

121224

SUPPORT

3/32" x 1"

6шт.

138549

LOCK WASHER,Int Tooth, 1/2"

WASHER, LOCK, Int Tooth, 1/2"

12шт.

41

153748C11

HOUSING W/BEARING, stalk roll, includes ref no. 36

3шт.

18695R1

CARRIAGE BOLT,Short Sq Nk, 7/16" - 14 x 1 1/4", Gr 2

BOLT, 7/16 x 1-1/4 C-Z sq-nk crg

12шт.

271501

SOCKET

NUT, 7/16 C-Z hex

12шт.

493-21046

LOCK WASHER,Int Tooth, 7/16"

7/16 C-Z int-tooth lock

12шт.

42

589696R1

BUSHING

SPACER, stalk roll driven sprocket

3шт.

43

580849R1

PINION

GEAR, stalk roll drive 20T

6шт.

44

174443C1

SHIM, stalk roll knife section .105

1шт.

44

175312C1

SHIM

stalk roll knife section .060

1шт.

45

175273C1

SHIM

lower stalk roll

1шт.

46

NOT USED IN THIS APPLICATION

1шт.

Выбрано товаров: 120