Запчасти Case IH 733 (L-42) - FEEDER, FEED CONVEYOR & MAIN DRIVE, 733 S/N 576 & ABOVE, 734 S/N 537 & ABOVE (58) - ATTACHMENTS/HEADERS

Схема запчастей Case IH 733 - (L-42) - FEEDER, FEED CONVEYOR & MAIN DRIVE, 733 S/N 576 & ABOVE, 734 S/N 537 & ABOVE (58) - ATTACHMENTS/HEADERS
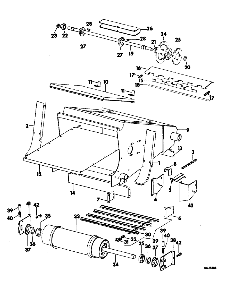
31
7
29
3
38
14
43
40
24
37
27
12
36
35
2
37
17
32
39
5
41
28
33
10
26
20
16
39
6
40
42
35
11
19
8
21
25
23
17
36
13
4
34
22
18
42
9
30
27
11
15
28
1
FIT
1:1
100%

Артикул

Название

Примечание

Количество

1

173663C1

CHANNEL, feeder adapter filler LH, 303 or 615 combine

1шт.

18421R1

CARRIAGE BOLT,Short Sq Nk, 7/16" - 14 x 1", Gr 2

BOLT, CARRIAGE, Short NK, 7/16"-14 x 1", G5, Full Thd

2шт.

271501

SOCKET

NUT, 7/16 C-Z hex

2шт.

120383

LOCK WASHER,Helical Spring, 7/16"

WASHER, LOCK, 7/16"

2шт.

2

173664C1

CHANNEL, feeder adapter filler RH, 303 or 615 combine

1шт.

18421R1

CARRIAGE BOLT,Short Sq Nk, 7/16" - 14 x 1", Gr 2

BOLT, CARRIAGE, Short NK, 7/16"-14 x 1", G5, Full Thd

2шт.

NLS

NO LONGER SERVICED

NUT, 7/16 C-Z hex

2шт.

120383

LOCK WASHER,Helical Spring, 7/16"

WASHER, LOCK, 7/16"

2шт.

3

CHAIN, main drive, use 181 links from a 10-ft roll marked 1793D and one connecting link 1786D

1шт.

4

173675C1

BRACKET, main drive chain tightener, 303 or 615 combine

1шт.

17140R1

CARRIAGE BOLT,Short Nk, 1/2" - 13 x 1 1/4", Gr 2, Full Thd

BOLT, 1/2 x 1-1/2 znd sq-nk crg

2шт.

120378

NUT,Hex, 1/2" - 13, Gr 5

NUT, 1/2"-13, G5

2шт.

120384

WASHER,1/2"

LOCK, 1/2"

2шт.

20601R1

WASHER

17/32 x 1-1/4 x 11 ga

2шт.

5

586291R1

TIGHTENER, main drive LH

1шт.

19041R1

BOLT,7/16"-14 x 1 1/4", G2, Full Thd

7/16 x 1-1/4 znd no. 3 plow

1шт.

19042R1

BOLT,7/16"-14 x 1 1/2", G2, Full Thd

7/16 x 1-1/2 znd no. 3 plow

1шт.

271501

SOCKET

NUT, 7/16-14 C-Z hex

2шт.

120383

LOCK WASHER,Helical Spring, 7/16"

WASHER, LOCK, 7/16"

2шт.

893862R1

WASHER

15/32 x 1-1/4 x 11 ga C-Z

1шт.

6

173679C2

SUPPORT, feeder lower LH, 303 or 615 combine

1шт.

18695R1

CARRIAGE BOLT,Short Sq Nk, 7/16" - 14 x 1 1/4", Gr 2

BOLT, 7/16 x 1-1/4 znd sq-nk crg

2шт.

17140R1

CARRIAGE BOLT,Short Nk, 1/2" - 13 x 1 1/4", Gr 2, Full Thd

BOLT, 1/2 x 1-1/4 znd sq-nk crg

2шт.

NLS

NO LONGER SERVICED

NUT, 7/16 C-Z hex

2шт.

120378

NUT,Hex, 1/2" - 13, Gr 5

NUT, 1/2"-13, G5

2шт.

120383

LOCK WASHER,Helical Spring, 7/16"

WASHER, LOCK, 7/16"

2шт.

120384

WASHER,1/2"

LOCK, 1/2"

2шт.

7

173680C2

SUPPORT, feeder lower RH, 303 or 615 combine

1шт.

18695R1

CARRIAGE BOLT,Short Sq Nk, 7/16" - 14 x 1 1/4", Gr 2

BOLT, 7/16 x 1-1/4 znd sq-nk crg

2шт.

17140R1

CARRIAGE BOLT,Short Nk, 1/2" - 13 x 1 1/4", Gr 2, Full Thd

BOLT, 1/2 x 1-1/4 znd sq-nk crg

2шт.

271501

SOCKET

NUT, 7/16 C-Z hex

2шт.

120378

NUT,Hex, 1/2" - 13, Gr 5

NUT, 1/2"-13, G5

2шт.

120383

LOCK WASHER,Helical Spring, 7/16"

WASHER, LOCK, 7/16"

2шт.

120384

WASHER,1/2"

LOCK, 1/2"

2шт.

8

173681C1

RETAINER, main drive chain

1шт.

19041R1

BOLT,7/16"-14 x 1 1/4", G2, Full Thd

7/16 x 1-1/4 znd no. 3 plow

1шт.

NLS

NO LONGER SERVICED

NUT, 7/16 znd hex

1шт.

120383

LOCK WASHER,Helical Spring, 7/16"

WASHER, LOCK, 7/16"

1шт.

9

173542C1

FEEDER ASSY, 303 or 615 combine

1шт.

9

173609C1

FEEDER ASSY, 403 or 715 combine

1шт.

18696R1

CARRIAGE BOLT,Short Sq Nk, 7/16" - 14 x 1 1/2", Gr 2

BOLT, 7/16 x 1-1/2 znd sq-nk crg

2шт.

17433R1

HARDWARE,Hex, 1/2" - 13 x 1", Gr 2

BOLT, 1/2 x 1 znd hex-hd mach

1шт.

17452R1

BOLT,Hex, 1/2"-13 x 1 1/4", G2

1/2 x 1-1/2 hex-hd mach

1шт.

271501

SOCKET

NUT, 7/16 C-Z hex

2шт.

120378

NUT,Hex, 1/2" - 13, Gr 5

NUT, 1/2"-13, G5

1шт.

120383

LOCK WASHER,Helical Spring, 7/16"

WASHER, LOCK, 7/16"

2шт.

120384

WASHER,1/2"

LOCK, 1/2"

1шт.

10

173617C1

COVER, feeder frame, 303 or 615 combine

1шт.

10

173621C1

COVER, feeder frame, 403 or 715 combine

1шт.

11

586803R1

SUPPORT, feeder frame cover

2шт.

12872R1

BOLT,Short NK, 5/16"-18 x 1", G2, Full Thd

CARRIAGE, Short NK, 5/16"-18 x 1", G2, Full Thd

2шт.

231-1445

NUT,5/16"-18, GB

NUT, 5/16-18 znd nylon insert

2шт.

619855R1

WASHER

11/32 x 3/4 x 16 ga C-Z

6шт.

12

173618C1

BOTTOM FEEDER, 303 or 615 combine

1шт.

12

173622C1

BOTTOM, feeder, 403 or 715 combine

1шт.

18508R1

CARRIAGE BOLT,Short Nk, 3/8" - 16 x 3/4", Gr 2, Full Thd

BOLT, 3/8 x 3/4 znd sq-nk crg

1шт.

120377

NUT,3/8" - 16, Gr 5

1шт.

120382

LOCK WASHER,Helical Spring, 3/8"

WASHER, LOCK, 3/8"

1шт.

13

173619C1

SUPPORT, feeder bottom cross rear, 303 or 615 combine

1шт.

13

173623C1

SUPPORT, feeder bottom cross rear, 403 or 715 combine

1шт.

17351R1

CARRIAGE BOLT,Short Sq Nk, 3/8" - 16 x 1", Gr 2

BOLT, 3/8 x 1 znd sq-nk crg

4шт.

120377

NUT,3/8" - 16, Gr 5

4шт.

120382

LOCK WASHER,Helical Spring, 3/8"

WASHER, LOCK, 3/8"

4шт.

14

173620C1

SUPPORT, feeder bottom cross front, 303 or 615 combine

1шт.

14

173624C1

SUPPORT, feeder bottom cross front, 403 or 715 combine

1шт.

17351R1

CARRIAGE BOLT,Short Sq Nk, 3/8" - 16 x 1", Gr 2

BOLT, 3/8 x 1 znd sq-nk crg

4шт.

120377

NUT,3/8" - 16, Gr 5

4шт.

120382

LOCK WASHER,Helical Spring, 3/8"

WASHER, LOCK, 3/8"

4шт.

15

629008R2

HINGE, feeder extension, 303 or 615 combine

1шт.

15

589037R2

HINGE, feeder extension, 403 or 715 combine

1шт.

18508R1

CARRIAGE BOLT,Short Nk, 3/8" - 16 x 3/4", Gr 2, Full Thd

BOLT, 3/8 x 3/4 znd sq-nk crg

1шт.

120377

NUT,3/8" - 16, Gr 5

1шт.

120382

LOCK WASHER,Helical Spring, 3/8"

WASHER, LOCK, 3/8"

1шт.

16

632296R11

EXTENSION ASSY, feeder frame bottom, all 303 combines and 615 combine w/o stone retarder serial no. 2580 and below

1шт.

16

173749C1

EXTENSION ASSY, feeder frame bottom, 615 combine w/stone retarder serial no. 2580 and below, all 615 combine serial no. 2581 and above

1шт.

16

632298R11

EXTENSION ASSY, feeder frame bottom, all 403 combines and 715 combine w/o stone retarder serial no. 3250 and below

1шт.

16

173751C1

EXTENSION ASSY, feeder frame bottom, 715 combine w/stone retarder serial no. 3250 and below, all 715 combine serial no. 3251 and above

1шт.

17

VC682

VALVE SPRING

SPRING, feeder frame bottom ext

2шт.

18807R1

BOLT

7/16 x 5-1/2 hex-hd mach

2шт.

231-1447

NUT,7/16"-14, GB

NUT, LOCK, 7/16"-14, GB

2шт.

21763R1

WASHER

15/32 x 3/4 x 11 ga C-Z

8шт.

21029R1

WASHER

15/32 x 1 x 11 ga C-Z

4шт.

18

629006R1

ROD, feeder extension, 303 or 615 combine

1шт.

18

589386R1

ROD

feeder extension, 403 or 715 combine

1шт.

19

173625C1

SHAFT ASSY, feeder pivot, 303 or 615 combine

1шт.

19

173627C1

SHAFT ASSY, feeder pivot, 403 or 715 combine

1шт.

70121D

NUT

1-14 slt-hex jam

1шт.

125637

COTTER PIN,1/8" x 2"

PIN, SPLIT (COTTER), 1/8" x 2"

1шт.

492-11100

LOCK WASHER,1"

WASHER, LOCK, 1"

1шт.

20

174115C1

WASHER, feeder pivot shaft

1шт.

21

571588R91

BALL BEARING

BEARING ASSY, conveyor shaft LH

1шт.

22

256557R91

BEARING

ASSY, conveyor shaft RH

1шт.

23

557113R11

COLLAR

RH bearing locking

1шт.

102592

SET SCREW,Hex Skt, 3/8" - 16 x 3/8"

SCREW, 3/8 x 3/8 hex-soc-hd cup-pt

1шт.

24

173630C1

SPROCKET, feeder driven 37T, 303 or 615 combine

1шт.

24

173631C1

SPROCKET, feeder driven 33T, 403 or 715 combine

1шт.

25

162228C1

SPROCKET, main drive 32T

1шт.

18779R1

BOLT,Hex, 3/8"-16 x 1 1/2", Gr 2

3/8 x 1-1/2 hex-hd mach

4шт.

120377

NUT,3/8" - 16, Gr 5

4шт.

120382

LOCK WASHER,Helical Spring, 3/8"

WASHER, LOCK, 3/8"

4шт.

26

173632C1

SHIELD, feeder shaft inner, 303 or 615 combine

1шт.

26

173633C1

SHIELD

feeder shaft inner, 403 or 715 combine

1шт.

16897R1

CARRIAGE BOLT,Short Nk, 5/16" - 18 x 3/4", Gr 2, Full Thd

BOLT, 5/16 x 3/4 znd sq-nk crg

6шт.

120376

NUT,5/16"-18, G5

6шт.

80681

LOCK WASHER,5/16"

WASHER, LOCK, 5/16"

6шт.

27

173643C1

SPROCKET ASSY.

SPROCKET, feed conveyor chain drive 8T

2шт.

102580

GUIDE

SCREW, 5/16 x 1/4 cup-pt set

4шт.

28

126-148

WOODRUFF KEY,#29, 3/8" x 2 1/8", HT

KEY, 3/8 x 2-1/8 no. 29 Woodruff

2шт.

29

173634C91

CONVEYOR ASSY, feeder, 303 or 615 combine, includes ref nos. 30, 31 and 32

1шт.

29

173636C91

CONVEYOR

ASSY, feeder, 403 or 715 combine, includes ref nos. 30, 31 and 32

1шт.

30

939191R1

SLAT, feed conveyor, 303 or 615 combine

16шт.

30

173637C1

SLAT, feed conveyor, 403 or 715 combine

16шт.

104264

RIVET,FH, 5/16" x 5/8"

5/16 x 5/8 small F-HD

64шт.

31

151884C91

LINK

attaching

1шт.

32

587371R93

DRAG LINK

LINK, connecting

1шт.

33

173638C1

DRUM ASSY, feed conveyor, 303 or 615 combine

1шт.

33

173640C1

DRUM ASSY, feed conveyor, 403 or 715 combine

1шт.

NLS

NO LONGER SERVICED

NUT, 7/16 C-Z hex

6шт.

120383

LOCK WASHER,Helical Spring, 7/16"

WASHER, LOCK, 7/16"

6шт.

34

173641C1

SHAFT, feed conveyor drum, 303 or 615 combine

1шт.

34

173642C1

SHAFT, feed conveyor drum, 403 or 715 combine

1шт.

35

455965R91

BALL BEARING,1.0005" ID x 52 mm OD x 15 mm

ASSY, conveyor shaft ball

2шт.

36

455102R11

COLLAR

ASSY, drum bearing

2шт.

83-1254

SET SCREW,Hex Soc, 1/4"-20 x 1/4"

SCREW, 1/4 x 1/4 hex-soc-hd

2шт.

37

165360C1

FLANGED BEARING,95.2 mm OD x 8.74 mm

FLANGE, conveyor drum bearing

2шт.

38

938977R92

BRACKET ASSY, conveyor drum LH

1шт.

18421R1

CARRIAGE BOLT,Short Sq Nk, 7/16" - 14 x 1", Gr 2

BOLT, CARRIAGE, Short NK, 7/16"-14 x 1", G5, Full Thd

4шт.

271501

SOCKET

NUT, 7/16 C-Z hex

4шт.

120383

LOCK WASHER,Helical Spring, 7/16"

WASHER, LOCK, 7/16"

4шт.

39

H39274

SPACER,1/2" Pipe x 1 1/2"

conveyor drum adj bolt

2шт.

40

PO144

SPRING

conveyor drum adj bolt

2шт.

231-1448

NUT,1/2"-13, GB

1/2 znd nylon insert

2шт.

189315

BOLT,Hex, 1/2" - 13 x 6 1/2", Gr 5

SCREW, 1/2 x 6-1/2 hex-hd cap

2шт.

178373R1

WASHER

17/32 x 1 x 16 ga C-Z

8шт.

41

938978R92

BRACKET ASSY, conveyor drum RH

1шт.

18421R1

CARRIAGE BOLT,Short Sq Nk, 7/16" - 14 x 1", Gr 2

BOLT, CARRIAGE, Short NK, 7/16"-14 x 1", G5, Full Thd

4шт.

NLS

NO LONGER SERVICED

NUT, 7/16 C-Z hex

4шт.

120383

LOCK WASHER,Helical Spring, 7/16"

WASHER, LOCK, 7/16"

4шт.

42

158863C2

ROD, feed conveyor chain tightener

2шт.

17140R1

CARRIAGE BOLT,Short Nk, 1/2" - 13 x 1 1/4", Gr 2, Full Thd

BOLT, 1/2 x 1-1/4 znd sq-nk crg

2шт.

120378

NUT,Hex, 1/2" - 13, Gr 5

NUT, 1/2"-13, G5

6шт.

120384

WASHER,1/2"

LOCK, 1/2"

6шт.

43

173676C1

BRACKET, main drive chain tightener, 403 or 715 combine

1шт.

17140R1

CARRIAGE BOLT,Short Nk, 1/2" - 13 x 1 1/4", Gr 2, Full Thd

BOLT, 1/2 x 1-1/4 znd sq-nk crg

2шт.

120378

NUT,Hex, 1/2" - 13, Gr 5

NUT, 1/2"-13, G5

2шт.

120384

WASHER,1/2"

LOCK, 1/2"

2шт.

20601R1

WASHER

17/32 x 1-1/4 x 11 ga

2шт.

Выбрано товаров: 147