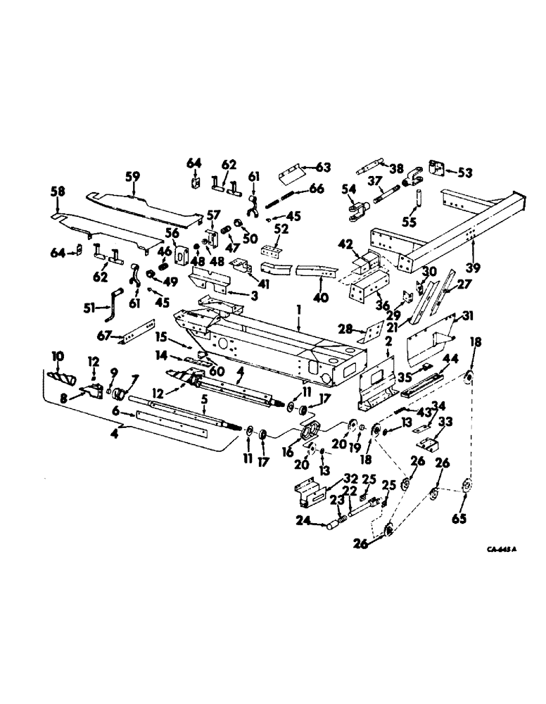
Запчасти Case IH 743 (M-18) - STALK ROLL FRAME, ROLLS AND DRIVE, 743 S/N 979 & BELOW, 744 S/N 2019 & BELOW (58) - ATTACHMENTS/HEADERS

Схема запчастей Case IH 743 - (M-18) - STALK ROLL FRAME, ROLLS AND DRIVE, 743 S/N 979 & BELOW, 744 S/N 2019 & BELOW (58) - ATTACHMENTS/HEADERS
39
8
33
14
58
17
15
54
46
28
50
2
40
67
66
62
24
34
26
57
51
13
20
48
55
20
38
3
44
42
11
12
11
63
36
59
45
32
18
19
52
7
26
10
31
64
6
65
43
53
41
25
37
13
17
22
35
60
21
23
25
4
5
62
4
26
16
47
27
29
45
64
61
9
48
18
56
49
61
30
1
12
FIT
1:1
100%

Артикул

Название

Примечание

Количество

175248C91

STALK ROLL CONVERSION PACKAGE, parts accessories, available for converting from intermesh type rolls to knife type rolls

4шт.

1

162514C92

FRAME ASSY, stalk roll

4шт.

18695R1

CARRIAGE BOLT,Short Sq Nk, 7/16" - 14 x 1 1/4", Gr 2

BOLT, 7/16 x 1-1/4 sq-nk crg

16шт.

271501

SOCKET

NUT, 7/16 C-Z hex

16шт.

120383

LOCK WASHER,Helical Spring, 7/16"

WASHER, LOCK, 7/16"

16шт.

2

163312C11

BRACKET ASSY, stalk roll frame

4шт.

18421R1

CARRIAGE BOLT,Short Sq Nk, 7/16" - 14 x 1", Gr 2

BOLT, CARRIAGE, Short NK, 7/16"-14 x 1", G5, Full Thd

16шт.

18695R1

CARRIAGE BOLT,Short Sq Nk, 7/16" - 14 x 1 1/4", Gr 2

BOLT, 7/16 x 1-1/4 sq-nk crg

12шт.

NLS

NO LONGER SERVICED

NUT, 7/16 C-Z hex

28шт.

120383

LOCK WASHER,Helical Spring, 7/16"

WASHER, LOCK, 7/16"

28шт.

3

168490C2

SHIELD, stalk roll frame LH

4шт.

3

168491C2

SHIELD, stalk roll frame RH

4шт.

18508R1

CARRIAGE BOLT,Short Nk, 3/8" - 16 x 3/4", Gr 2, Full Thd

BOLT, 3/8 x 3/4 C-Z sq-nk crg

8шт.

120377

NUT,3/8" - 16, Gr 5

8шт.

120382

LOCK WASHER,Helical Spring, 3/8"

WASHER, LOCK, 3/8"

8шт.

4

162590C91

ROLL ASSY, left driver stalk

2шт.

4

162593C91

ROLL ASSY, right driver stalk

2шт.

4

162591C91

ROLL ASSY, left driven stalk

2шт.

4

162592C91

ROLL ASSY, right driven stalk, includes ref nos. 5 thru 10 & 12

2шт.

5

162595C1

SHAFT, stalk roll driver

4шт.

5

162594C1

SHAFT, stalk roll driven

4шт.

19638R1

LOCK NUT,3/4"-16, GB

NUT, 3/4 znp nylon insert hex

8шт.

178139

WASHER, 1-3/16 C-Z med lock

8шт.

6

162586C1

BAR

SECTION, stalk roll intermesh

32шт.

181694

BOLT,Hex, 1/2" - 20 x 7/8"

SCREW, 1/2 x 7/8 hex-hd cap

128шт.

138549

LOCK WASHER,Int Tooth, 1/2"

WASHER, LOCK, Int Tooth, 1/2"

128шт.

7

162598C1

POINT, stalk roll center LH spiral

4шт.

7

162599C1

POINT, stalk roll center RH spiral

4шт.

169047C1

PIN

5/16 x 2-3/8 groove

8шт.

8

162587C11

SUPPORT ASSY, stalk roll inner

4шт.

8

162588C11

SUPPORT ASSY, stalk roll outer, includes ref nos. 9 and 12

4шт.

9

162589C1

BUSHING

stalk roll support

16шт.

10

162596C1

ROLL

POINT, stalk roll front LH spiral

4шт.

10

162597C1

POINT

stalk roll front RH spiral

4шт.

168102C1

PIN

5/16 x 2 groove

8шт.

11

654297R1

WASHER

stalk roll shaft

8шт.

12

219-8

LUBE NIPPLE,1/4" - 28 NPTF

FITTING, 1/4-28 NF str lub

8шт.

13

584253R1

WASHER

25/32 x 1-3/4 x 3/16

8шт.

14

162600C1

KNIFE

weed front LH

4шт.

14

162601C1

KNIFE

weed front RH

4шт.

113-206

BOLT,Hex, 3/8" - 16 x 3/4", Gr 5, Full Thd

3/8 x 3/4 C-Z hex-hd cap

24шт.

120382

LOCK WASHER,Helical Spring, 3/8"

WASHER, LOCK, 3/8"

24шт.

15

589713R1

SHIM

WASHER, weed knife shim

1шт.

16

153748C11

HOUSING W/BEARING, stalk roll, includes ref. no. 17

4шт.

18695R1

CARRIAGE BOLT,Short Sq Nk, 7/16" - 14 x 1 1/4", Gr 2

BOLT, 7/16 x 1-1/4 sq-nk crg

16шт.

271501

SOCKET

NUT, 7/16 C-Z hex

16шт.

131718

SHIM

7/16 C-Z int-tooth lock

16шт.

17

156030C91

BEARING

ASSY, stalk roll housing

8шт.

18

163349C1

SPROCKET ASSY.

SPROCKET, stalk roll driven 15T

4шт.

19

589696R1

BUSHING

SPACER, stalk roll driven sprocket

4шт.

20

580849R1

PINION

GEAR, stalk roll drive 20T

8шт.

21

162908C1

ANGLE, feeder extension vertical LH, 743CH serial no. 501 to 794, 744CH serial no. 501 & above

1шт.

18421R1

CARRIAGE BOLT,Short Sq Nk, 7/16" - 14 x 1", Gr 2

BOLT, CARRIAGE, Short NK, 7/16"-14 x 1", G5, Full Thd

4шт.

NLS

NO LONGER SERVICED

NUT, 7/16 C-Z hex

4шт.

120383

LOCK WASHER,Helical Spring, 7/16"

WASHER, LOCK, 7/16"

4шт.

22

151656C91

YOKE ASSY, stalk roll drive chain

2шт.

21353R1

NUT, 7/8 znp nylon insert hex

2шт.

21212R1

WASHER

25/32 x 2 x 11 ga C-Z

2шт.

23

544

CANVAS

SPRING, drive chain tightener rod

2шт.

24

589856R1

SPACER, drive chain tightener

2шт.

25

156691C1

BAR

BLOCK, stalk roll dr chain tgtener

4шт.

26

629972R91

DRIVE SPROCKET,15T

SPROCKET ASSY, chain idler & tgtner

6шт.

18825R1

BOLT,Hex, 5/8" - 11 x 2 3/4", Gr 2

5/8 x 2-3/4 hex-hd mach

2шт.

18827R1

BOLT,Hex, 5/8" - 11 x 3 1/2", Gr 2

5/8 x 3-1/2 hex-hd mach

4шт.

280374

NUT,Hex, 5/8" - 11, Gr 5

5/8 C-Z hex

6шт.

492-11062

BEARING WASHER,5/8"

WASHER, LOCK, 5/8"

6шт.

21782R1

WASHER

21/32 x 1-1/2 x 16 ga

4шт.

464623R1

WASHER

21/32 x 1-1/2 x 11 ga

1шт.

27

162909C1

ANGLE, feeder extension vertical RH, 743CH serial no. 501 to 794, 744CH serial no. 501 & above

1шт.

18421R1

CARRIAGE BOLT,Short Sq Nk, 7/16" - 14 x 1", Gr 2

BOLT, CARRIAGE, Short NK, 7/16"-14 x 1", G5, Full Thd

4шт.

271501

SOCKET

NUT, 7/16 C-Z hex

4шт.

120383

LOCK WASHER,Helical Spring, 7/16"

WASHER, LOCK, 7/16"

4шт.

28

162907C1

BRACKET, feeder extension vertical, 743CH serial no. 501 to 794, 744CH serial no. 501 & above

1шт.

18695R1

CARRIAGE BOLT,Short Sq Nk, 7/16" - 14 x 1 1/4", Gr 2

BOLT, 7/16 x 1-1/4 C-Z sq-nk crg

3шт.

NLS

NO LONGER SERVICED

NUT, 7/16 C-Z hex

3шт.

120383

LOCK WASHER,Helical Spring, 7/16"

WASHER, LOCK, 7/16"

3шт.

29

162951C1

BRACKET, stalk roll frame brace LH, 743CH serial no. 501 to 794, 744CH serial no. 501 & above

1шт.

18421R1

CARRIAGE BOLT,Short Sq Nk, 7/16" - 14 x 1", Gr 2

BOLT, CARRIAGE, Short NK, 7/16"-14 x 1", G5, Full Thd

2шт.

271501

SOCKET

NUT, 7/16 C-Z hex

2шт.

120383

LOCK WASHER,Helical Spring, 7/16"

WASHER, LOCK, 7/16"

2шт.

30

162952C1

BRACKET, stalk roll frame brace RH, 743CH serial no. 501 to 794, 744CH serial no. 501 & above

1шт.

18421R1

CARRIAGE BOLT,Short Sq Nk, 7/16" - 14 x 1", Gr 2

BOLT, CARRIAGE, Short NK, 7/16"-14 x 1", G5, Full Thd

2шт.

NLS

NO LONGER SERVICED

NUT, 7/16 C-Z hex

2шт.

120383

LOCK WASHER,Helical Spring, 7/16"

WASHER, LOCK, 7/16"

2шт.

31

168033C1

SHIELD ASSY, stalk roll drive chain LH

1шт.

31

168034C1

SHIELD ASSY, stalk roll drive chain RH, 743 corn head

1шт.

31

168397C2

SHIELD ASSY, stalk roll drive chain LH

1шт.

31

168398C2

SHIELD ASSY, stalk roll drive chain RH, 744 corn head

1шт.

12872R1

BOLT,Short NK, 5/16"-18 x 1", G2, Full Thd

CARRIAGE, Short NK, 5/16"-18 x 1", G2, Full Thd

1шт.

17351R1

CARRIAGE BOLT,Short Sq Nk, 3/8" - 16 x 1", Gr 2

BOLT, 3/8 x 1 znd sq-nk crg

1шт.

20485R1

BOLT,Short NK, 7/16"-14 x 3/4", G5. Full Thd

7/16 x 3/4 C-Z sq-nk crg

1шт.

18421R1

CARRIAGE BOLT,Short Sq Nk, 7/16" - 14 x 1", Gr 2

BOLT, CARRIAGE, Short NK, 7/16"-14 x 1", G5, Full Thd

1шт.

120376

NUT,5/16"-18, G5

1шт.

120377

NUT,3/8" - 16, Gr 5

1шт.

271501

SOCKET

NUT, 7/16 C-Z hex

1шт.

80681

LOCK WASHER,5/16"

WASHER, LOCK, 5/16"

1шт.

120382

LOCK WASHER,Helical Spring, 3/8"

WASHER, LOCK, 3/8"

1шт.

120383

LOCK WASHER,Helical Spring, 7/16"

WASHER, LOCK, 7/16"

1шт.

32

169197C1

BRACKET ASSY, stalk roll drive tightener LH, 743 corn head

1шт.

32

162612C91

BRACKET ASSY, stalk roll drive tightener LH, 744 corn head

1шт.

32

169198C1

BRACKET ASSY, stalk roll drive tightener RH, 743 corn head

1шт.

32

162613C91

BRACKET ASSY, stalk roll drive tightener RH, 744 corn head

1шт.

18421R1

CARRIAGE BOLT,Short Sq Nk, 7/16" - 14 x 1", Gr 2

BOLT, CARRIAGE, Short NK, 7/16"-14 x 1", G5, Full Thd

1шт.

NLS

NO LONGER SERVICED

NUT, 7/16 C-Z hex

1шт.

120383

LOCK WASHER,Helical Spring, 7/16"

WASHER, LOCK, 7/16"

1шт.

33

169138C1

BRACKET, stalk roll drive idler LH, 744 corn head

1шт.

33

169139C1

BRACKET, stalk roll drive idler RH, 744 corn head

1шт.

18696R1

CARRIAGE BOLT,Short Sq Nk, 7/16" - 14 x 1 1/2", Gr 2

BOLT, 7/16 x 1-1/2 znd sq-nk crg

4шт.

271501

SOCKET

NUT, 7/16 C-Z hex

4шт.

120383

LOCK WASHER,Helical Spring, 7/16"

WASHER, LOCK, 7/16"

4шт.

21763R1

WASHER

15/32 x 3/4 x 11 ga C-Z

4шт.

34

169171C1

SPACER, stalk roll drive idler bracket, 744 corn head

2шт.

35

169131C1

SUPPORT, outer drive chain shield, 744CH serial no. 1286 & above

2шт.

17351R1

CARRIAGE BOLT,Short Sq Nk, 3/8" - 16 x 1", Gr 2

BOLT, 3/8 x 1 znd sq-nk crg

4шт.

120377

NUT,3/8" - 16, Gr 5

4шт.

120382

LOCK WASHER,Helical Spring, 3/8"

WASHER, LOCK, 3/8"

4шт.

36

166778C91

SUPPORT ASSY, feeder extension diagonal LH, 743CH serial no. 794 & below

1шт.

36

166808C91

SUPPORT ASSY, feeder extension diagonal LH, 744 corn head

1шт.

36

166779C91

SUPPORT ASSY, feeder extension diagonal RH, 743CH serial no. 794 & below

1шт.

36

166809C91

SUPPORT ASSY, feeder extension diagonal RH, 744 corn head

1шт.

18421R1

CARRIAGE BOLT,Short Sq Nk, 7/16" - 14 x 1", Gr 2

BOLT, CARRIAGE, Short NK, 7/16"-14 x 1", G5, Full Thd

26шт.

NLS

NO LONGER SERVICED

NUT, 7/16 C-Z hex

26шт.

120383

LOCK WASHER,Helical Spring, 7/16"

WASHER, LOCK, 7/16"

26шт.

37

167061C1

SHAFT, diagonal support, 743 corn head

2шт.

9849633

NUT,1"-8, G5

2шт.

38

167803C1

PIPE ASSY, diagonal support, 744 corn head

2шт.

9849633

NUT,1"-8, G5

2шт.

39

169143C2

EXTENSION ASSY, feeder frame, 743 corn head

1шт.

39

162910C91

EXTENSION ASSY, feeder frame, 744 corn head

1шт.

18421R1

CARRIAGE BOLT,Short Sq Nk, 7/16" - 14 x 1", Gr 2

BOLT, CARRIAGE, Short NK, 7/16"-14 x 1", G5, Full Thd

8шт.

18695R1

CARRIAGE BOLT,Short Sq Nk, 7/16" - 14 x 1 1/4", Gr 2

BOLT, 7/16 x 1-1/4 C-Z sq-nk crg

4шт.

271501

SOCKET

NUT, 7/16 C-Z hex

12шт.

120383

LOCK WASHER,Helical Spring, 7/16"

WASHER, LOCK, 7/16"

12шт.

40

162905C1

ANGLE, stalk roll frame brace LH, 743CH serial no. 794 & below, 744CH serial no. 501 & above

1шт.

40

162906C1

ANGLE, stalk roll frame brace RH, 743CH serial no. 794 & below, 744CH serial no. 501 and above

1шт.

40

163247C1

ANGLE, stalk roll outer frame support LH, 28 and 36 inch rows, 743CH serial no. 794 & below, 744CH serial no. 1285 & below

1шт.

40

169068C1

ANGLE, stalk roll outer frame supt. LH, 28 and 36 inch rows, 743CH serial no. 795 & above, 744CH serial no. 1286 & above

1шт.

40

163248C1

ANGLE, stalk roll outer frame support RH, 28 and 36 inch rows, 743CH serial no. 794 & below, 744CH serial no. 1285 & below

1шт.

40

169069C1

ANGLE, stalk roll outer frame supt. RH, 28 and 36 inch rows, 743CH serial no. 795 & above, 744CH serial no. 1286 & above

1шт.

40

163249C1

ANGLE, stalk roll outer frame supt. LH, 30, 32, 38 and 40 inch rows, 743CH serial no. 794 & below, 744CH serial no. 1285 & below

1шт.

40

163250C1

ANGLE, stalk roll outer frame supt. RH, 30, 32, 38 and 40 inch rows, 743CH serial no. 794 & below, 744CH serial no. 1285 & below

1шт.

40

169064C1

ANGLE, stalk roll outer frame supt. LH, 30 and 38 inch rows, 743CH serial no. 795 & above, 744CH serial no. 1286 & above

1шт.

40

169065C1

ANGLE, stalk roll outer frame supt. RH, 30 and 38 inch rows, 743CH serial no. 795 & above, 744CH serial no. 1286 & above

1шт.

40

169066C1

ANGLE, stalk roll outer frame supt. LH, 32 and 40 inch rows, 743CH serial no. 795 & above, 744CH serial no. 1286 & above

1шт.

40

169067C1

ANGLE, stalk roll outer frame supt. RH, 32 and 40 inch rows, 743CH serial no. 795 & above, 744CH serial no. 1286 & above

1шт.

18421R1

CARRIAGE BOLT,Short Sq Nk, 7/16" - 14 x 1", Gr 2

BOLT, CARRIAGE, Short NK, 7/16"-14 x 1", G5, Full Thd

1шт.

18695R1

CARRIAGE BOLT,Short Sq Nk, 7/16" - 14 x 1 1/4", Gr 2

BOLT, 7/16 x 1-1/4 C-Z sq-nk crg

1шт.

NLS

NO LONGER SERVICED

NUT, 7/16 C-Z hex

1шт.

120383

LOCK WASHER,Helical Spring, 7/16"

WASHER, LOCK, 7/16"

1шт.

41

167013C91

SUPPORT ASSY, stalk roll angle, 743CH serial no. 794 & below, 744CH serial no. 1285 & below

2шт.

18421R1

CARRIAGE BOLT,Short Sq Nk, 7/16" - 14 x 1", Gr 2

BOLT, CARRIAGE, Short NK, 7/16"-14 x 1", G5, Full Thd

8шт.

271501

SOCKET

NUT, 7/16 C-Z hex

8шт.

120383

LOCK WASHER,Helical Spring, 7/16"

WASHER, LOCK, 7/16"

8шт.

42

167811C1

EXTENSION ASSY, feeder upper LH

1шт.

42

167812C1

EXTENSION ASSY, feeder upper RH

1шт.

18421R1

CARRIAGE BOLT,Short Sq Nk, 7/16" - 14 x 1", Gr 2

BOLT, CARRIAGE, Short NK, 7/16"-14 x 1", G5, Full Thd

8шт.

NLS

NO LONGER SERVICED

NUT, 7/16-14 hex

8шт.

120383

LOCK WASHER,Helical Spring, 7/16"

WASHER, LOCK, 7/16"

8шт.

43

CHAIN ASSY, stalk roll drive roller, 28 inch rows, use 133 links from 10-ft roll marked 1793D and 1 connecting link 1786D

2шт.

43

CHAIN ASSY, stalk roll drive roller, 30 inch rows, use 137 links from 10-ft roll marked 1793D and 1 connecting link 1786D

2шт.

43

CHAIN ASSY, stalk roll drive roller, 32 inch rows, use 141 links from 10-ft roll marked 1793D and 1 connecting link 1786D

2шт.

43

CHAIN ASSY, stalk roll drive roller, 36 inch rows, use 145 links from 10-ft roll marked 1793D and 1 connecting link 1786D

2шт.

43

CHAIN ASSY, stalk roll drive roller, 38 inch rows, use 151 links from 10-ft roll marked 1793D and 1 connecting link 1786D

2шт.

43

CHAIN ASSY, stalk roll drive roller, 40 inch rows, use 155 links from 10-ft roll marked 1793D and 1 connecting link 1786D

2шт.

44

162720C1

GUIDE, stalk roll drive chain upper, 743 corn head

2шт.

44

162719C1

BOARD

GUIDE, stalk roll drive chain upper, 744 corn head

2шт.

16888R1

HARDWARE,Short NK, 5/16"-18 x 1 1/4", G2

BOLT, 5/16 x 1-1/4 znd sq-nk crg

4шт.

120376

NUT,5/16"-18, G5

4шт.

80681

LOCK WASHER,5/16"

WASHER, LOCK, 5/16"

4шт.

45

589457R1

SCREW, stalk roll shield adj nut

16шт.

492-11062

BEARING WASHER,5/8"

WASHER, LOCK, 5/8"

16шт.

46

156708C1

SCREW, stalk roll shield adj left

4шт.

47

156709C1

SCREW, stalk roll shield adj right

4шт.

48

M5895

COLLAR, stalk roll shield adj rod

4шт.

125843

SET SCREW,Hex Skt, 3/8"-16 x 3/8"

SCREW, 3/8 x 3/8 hex-soc-hd cup

4шт.

49

935560R1

NUT, stalk roll shield adj left

4шт.

50

935561R1

NUT, stalk roll shield adj right

4шт.

51

589725R91

CRANK ASSY, stalk roll shield adj

1шт.

517843R1

COTTER PIN

PIN, 3/16 qa cot

1шт.

52

163251C1

CHANNEL, stalk roll frame support, 743CH serial no. 794 & below, 744CH serial no. 1285 & below

2шт.

18421R1

CARRIAGE BOLT,Short Sq Nk, 7/16" - 14 x 1", Gr 2

BOLT, CARRIAGE, Short NK, 7/16"-14 x 1", G5, Full Thd

4шт.

271501

SOCKET

NUT, 7/16 C-Z hex

4шт.

120383

LOCK WASHER,Helical Spring, 7/16"

WASHER, LOCK, 7/16"

4шт.

53

166915C1

BRACKET, inner auger end support

2шт.

54

166916C1

YOKE, auger end support LH

2шт.

54

166917C1

YOKE, auger end support RH

2шт.

55

167039C1

PIN, yoke diagonal

4шт.

432-1232

COTTER PIN,3/16" OD x 2" L

3/16" x 2"

8шт.

56

162878C1

BRACKET, shield adj screw LH

4шт.

18421R1

CARRIAGE BOLT,Short Sq Nk, 7/16" - 14 x 1", Gr 2

BOLT, CARRIAGE, Short NK, 7/16"-14 x 1", G5, Full Thd

8шт.

NLS

NO LONGER SERVICED

NUT, 7/16 C-Z hex

8шт.

120383

LOCK WASHER,Helical Spring, 7/16"

WASHER, LOCK, 7/16"

8шт.

57

162879C1

BRACKET, shield adj screw LH

4шт.

18421R1

CARRIAGE BOLT,Short Sq Nk, 7/16" - 14 x 1", Gr 2

BOLT, CARRIAGE, Short NK, 7/16"-14 x 1", G5, Full Thd

8шт.

271501

SOCKET

NUT, 7/16 C-Z hex

8шт.

120383

LOCK WASHER,Helical Spring, 7/16"

WASHER, LOCK, 7/16"

8шт.

58

162886C92

SHIELD ASSY, stalk roll left

4шт.

59

162887C92

SHIELD ASSY, stalk roll right

4шт.

60

170376C1

SHIELD

stalk roll point LH

4шт.

60

170377C1

SHIELD

stalk roll point RH

4шт.

18508R1

CARRIAGE BOLT,Short Nk, 3/8" - 16 x 3/4", Gr 2, Full Thd

BOLT, 3/8 x 1 C-Z sq-nk crg

16шт.

120377

NUT,3/8" - 16, Gr 5

16шт.

120382

LOCK WASHER,Helical Spring, 3/8"

WASHER, LOCK, 3/8"

16шт.

61

156706C1

ARM, stalk roll shield adj lower

8шт.

617939R1

PIN,5/16" x 1 1/2", Coiled

8шт.

62

166151C91

ARM ASSY, stalk roll shield control

8шт.

63

166154C1

SHIELD, stalk roll adj rod

4шт.

18421R1

CARRIAGE BOLT,Short Sq Nk, 7/16" - 14 x 1", Gr 2

BOLT, CARRIAGE, Short NK, 7/16"-14 x 1", G5, Full Thd

12шт.

NLS

NO LONGER SERVICED

NUT, 7/16 C-Z hex

12шт.

120383

LOCK WASHER,Helical Spring, 7/16"

WASHER, LOCK, 7/16"

12шт.

64

156719C1

ANGLE, shield control tube

16шт.

17351R1

CARRIAGE BOLT,Short Sq Nk, 3/8" - 16 x 1", Gr 2

BOLT, 3/8 x 1 C-Z sq-nk crg

32шт.

120377

NUT,3/8" - 16, Gr 5

32шт.

120382

LOCK WASHER,Helical Spring, 3/8"

WASHER, LOCK, 3/8"

32шт.

65

SPROCKET, stalk roll drive, refer to main drive unit for listing

1шт.

66

939103R1

SHAFT, stalk roll adjusting, 743 corn head

2шт.

66

589458R1

SHAFT, stalk roll adjusting, 744 corn head

2шт.

67

162826C1

ANGLE, stalk roll frame tie center, 743 corn head

3шт.

67

162828C1

ANGLE, stalk roll frame tie center, 744 corn head

3шт.

18794R1

BOLT,Hex, 7/16" - 14 x 1", Gr 2

7/16 x 1 C-Z hex-hd mach

1шт.

271501

SOCKET

NUT, 7/16 C-Z hex

1шт.

120383

LOCK WASHER,Helical Spring, 7/16"

WASHER, LOCK, 7/16"

1шт.

Выбрано товаров: 222