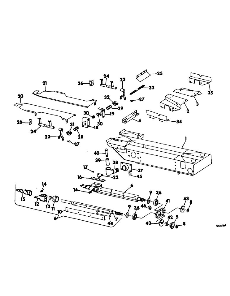
Запчасти Case IH 743 (M-23) - STALK ROLL FRAME, ROLLS, AND CONTROL, 743 S/N 980 & ABOVE, 744 S/N 2020 & ABOVE (58) - ATTACHMENTS/HEADERS

Схема запчастей Case IH 743 - (M-23) - STALK ROLL FRAME, ROLLS, AND CONTROL, 743 S/N 980 & ABOVE, 744 S/N 2020 & ABOVE (58) - ATTACHMENTS/HEADERS
31
28
21
4
42
23
14
11
10
27
7
23
9
36
35
33
18
22
5
39
20
24
9
26
12
27
43
36
16
17
34
41
3
6
44
13
6
1
45
24
38
2
46
30
42
19
30
14
26
37
15
8
29
25
32
40
FIT
1:1
100%

Артикул

Название

Примечание

Количество

1

173999C1

FRAME ASSY, stalk roll

4шт.

18695R1

CARRIAGE BOLT,Short Sq Nk, 7/16" - 14 x 1 1/4", Gr 2

BOLT, 7/16 x 1-1/4 sq-nk crg

16шт.

271501

SOCKET

NUT, 7/16 C-Z hex

16шт.

120383

LOCK WASHER,Helical Spring, 7/16"

WASHER, LOCK, 7/16"

16шт.

2

173392C1

SHIELD, stalk roll frame LH, 3 used 743CH, 2 used 744CH

1шт.

18508R1

CARRIAGE BOLT,Short Nk, 3/8" - 16 x 3/4", Gr 2, Full Thd

BOLT, 3/8 x 3/4 znd sq-nk crg

1шт.

120377

NUT,3/8" - 16, Gr 5

1шт.

120382

LOCK WASHER,Helical Spring, 3/8"

WASHER, LOCK, 3/8"

1шт.

3

173393C1

SHIELD, stalk roll frame RH, 3 used 743CH, 2 used 744CH

1шт.

18508R1

CARRIAGE BOLT,Short Nk, 3/8" - 16 x 3/4", Gr 2, Full Thd

BOLT, 3/8 x 3/4 znd sq-nk crg

1шт.

120377

NUT,3/8" - 16, Gr 5

1шт.

120382

LOCK WASHER,Helical Spring, 3/8"

WASHER, LOCK, 3/8"

1шт.

4

162826C1

ANGLE, stalk roll frame center tie, 743 corn head

3шт.

4

162828C1

ANGLE, stalk roll frame center tie, 744 corn head

3шт.

18794R1

BOLT,Hex, 7/16" - 14 x 1", Gr 2

7/16 x 1 znd hex-hd mach

12шт.

NLS

NO LONGER SERVICED

NUT, 7/16 C-Z hex

12шт.

120383

LOCK WASHER,Helical Spring, 7/16"

WASHER, LOCK, 7/16"

12шт.

5

SPROCKET, stalk roll driven, refer to stalk roll drive unit for listing

4шт.

6

173687C92

ROLL ASSY, left driver stalk

2шт.

6

173688C92

ROLL ASSY, right driven stalk

2шт.

6

173689C92

ROLL ASSY, right driver stalk

2шт.

6

173690C92

ROLL ASSY, left driven stalk, includes ref nos. 7, 10 thru 15 and 44

2шт.

7

175232C91

SHAFT ASSY, stalk roll driver LH

2шт.

7

175235C91

SHAFT ASSY, stalk roll driven RH

2шт.

7

175233C91

SHAFT ASSY, stalk roll driver RH

2шт.

7

175234C91

SHAFT ASSY, stalk roll driven LH, includes ref no. 11, 175236C1 or 175237C1

2шт.

19638R1

LOCK NUT,3/4"-16, GB

NUT, 3/4-16 znd nylon insert

8шт.

178139

WASHER, 1-3/16 C-Z med lock

8шт.

8

584253R1

WASHER

25/32 x 1-3/4 x 3/16 hard

8шт.

9

654297R1

WASHER

stalk roll shaft

8шт.

10

173375C1

KNIFE SECTION

SECTION, stalk roll knife no. 1

16шт.

10

173376C1

KNIFE SECTION

SECTION, stalk roll knife no. 2

16шт.

181694

BOLT,Hex, 1/2" - 20 x 7/8"

SCREW, 1/2 x 7/8 hex-hd cap

128шт.

138549

LOCK WASHER,Int Tooth, 1/2"

WASHER, LOCK, Int Tooth, 1/2"

128шт.

11

173693C1

SECTION, roll center LH, RH spiral

4шт.

11

173694C1

SECTION, roll center RH, LH spiral, 743 serial no. 1259 and below, 744 serial no. 3129 and below

4шт.

173704C1

PIN

5/16 x 2-3/8 groove

8шт.

11

175236C1

SECTION, roll center LH, RH spiral

4шт.

11

175237C1

SECTION, roll center RH, LH spiral, 743 serial no. 1260 and above, 744 serial no. 3130 and above

4шт.

175238C1

PIN, 3/8 x 2-3/4 hardened

8шт.

12

173695C91

SUPPORT

ASSY, stalk roll LH, includes ref nos. 13 and 14

4шт.

12

173696C91

SUPPORT ASSY, stalk roll RH, includes ref nos. 13 and 14

4шт.

13

173699C1

BUSHING,25.6mm ID x 33.4mm OD x 56.9mm L

stalk roll support

8шт.

14

109461

LUBE NIPPLE,1/8"-27 x .66 lg

NIPPLE, LUBE, , NPT 1/8"-27 x .66 lg

8шт.

15

173700C1

POINT, stalk roll LH

4шт.

15

173701C1

POINT, stalk roll RH

4шт.

173702C1

PIN

5/16 x 1-3/4 groove

8шт.

173703C1

PIN

5/16 x 2-1/4 groove

8шт.

16

162600C1

KNIFE

weed front LH

4шт.

16

162601C1

KNIFE

weed front RH

4шт.

113-206

BOLT,Hex, 3/8" - 16 x 3/4", Gr 5, Full Thd

3/8 x 3/4 C-Z hex-hd cap

24шт.

120382

LOCK WASHER,Helical Spring, 3/8"

WASHER, LOCK, 3/8"

24шт.

17

589713R1

SHIM

WASHER, weed knife shim

1шт.

18

162878C1

BRACKET, stalk roll shield adj screw LH

4шт.

18421R1

CARRIAGE BOLT,Short Sq Nk, 7/16" - 14 x 1", Gr 2

BOLT, CARRIAGE, Short NK, 7/16"-14 x 1", G5, Full Thd

8шт.

271501

SOCKET

NUT, 7/16 C-Z hex

8шт.

120383

LOCK WASHER,Helical Spring, 7/16"

WASHER, LOCK, 7/16"

8шт.

19

162879C1

BRACKET, stalk roll shield adj screw RH

4шт.

18421R1

CARRIAGE BOLT,Short Sq Nk, 7/16" - 14 x 1", Gr 2

BOLT, CARRIAGE, Short NK, 7/16"-14 x 1", G5, Full Thd

8шт.

NLS

NO LONGER SERVICED

NUT, 7/16 C-Z hex

8шт.

120383

LOCK WASHER,Helical Spring, 7/16"

WASHER, LOCK, 7/16"

8шт.

20

162886C93

SHIELD ASSY, stalk roll left

4шт.

21

162887C93

SHIELD ASSY, stalk roll right

4шт.

22

170376C1

SHIELD

stalk roll point LH

4шт.

22

170377C1

SHIELD

stalk roll point RH

4шт.

17351R1

CARRIAGE BOLT,Short Sq Nk, 3/8" - 16 x 1", Gr 2

BOLT, 3/8 x 1 znd sq-nk crg

16шт.

120377

NUT,3/8" - 16, Gr 5

16шт.

120382

LOCK WASHER,Helical Spring, 3/8"

WASHER, LOCK, 3/8"

16шт.

23

156706C1

ARM, stalk roll shield adj lower

8шт.

125637

COTTER PIN,1/8" x 2"

PIN, SPLIT (COTTER), 1/8" x 2"

8шт.

576483R1

LOCK PIN,5/16" x 1 1/2", Slotted

Pin, 5/16" x 1 1/2", Slotted

8шт.

16543R1

WASHER, 5/32 x 7/16 x 18 ga C-Z

16шт.

24

166151C91

ARM ASSY, stalk roll shield control

8шт.

25

166154C2

SHIELD, stalk roll adj rod

4шт.

18421R1

CARRIAGE BOLT,Short Sq Nk, 7/16" - 14 x 1", Gr 2

BOLT, CARRIAGE, Short NK, 7/16"-14 x 1", G5, Full Thd

12шт.

271501

SOCKET

NUT, 7/16 C-Z hex

12шт.

120383

LOCK WASHER,Helical Spring, 7/16"

WASHER, LOCK, 7/16"

12шт.

26

156719C1

ANGLE, stalk roll shield control tube

16шт.

17351R1

CARRIAGE BOLT,Short Sq Nk, 3/8" - 16 x 1", Gr 2

BOLT, 3/8 x 1 C-Z sq-nk crg

32шт.

120377

NUT,3/8" - 16, Gr 5

32шт.

120382

LOCK WASHER,Helical Spring, 3/8"

WASHER, LOCK, 3/8"

32шт.

27

589457R1

SCREW, stalk roll shield adj nut

16шт.

492-11062

BEARING WASHER,5/8"

WASHER, LOCK, 5/8"

16шт.

28

156708C2

SCREW, stalk roll shield adj left

4шт.

29

156709C2

SCREW, stalk roll shield adj right

4шт.

30

M5895

COLLAR, stalk roll shield adj rod

4шт.

125843

SET SCREW,Hex Skt, 3/8"-16 x 3/8"

SCREW, 3/8 x 3/8 C-Z hex-soc-hd cup

4шт.

31

935560R1

NUT, stalk roll shield adj left

4шт.

32

935561R1

NUT, stalk roll shield adj right

4шт.

33

939103R1

SHAFT, stalk roll shield adj, 743 corn head

2шт.

33

589458R1

SHAFT, stalk roll shield adj, 744 corn head

2шт.

34

168490C2

SHIELD, stalk roll frame LH, 1 used 743CH, 2 used 744CH

1шт.

18508R1

CARRIAGE BOLT,Short Nk, 3/8" - 16 x 3/4", Gr 2, Full Thd

BOLT, 3/8 x 3/4 znd sq-nk crg

1шт.

120377

NUT,3/8" - 16, Gr 5

1шт.

120382

LOCK WASHER,Helical Spring, 3/8"

WASHER, LOCK, 3/8"

1шт.

35

168491C2

SHIELD, stalk roll frame RH, 1 used 743CH, 2 used 744CH

1шт.

18508R1

CARRIAGE BOLT,Short Nk, 3/8" - 16 x 3/4", Gr 2, Full Thd

BOLT, 3/8 x 3/4 znd sq-nk crg

1шт.

120377

NUT,3/8" - 16, Gr 5

1шт.

120382

LOCK WASHER,Helical Spring, 3/8"

WASHER, LOCK, 3/8"

1шт.

36

173735C91

BEARING ASSY

stalk roll housing ball

8шт.

37

162871C91

HUB ASSY, stalk roll support

8шт.

18421R1

CARRIAGE BOLT,Short Sq Nk, 7/16" - 14 x 1", Gr 2

BOLT, CARRIAGE, Short NK, 7/16"-14 x 1", G5, Full Thd

32шт.

NLS

NO LONGER SERVICED

NUT, 7/16 C-Z hex

32шт.

120383

LOCK WASHER,Helical Spring, 7/16"

WASHER, LOCK, 7/16"

32шт.

38

162876C2

ANCHOR, stalk roll support

8шт.

102609R1

LOCK NUT,3/4"-16

NUT, 3/4-16 znp nylon insert hex

8шт.

87340

LOCK WASHER,Helical Spring, 0.759" ID, CST, ZND

WASHER, LOCK, 3/4"

8шт.

22241R1

WASHER

1-3/32 x 1-3/4 x 16 ga

1шт.

21713R1

WASHER,25/32" x 1 3/4" x .120"

25/32 x 1-3/4 x 11 ga C-Z

8шт.

39

158783C1

BUSHING

stalk roll support

8шт.

40

161160C1

BOLT,Hex, 1/2" - 20 x 4", Drilled

stalk roll support

8шт.

125250

SLOTTED NUT,1/2"-20, G8

NUT, 1/2-20 C-Z slt-hex

8шт.

121224

SUPPORT

3/32" x 1"

8шт.

138549

LOCK WASHER,Int Tooth, 1/2"

WASHER, LOCK, Int Tooth, 1/2"

16шт.

41

153748C11

HOUSING W/BEARING, stalk roll, includes ref no. 36

4шт.

18695R1

CARRIAGE BOLT,Short Sq Nk, 7/16" - 14 x 1 1/4", Gr 2

BOLT, 7/16 x 1-1/4 C-Z sq-nk crg

16шт.

271501

SOCKET

NUT, 7/16 C-Z hex

16шт.

131718

SHIM

7/16 C-Z int-tooth lock

16шт.

42

589696R1

BUSHING

SPACER, stalk roll driven sprocket

4шт.

43

580849R1

PINION

GEAR, stalk roll drive 20T

8шт.

44

174443C1

SHIM, stalk roll knife section .105

1шт.

44

175312C1

SHIM

stalk roll knife section .060

1шт.

45

175273C1

SHIM

lower stalk roll

1шт.

46

NOT USED IN THIS APPLICATION

1шт.

Выбрано товаров: 124