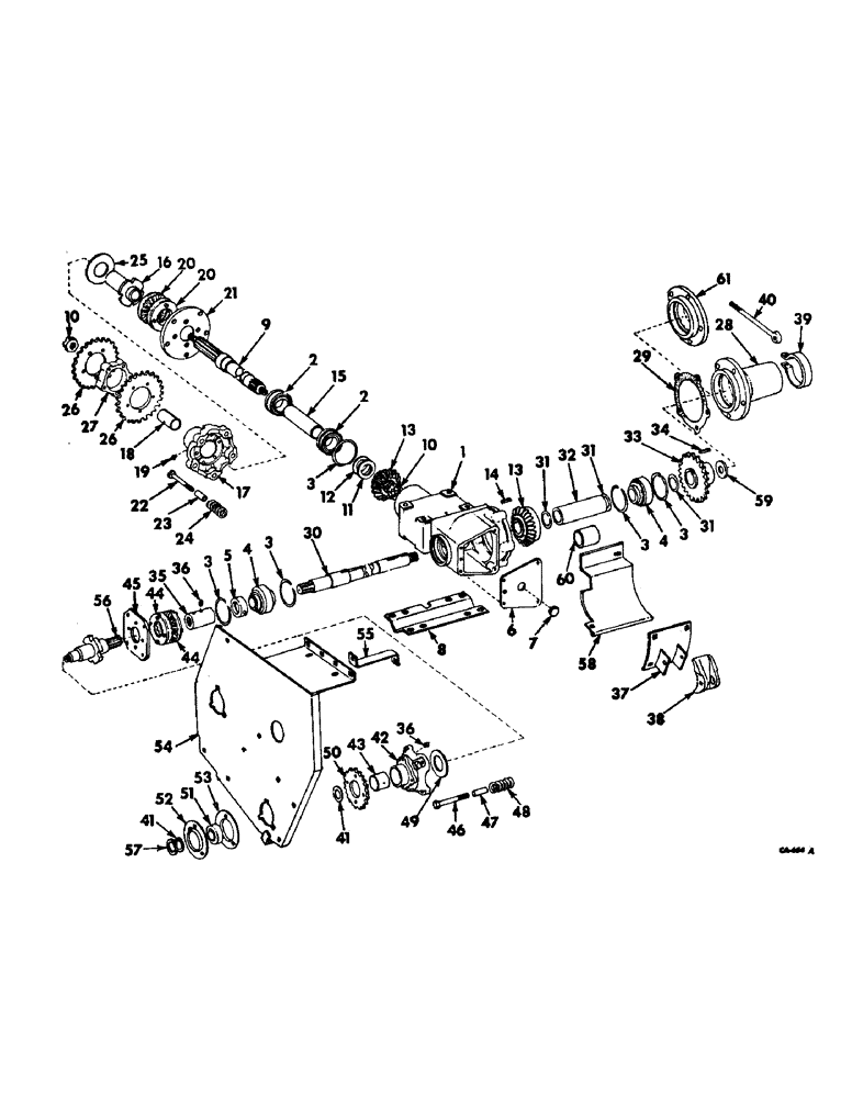
Запчасти Case IH 762 (Q-12) - MAIN DRIVE, SERIAL NO. 509 AND BELOW (58) - ATTACHMENTS/HEADERS

Схема запчастей Case IH 762 - (Q-12) - MAIN DRIVE, SERIAL NO. 509 AND BELOW (58) - ATTACHMENTS/HEADERS
61
40
56
22
3
20
35
14
43
10
59
41
45
11
41
27
44
28
58
19
55
3
31
16
51
2
8
32
33
25
31
23
54
6
3
15
12
1
42
39
5
18
9
4
48
49
44
46
47
38
29
13
21
37
26
42
26
57
36
3
4
53
7
34
36
20
50
2
60
31
3
17
13
30
24
10
FIT
1:1
100%

Артикул

Название

Примечание

Количество

1

162605C2

CASE, main drive heavy duty gear

2шт.

18831R1

BOLT,Hex, 5/8" - 11 x 5 1/2"

5/8 x 5-1/2 hex-hd mach

8шт.

280374

NUT,Hex, 5/8" - 11, Gr 5

5/8-11 C-Z hex

8шт.

443804

SCREW, 1/4 x 1/4 C-Z slt-hd set

2шт.

492-11062

BEARING WASHER,5/8"

WASHER, LOCK, 5/8"

8шт.

2

156647C91

BEARING

ASSY, stalk roll drive shft

4шт.

3

168424C1

RING, SNAP

RING, bearing snap

10шт.

4

162728C91

BEARING ASSY, ball

4шт.

5

455112R11

COLLAR

W/SET SCREW, lkg

2шт.

102592

SET SCREW,Hex Skt, 3/8" - 16 x 3/8"

SCREW, 3/8 x 3/8 cup-pt set

2шт.

6

162665C1

COVER, gear case

2шт.

18763R1

BOLT,Hex, 5/16" - 18 x 1/2", Gr 2

5/16 x 1/2 C-Z hex-hd mach

8шт.

80681

LOCK WASHER,5/16"

WASHER, LOCK, 5/16"

8шт.

7

142094

HOLE PLUG BUTTON,1'

gear case cover button

2шт.

8

162682C1

SUPPORT, gear case

2шт.

18822R1

BOLT,Hex, 5/8"-11 x 1 1/2", G2, Full Thd

5/8 x 1-1/2 hex-hd mach

8шт.

124589

BALL STUD,Hex, 5/8" - 11 x 2", Gr 5

5/8 C-Z hex

8шт.

492-11062

BEARING WASHER,5/8"

WASHER, LOCK, 5/8"

8шт.

9

162690C1

SHAFT, stalk roll drive

2шт.

137204

COTTER PIN,1/8" x 1 1/2"

PIN, SPLIT (COTTER), 1/8" x 1 1/2"

4шт.

87340

LOCK WASHER,Helical Spring, 0.759" ID, CST, ZND

WASHER, LOCK, 3/4"

4шт.

21713R1

WASHER,25/32" x 1 3/4" x .120"

25/32 x 1-3/4 x 11 ga

4шт.

10

163307C1

JAM NUT

stalk roll drive shaft

4шт.

11

162679C1

WASHER

WASHER, stalk roll driven gear

2шт.

12

156654C1

WASHER, stalk roll driven gear

4шт.

13

163303C91

GEAR SET, stalk roll drive, includes 2 gears one 18T and one 24T

2шт.

14

156664C1

KEY, 3/8 x 1-1/4 sq parallel

2шт.

15

162661C1

SPACER, stalk roll drive shaft

2шт.

16

163306C2

HOLDER, stalk roll dr. inner clutch

2шт.

17

162711C21

HOLDER ASSY, stalk roll drive slip clutch, includes ref no. 18

2шт.

18

162712C1

BUSHING, slip clutch holder

2шт.

19

126131

FITTING

1/4-28 NF str lub

2шт.

20

168370C1

RATCHET

stalk roll drive slip clutch

4шт.

21

162684C1

RETAINER, stalk roll drive slip clutch

2шт.

22

587423R1

BOLT

stalk roll drive slip clutch

10шт.

121592

SLOTTED NUT,1/2"-13, G5

NUT, 1/2 C-Z slt-hex

10шт.

121224

SUPPORT

3/32" x 1"

10шт.

607895R1

WASHER

17/32 x 1 x 11 ga C-Z

10шт.

23

631581R1

SPACER

stalk roll drive slip clutch

10шт.

24

584007R1

SPRING

stalk roll drive slip clutch

10шт.

25

156660C1

WASHER, stalk roll drive slip clutch

2шт.

26

163300C1

SPROCKET ASSY.

SPROCKET, stalk roll drive 29T, standard 1093 RPM

4шт.

26

163299C1

SPROCKET, stalk roll drive 25T, parts accessory 942 RPM

4шт.

26

163298C1

SPROCKET, stalk roll drive 23T, parts accessory 867 RPM

4шт.

26

163301C1

SPROCKET, stalk roll drive 33T, parts accessory 1244 RPM

4шт.

18783R1

BOLT,Hex, 3/8"-16 x 2 1/2", G2

3/8 x 2-1/2 hex-hd mach

10шт.

120382

LOCK WASHER,Helical Spring, 3/8"

WASHER, LOCK, 3/8"

10шт.

27

162713C1

SPACER, stalk roll drive sprocket

2шт.

28

163318C1

SUPPORT, main shaft brg, 815 combine

2шт.

455000

BOLT,Hex, 1/2" - 13 x 1 1/4", Gr 8

SCREW, 1/2 x 1-1/4 hex-hd cap

10шт.

120384

WASHER,1/2"

LOCK, 1/2"

10шт.

29

168419C1

PACKAGE, main drive gear case shim

2шт.

30

163319C1

SHAFT, main drive inner, 815 combine

2шт.

30

162686C1

SHAFT, main drive inner, 915 combine

2шт.

161387C1

NUT

7/8-14 C-Z slt hex. jam

2шт.

137214

COTTER PIN

1/8" x 1-3/4"

2шт.

21875R1

WASHER

29/32 x 2 x 16 ga C-Z

4шт.

21212R1

WASHER

29/32 x 2 x 11 ga C-Z

2шт.

31

162678C1

WASHER,1 1/2" ID x 2" OD x .060" Thk

Main drive inner shaft 1 1/2" ID x 2" OD x .060" Thk

12шт.

32

163322C1

SPACER, main drive inner shaft, 815 combine

2шт.

33

162669C91

SPROCKET ASSY, main drv shaft 29T

2шт.

34

162670C1

KEY, 3/8 x 1-3/4 sq parallel

2шт.

35

162685C1

COUPLING, main drive shaft

2шт.

648002

KNIFE

1/8" x 3/4"

2шт.

21916R1

PIN

1/4 x 2 C-Z std hd

2шт.

36

219-8

LUBE NIPPLE,1/4" - 28 NPTF

FITTING, 1/4-28 NF str lub

4шт.

37

167856C1

SUPPORT ASSY, main drive guide

2шт.

16897R1

CARRIAGE BOLT,Short Nk, 5/16" - 18 x 3/4", Gr 2, Full Thd

BOLT, 5/16 x 3/4 C-Z sq-nk crg

8шт.

120376

NUT,5/16"-18, G5

8шт.

80681

LOCK WASHER,5/16"

WASHER, LOCK, 5/16"

8шт.

38

155754C1

BLOCK, main drive chain guide

2шт.

17351R1

CARRIAGE BOLT,Short Sq Nk, 3/8" - 16 x 1", Gr 2

BOLT, 3/8 x 1 C-Z sq-nk crg

4шт.

120377

NUT,3/8" - 16, Gr 5

4шт.

120382

LOCK WASHER,Helical Spring, 3/8"

WASHER, LOCK, 3/8"

4шт.

39

168377C1

CLAMP, gear case, 815 combine

2шт.

18811R1

BOLT,Hex, 1/2" - 13 x 2 3/4", Gr 2

1/2 x 2-3/4 hex-hd mach

2шт.

120378

NUT,Hex, 1/2" - 13, Gr 5

NUT, 1/2"-13, G5

2шт.

120384

WASHER,1/2"

LOCK, 1/2"

2шт.

40

168378C1

BOLT, gear case support eye, 815 combine

2шт.

271501

SOCKET

NUT, 7/16-14 C-Z hex

4шт.

120383

LOCK WASHER,Helical Spring, 7/16"

WASHER, LOCK, 7/16"

2шт.

41

NOT USED THIS APPLICATION

1шт.

42

162717C11

HOLDER W/BUSHING, gatherer drive slip clutch, includes ref no. 43

2шт.

43

162953C1

BUSHING, slip clutch holder

2шт.

44

168370C1

RATCHET

gatherer drive slip clutch

4шт.

45

629870R1

RETAINER

gath drive slip clutch

2шт.

46

587423R1

BOLT

gatherer drive slip clutch

8шт.

121592

SLOTTED NUT,1/2"-13, G5

NUT, 1/2 C-Z slt-hex

8шт.

121224

SUPPORT

3/32" x 1"

8шт.

607895R1

WASHER

17/32 x 1 x 11 ga C-Z

8шт.

47

631581R1

SPACER

gatherer drive slip clutch

8шт.

48

584007R1

SPRING

gatherer drive slip clutch

8шт.

49

163063C1

WASHER, gatherer drive slip clutch

2шт.

50

162681C1

SPROCKET, gath and auger drive 20T

2шт.

18494R1

BOLT,Hex, 3/8" - 16 x 1", Gr 2

3/8 x 1 C-Z hex-hd mach

8шт.

120382

LOCK WASHER,Helical Spring, 3/8"

WASHER, LOCK, 3/8"

8шт.

51

156011C91

BALL BEARING

BEARING ASSY, main drive outer shaft

2шт.

52

939460R91

FLANGE

ASSY, outer shaft brg

2шт.

53

939461R1

FLANGE

outer shaft brg

2шт.

18508R1

CARRIAGE BOLT,Short Nk, 3/8" - 16 x 3/4", Gr 2, Full Thd

BOLT, 3/8 x 3/4 C-Z sq-nk crg

6шт.

120377

NUT,3/8" - 16, Gr 5

6шт.

120382

LOCK WASHER,Helical Spring, 3/8"

WASHER, LOCK, 3/8"

6шт.

54

163020C91

BRACKET ASSY, gatherer drive LH

1шт.

54

163021C91

BRACKET ASSY, gatherer drive RH

1шт.

18508R1

CARRIAGE BOLT,Short Nk, 3/8" - 16 x 3/4", Gr 2, Full Thd

BOLT, 3/8 x 3/4 C-Z sq-nk crg

6шт.

120377

NUT,3/8" - 16, Gr 5

6шт.

120382

LOCK WASHER,Helical Spring, 3/8"

WASHER, LOCK, 3/8"

6шт.

55

163024C1

SUPPORT, gath drive bracket front

2шт.

17351R1

CARRIAGE BOLT,Short Sq Nk, 3/8" - 16 x 1", Gr 2

BOLT, 3/8 x 1 C-Z sq-nk crg

6шт.

120377

NUT,3/8" - 16, Gr 5

6шт.

120382

LOCK WASHER,Helical Spring, 3/8"

WASHER, LOCK, 3/8"

6шт.

56

162704C91

SHAFT ASSY, main drive outer

2шт.

102609R1

LOCK NUT,3/4"-16

NUT, 3/4-16 znd nylon insert hex

2шт.

918847R1

WASHER, 25/32 x 1-3/4 x 7 ga C-Z

2шт.

632156R1

THRUST WASHER

1-9/32 x 2 x 16 ga C-Z

12шт.

162982C1

WASHER, 1-9/32 x 2 x 7 ga

2шт.

57

466000R1

WASHER, 1-9/32 x 2 x 7 ga hardened

2шт.

58

166706R1

SHIELD, gath drive slip clutch LH

1шт.

58

166707C1

SHIELD, gath drive slip clutch RH

1шт.

16897R1

CARRIAGE BOLT,Short Nk, 5/16" - 18 x 3/4", Gr 2, Full Thd

BOLT, 5/16 x 3/4 C-Z sq-nk crg

1шт.

120376

NUT,5/16"-18, G5

1шт.

80681

LOCK WASHER,5/16"

WASHER, LOCK, 5/16"

1шт.

134238R1

WASHER

11/32 x 1 x 16 ga C-Z

1шт.

59

619373R1

WASHER

main drive inner shaft end

2шт.

60

162660C1

SPACER, main drive inner shaft, 915 combine

2шт.

61

162701C1

SUPPORT, main shaft brg, 915 combine

2шт.

455000

BOLT,Hex, 1/2" - 13 x 1 1/4", Gr 8

SCREW, 1/2 x 1-1/4 hex-hd cap

10шт.

120384

WASHER,1/2"

LOCK, 1/2"

10шт.

Выбрано товаров: 128