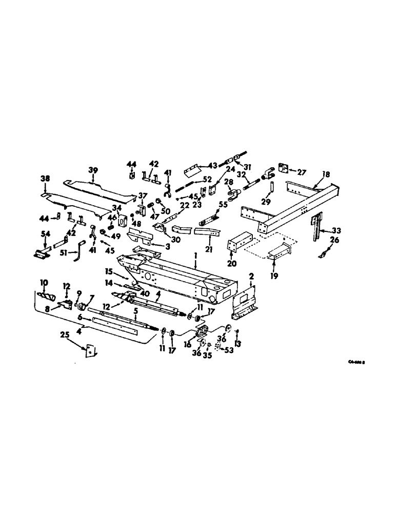
Запчасти Case IH 763 (N-18) - STALK ROLL FRAME AND ROLLS, 763CH SERIAL NO. 895 AND BELOW (58) - ATTACHMENTS/HEADERS

Схема запчастей Case IH 763 - (N-18) - STALK ROLL FRAME AND ROLLS, 763CH SERIAL NO. 895 AND BELOW (58) - ATTACHMENTS/HEADERS
38
17
15
50
17
35
36
26
34
55
8
22
10
33
27
54
3
9
51
44
46
2
30
40
31
4
37
13
6
48
4
24
29
47
19
52
42
1
39
23
7
49
44
45
36
43
53
5
41
11
42
20
45
16
21
25
18
28
41
14
32
12
12
11
FIT
1:1
100%

Артикул

Название

Примечание

Количество

175248C91

PACKAGE, stalk roll conversion, parts accessories, for converting from intermesh type rolls to knife type rolls

6шт.

1

162514C93

FRAME ASSY, stalk roll

6шт.

18695R1

CARRIAGE BOLT,Short Sq Nk, 7/16" - 14 x 1 1/4", Gr 2

BOLT, 7/16 x 1-1/4 sq-nk crg

24шт.

NLS

NO LONGER SERVICED

NUT, 7/16 C-Z hex

24шт.

120383

LOCK WASHER,Helical Spring, 7/16"

WASHER, LOCK, 7/16"

24шт.

2

163312C11

BRACKET ASSY, stalk roll frame

6шт.

18421R1

CARRIAGE BOLT,Short Sq Nk, 7/16" - 14 x 1", Gr 2

BOLT, CARRIAGE, Short NK, 7/16"-14 x 1", G5, Full Thd

24шт.

18695R1

CARRIAGE BOLT,Short Sq Nk, 7/16" - 14 x 1 1/4", Gr 2

BOLT, 7/16 x 1-1/4 sq-nk crg

18шт.

271501

SOCKET

NUT, 7/16 C-Z hex

42шт.

120383

LOCK WASHER,Helical Spring, 7/16"

WASHER, LOCK, 7/16"

42шт.

3

168490C2

SHIELD, stalk roll frame LH

6шт.

3

168491C2

SHIELD, stalk roll frame RH

6шт.

18508R1

CARRIAGE BOLT,Short Nk, 3/8" - 16 x 3/4", Gr 2, Full Thd

BOLT, 3/8 x 3/4 C-Z sq-nk crg

12шт.

120377

NUT,3/8" - 16, Gr 5

12шт.

120382

LOCK WASHER,Helical Spring, 3/8"

WASHER, LOCK, 3/8"

12шт.

4

162590C91

ROLL ASSY, left driver stalk

3шт.

4

162591C91

ROLL ASSY, left driven stalk

3шт.

4

162593C91

ROLL ASSY, right driver stalk

3шт.

4

162592C91

ROLL ASSY, right driven stalk, includes ref nos. 5 thru 10 & 12

3шт.

5

162594C1

SHAFT, stalk roll driven

6шт.

5

162595C1

SHAFT, stalk roll driver

6шт.

19638R1

LOCK NUT,3/4"-16, GB

NUT, 3/4 znp nylon insert hex

12шт.

178139

WASHER, 1-3/16 C-Z med lock

12шт.

6

162586C1

BAR

SECTION, stalk roll intermesh

48шт.

181694

BOLT,Hex, 1/2" - 20 x 7/8"

SCREW, 1/2 x 7/8 hex-hd cap

192шт.

138549

LOCK WASHER,Int Tooth, 1/2"

WASHER, LOCK, Int Tooth, 1/2"

192шт.

7

162598C1

POINT, stalk roll center LH spiral

6шт.

7

162599C1

POINT, roll center RH spiral

6шт.

169047C1

PIN

5/16 x 2-3/8 groove

12шт.

8

162587C11

SUPPORT ASSY, stalk roll inner

6шт.

8

162588C11

SUPPORT ASSY, stalk roll outer, includes ref nos. 9 and 12

6шт.

9

162589C1

BUSHING

stalk roll support

24шт.

10

162596C1

ROLL

POINT, stalk roll front LH spiral

6шт.

10

162597C1

POINT

stalk roll front RH spiral

6шт.

168102C1

PIN

5/16 x 2 groove

12шт.

11

654297R1

WASHER

stalk roll shaft

12шт.

12

219-8

LUBE NIPPLE,1/4" - 28 NPTF

FITTING, 1/4-28 NF str lub

12шт.

13

584253R1

WASHER

25/32 x 1-3/4 x 3/16

12шт.

14

162600C1

KNIFE

weed front LH

6шт.

14

162601C1

KNIFE

weed front RH

6шт.

113-206

BOLT,Hex, 3/8" - 16 x 3/4", Gr 5, Full Thd

3/8 x 3/4 C-Z hex-hd cap

36шт.

120382

LOCK WASHER,Helical Spring, 3/8"

WASHER, LOCK, 3/8"

36шт.

15

589713R1

SHIM

WASHER, weed knife shim

1шт.

16

153748C11

HOUSING W/BEARING, stalk roll, includes ref. no. 17

6шт.

18695R1

CARRIAGE BOLT,Short Sq Nk, 7/16" - 14 x 1 1/4", Gr 2

BOLT, 7/16 x 1-1/4 sq-nk crg

24шт.

NLS

NO LONGER SERVICED

NUT, 7/16 C-Z hex

24шт.

493-21046

LOCK WASHER,Int Tooth, 7/16"

7/16 C-Z int-tooth lock

24шт.

17

156030C91

BEARING

ASSY, stalk roll housing

12шт.

18

162910C91

EXTENSION ASSY, feeder frame

1шт.

18421R1

CARRIAGE BOLT,Short Sq Nk, 7/16" - 14 x 1", Gr 2

BOLT, CARRIAGE, Short NK, 7/16"-14 x 1", G5, Full Thd

8шт.

18695R1

CARRIAGE BOLT,Short Sq Nk, 7/16" - 14 x 1 1/4", Gr 2

BOLT, 7/16 x 1-1/4 C-Z sq-nk crg

4шт.

271501

SOCKET

NUT, 7/16 C-Z hex

12шт.

120383

LOCK WASHER,Helical Spring, 7/16"

WASHER, LOCK, 7/16"

12шт.

19

166799C91

EXTENSION ASSY, feeder upper LH

1шт.

19

166800C91

EXTENSION ASSY, feeder upper RH

1шт.

18421R1

CARRIAGE BOLT,Short Sq Nk, 7/16" - 14 x 1", Gr 2

BOLT, CARRIAGE, Short NK, 7/16"-14 x 1", G5, Full Thd

8шт.

NLS

NO LONGER SERVICED

NUT, 7/16 C-Z hex

8шт.

120383

LOCK WASHER,Helical Spring, 7/16"

WASHER, LOCK, 7/16"

8шт.

20

166794C91

SUPPORT ASSY, feeder ext. diagonal LH

1шт.

20

166795C91

SUPPORT ASSY, feeder ext. diagonal RH

1шт.

18421R1

CARRIAGE BOLT,Short Sq Nk, 7/16" - 14 x 1", Gr 2

BOLT, CARRIAGE, Short NK, 7/16"-14 x 1", G5, Full Thd

32шт.

271501

SOCKET

NUT, 7/16 C-Z hex

32шт.

120303

WASHER, 7/16 C-Z med lock

32шт.

21

163249C1

ANGLE, stalk roll frame support LH, serial no. 685 and below

1шт.

21

163250C1

ANGLE, stalk roll frame support RH, serial no. 685 and below

1шт.

21

162905C1

ANGLE, stalk roll frame brace LH

1шт.

21

162906C1

ANGLE, stalk roll frame brace RH

1шт.

21

163247C1

ANGLE, stalk roll outer frame support LH, for CH w/28 inch rows serial no. 685 and below

1шт.

21

169062C1

ANGLE, outer frame support LH, for CH w/28 inch rows serial no. 686 and above

1шт.

21

163248C1

ANGLE, stalk roll outer frame support RH, for CH w/28 inch rows serial no. 685 and below

1шт.

21

169063C1

ANGLE, outer frame support RH, for CH w/28 inch rows serial no. 686 and above

1шт.

21

163249C1

ANGLE, stalk roll outer frame support LH, for CH w/30 inch rows serial no. 685 and below

1шт.

21

169066C1

ANGLE, outer frame support LH, for CH w/30 inch rows serial no. 686 and above

1шт.

21

16250C1

ANGLE, stalk roll outer frame support RH, for CH w/30 inch rows serial no. 685 and below

1шт.

21

169067C1

ANGLE, outer frame support RH, for CH w/30 inch rows serial no. 686 and above

1шт.

18421R1

CARRIAGE BOLT,Short Sq Nk, 7/16" - 14 x 1", Gr 2

BOLT, CARRIAGE, Short NK, 7/16"-14 x 1", G5, Full Thd

1шт.

18695R1

CARRIAGE BOLT,Short Sq Nk, 7/16" - 14 x 1 1/4", Gr 2

BOLT, 7/16 x 1-1/4 hex-hd cap

1шт.

NLS

NO LONGER SERVICED

NUT, 7/16 C-Z hex

1шт.

120383

LOCK WASHER,Helical Spring, 7/16"

WASHER, LOCK, 7/16"

1шт.

22

163251C1

CHANNEL, stalk roll frame support, serial no. 685 and below

2шт.

18421R1

CARRIAGE BOLT,Short Sq Nk, 7/16" - 14 x 1", Gr 2

BOLT, CARRIAGE, Short NK, 7/16"-14 x 1", G5, Full Thd

4шт.

271501

SOCKET

NUT, 7/16 C-Z hex

4шт.

120383

LOCK WASHER,Helical Spring, 7/16"

WASHER, LOCK, 7/16"

4шт.

23

162908C1

ANGLE, feeder extension vertical LH

1шт.

23

162909C1

ANGLE, feeder extension vertical RH

1шт.

18421R1

CARRIAGE BOLT,Short Sq Nk, 7/16" - 14 x 1", Gr 2

BOLT, CARRIAGE, Short NK, 7/16"-14 x 1", G5, Full Thd

8шт.

NLS

NO LONGER SERVICED

NUT, 7/16 C-Z hex

8шт.

120383

LOCK WASHER,Helical Spring, 7/16"

WASHER, LOCK, 7/16"

8шт.

24

162907C1

BRACKET, feeder extension vertical

1шт.

18695R1

CARRIAGE BOLT,Short Sq Nk, 7/16" - 14 x 1 1/4", Gr 2

BOLT, 7/16 x 1-1/4 C-Z sq-nk crg

3шт.

271501

SOCKET

NUT, 7/16 C-Z hex

3шт.

120383

LOCK WASHER,Helical Spring, 7/16"

WASHER, LOCK, 7/16"

3шт.

21331R1

WASHER

15/32 x 1-1/4 x 16 ga

3шт.

25

162951C1

BRACKET, stalk roll frame brace LH

1шт.

25

162952C1

BRACKET, stalk roll frame brace RH

1шт.

18421R1

CARRIAGE BOLT,Short Sq Nk, 7/16" - 14 x 1", Gr 2

BOLT, CARRIAGE, Short NK, 7/16"-14 x 1", G5, Full Thd

4шт.

NLS

NO LONGER SERVICED

NUT, 7/16 C-Z hex

4шт.

120383

LOCK WASHER,Helical Spring, 7/16"

WASHER, LOCK, 7/16"

4шт.

26

NOT USED THIS APPLICATION

1шт.

27

166915C1

BRACKET, inner auger end support

2шт.

28

166916C1

YOKE, auger end support LH

2шт.

28

166917C1

YOKE, auger end support RH

2шт.

29

167039C1

PIN, yoke diagonal

4шт.

137263

STRIP

3/16" x 2"

8шт.

30

167013C91

SUPPORT ASSY, stalk roll angle, serial no. 685 and below

2шт.

18421R1

CARRIAGE BOLT,Short Sq Nk, 7/16" - 14 x 1", Gr 2

BOLT, CARRIAGE, Short NK, 7/16"-14 x 1", G5, Full Thd

8шт.

271501

SOCKET

NUT, 7/16 C-Z hex

8шт.

120383

LOCK WASHER,Helical Spring, 7/16"

WASHER, LOCK, 7/16"

8шт.

31

167056C91

SUPPORT ASSY, diagonal pipe

2шт.

9849633

NUT,1"-8, G5

2шт.

32

NOT USED THIS APPLICATION

1шт.

33

NOT USED THIS APPLICATION

1шт.

34

162878C1

BRACKET, stalk roll shield adj screw LH

6шт.

18421R1

CARRIAGE BOLT,Short Sq Nk, 7/16" - 14 x 1", Gr 2

BOLT, CARRIAGE, Short NK, 7/16"-14 x 1", G5, Full Thd

12шт.

NLS

NO LONGER SERVICED

NUT, 7/16 C-Z hex

12шт.

120383

LOCK WASHER,Helical Spring, 7/16"

WASHER, LOCK, 7/16"

12шт.

35

589696R1

BUSHING

SPACER, stalk roll driven sprocket

6шт.

36

580849R1

PINION

GEAR, stalk roll drive 20T

12шт.

37

162879C1

BRACKET, stalk roll shield adj screw RH

6шт.

18421R1

CARRIAGE BOLT,Short Sq Nk, 7/16" - 14 x 1", Gr 2

BOLT, CARRIAGE, Short NK, 7/16"-14 x 1", G5, Full Thd

12шт.

271501

SOCKET

NUT, 7/16 C-Z hex

12шт.

120383

LOCK WASHER,Helical Spring, 7/16"

WASHER, LOCK, 7/16"

12шт.

38

162886C93

SHIELD ASSY, stalk roll LH

6шт.

39

162887C93

SHIELD ASSY, stalk roll RH

6шт.

40

170376C1

SHIELD

stalk roll point LH

6шт.

40

170377C1

SHIELD

stalk roll point RH

6шт.

18508R1

CARRIAGE BOLT,Short Nk, 3/8" - 16 x 3/4", Gr 2, Full Thd

BOLT, 3/8 x 1 C-Z sq-nk crg

24шт.

120377

NUT,3/8" - 16, Gr 5

24шт.

120382

LOCK WASHER,Helical Spring, 3/8"

WASHER, LOCK, 3/8"

24шт.

41

156706C1

ARM, stalk roll shield adj lower

12шт.

617939R1

PIN,5/16" x 1 1/2", Coiled

12шт.

42

166151C91

ARM ASSY, stalk roll shield control

12шт.

43

166154C2

SHIELD, stalk roll adj rod

6шт.

18421R1

CARRIAGE BOLT,Short Sq Nk, 7/16" - 14 x 1", Gr 2

BOLT, CARRIAGE, Short NK, 7/16"-14 x 1", G5, Full Thd

18шт.

NLS

NO LONGER SERVICED

NUT, 7/16 C-Z hex

18шт.

120383

LOCK WASHER,Helical Spring, 7/16"

WASHER, LOCK, 7/16"

18шт.

44

156719C1

ANGLE, stalk roll shield control tube

24шт.

17351R1

CARRIAGE BOLT,Short Sq Nk, 3/8" - 16 x 1", Gr 2

BOLT, 3/8 x 1 C-Z sq-nk crg

48шт.

120377

NUT,3/8" - 16, Gr 5

48шт.

120382

LOCK WASHER,Helical Spring, 3/8"

WASHER, LOCK, 3/8"

48шт.

45

589457R1

SCREW, stalk roll shield adj nut

24шт.

492-11062

BEARING WASHER,5/8"

WASHER, LOCK, 5/8"

24шт.

46

156708C2

SCREW, stalk roll shield adj left

6шт.

47

156709C2

SCREW, stalk roll shield adj right

6шт.

48

M5895

COLLAR, stalk roll shield adj rod

4шт.

125843

SET SCREW,Hex Skt, 3/8"-16 x 3/8"

SCREW, 3/8 x 3/4 C-Z hex-soc-hd

4шт.

49

935560R1

NUT, stalk roll shield adj left

6шт.

50

935561R1

NUT, stalk roll shield adj right

6шт.

51

589725R91

CRANK ASSY, stalk roll shield adj

1шт.

517843R1

COTTER PIN

PIN, 3/16 qa cot

1шт.

52

154246C1

ROD, stalk roll shield adj

2шт.

53

SPROCKET, stalk roll driven 15T, refer to stalk roll drive unit for listing

6шт.

54

NOT USED THIS APPLICATION

1шт.

55

162826C1

ANGLE, stalk roll frame tie center

5шт.

18794R1

BOLT,Hex, 7/16" - 14 x 1", Gr 2

7/16 x 1 C-Z hex-hd mach

20шт.

271501

SOCKET

NUT, 7/16-14 C-Z hex

20шт.

120383

LOCK WASHER,Helical Spring, 7/16"

WASHER, LOCK, 7/16"

20шт.

Выбрано товаров: 157