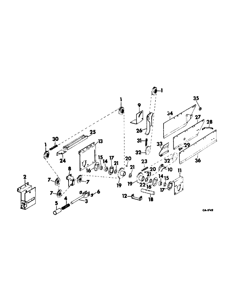
Запчасти Case IH 763 (N-22) - STALK ROLL DRIVE (58) - ATTACHMENTS/HEADERS

Схема запчастей Case IH 763 - (N-22) - STALK ROLL DRIVE (58) - ATTACHMENTS/HEADERS
2
17
21
23
6
22
14
13
5
32
1
16
7
31
11
7
1
20
35
19
34
3
18
12
16
15
28
20
29
21
14
21
25
17
4
10
8
26
24
9
36
19
30
1
7
15
32
27
33
FIT
1:1
100%

Артикул

Название

Примечание

Количество

1

163349C1

SPROCKET ASSY.

SPROCKET, stalk roll driven 15T

6шт.

2

162612C91

BRACKET ASSY, stalk roll drive tightener LH

1шт.

2

162613C91

BRACKET ASSY, stalk roll drive tightener RH

1шт.

18421R1

CARRIAGE BOLT,Short Sq Nk, 7/16" - 14 x 1", Gr 2

BOLT, CARRIAGE, Short NK, 7/16"-14 x 1", G5, Full Thd

6шт.

271501

SOCKET

NUT, 7/16 C-Z hex

6шт.

120383

LOCK WASHER,Helical Spring, 7/16"

WASHER, LOCK, 7/16"

6шт.

3

151656C91

YOKE ASSY, drive chain tightener

2шт.

21353R1

NUT, 7/8 znp nylon insert hex

2шт.

21212R1

WASHER

25/32 x 2 x 11 ga C-Z

2шт.

4

544

CANVAS

SPRING, drive chain tightener rod

2шт.

5

589856R1

SPACER, drive chain tightener

2шт.

6

156691C1

BAR

BLOCK, stalk roll drive chain tightener

4шт.

7

629972R91

DRIVE SPROCKET,15T

SPROCKET ASSY, chain tightener & idler

6шт.

18825R1

BOLT,Hex, 5/8" - 11 x 2 3/4", Gr 2

5/8 x 2-3/4 hex-hd mach

2шт.

18827R1

BOLT,Hex, 5/8" - 11 x 3 1/2", Gr 2

5/8 x 3-1/2 hex-hd mach

4шт.

124589

BALL STUD,Hex, 5/8" - 11 x 2", Gr 5

5/8 C-Z hex

6шт.

492-11062

BEARING WASHER,5/8"

WASHER, LOCK, 5/8"

6шт.

464623R1

WASHER

21/32 x 1-1/4 x 11 ga C-Z

1шт.

8

168427C1

BRACKET

ASSY, stalk roll drive idler

2шт.

18421R1

CARRIAGE BOLT,Short Sq Nk, 7/16" - 14 x 1", Gr 2

BOLT, CARRIAGE, Short NK, 7/16"-14 x 1", G5, Full Thd

4шт.

NLS

NO LONGER SERVICED

NUT, 7/16-14 C-Z hex

4шт.

120383

LOCK WASHER,Helical Spring, 7/16"

WASHER, LOCK, 7/16"

4шт.

9

163395C1

BRACKET, stalk roll drive tightener LH, 763CH serial no. 895 & below

1шт.

9

163396C1

BRACKET, stalk roll drive tightener RH, 763CH serial no. 895 & below

1шт.

18421R1

CARRIAGE BOLT,Short Sq Nk, 7/16" - 14 x 1", Gr 2

BOLT, CARRIAGE, Short NK, 7/16"-14 x 1", G5, Full Thd

4шт.

271501

SOCKET

NUT, 7/16 C-Z hex

4шт.

120383

LOCK WASHER,Helical Spring, 7/16"

WASHER, LOCK, 7/16"

4шт.

9

173743C1

BRACKET, stalk roll drive tightener LH, 763CH serial no. 896 & above and 764 corn head

1шт.

9

173744C1

BRACKET, stalk roll drive tightener RH, 763CH serial no. 896 & above and 764 corn head

1шт.

18695R1

CARRIAGE BOLT,Short Sq Nk, 7/16" - 14 x 1 1/4", Gr 2

BOLT, 7/16 x 1-1/4 znd sq-nk crg

4шт.

NLS

NO LONGER SERVICED

NUT, 7/16 znd hex

4шт.

120383

LOCK WASHER,Helical Spring, 7/16"

WASHER, LOCK, 7/16"

4шт.

10

583620R1

BLOCK

stalk roll drive jackshaft LH

1шт.

10

583619R1

BLOCK

stalk roll drive jackshaft RH

1шт.

12872R1

BOLT,Short NK, 5/16"-18 x 1", G2, Full Thd

CARRIAGE, Short NK, 5/16"-18 x 1", G2, Full Thd

2шт.

120376

NUT,5/16"-18, G5

2шт.

80681

LOCK WASHER,5/16"

WASHER, LOCK, 5/16"

2шт.

619855R1

WASHER

11/32 x 3/4 x 16 ga C-Z

2шт.

11

162630C1

BRACKET, jackshaft rear bearing, 763CH serial no. 895 and below

2шт.

11

173395C1

BRACKET, jackshaft rear bearing, 763CH serial no. 896 and above and 764 corn head

2шт.

18421R1

CARRIAGE BOLT,Short Sq Nk, 7/16" - 14 x 1", Gr 2

BOLT, CARRIAGE, Short NK, 7/16"-14 x 1", G5, Full Thd

4шт.

271501

SOCKET

NUT, 7/16 C-Z hex

4шт.

120383

LOCK WASHER,Helical Spring, 7/16"

WASHER, LOCK, 7/16"

4шт.

12

162636C1

BRACE, jackshaft bracket

4шт.

18421R1

CARRIAGE BOLT,Short Sq Nk, 7/16" - 14 x 1", Gr 2

BOLT, CARRIAGE, Short NK, 7/16"-14 x 1", G5, Full Thd

8шт.

NLS

NO LONGER SERVICED

NUT, 7/16 C-Z hex

8шт.

120383

LOCK WASHER,Helical Spring, 7/16"

WASHER, LOCK, 7/16"

8шт.

13

162631C1

BRACKET, jackshaft front bearing LH

1шт.

13

162632C1

BRACKET, jackshaft front bearing RH

1шт.

18421R1

CARRIAGE BOLT,Short Sq Nk, 7/16" - 14 x 1", Gr 2

BOLT, CARRIAGE, Short NK, 7/16"-14 x 1", G5, Full Thd

6шт.

271501

SOCKET

NUT, 7/16 C-Z hex

6шт.

120383

LOCK WASHER,Helical Spring, 7/16"

WASHER, LOCK, 7/16"

6шт.

14

156011C91

BALL BEARING

BEARING ASSY, stalk roll drive

4шт.

15

557995R11

COLLAR

W/SET SCREW, lkg

4шт.

115321

SET SCREW,Hex Skt, 5/16"-18 x 5/16"

SCREW, 5/16 x 5/16 hex-soc-hd cup

4шт.

16

939460R91

FLANGE

w/65 deg lub fitting, brg

4шт.

17

939461R1

FLANGE

stalk roll jackshaft brg

4шт.

18508R1

CARRIAGE BOLT,Short Nk, 3/8" - 16 x 3/4", Gr 2, Full Thd

BOLT, 3/8 x 3/4 C-Z sq-nk crg

12шт.

120377

NUT,3/8" - 16, Gr 5

12шт.

120382

LOCK WASHER,Helical Spring, 3/8"

WASHER, LOCK, 3/8"

12шт.

18

162635C1

SHAFT, stalk roll drive jack

2шт.

19

163398C91

SPROCKET ASSY, stalk roll drive 23T

4шт.

20

124554

O-RING

5/16 x 1 Woodruff no. 8

4шт.

21

632156R1

THRUST WASHER

stalk roll drive jackshaft

1шт.

22

632157R1

SPACER, stalk roll drive jackshaft

2шт.

23

CHAIN, stalk roll jackshaft drive, 763 corn head, use 71 links from 10-ft roll marked 1793D, 1 offset link 1318D and 1 connecting link 1786D

2шт.

23

CHAIN, stalk roll jackshaft drive, 764 corn head, use 103 links from 10-ft roll marked 1793D, 1 offset link 1318D and 1 connecting link 1786D

2шт.

24

163397C1

ANGLE, stalk roll drive guide

4шт.

18508R1

CARRIAGE BOLT,Short Nk, 3/8" - 16 x 3/4", Gr 2, Full Thd

BOLT, 3/8 x 3/4 znd sq-nk crg

8шт.

120377

NUT,3/8" - 16, Gr 5

8шт.

120382

LOCK WASHER,Helical Spring, 3/8"

WASHER, LOCK, 3/8"

8шт.

25

162720C1

GUIDE, stalk roll chain upper, 763 corn head

2шт.

25

162719C1

BOARD

GUIDE, stalk roll drive chain upper, 764 corn head

2шт.

16888R1

HARDWARE,Short NK, 5/16"-18 x 1 1/4", G2

BOLT, 5/16 x 1-1/4 C-Z sq-nk crg

4шт.

120376

NUT,5/16"-18, G5

4шт.

80681

LOCK WASHER,5/16"

WASHER, LOCK, 5/16"

4шт.

26

586291R1

GUIDE, stalk roll drive LH

1шт.

26

167343C1

GUIDE, stalk roll drive RH

1шт.

19041R1

BOLT,7/16"-14 x 1 1/4", G2, Full Thd

7/16 x 1-1/4 no. 3 plow

4шт.

NLS

NO LONGER SERVICED

NUT, 7/16 C-Z hex

4шт.

120383

LOCK WASHER,Helical Spring, 7/16"

WASHER, LOCK, 7/16"

4шт.

27

173346C1

SHIELD, stalk roll drive LH, 763CH serial no. 896 and above

1шт.

27

173347C1

SHIELD, stalk roll drive RH, 763CH serial no. 896 and above

1шт.

18508R1

CARRIAGE BOLT,Short Nk, 3/8" - 16 x 3/4", Gr 2, Full Thd

BOLT, 3/8 x 3/4 znd sq-nk crg

2шт.

120377

NUT,3/8" - 16, Gr 5

2шт.

120382

LOCK WASHER,Helical Spring, 3/8"

WASHER, LOCK, 3/8"

2шт.

28

173440C1

SUPPORT, stalk roll drive chain shield inner, 763CH serial no. 896 and above, 764CH serial no. 501 and above

2шт.

18508R1

CARRIAGE BOLT,Short Nk, 3/8" - 16 x 3/4", Gr 2, Full Thd

BOLT, 3/8 x 3/4 znd sq-nk crg

4шт.

17351R1

CARRIAGE BOLT,Short Sq Nk, 3/8" - 16 x 1", Gr 2

BOLT, 3/8 x 1 znd sq-nk crg

2шт.

120377

NUT,3/8" - 16, Gr 5

6шт.

120382

LOCK WASHER,Helical Spring, 3/8"

WASHER, LOCK, 3/8"

6шт.

29

169131C1

SUPPORT, stalk roll drive shield outer, 763CH serial no. 896 and above, 764CH serial no. 501 and above

2шт.

18508R1

CARRIAGE BOLT,Short Nk, 3/8" - 16 x 3/4", Gr 2, Full Thd

BOLT, 3/8 x 3/4 znd sq-nk crg

2шт.

17351R1

CARRIAGE BOLT,Short Sq Nk, 3/8" - 16 x 1", Gr 2

BOLT, 3/8 x 1 znd sq-nk crg

2шт.

120377

NUT,3/8" - 16, Gr 5

4шт.

120382

LOCK WASHER,Helical Spring, 3/8"

WASHER, LOCK, 3/8"

4шт.

30

CHAIN, stalk roll drive outer, 763CH w/28 inch rows, use 111 links serial no. 895 & below & 115 links serial no. 896 & above from 10-ft roll marked 1793D and 1 connecting link 1786D

2шт.

30

CHAIN, stalk roll drive outer, 763CH w/30 inch rows, use 119 links serial no. 895 & below & 121 links serial no. 896 & above from 10-ft roll marked 1793D and 1 connecting link 1786D

2шт.

30

CHAIN, stalk roll drive outer, 764CH w/36 inch rows, use 135 links from 10-ft roll marked 1793D and 1 connecting link 1786D

2шт.

30

CHAIN, stalk roll drive outer, 764CH w/38 inch rows, use 141 links from 10-ft roll marked 1793D and 1 connecting link 1786D

2шт.

31

CHAIN, stalk roll drive inner, 763CH w/28 inch rows, use 87 links from 10-ft roll marked 1793D and 1 connecting link 1786D

2шт.

31

CHAIN, stalk roll drive inner, 763CH w/30 inch rows, use 85 links from 10-ft roll marked 1793D and 1 connecting link 1786D

2шт.

31

CHAIN, stalk roll drive inner, 764CH w/36 inch rows, use 79 links from 10-ft roll marked 1793D and 1 connecting link 1786D

2шт.

31

CHAIN, stalk roll drive inner, 764CH w/38 inch rows, use 77 links from 10-ft roll marked 1793D and 1 connecting link 1786D

2шт.

32

SPROCKET, stalk roll drive, refer to main drive unit for listing

4шт.

33

169125C1

SHIELD ASSY, stalk roll jackshaft LH, 763CH serial no. 686 thru 895

1шт.

33

169126C1

SHIELD ASSY, stalk roll jackshaft RH, 763CH serial no. 686 thru 895

1шт.

18508R1

CARRIAGE BOLT,Short Nk, 3/8" - 16 x 3/4", Gr 2, Full Thd

BOLT, 3/8 x 3/4 znd sq-nk crg

4шт.

18479R1

CARRIAGE BOLT,Sq Nk, 3/8" - 16 x 2", Gr 2

BOLT, 3/8 x 2 znd sq-nk crg

2шт.

120377

NUT,3/8" - 16, Gr 5

6шт.

18421R1

CARRIAGE BOLT,Short Sq Nk, 7/16" - 14 x 1", Gr 2

BOLT, CARRIAGE, Short NK, 7/16"-14 x 1", G5, Full Thd

2шт.

271501

SOCKET

NUT, 7/16 C-Z hex

2шт.

120382

LOCK WASHER,Helical Spring, 3/8"

WASHER, LOCK, 3/8"

6шт.

120383

LOCK WASHER,Helical Spring, 7/16"

WASHER, LOCK, 7/16"

2шт.

34

168029C2

SHIELD ASSY, stalk roll drive LH, 763CH serial no. 895 and below

1шт.

34

168030C2

SHIELD ASSY, stalk roll drive RH, 763CH serial no. 895 and below

1шт.

18422R1

CARRIAGE BOLT,Sq Nk, 3/8" - 16 x 1 3/4", Gr 2

BOLT, 3/8 x 3-3/4 C-Z sq-nk crg

2шт.

18421R1

CARRIAGE BOLT,Short Sq Nk, 7/16" - 14 x 1", Gr 2

BOLT, CARRIAGE, Short NK, 7/16"-14 x 1", G5, Full Thd

2шт.

120377

NUT,3/8" - 16, Gr 5

2шт.

NLS

NO LONGER SERVICED

NUT, 7/16 C-Z hex

2шт.

120382

LOCK WASHER,Helical Spring, 3/8"

WASHER, LOCK, 3/8"

2шт.

120383

LOCK WASHER,Helical Spring, 7/16"

WASHER, LOCK, 7/16"

2шт.

35

364002R1

SPACER,3/8" Pipe x 1"

stalk roll drive shield, 763CH serial no. 895 and below

2шт.

36

173797C1

SHIELD, stalk roll drive LH, 764CH

1шт.

36

173798C1

SHIELD, stalk roll drive RH, 764CH

1шт.

18508R1

CARRIAGE BOLT,Short Nk, 3/8" - 16 x 3/4", Gr 2, Full Thd

BOLT, 3/8 x 3/4 C-Z sq-nk crg

2шт.

120377

NUT,3/8" - 16, Gr 5

2шт.

120382

LOCK WASHER,Helical Spring, 3/8"

WASHER, LOCK, 3/8"

2шт.

Выбрано товаров: 128