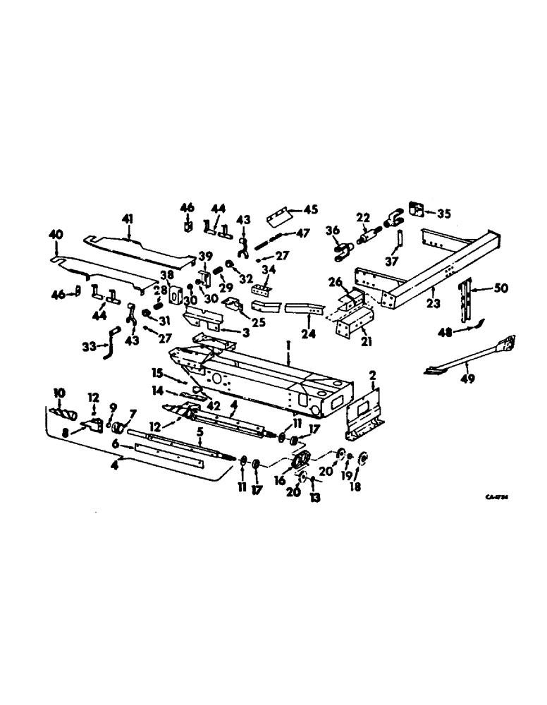
Запчасти Case IH 782 (P-16) - STALK ROLL FRAME AND ROLLS, SERIAL NO. 512 AND BELOW (58) - ATTACHMENTS/HEADERS

Схема запчастей Case IH 782 - (P-16) - STALK ROLL FRAME AND ROLLS, SERIAL NO. 512 AND BELOW (58) - ATTACHMENTS/HEADERS
23
33
42
34
8
39
48
6
18
21
38
47
30
28
37
19
4
16
44
17
49
4
5
35
27
43
3
7
30
50
20
10
43
45
32
12
22
17
36
29
46
12
40
15
2
11
1
11
27
13
14
24
46
44
25
26
31
41
20
9
FIT
1:1
100%

Артикул

Название

Примечание

Количество

175248C91

STALK ROLL CONVERSION PACKAGE, parts accessories, available for converting from intermesh type rolls to knife type rolls

8шт.

1

162514C93

FRAME ASSY, stalk roll

8шт.

18695R1

CARRIAGE BOLT,Short Sq Nk, 7/16" - 14 x 1 1/4", Gr 2

BOLT, 7/16 x 1-1/4 C-Z sq-nk crg

32шт.

NLS

NO LONGER SERVICED

NUT, 7/16 C-Z hex

32шт.

120383

LOCK WASHER,Helical Spring, 7/16"

WASHER, LOCK, 7/16"

32шт.

2

163312C11

BRACKET ASSY, stalk roll frame

8шт.

18421R1

CARRIAGE BOLT,Short Sq Nk, 7/16" - 14 x 1", Gr 2

BOLT, CARRIAGE, Short NK, 7/16"-14 x 1", G5, Full Thd

32шт.

18695R1

CARRIAGE BOLT,Short Sq Nk, 7/16" - 14 x 1 1/4", Gr 2

BOLT, 7/16 x 1-1/4 C-Z sq-nk crg

24шт.

271501

SOCKET

NUT, 7/16 C-Z hex

56шт.

120383

LOCK WASHER,Helical Spring, 7/16"

WASHER, LOCK, 7/16"

56шт.

3

167879C1

SHIELD, stalk roll frame LH

8шт.

3

167880C1

SHIELD, stalk roll frame RH

8шт.

18508R1

CARRIAGE BOLT,Short Nk, 3/8" - 16 x 3/4", Gr 2, Full Thd

BOLT, 3/8 x 3/4 C-Z sq-nk crg

16шт.

120377

NUT,3/8" - 16, Gr 5

16шт.

120382

LOCK WASHER,Helical Spring, 3/8"

WASHER, LOCK, 3/8"

16шт.

4

162590C91

ROLL ASSY, left driver stalk

4шт.

4

162591C91

ROLL ASSY, left driven stalk

4шт.

4

162592C91

ROLL ASSY, right driven stalk

4шт.

4

162593C91

ROLL ASSY, right driven stalk, includes ref nos. 5 thru 10 & 12

4шт.

5

162595C1

SHAFT, stalk roll driver

8шт.

5

162594C1

SHAFT, stalk roll driven

8шт.

19638R1

LOCK NUT,3/4"-16, GB

NUT, 3/4-16 znp nylon insert hex

16шт.

178139

WASHER, 1-3/16 C-Z med lock

16шт.

6

162586C1

BAR

SECTION, stalk roll intermesh

64шт.

181694

BOLT,Hex, 1/2" - 20 x 7/8"

SCREW, 1/2 x 7/8 C-Z hex-hd cap

256шт.

138549

LOCK WASHER,Int Tooth, 1/2"

WASHER, LOCK, Int Tooth, 1/2"

256шт.

7

162599C1

POINT, stalk roll center RH spiral

8шт.

7

162598C1

POINT, stalk roll center LH spiral

8шт.

169047C1

PIN

5/16 x 2-3/8 groove

16шт.

8

162588C11

SUPPORT ASSY, stalk roll outer

8шт.

8

162587C11

SUPPORT ASSY, stalk roll inner, includes ref nos 9 and 12

8шт.

9

162589C1

BUSHING

stalk roll support

32шт.

10

162597C1

POINT

stalk roll front RH spiral

8шт.

10

162596C1

ROLL

POINT, stalk roll front LH spiral

8шт.

168102C1

PIN

5/16 x 2 groove

16шт.

11

654297R1

WASHER

stalk roll shaft

16шт.

12

219-8

LUBE NIPPLE,1/4" - 28 NPTF

FITTING, 1/4-28 NF str-lub

16шт.

13

584253R1

WASHER

25/32 x 1-3/4 x 3/16

16шт.

14

162600C1

KNIFE

weed front LH

8шт.

14

162601C1

KNIFE

weed front RH

8шт.

113-206

BOLT,Hex, 3/8" - 16 x 3/4", Gr 5, Full Thd

3/8 x 3/4 C-Z hex-hd cap

48шт.

120382

LOCK WASHER,Helical Spring, 3/8"

WASHER, LOCK, 3/8"

48шт.

15

589713R1

SHIM

WASHER, weed knife shim

1шт.

16

153748C11

HOUSING W/BEARING, stalk roll, includes ref no. 17

8шт.

18695R1

CARRIAGE BOLT,Short Sq Nk, 7/16" - 14 x 1 1/4", Gr 2

BOLT, 7/16 x 1-1/4 C-Z sq-nk crg

32шт.

NLS

NO LONGER SERVICED

NUT, 7/16 C-Z hex

32шт.

120383

LOCK WASHER,Helical Spring, 7/16"

WASHER, LOCK, 7/16"

32шт.

17

156030C91

BEARING

ASSY, stalk roll housing ball

16шт.

18

SPROCKET, stalk roll driven 15T, refer to stalk roll drive for listing

8шт.

19

589696R1

BUSHING

SPACER, stalk roll driven sprocket

8шт.

20

580849R1

PINION

GEAR, stalk roll drive 20T

16шт.

21

166794C91

SUPPORT ASSY, feeder ext. diagonal LH

1шт.

21

166795C91

SUPPORT ASSY, feeder ext. diagonal RH

1шт.

18421R1

CARRIAGE BOLT,Short Sq Nk, 7/16" - 14 x 1", Gr 2

BOLT, CARRIAGE, Short NK, 7/16"-14 x 1", G5, Full Thd

32шт.

271501

SOCKET

NUT, 7/16 C-Z hex

32шт.

120383

LOCK WASHER,Helical Spring, 7/16"

WASHER, LOCK, 7/16"

32шт.

22

167056C91

SUPPORT ASSY, diagonal pipe

2шт.

9849633

NUT,1"-8, G5

2шт.

23

162910C91

EXTENSION ASSY, feeder frame

1шт.

18421R1

CARRIAGE BOLT,Short Sq Nk, 7/16" - 14 x 1", Gr 2

BOLT, CARRIAGE, Short NK, 7/16"-14 x 1", G5, Full Thd

8шт.

18695R1

CARRIAGE BOLT,Short Sq Nk, 7/16" - 14 x 1 1/4", Gr 2

BOLT, 7/16 x 1-1/4 C-Z sq-nk crg

4шт.

NLS

NO LONGER SERVICED

NUT, 7/16 C-Z hex

12шт.

120383

LOCK WASHER,Helical Spring, 7/16"

WASHER, LOCK, 7/16"

12шт.

24

163249C1

ANGLE, stalk roll frame support LH, serial no. 511 and below

1шт.

24

163250C1

ANGLE, stalk roll frame support RH, serial no. 511 and below

1шт.

24

149066C1

ANGLE, stalk roll frame support LH, serial no. 512 and above

1шт.

24

169067C1

ANGLE, stalk roll frame support RH, serial no. 512 and above

1шт.

18695R1

CARRIAGE BOLT,Short Sq Nk, 7/16" - 14 x 1 1/4", Gr 2

BOLT, 7/16 x 1-1/4 C-Z sq-nk crg

8шт.

271501

SOCKET

NUT, 7/16 C-Z hex

8шт.

120383

LOCK WASHER,Helical Spring, 7/16"

WASHER, LOCK, 7/16"

8шт.

25

167013C91

SUPPORT ASSY, stalk roll angle, serial no. 511 and below

2шт.

18421R1

CARRIAGE BOLT,Short Sq Nk, 7/16" - 14 x 1", Gr 2

BOLT, CARRIAGE, Short NK, 7/16"-14 x 1", G5, Full Thd

8шт.

NLS

NO LONGER SERVICED

NUT, 7/16 C-Z hex

8шт.

120383

LOCK WASHER,Helical Spring, 7/16"

WASHER, LOCK, 7/16"

8шт.

26

166799C91

EXTENSION ASSY, feeder upper LH

1шт.

26

166800C91

EXTENSION ASSY, feeder upper RH

1шт.

18421R1

CARRIAGE BOLT,Short Sq Nk, 7/16" - 14 x 1", Gr 2

BOLT, CARRIAGE, Short NK, 7/16"-14 x 1", G5, Full Thd

8шт.

271501

SOCKET

NUT, 7/16 C-Z hex

8шт.

120383

LOCK WASHER,Helical Spring, 7/16"

WASHER, LOCK, 7/16"

8шт.

27

589457R1

SCREW, stalk roll shield adj nut retainer

32шт.

492-11062

BEARING WASHER,5/8"

WASHER, LOCK, 5/8"

32шт.

28

156708C1

SCREW, stalk roll shield adj left

8шт.

29

156709C1

SCREW, stalk roll shield adj right

8шт.

30

M5895

COLLAR, stalk roll shield adj rod

4шт.

125843

SET SCREW,Hex Skt, 3/8"-16 x 3/8"

SCREW, 3/8 x 3/8 C-Z hex-soc-hd cup

4шт.

31

935560R1

NUT, stalk roll shield adj left

8шт.

32

935561R1

NUT, stalk roll shield adj right

8шт.

33

589725R91

CRANK ASSY, stalk roll shield adj

1шт.

517843R1

COTTER PIN

PIN, 3/16 qa cot

1шт.

34

163251C1

CHANNEL, stalk roll frame support, serial no. 511 and below

2шт.

18421R1

CARRIAGE BOLT,Short Sq Nk, 7/16" - 14 x 1", Gr 2

BOLT, CARRIAGE, Short NK, 7/16"-14 x 1", G5, Full Thd

4шт.

NLS

NO LONGER SERVICED

NUT, 7/16 C-Z hex

4шт.

120383

LOCK WASHER,Helical Spring, 7/16"

WASHER, LOCK, 7/16"

4шт.

35

166915C1

BRACKET, inner auger end support

2шт.

36

166916C1

YOKE, auger end support LH

2шт.

36

166917C1

YOKE, auger end support RH

2шт.

37

167039C1

PIN, yoke diagonal

4шт.

432-1232

COTTER PIN,3/16" OD x 2" L

3/16" x 2"

8шт.

38

162878C1

BRACKET, stalk roll shield adj screw LH

8шт.

18421R1

CARRIAGE BOLT,Short Sq Nk, 7/16" - 14 x 1", Gr 2

BOLT, CARRIAGE, Short NK, 7/16"-14 x 1", G5, Full Thd

16шт.

271501

SOCKET

NUT, 7/16 C-Z hex

16шт.

120383

LOCK WASHER,Helical Spring, 7/16"

WASHER, LOCK, 7/16"

16шт.

39

162879C1

BRACKET, stalk roll shield adj screw RH

8шт.

18421R1

CARRIAGE BOLT,Short Sq Nk, 7/16" - 14 x 1", Gr 2

BOLT, CARRIAGE, Short NK, 7/16"-14 x 1", G5, Full Thd

16шт.

NLS

NO LONGER SERVICED

NUT, 7/16 C-Z hex

16шт.

120383

LOCK WASHER,Helical Spring, 7/16"

WASHER, LOCK, 7/16"

16шт.

40

162886C93

SHIELD ASSY, stalk roll LH

8шт.

41

162887C93

SHIELD ASSY, stalk roll RH

8шт.

42

170376C1

SHIELD

stalk roll point LH

8шт.

42

170377C1

SHIELD

stalk roll point RH

8шт.

18508R1

CARRIAGE BOLT,Short Nk, 3/8" - 16 x 3/4", Gr 2, Full Thd

BOLT, 3/8 x 1 C-Z sq-nk crg

32шт.

120377

NUT,3/8" - 16, Gr 5

32шт.

120382

LOCK WASHER,Helical Spring, 3/8"

WASHER, LOCK, 3/8"

32шт.

43

156706C1

ARM, stalk roll shield adj lower

16шт.

617939R1

PIN,5/16" x 1 1/2", Coiled

16шт.

44

166151C91

ARM ASSY, stalk roll shield control

16шт.

45

166154C2

SHIELD, stalk roll adj rod

8шт.

18421R1

CARRIAGE BOLT,Short Sq Nk, 7/16" - 14 x 1", Gr 2

BOLT, CARRIAGE, Short NK, 7/16"-14 x 1", G5, Full Thd

24шт.

271501

SOCKET

NUT, 7/16 C-Z hex

24шт.

120383

LOCK WASHER,Helical Spring, 7/16"

WASHER, LOCK, 7/16"

24шт.

46

156719C1

ANGLE, stalk roll shield control tube

32шт.

17351R1

CARRIAGE BOLT,Short Sq Nk, 3/8" - 16 x 1", Gr 2

BOLT, 3/8 x 1 C-Z sq-nk crg

64шт.

120377

NUT,3/8" - 16, Gr 5

64шт.

120382

LOCK WASHER,Helical Spring, 3/8"

WASHER, LOCK, 3/8"

64шт.

47

162950C1

ROD, stalk roll shield adj

2шт.

48

163258C1

BRACKET, feeder extension

1шт.

18695R1

CARRIAGE BOLT,Short Sq Nk, 7/16" - 14 x 1 1/4", Gr 2

BOLT, 7/16 x 1-1/4 C-Z sq-nk crg

2шт.

NLS

NO LONGER SERVICED

NUT, 7/16 C-Z hex

2шт.

120383

LOCK WASHER,Helical Spring, 7/16"

WASHER, LOCK, 7/16"

2шт.

49

168420C1

BRACE ASSY, stalk roll frame center support pipe

1шт.

18421R1

CARRIAGE BOLT,Short Sq Nk, 7/16" - 14 x 1", Gr 2

BOLT, CARRIAGE, Short NK, 7/16"-14 x 1", G5, Full Thd

8шт.

18695R1

CARRIAGE BOLT,Short Sq Nk, 7/16" - 14 x 1 1/4", Gr 2

BOLT, 7/16 x 1-1/4 znd sq-nk crg

4шт.

271501

SOCKET

NUT, 7/16 C-Z hex

12шт.

120383

LOCK WASHER,Helical Spring, 7/16"

WASHER, LOCK, 7/16"

12шт.

50

167488C2

CHANNEL ASSY, feeder extension

1шт.

18421R1

CARRIAGE BOLT,Short Sq Nk, 7/16" - 14 x 1", Gr 2

BOLT, CARRIAGE, Short NK, 7/16"-14 x 1", G5, Full Thd

4шт.

NLS

NO LONGER SERVICED

NUT, 7/16 C-Z hex

4шт.

120383

LOCK WASHER,Helical Spring, 7/16"

WASHER, LOCK, 7/16"

4шт.

Выбрано товаров: 138