Запчасти Case IH 800 - SERIES (A-12) - MAIN DRIVE AND SHIELDING, 824, 833, 834, 843 AND 844 CORN HEADS (58) - ATTACHMENTS/HEADERS

Схема запчастей Case IH 800 - SERIES - (A-12) - MAIN DRIVE AND SHIELDING, 824, 833, 834, 843 AND 844 CORN HEADS (58) - ATTACHMENTS/HEADERS
12
18
22
14
5
9
16
6
21
2
6
15
19
11
4
13
7
17
5
3
8
7
1
20
10
FIT
1:1
100%

Артикул

Название

Примечание

Количество

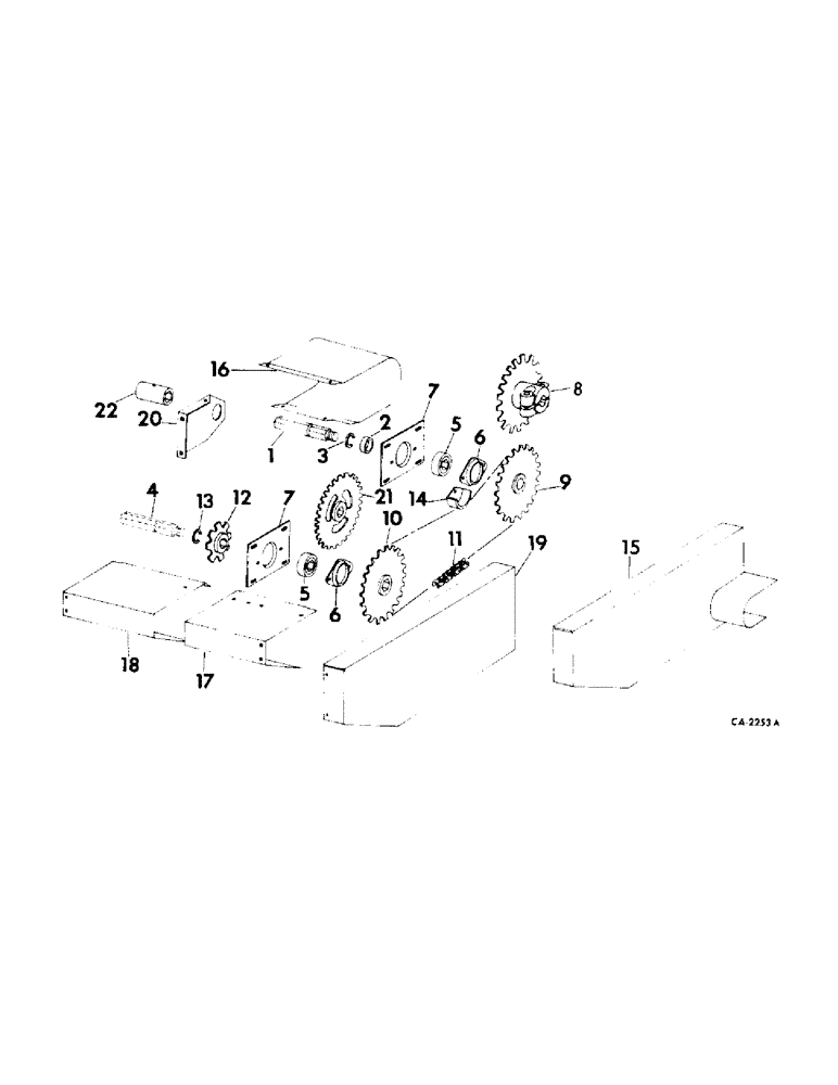
1

176320C1

SHAFT

main drive rear, 833 CH

1шт.

1

176321C2

SHAFT, main drive rear, 834 CH

1шт.

1

176470C2

SHAFT

main drive rear, 843 CH

1шт.

1

176323C2

SHAFT

main drive rear, 844 CH

1шт.

2

935856R1

BUSHING

SPACER, main drive shaft rear, 833 CH

1шт.

2

176337C1

SPACER

main drive shafe rear, 834, 843 and 844 CH

1шт.

3

575186R1

SNAP RING

RING, main drive shaft, 833, 834, 843 and 844 CH

1шт.

4

SHAFT, main drive front outer, refer to stalk roll and gatherer drive gear case and slip clutch

1шт.

5

156816C91

BEARING HOUSING,28.6mm Hex x 72mm OD x 25mm W

BEARING, main drive shaft ball, 1 used 824 CH, 2 used 833, 834, 843 and 844 CH

1шт.

6

599382R1

FLANGED BEARING

main drive shaft brg, 1 used 824 CH, 2 used 833, 834, and 844 CH

1шт.

18508R1

CARRIAGE BOLT,Short Nk, 3/8" - 16 x 3/4", Gr 2, Full Thd

BOLT, 3/8 x 3/4 znd sq-nk crg

1шт.

482256R1

BEARING LOCK NUT,Flg, USR, 3/8"-16

3/8 znd flange lock

1шт.

7

176338C1

FLANGED BEARING

FLANGE, main drive shaft brg, 1 used 824 CH, 2 used 833, 834, 843 and 844 CH

1шт.

18508R1

CARRIAGE BOLT,Short Nk, 3/8" - 16 x 3/4", Gr 2, Full Thd

BOLT, 3/8 x 3/4 znd sq-nk crg

1шт.

482256R1

BEARING LOCK NUT,Flg, USR, 3/8"-16

3/8 znd flange lock

1шт.

8

176339C1

PINION

SPROCKET, main drive, 824 CH, 24T

1шт.

18810R1

BOLT,Hex, 1/2" - 13 x 2 1/4", Gr 2

1/2 x 2-1/4 hex-hd mach

1шт.

120378

NUT,Hex, 1/2" - 13, Gr 5

NUT, 1/2"-13, G5

1шт.

120384

WASHER,1/2"

LOCK, 1/2"

1шт.

9

176340C1

DRIVE SPROCKET

SPROCKET, main drive 24T, 833, 834, 843 and 844 CH

1шт.

102609R1

LOCK NUT,3/4"-16

NUT, 3/4 znd nylon insert

1шт.

21211R1

WASHER

25/32 x 1-1/2 x 7 ga znd

1шт.

10

176340C1

DRIVE SPROCKET

SPROCKET, main drive 24T

1шт.

10

199181C1

PINION

SPROCKET ASSY, main driven 28T, 940 rpm, parts accessories

1шт.

102609R1

LOCK NUT,3/4"-16

NUT, 3/4 znd nylon insert

1шт.

21211R1

WASHER

25/32 x 1-1/2 x 7 ga znd

1шт.

11

CHAIN ASSY, main drive, use 89 links from 10 ft roll marked 1793D and one connecting link 1786D

1шт.

1786D

LINK

#60H single pitch connecting

1шт.

12

176342C1

SPROCKET,8T

SPROCKET, auger drive 8T

1шт.

13

575186R1

SNAP RING

RING, main drive shaft

1шт.

14

176343C1

TENSIONER

BLOCK, main drive tightener

1шт.

17351R1

CARRIAGE BOLT,Short Sq Nk, 3/8" - 16 x 1", Gr 2

BOLT, 3/8 x 1 znd sq-nk crg

1шт.

120377

NUT,3/8" - 16, Gr 5

1шт.

120382

LOCK WASHER,Helical Spring, 3/8"

WASHER, LOCK, 3/8"

1шт.

15

176396C1

SHIELD ASSY, main drive chain, 824 CH

1шт.

18764R1

HARDWARE,Hex, 5/16"-18 x 3/4", G2

BOLT, 5/16 x 3/4 znd hex-hd mach

1шт.

80681

LOCK WASHER,5/16"

WASHER, LOCK, 5/16"

1шт.

16

176346C1

SHIELD, main drive rear shaft, 834 CH

1шт.

16

176347C1

SHIELD, main drive rear shaft, 843 CH

1шт.

16

176348C1

SHIELD, main drive rear shaft, 844 CH

1шт.

938017R1

FLANGE NUT,Flg, USR, 5/16"-18

5/16 znd flange lock

1шт.

477-73108

SERRATED SCREW,Sl Truss Hd, 5/16" - 18 x 1/2"

5/16 x 1/2 znd flange lock

1шт.

17

176275C1

SHIELD

main drive front shaft RH, 2 used 833 CH, 3 used 843 CH

1шт.

17

176276C1

SHIELD

main drive front shaft RH, 1 used 824 CH, 2 used 834 CH, 3 used 844 CH

1шт.

18673R1

CARRIAGE BOLT,Short Sq Nk, 5/16" - 18 x 1/2", Gr 2

BOLT, 5/16 x 1/2 znd sq-nk crg

1шт.

16897R1

CARRIAGE BOLT,Short Nk, 5/16" - 18 x 3/4", Gr 2, Full Thd

BOLT, 5/16 X 3/4 znd sq-nk crg

1шт.

938017R1

FLANGE NUT,Flg, USR, 5/16"-18

5/16 znd flange lock

1шт.

18

176277C1

SHIELD

main drive front shaft LH, 1 used 824 CH, 2 used 833 and 834 CH, 3 used 843 and 844 CH

1шт.

16897R1

CARRIAGE BOLT,Short Nk, 5/16" - 18 x 3/4", Gr 2, Full Thd

BOLT, 5/16 x 3/4 znd sq-nk crg

1шт.

938017R1

FLANGE NUT,Flg, USR, 5/16"-18

5/16 znd flange lock

1шт.

19

176401C1

SHIELD

ASSY, main drive chain, 833, 834, 843 and 844 CH

1шт.

18764R1

HARDWARE,Hex, 5/16"-18 x 3/4", G2

BOLT, 5/16 x 3/4 znd hex-hd mach

1шт.

80681

LOCK WASHER,5/16"

WASHER, LOCK, 5/16"

1шт.

20

176403C1

SUPPORT

ASSY, main drive rear shaft shield, 844 CH

1шт.

18673R1

CARRIAGE BOLT,Short Sq Nk, 5/16" - 18 x 1/2", Gr 2

BOLT, 5/16 x 1/2 znd sq-nk crg

1шт.

938017R1

FLANGE NUT,Flg, USR, 5/16"-18

5/16 znd flange lock

1шт.

21

178666C1

DRIVE SPROCKET

SPROCKET, main drive driven 32T, slow speed

1шт.

102609R1

LOCK NUT,3/4"-16

NUT, 3/4 znd nylon insert

1шт.

21211R1

WASHER

25/32 x 1-1/2 x 7 ga znd

1шт.

22

178647C2

COUPLING, BREAK AWAY

COUPLING, main drive rear LH, 833 corn head

1шт.

231-1448

NUT,1/2"-13, GB

1/2 znd nylon insert hex

1шт.

180185

BOLT,Hex, 1/2" - 13 x 2 1/2", Gr 5

SCREW, 1/2 x 2-1/2 znd hex-hd cap

1шт.

Выбрано товаров: 62