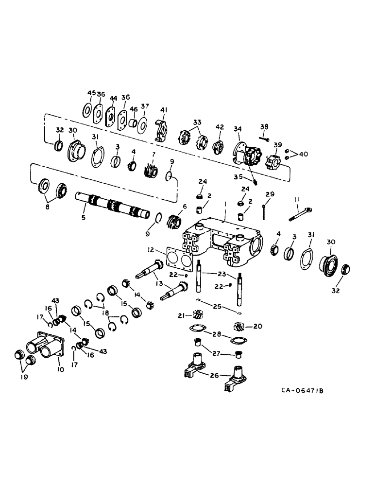
Запчасти Case IH 900 - SERIES (B-14) - STALK ROLL AND GATHERER DRIVE GEAR CASE AND SLIP CLUTCH (58) - ATTACHMENTS/HEADERS

Схема запчастей Case IH 900 - SERIES - (B-14) - STALK ROLL AND GATHERER DRIVE GEAR CASE AND SLIP CLUTCH (58) - ATTACHMENTS/HEADERS
7
14
10
34
9
41
30
23
18
16
40
31
13
2
9
22
20
17
4
33
4
6
46
27
28
8
11
26
45
21
36
16
22
3
12
43
36
25
39
32
44
3
31
42
14
15
32
15
24
2
29
37
24
43
35
5
19
17
38
30
FIT
1:1
100%

Артикул

Название

Примечание

Количество

199500C96

HOUSING ASSY.

HOUSING ASSY, stalk roll drive LH, includes ref nos. 1 thru 10, 12 thru 32, 43 & attaching parts

1шт.

199500C96R

REMAN-STALKROLL DR G

Left Hand, Clutch On Right Side Of Gearbox

1шт.

199500C96C

CORE-STALKROLL DR GE

Return Number

1шт.

199501C96

HOUSING ASSY.

HOUSING ASSY, stalk roll drive RH, includes ref nos. 1 thru 10, 12 thru 32, 43 & attaching parts

1шт.

199501C96R

REMAN-STALKROLL DR G

Right Hand, Clutch On Left Side Of Gearbox

1шт.

199501C96C

CORE-STALKROLL DR GE

Return Number

1шт.

199477C91

HOUSING

ASSY, stalk roll drive gear, includes ref no. 2

1шт.

2

199479C3

BUSHING,25.59mm ID x 33.44mm OD x 36.5mm L

BEARING, gatherer drive upper shaft

2шт.

3

376463C1

BEARING CUP

BEARING, stalk roll drive gear cup

2шт.

4

533729R91

ROLLER BEARING,1.968" ID x 3.2283" OD x 0.8465"

ASSY, stalk roll drive gear cone

2шт.

5

1327013C1

SHAFT

stalk roll drive gear, replaces 199483C1

1шт.

When replacing shaft 199483C1, gear 199486C2 or gear 199487C2 order the parts listed at the bottom of this figure

1шт.

6

1327011C1

PINION

GEAR, gatherer drive helical LH, 6T, replaces 199486C2

1шт.

When replacing shaft 199483C1, gear 199486C2 or gear 199487C2 order the parts listed at the bottom of this figure

1шт.

7

1327012C1

PINION

GEAR, gatherer drive helical RH, 6T, replaces 199487C2

1шт.

When replacing shaft 199483C1, gear 199486C2 or gear 199487C2 order the parts listed at the bottom of this figure

1шт.

8

199942C1

GEAR

stalk roll drive bevel, 24T, replaces 199484C1

2шт.

9

583564R1

SNAP RING,#250, 2.356, Ext

RING, 2.356 ext rect sect ret, .08 thick, use with shaft 199483C1

2шт.

9

911256R1

RING, 2.36 ext rect sect ret, .18 thick, use with shaft 1327013C1

2шт.

10

199476C2

BEARING ASSY,59.93 mm ID x 81 mm OD x 99 mm

HOUSING, stalk roll drive bearing

1шт.

196471C1

BOLT,Hex, 3/8" - 16 x 1 1/4"

3/8-16 x 1-1/4 PHC type 5 flange

8шт.

11

176365C1

BOLT,5/8" - 11 x 5.8"

EYEBOLT, stalk row drive gear housing

2шт.

20166R1

BOLT,Hex, 5/8" - 11 x 6", Gr 5

5/8 x 6 type 5

4шт.

280374

NUT,Hex, 5/8" - 11, Gr 5

5/8 type 5

4шт.

492-11062

BEARING WASHER,5/8"

WASHER, LOCK, 5/8"

8шт.

12

199492C1

GASKET,0.25mm Thk

stalk roll drive bearing housing front

1шт.

13

1327073C2

PINION

SHAFT, stalk roll driven bevel, 16T, replaces 199485R1 by also ordering snap ring 21193R1

2шт.

14

536053R1

ROLLER BEARING,1.3772" ID x 2.3622" OD x 0.625"

BEARING ASSY, stalk roll drive cone

4шт.

15

536054R1

BEARING CUP,60mm OD x 11.94mm W

BEARING, stalk row drive cup

4шт.

16

199883C1

WASHER,35.08mm ID x 44.93mm OD x 2.51mm Thk

WASHER, drive bearing support

2шт.

17

659380R1

SNAP RING,#137, Ext

Ring, Snap, , driven gear , .05 thick, use with shaft 199485C1 #137, Ext

2шт.

17

21193R1

SNAP RING,#137. Ext

Ring, Snap, #137, Ext, driven gear, .09 thick, used with shaft 1327073C2

2шт.

18

562025R1

CIRCLIP

RING, stalk roll drive bearing snap

4шт.

Used with drive housing 199500C95 and 199501C95

1шт.

19

199884C1

OIL SEAL,35.18mm ID x 62.05mm OD x 9.14mm Thk

stalk roll driven gear oil

2шт.

20

199488C1

GEAR

gatherer driven helical LH, 17T

1шт.

21

199489C1

GEAR

gatherer driven helical RH, 17T

1шт.

22

124553

WOODRUFF KEY,#15, 1/4" x 1", HT

Gatherer drive gears #15, 1/4" x 1", HT

2шт.

23

199490C2

SHAFT

gatherer drive

2шт.

24

199491C1

SEAL,25.36mm ID x 38.25mm OD x 10.69mm Thk

gatherer drive shaft oil

2шт.

25

937158R1

RING, SNAP

RING, gatherer drive shaft snap

4шт.

26

1306133C91

CAP

ASSY, gatherer drive shaft lower, includes ref no. 27

2шт.

196471C1

BOLT,Hex, 3/8" - 16 x 1 1/4"

3/8-16 x 1-1/4 PHC type 5 flange

8шт.

27

176357C1

BUSHING,38.41mm ID x 47.65mm OD x 28.6mm L

BEARING, gatherer drive shaft lower cap

2шт.

28

176375C1

GASKET,0.25mm Thk

gatherer drive shaft housing

2шт.

29

199495C1

DIPSTICK

GAUGE ASSY, stalk roll gear housing fill

1шт.

30

199474C91

BEARING ASSY

HOUSING ASSY, stalk roll drive gear shaft bearing, includes ref no. 3

2шт.

196471C1

BOLT,Hex, 3/8" - 16 x 1 1/4"

3/8-16 x 1-1/4 PHC type 5 flange

8шт.

31

1306175C1

GASKET,0.25mm Thk

stalk roll drive gear shaft bearing housing

2шт.

32

176386C91

OIL SEAL,49.17mm ID x 68.38mm OD x 8.84mm Thk

stalk roll drive gear shaft oil

2шт.

33

168370C1

RATCHET

stalk roll drive slip clutch

2шт.

34

199689C4

HOLDER

stalk roll drive slip clutch

1шт.

25501R1

BOLT,Hex, 3/8" - 16 x 3 3/4", Gr 8

3/8 x 3-3/4 PHC type 8

1шт.

1306680C1

FLANGE NUT

NUT, 3/8 hex flange collarlok

1шт.

35

219-8

LUBE NIPPLE,1/4" - 28 NPTF

FITTING, 1/8 NPT str lub

1шт.

36

176391C2

RETAINER

slip clutch ratchet spring, not for 28 in. spacing

2шт.

36

1306550C1

RETAINER

slip clutch spring, for 28 in. spacing

1шт.

37

176392C1

LOCK WASHER

stalk row drive slip clutch spring

3шт.

38

113-257

BOLT,Hex, 3/8" - 16 x 2-1/2", Gr 5

3/8 x 2-1/2 znd type 5, not for 28 in. spacing, replaces 538757R1

4шт.

38

27451R1

CARRIAGE BOLT,Sq Nk, 3/8" - 16 x 2 1/4", Gr 5

BOLT, 3/8 x 2-1/4 crg type 5, for 28 in. spacing

4шт.

1306680C1

FLANGE NUT

NUT, 3/8 hex flange collarlok

4шт.

39

176387C1

HUB

COLLAR, drive

1шт.

40

199804C1

SPACER

drive slip clutch hub

4шт.

41

180032C1

HOLDER

slip clutch ratchet

1шт.

42

176499C1

HUB

drive ratchet outer

1шт.

43

663604R2

SHIM

.020

1шт.

Used with drive housing 199500C95 and 199501C95

1шт.

43

663605R2

SHIM

.007

1шт.

Used with drive housing 199500C95 and 199501C95

1шт.

44

1306964C1

SEAL

slip clutch spring, not for 28 in. spacing

1шт.

45

1306966C1

SEAL

slip clutch spring, for 28 in. spacing

1шт.

46

1327005C1

SEAL

SEAL, slip clutch spring inner

1шт.

1327011C1

PINION

GEAR

1шт.

Order this part when replacing shaft 199483C1, gear 199486C2 or gear 199487C2

1шт.

1327012C1

PINION

GEAR

1шт.

Order this part when replacing shaft 199483C1, gear 199486C2 or gear 199487C2

1шт.

1327013C1

SHAFT

1шт.

Order this part when replacing shaft 199483C1, gear 199486C2 or gear 199487C2

1шт.

911258R1

SPECIAL RING

RING, retaining

2шт.

Order this part when replacing shaft 199483C1, gear 199486C2 or gear 199487C2

1шт.

Выбрано товаров: 80