Запчасти Case IH F345 (12) - MAIN DRIVE SPROCKETS AND TIGHTENERS, MODEL 800 (58) - ATTACHMENTS/HEADERS

Схема запчастей Case IH F345 - (12) - MAIN DRIVE SPROCKETS AND TIGHTENERS, MODEL 800 (58) - ATTACHMENTS/HEADERS
25
34
18
21
28
22
1
35
8
20
12
33
26
9
27
23
32
24
13
15
14
2
3
31
19
17
25
10
24
30
4
8
15
7
5
6
11
30
16
29
9
FIT
1:1
100%

Артикул

Название

Примечание

Количество

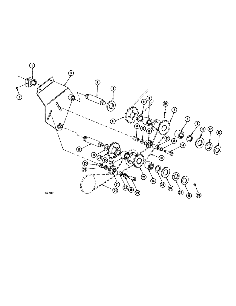
1

F75896

BEARING - header pivot

1шт.

2

219-1

LUBE NIPPLE,1/8" - 27 NPTF

FITTING - grease

1шт.

3

F79970

BRACKET - pivot, L.H.

1шт.

PIN - cotter 3/8" x 3-1/2" (132-206)

1шт.

4

F11754

SHAFT - stub, rear

1шт.

FITTING - grease 1/8 PT (219-3)

1шт.

PIN - cotter 1/4" x 2" (132-154)

1шт.

5

O2089CS

X

WASHER - thrust

1шт.

6

F11775

SPROCKET - drive

1шт.

BOLT - 3/8" x 1-1/4" N.F. hex. (14-620) nut (25-116)

4шт.

7

F79962

SPROCKET AND HUB - gear box drive

1шт.

8

F7356

NEEDLE BEARING,Needle, 38.1mm ID x 47.63mm OD x 22.23mm W

BEARING

2шт.

9

F7357

SEAL

2шт.

10

219-3

LUBE NIPPLE,1/8" - 27 NPTF

FITTING - grease 1/8 PT

1шт.

11

O31402HT

WASHER - retainer

1шт.

12

F11757

SPACER

1шт.

13

F11758

WASHER - retaining

1шт.

14

O4925CS

STUD - idler

1шт.

15

O236CD

WASHER

2шт.

16

F82220

SPROCKET - idler

1шт.

17

O2167CK

X

BEARING

1шт.

18

F18041

SPACER - idler

1шт.

BOLT - 5/8" x 1-1/4" N.F. hex. (14-1020) l. w. (92-10) and pl. wshr. (195-41)

1шт.

19

F11777

PIN- pivot

1шт.

PIN - cotter 1/4" x 2" (132-154)

1шт.

20

86636814

LUBE NIPPLE,1/4"-28 x .52" lg

FITTING - grease 1/4" - 28

1шт.

21

D31312

WASHER

1шт.

22

F11760

SPROCKET - (27T) gear box drive

1шт.

BOLT - 3/8" x 1-1/4" N.F. hex. (14-620) nut (25-116)

4шт.

23

F79973

SPROCKET AND HUB

1шт.

24

F7356

NEEDLE BEARING,Needle, 38.1mm ID x 47.63mm OD x 22.23mm W

BEARING

2шт.

25

F7357

SEAL

2шт.

26

O31402HT

WASHER - retainer

1шт.

27

F11757

SPACER

1шт.

28

F11758

WASHER - retaining

1шт.

29

O9166HT1

STUD

- idler

1шт.

NUT - 5/8" N.F. hex. (25-1110) l. w. (92-10) and pl. wshr. (195-41)

1шт.

30

O236CH

WASHER

2шт.

31

F82220

SPROCKET - idler

1шт.

32

O2167CK

X

BEARING

1шт.

33

O1629TS

WASHER

2шт.

34

F18039

CHAIN - main drive, front (NSS - see page 5)

1шт.

35

F12319

X

CHAIN - main drive, rear (NSS - seep page 5)

1шт.

Выбрано товаров: 43