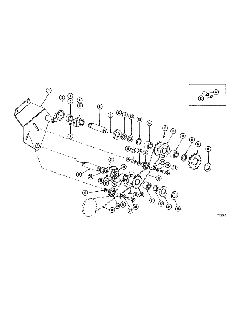
Запчасти Case IH F345 (14) - MAIN DRIVE SPROCKETS AND TIGHTENERS, MODELS 1000, 1010, 1060 (58) - ATTACHMENTS/HEADERS

Схема запчастей Case IH F345 - (14) - MAIN DRIVE SPROCKETS AND TIGHTENERS, MODELS 1000, 1010, 1060 (58) - ATTACHMENTS/HEADERS
18
15
41
24
14
34
42
38
10
33
35
31
11
37
32
39
20
8
30
23
1
22
5
21
7
6
9
16
32
40
17
13
31
29
12
37
18
15
4
20
3
14
28
25
43
36
27
26
2
FIT
1:1
100%

Артикул

Название

Примечание

Количество

1

F79957

BRACKET - pivot, L.H.

1шт.

BOLT - 3/8" x 7/8" N.F. hex, (114-218) nut (129-123)

2шт.

PIN - cotter 3/8" x 3-1/2" (132-206)

1шт.

2

LS3288S

WASHER - spacer

1шт.

3

F11790

SPACER - thrust (Model 1000)

1шт.

4

F12327

INSERT - pivot sleeve (Model 1010 & 1060)

1шт.

5

F75896

BEARING - header pivot (Model 1000)

1шт.

6

F86049

GUIDE

BEARING - header pivot (Model 1010 & 1060)

1шт.

7

219-1

LUBE NIPPLE,1/8" - 27 NPTF

FITTING - grease 1/8" PT str.

1шт.

8

F11777

SHAFT - stub. rear

1шт.

PIN - cotter 1/4" x 2" (132-154)

1шт.

9

86636814

LUBE NIPPLE,1/4"-28 x .52" lg

FITTING - grease 1/4" - 28

1шт.

10

O2089CS

X

WASHER - thrust

1шт.

11

D31312

WASHER

2шт.

12

O31402HT

WASHER

1шт.

13

F79973

SPROCKET AND HUB

1шт.

14

F7356

NEEDLE BEARING,Needle, 38.1mm ID x 47.63mm OD x 22.23mm W

BEARING

2шт.

15

F7357

SEAL - oil

2шт.

16

219-3

LUBE NIPPLE,1/8" - 27 NPTF

FITTING - grease 1/8" PT str.

1шт.

17

F11775

SPROCKET - (25T)

1шт.

BOLT - 3/8" x 1-1/4" N.F. hex. (14-620) nut (25-116)

4шт.

18

F11758

WASHER - retaining

1шт.

19

O4925CS

STUB - tightener sprocket

1шт.

20

O236CH

WASHER - spacer

2шт.

21

F82220

SPROCKET - rear tightener (14T) gear box drive

1шт.

22

O2167CK

X

BEARING

1шт.

23

F18041

SPACER - rear tightener sprocket

1шт.

BOLT - 5/8" x 1-1/2" N.F. hex. (14-1024) l. w. (92-10) and pl. wshr. (195-41)

1шт.

24

F18010

SPACER

1шт.

25

F11754

PIN- pivot, front jackshaft drive

1шт.

PIN - cotter 1/4" x 2" (132-154)

1шт.

26

O2089CS

X

WASHER - thrust

1шт.

27

D31312

WASHER

1шт.

28

F11760

SPROCKET - (27T) gear box drive

1шт.

BOLT - 3/8" x 1-1/2" N.F. hex. (14-624) nut (25-116)

4шт.

29

F11791

SPACER - sprocket

1шт.

30

F79962

SPROCKET AND HUB - (24T) gear box drive

1шт.

31

F7356

NEEDLE BEARING,Needle, 38.1mm ID x 47.63mm OD x 22.23mm W

BEARING

1шт.

32

F7357

SEAL - oil

1шт.

33

219-3

LUBE NIPPLE,1/8" - 27 NPTF

FITTING - grease 1/8" PT str.

1шт.

31

O31402HT

WASHER - retainer

1шт.

35

F11758

WASHER - retaining

1шт.

36

O4925CS

STUD - tightener sprocket

1шт.

NUT - 5/8" N.F. hex. (25-1110) l. w. (92-10) and pl. wshr. (195-41)

1шт.

37

O236CH

WASHER - spacer

2шт.

38

F91595

SPROCKET - (14T) front tightener, gear box drive

1шт.

39

O2167CK

X

BEARING

1шт.

40

F18039

CHAIN - main drive, front (NSS - see page 5)

1шт.

41

F12319

X

CHAIN - main gear box drive, rear (NSS - See Page 5)

1шт.

42

F12328

BUSHING - cylinder shaft chain skid (Models 1010 - 1060)

1шт.

43

T25683

SNAP RING,#75, Ext

Ring, Snap, , models 1010 - 1060 #75, Ext

1шт.

Выбрано товаров: 51