Запчасти Case IH F345 (40) - OUTER GATHERING CHAINS AND IDLERS (58) - ATTACHMENTS/HEADERS

Схема запчастей Case IH F345 - (40) - OUTER GATHERING CHAINS AND IDLERS (58) - ATTACHMENTS/HEADERS
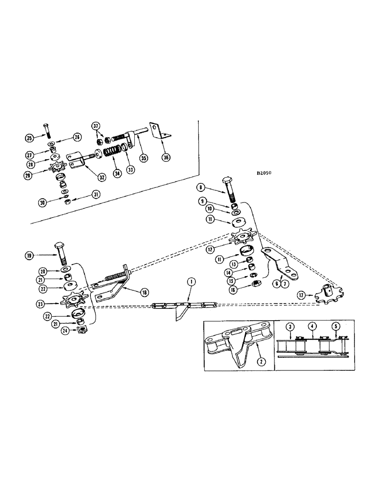
19
1
10
14
35
9
11
18
16
21
12
25
21
7
6
27
28
22
23
20
37
24
31
32
38
15
2
26
13
8
11
22
4
3
17
5
33
34
30
29
FIT
1:1
100%

Артикул

Название

Примечание

Количество

1

F82134

CHAIN - outer gathering (See Note) consists of (55) F10818 roller link, (1) F10674 conn. link and (12) lug links (See F78791)

2шт.

2

F78791

LINK - lug, #CA550 roller chain (lug link and 2 roller links riveted)

1шт.

3

F10818

LINK

- roller, #CA550 roller chain

1шт.

4

F10674

LINK

- connecting, #CA550 roller chain

1шт.

F79124

COTTERS - hardened (Pkg. of 25) For #CA550 roller chain

1шт.

5

F10673

LINK

- offset, #CA550 roller chain

1шт.

F92261

PINS and COTTERS (Pkg. of 5 each) For F10673

1шт.

6

F18005

BRACE - L.H. support, for rear gathering chain idler sprkt.

1шт.

7

F18017

BRACE - R.H. support, for rear gathering chain idler sprkt.

1шт.

8

14-1056

BOLT,Hex, 5/8" - 18 x 3-1/2", Gr 5

- 5/8" x 3-1/2" N.F. hex. (for rear idler sprocket)

2шт.

9

O4055N

SPACER - idler bracket, rear

2шт.

10

O578B

X

WASHER - F12313 rear idler sprocket

2шт.

11

F53095

WASHER - cup, for F12313 rear idler sprocket

4шт.

12

F12313

SPROCKET ASSY.

SPROCKET - (8T) outer gathering chain idler

2шт.

13

VC1438

SPACER - rear idler sprocket

2шт.

14

F10411

SPACER - rear idler sprocket

2шт.

15

92-10

LOCK WASHER,5/8"

WASHER, LOCK, 5/8"

2шт.

16

25-1110

NUT,5/8"-18, G5

- 5/8" N.F. hex. (rear idler sprocket bolt)

2шт.

17

F1305

SPROCKET ASSY.

SPROCKET - (8T) outer gathering chain drive

2шт.

18

F78686

YOKE - gathering chain tightener, front

2шт.

19

14-1052

BOLT,Hex, 5/8" - 18 x 3-1/4"

- 5/8" x 3-1/4" N.f. hex. (front chain tightener)

2шт.

20

195-41

WASHER,5/8"

- flat 5/8"

2шт.

21

VB1180

SPACER - 2 used with each front outer gathering chain tightener

4шт.

22

F53095

WASHER - cup, for F12313 front tightener sprocket

4шт.

23

F12313

SPROCKET ASSY.

SPROCKET - (8T) outer gathering chain tightener, front (Aetna #AG2558)

2шт.

24

F75313

LOCKNUT - for 5/8" bolt for F12313 front tightener sprocket

2шт.

25

14-1056

BOLT,Hex, 5/8" - 18 x 3-1/2", Gr 5

- 5/8" x 3-1/2" N.F. hex.

2шт.

26

195-41

WASHER,5/8"

- flat 5/8"

4шт.

27

F12539

SPACER

4шт.

28

F53095

WASHER - cup

4шт.

29

F12313

SPROCKET ASSY.

SPROCKET - (8T) front outer chain tightener

2шт.

30

92-10

LOCK WASHER,5/8"

WASHER, LOCK, 5/8"

2шт.

31

25-1110

NUT,5/8"-18, G5

- 5/8" N.F. hex.

2шт.

32

F86651

BRACKET - support, idler

2шт.

33

O4103TF

WASHER - cup

4шт.

34

F51099

SPRING

2шт.

35

F76519

ROD - adjusting

2шт.

36

F12531

GUIDE - rod, chain idler

2шт.

BOLT - 3/8" x 3/4" rhd. sq. nk. (11-612) nut (25-106)

4шт.

37

25-1010

NUT,5/8"-11, G5

4шт.

Выбрано товаров: 40