Запчасти Case IH F345 (42) - MAIN DRIVE SHAFT, AUGER DRIVE IDLER, AND TIGHTENER (58) - ATTACHMENTS/HEADERS

Схема запчастей Case IH F345 - (42) - MAIN DRIVE SHAFT, AUGER DRIVE IDLER, AND TIGHTENER (58) - ATTACHMENTS/HEADERS
51
60
19
37
39
42
7
62
29
41
6
23
60
33
39
15
14
56
49
46
37
9
17
5
4
19a
16
38
58
31
32
30
52
2
45
30
32
11
61
33
25
1
59
44
48
35
30
32
40
12
18
10
31
33
32
34
27
21
26
20
57
13
54
3
50
47
22
53
55
28
8
36
24
28
43
FIT
1:1
100%

Артикул

Название

Примечание

Количество

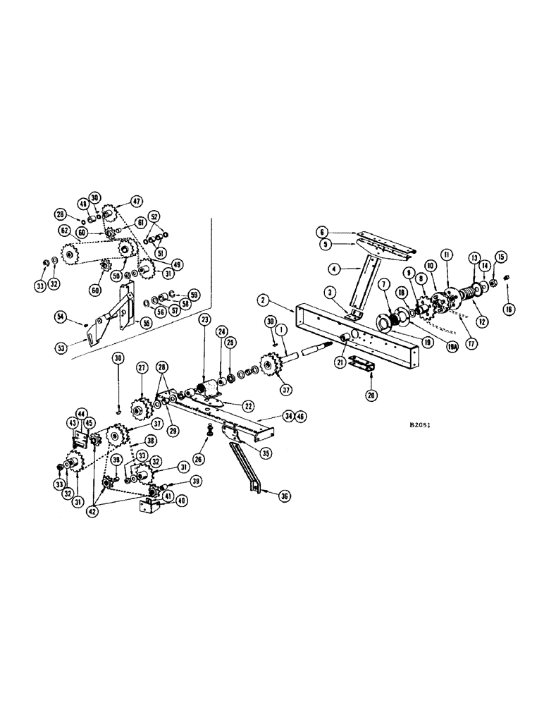
1

F20005

NOZZLE

SHAFT - drive, front end (Replaced by F87083 when stocks are exhausted)

1шт.

F87083

SHAFT - drive, front end (Replaces F20005 when stocks are exhausted)

1шт.

F13153

BOLT

DUST CAP - jump clutch spring

1шт.

O4413N

WASHER - between F13153 and 131-533

1шт.

131-533

LOCK,3/4"-16

NUT - 3/4" - 16 Flexloc, jump clutch shaft

1шт.

219-8

LUBE NIPPLE,1/4" - 28 NPTF

NIPPLE, LUBE, , #5010 Lincoln 1/4"-28 NPT x .54" lg

1шт.

2

F20004

NOZZLE

SUPPORT - rear cross, for front drive shaft

1шт.

BOLT - 1/2" x 1" N.F. hex. (14-816) nut (25-118) l. w. (92-8)

4шт.

3

F7394

BRACE - for F7393 channel brace

1шт.

BOLT - 5/16" x 1" N.F. hex. (14-516) nut (25-115) and l. w. (92-5) fl. wshr. (95-5)

2шт.

4

F7393

CHANNEL BRACE - for back sheet

1шт.

BOLT - 5/16" x 3/4" N.F. hex. (14-512) nut (25-115)

5шт.

5

F7391

BRACKET - upper back sheet

1шт.

6

F7491

HINGE - center, back sheets

1шт.

7

3074CSA

BALL BEARING

- rear, for F20005 shaft (Fafnir #RA100NPPB w/03785CS) collar not required for this application

1шт.

8

F76488

SPROCKET - (23T) drives main drive shaft

1шт.

9

F7226

BUSHING

1шт.

10

T16665

RING - clutch

2шт.

11

F76490

HUB - jump clutch

1шт.

12

O6326CH

SPRING - jump clutch

1шт.

13

O215CH1

DUST CAP - jump clutch spring (for F20005 shaft)

1шт.

14

W8199S

WASHER - between O6426CH and O215CH-1 (for F20005)

1шт.

15

O6426CH

NUT - lock, jump clutch shaft (for F20005)

1шт.

16

219-8

LUBE NIPPLE,1/4" - 28 NPTF

NIPPLE, LUBE, 1/4"-28 NPT x .54" lg

1шт.

17

F18024

BAR

CHAIN - main drive shaft drive (NSS - See Page 5)

1шт.

18

O46FG

WASHER - spacer

1шт.

19

O799CB

X

FLANGE - for Ref. 7

1шт.

19a

F22150

FLANGE - for Ref. 7 (#8266001 and after)

1шт.

O799CB

X

FLANGE - for Ref. 7 (Before #8266001)

1шт.

BOLT - 5/16" x 3/4" rhd. sq. nk. (11-512) nut (25-106)

3шт.

20

F7229

CHANNEL - "U" Bar, support for F20004

1шт.

BOLT - 3/8" x 3/4" N.F. hex. (14-612) nut (25-116) and l. w. (92-6) fl. wshr. (95-6)

2шт.

21

V21014

SPACER - front drive shaft (without cross auger attachment)

1шт.

22

F11725

PLATE - mounting, pillow block

1шт.

BOLT - 7/16" x 1" N.F. hex. (14-716) nut (25-117) l. w. (92-7)

2шт.

23

F76492

HOUSING - bearing, main drive shaft

1шт.

24

F7232

BEARING

- (Torrington #BH1812) for F76492 housing

2шт.

25

F7233

OIL SEAL - for F76492 housing

2шт.

26

F86399

FITTING

CONNECTOR - male 1/8" tube x 1/8" NPT, for F76492

1шт.

18-514

BOLT

- 5/16" x 7/8" N.C. plow, nut (25-105) l. w. (92-5)

4шт.

27

F76493

SPROCKET - (23T-double) drives gathering chain gear boxes

1шт.

SCREW - 5/16" x 1" N.C. sq. hd. cup pt. set (85-516)

1шт.

NUT - 5/16" N.C. jam (25-145)

1шт.

28

O3898BF

WASHER - spacer

4шт.

29

O6807HT

SPACER - between F76492 housing and F76493 sprockets

2шт.

30

126-21

WOODRUFF KEY,#A, 1/4" x 7/8"

2шт.

31

F76472

SPROCKET - (27T) feeder auger drive, driven (Standard - See F79233)

2шт.

F79233

SPROCKET - (20T) auger drive (extra slow auger speed attachment - See F76472)

2шт.

32

O5871BD

WASHER - auger shaft

2шт.

33

131-13

LOCK NUT,5/8"-18, GB

NUT - 5/8" N.F. Elastic Stop, auger shaft

2шт.

34

F79933

SUPPORT

CHANNEL - front support, for drive shaft

1шт.

35

F11722

BRACE - auger drive

1шт.

BOLT - 3/8" x 7/8" rhd. sq. nk. (11-614) nut (25-106)

2шт.

BOLT - 3/8" x 1" N.F. hex. (14-816) nut (25-106) l. w. (92-6)

1шт.

36

F8566

SUPPORT - for F79933 channel

1шт.

BOLT - 5/16" x 1" N.F. hex. (14-516) nut (25-115) l. w. (92-5)

1шт.

37

F76493

SPROCKET - auger drive (23T - double) Standard - See F76491

1шт.

SCREW - 5/16" x 1" N.C. sq. hd. cup pt. set (85-516)

1шт.

NUT - 5/16" N.C. jam (25-145)

1шт.

F76491

SPROCKET - auger drive (16T - double) slow speed _ See F76493

1шт.

38

F10406

CHAIN - L.H. auger drive (NSS - See Page 5)

1шт.

39

F7155

SPACER - L.H. auger chain tighteners

2шт.

40

F10965

BRACKET - idler support

1шт.

41

F7158

SPACER

1шт.

42

F78573

SPROCKET ASSY.

SPROCKET - (17T) auger drive idler tightener

2шт.

BOLT - 1/2" x 2-3/4" rhd. sq. nk. (11-844) nut (25-108)

1шт.

WASHER - 1/2" fl. (95-8)

6шт.

BOLT - 1/2" x 3-1/4" rhd. sq. nk. (11-852) nut (25-108)

1шт.

BOLT - 1/2" x 2-1/4" rhd. sq. nk. (11-836) nut (25-108)

1шт.

43

F7152

WASHER - auger chain tightener sprocket, R.H.

1шт.

44

F11724

BRACKET - auger drive idler, R.H.

1шт.

BOLT - 3/8" x 7/8" rhd. sq. nk. (11-614) nut (25-106)

2шт.

45

F10407

X

CHAIN - R.H. auger drive (NSS - see page 5)

1шт.

46

F86644

SUPPORT

- front (#8251001 to #8266001) See F79933

1шт.

47

F86648

SPROCKET - (23T) drive (#8251001 to #8266001) See F76493

1шт.

48

O6809HT

SPACER - auger drive sprocket, Serial Range: (#8251001-#8266001)

1шт.

49

O3900BF1

X

CHAIN - L.H. auger (NSS - See Page 5), Serial Range: (#8251001-#8266001)

1шт.

50

F86646

SPROCKET - double, Serial Range: (#8251001-#8266001)

1шт.

51

F51104

NEEDLE BEARING,Needle, 25.4mm ID x 33.35mm OD x 19.05mm W

BEARING

2шт.

52

O6629CH

SEAL

2шт.

53

F86645

BRACKET - reverse idler, Serial Range: (#8251001-#8266001)

1шт.

54

219-8

LUBE NIPPLE,1/4" - 28 NPTF

NIPPLE, LUBE, 1/4"-28 NPT x .54" lg

1шт.

55

F12525

BRACKET - auger drive support, Serial Range: (#8251001-#8266001)

1шт.

BOLT - 5/16" x 3/4" N.F. hex. (14-512) nut (25-115)

2шт.

56

O8401HT

SPACER - idler shaft, Serial Range: (#8251001-#8266001)

1шт.

57

O46FG

WASHER - reverse idler shaft, Serial Range: (#8251001-#8266001)

3шт.

58

W6915S

SPACER - reverse idler shaft, Serial Range: (#8251001-#8266001)

1шт.

59

B18208

SNAP RING,#100, Ext

reverse idler shaft (#8251001 to #8266001) #100, Ext

1шт.

60

F78573

SPROCKET ASSY.

SPROCKET - (17T) auger drive idler and tightener, Serial Range: (#8251001-#8266001)

2шт.

BOLT - 1/2" x 2-3/4" rhd. sq. nk. (11-844) nut (25-108)

1шт.

WASHER - 1/2" lfat (95-8)

5шт.

BOLT - 1/2" x 2" N.F. hex. (14-832) nut (25-118) l. w. (92-8)

1шт.

61

F7155

SPACER - sprocket idler, Serial Range: (#8251001-#8266001)

1шт.

62

F18024

BAR

CHAIN - R.H. auger (NSS - See Page 5), Serial Range: (#8251001-#8266001)

1шт.

Выбрано товаров: 94