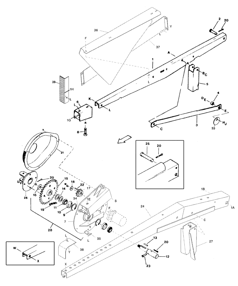
Запчасти Case IH 1042 (09-11) - REEL DRIVE SYSTEM

Схема запчастей Case IH 1042 - (09-11) - REEL DRIVE SYSTEM
17
c
22
l
a
34
20
s
l
m
11
r
f
y
m
x
g
1d
1g
a
1b
x
23
c
39
w
2
21
hj
27
26
10
l
24
uv
1a
38
35
13
e
15
20
36
8
bc
y
6
20
1
l
9
l
28
l
19
1h
1e
25
37
20
12
k
14
7
1f
18
f
y
4
33
de
l
t
l
s
3
16
FIT
1:1
100%

Артикул

Название

Примечание

Количество

1

126634A1

ARM

2шт.

2

126602A1

PIN

5/8 x 3-1/4

2шт.

3

1336583C1

BRACE

2шт.

4

1276751C1

SPACER

2шт.

5

1327308C1

SUPPORT

Left Hand

1шт.

5

338828A1

SUPPORT

Right Hand, Not Shown

1шт.

6

126633A1

SUPPORT

1шт.

30.0 Foot Header

1шт.

6

126633A1

SUPPORT

2шт.

36.0 Foot Header

1шт.

7

1986006C1

LARGE PLATE

PLATE, LARGE Includes 9, 10

1шт.

30.0 Foot Header

1шт.

7

338847A1

SUPPORT

Includes 9, 10, Shown

1шт.

36.0 Foot Header

1шт.

8

1986007C1

SCREW

2шт.

9

100-21231

SNAP RING,2.312", Int, #231

2шт.

10

651817R1

BEARING CUP

2шт.

10

651817R1GV

BEARING CUP

Value, Bearing Cup

2шт.

11

602958R91

BEARING ASSY,31.75 mm ID x 25.4 mm

2шт.

12

428837A1

SHAFT

Replaces 1336590C2

1шт.

13

344606A1

KEY

1шт.

14

1276595C1

SHIM

2шт.

15

1336592C1

SPROCKET ASSY.

1шт.

30.0 Foot Header

1шт.

15

1336593C1

SPROCKET ASSY.

1шт.

36.0 Foot Header

1шт.

16

1336594C1

WASHER

1шт.

17

1336596C1

SPROCKET ASSY.

1шт.

18

126705A1

WASHER

7,1 x 32 x 3 mm

1шт.

19

611362R91

CHAIN (AG)

No. 60, 10 ft

1шт.

20

32-1220

COTTER PIN,3/16" x 1 1/4"

5шт.

21

1336598C2

SHIELD

1шт.

30.0 Foot Header

1шт.

21

1336599C1

COVER ASSY

1шт.

36.0 Foot Header

1шт.

22

126714A1

SHIM

1шт.

23

27-8231

CLEVIS PIN,1/2" x 2 5/16"

2шт.

24

338840A1

ARM

Center Support

1шт.

36.0 Foot Header

1шт.

26

338612A1

HUB

Includes Clevis

1шт.

36.0 Foot Header

1шт.

27

367246A1

SUPPORT

Center

1шт.

36.0 Foot Header

1шт.

28

338582A1

REEL

Includes Motor

1шт.

30.0 Foot Header

1шт.

33

338722A1

RETAINER

2шт.

34

338852A1

CHANNEL

Center

1шт.

36.0 Foot Header

1шт.

35

1954807C1

CLAMP

1шт.

36

352704A1

SHIELD

Right Hand Reel Arm, Shown

1шт.

36

352702A1

SHIELD

Left Hand Reel Arm

1шт.

37

344737A1

RETAINER

1шт.

38

344736A1

SHIELD

Reel Drive

1шт.

30.0 Foot Header

1шт.

39

429271A1

REFLECTOR

Transport Light Bracket, RH Only, With Reflector

1шт.

30.0 Foot Header

1шт.

a

433-856

CARRIAGE BOLT,Sq Nk, 1/2" - 13 x 3 1/2", Gr 5

1/2 x 3-1/2

1шт.

b

80679

LOCK WASHER,1/20.507 CST ZND

1шт.

c

231-4118

LOCK NUT,1/2"-13, GB

1/2

1шт.

d

413-1028

BOLT,Hex, 5/8" - 11 x 1-3/4", Gr 5

5/8 x 1-3/4

1шт.

e

495-11066

WASHER,5/8", SAE

21/32 x 1-5/16 x 3/32

1шт.

f

409-7612

BOLT,3/8"-16 x 1.09" OAL

1шт.

g

425-1312

SLOTTED NUT,3/4"-16, G5

3/4 NF

1шт.

h

492-11062

BEARING WASHER,5/8"

1шт.

j

425-1010

NUT,5/8"-11, G5

1шт.

k

413-644

BOLT,Hex, 3/8" - 16 x 2-3/4", Gr 5

1шт.

l

473371R1

FLANGE NUT

3/8 NC

1шт.

m

413-816

BOLT,Hex, 1/2" - 13 x 1", Gr 5

1шт.

n

413-412

BOLT,Hex, 1/4" - 20 x 3/4", Gr 5

1шт.

q

492-11025

LOCK WASHER,1/4"

1шт.

r

425-1410

JAM NUT,Jam, 5/8"-11, G5

5/8

1шт.

s

434-412

CARRIAGE BOLT,Sht Sq Nk, 1/4" - 20 x 3/4", Gr 5

1/4 x 3/4

1шт.

t

231-5144

SERRATED NUT,Flg, USR, 1/4"-20

1шт.

u

413-616

BOLT,Hex, 3/8" - 16 x 1", Gr 5

1шт.

v

492-11038

LOCK WASHER,3/8"

1шт.

x

231-41410

NUT,5/8"-11, GB

1шт.

y

434-612

CARRIAGE BOLT,Sht Sq Nk, 3/8" - 16 x 3/4", Gr 5

3/8 x 3/4

1шт.

1a

133-9

CARRIAGE BOLT,Sq Nk, 3/4" - 10 x 5", Gr 5

1шт.

1b

231-41412

NUT,3/4"-10, GB

3/4

1шт.

1d

413-628

BOLT,Hex, 3/8" - 16 x 1-3/4", Gr 5

1шт.

1e

413-1024

BOLT,Hex, 5/8" - 11 x 1-1/2", Gr 5

1шт.

1f

413-1020

BOLT,Hex, 5/8" - 11 x 1-1/4", Gr 5

1шт.

1g

33-616

CARRIAGE BOLT,Sq Nk, 3/8" - 16 x 1", Gr 5

Carriage, 3/8 x 1, Start Serial: CCC0009439

1шт.

1h

413-612

BOLT,Hex, 3/8" - 16 x 3/4", Gr 5

1шт.

Выбрано товаров: 84