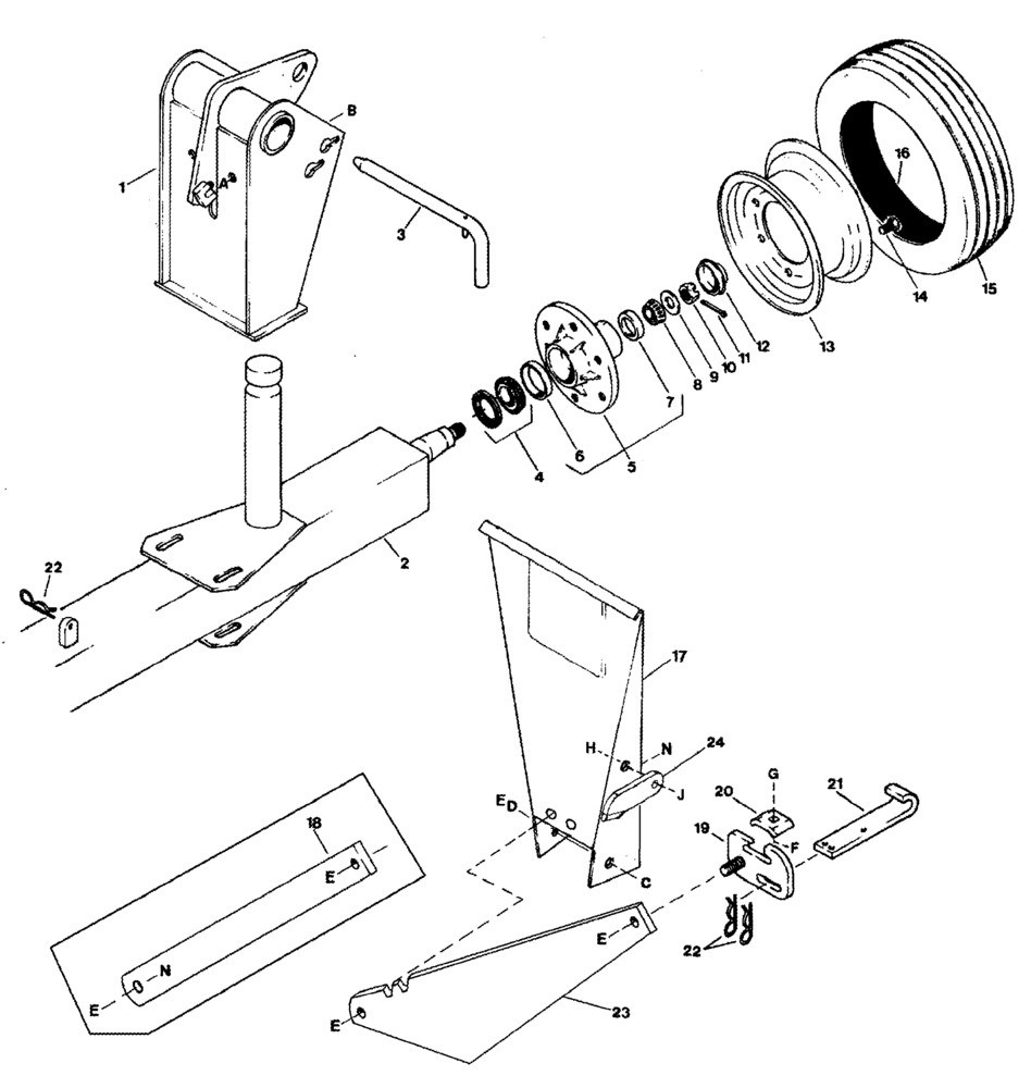
Запчасти Case IH 1042 (09-20) - GAUGE WHEELS WITH TRANSPORT OPTION - RIGHT WHEEL SUPPORT AND WHEEL

Схема запчастей Case IH 1042 - (09-20) - GAUGE WHEELS WITH TRANSPORT OPTION - RIGHT WHEEL SUPPORT AND WHEEL
10
4
12
9
1
6
2
22
5
15
14
3
7
b
11
13
16
8
FIT
1:1
100%

Артикул

Название

Примечание

Количество

1

352654A1

SUPPORT

Inc. Decal, Inc. Grease Fitting

1шт.

2

352656A1

BEAM

Right Hand

1шт.

3

126738A1

PIN

Inc. Roll Pin

2шт.

4

96173C1

BEARING ASSY,38.1mm ID x 25.4mm W

Inc. Seal

3шт.

5

96172C1

HUB

Inc. 6, 7

3шт.

6

478793R1

BEARING CUP

Inner

3шт.

7

651817R1

BEARING CUP

Outer

3шт.

7

651817R1GV

BEARING CUP

Value, Bearing Cup

3шт.

8

651818R91

ROLLER BEARING,31.77 mm ID x 16.08 mm

3шт.

9

496-11081

WASHER,13/16" x 1 1/2" x .134", HDN

3шт.

10

425-1312

SLOTTED NUT,3/4"-16, G5

3/4 NF

3шт.

11

32-1220

COTTER PIN,3/16" x 1 1/4"

3шт.

12

820166C1

CAP

3шт.

13

481344R91

WHEEL

14 x 8

3шт.

14

344630A1

WHEEL BOLT

18шт.

15

352642A1

TYRE/TIRE

9.5L-14, 8 ply

3шт.

16

352641A1

TUBE

Inner

3шт.

17

352662A1

BAR

Right Hand Wheel Beam

1шт.

18

352661A1

BAR

Right Hand Wheel Beam, Serial Range: -CCC0009269

1шт.

19

352659A1

RETAINER

1шт.

20

352660A1

ANCHOR

1шт.

21

352657A1

BAR

1шт.

22

591107R1

COTTER PIN

3шт.

23

387278A1

SUPPORT

Right Hand Wheel Beam, Start Serial: CCC0009270

1шт.

24

387279A1

SUPPORT

, Start Serial: CCC0009270

1шт.

a

231-4148

NUT,1/2"-13, GB

1/2

1шт.

b

413-848

BOLT,Hex, 1/2" - 13 x 3", Gr 5

1шт.

c

413-1096

BOLT,Hex, 5/8" - 11 x 6", Gr 5

5/8 x 6

1шт.

d

492-11062

BEARING WASHER,5/8"

1шт.

e

231-41410

NUT,5/8"-11, GB

1шт.

f

433-728

CARRIAGE BOLT,Sq Nk, 7/16" - 14 x 1 3/4", Gr 5

7/16 x 1-3/4

1шт.

g

429-107

NUT,7/16"-14, G8

1шт.

h

413-1020

BOLT,Hex, 5/8" - 11 x 1-1/4", Gr 5

1шт.

j

231-53410

FLANGE NUT,Flg, 5/8"-11

1шт.

n

413-1024

BOLT,Hex, 5/8" - 11 x 1-1/2", Gr 5

1шт.

Выбрано товаров: 35