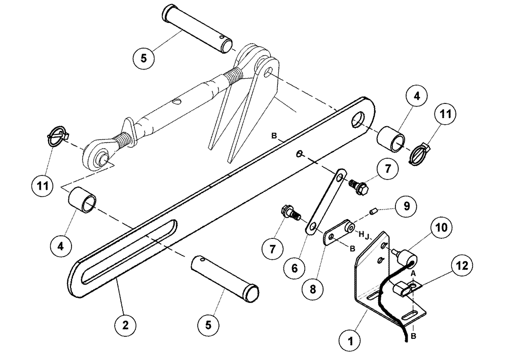
Запчасти Case IH 1042 (09-33) - HEADER HEIGHT CONTROL ATTACHMENT

Схема запчастей Case IH 1042 - (09-33) - HEADER HEIGHT CONTROL ATTACHMENT
10
12
b
2
9
b
1
a
hj
4
5
7
4
5
6
7
b
8
11
11
FIT
1:1
100%

Артикул

Название

Примечание

Количество

NSS

NOT SOLD SEPARAT

Header Height Control, Order 393631A1 From Machinery Price List, Inc. 1, 2, 4 - 12

1шт.

1

388737A1

SUPPORT

1шт.

2

388739A1

ARM

Header Height, Rear, Order 428835A1, Not Shown, Start Serial: CCC0010467

1шт.

2

428835A1

ARM

Header Height Control, Replaces 388739A1, 388738A1, Start Serial: CCC0010467

1шт.

3

388738A1

ARM

Header Height, Front, Order 428835A1, Not Shown, Start Serial: CCC0010467

1шт.

4

428836A1

SPACER

Replaces 388729A1

2шт.

5

388757A1

CLEVIS PIN

1 x 4-17/32

2шт.

6

388734A1

LINK

Steel

1шт.

6

429270A1

LINK

Control, Plastic, Replaces 388734A1

1шт.

7

1337227C1

BOLT,Hex Wshr Hd, 3/8" - 16 x 23mm, Gr 5

3/8 NC x 0.906" Long, 0.43" Shoulder

4шт.

8

388735A1

ARM

Control

1шт.

9

483-1258

SET SCREW,Hex Soc, 1/4"-20 x 1/2"

Cup Point, 1/4 NC x 1/2

1шт.

10

388733A1

HARNESS

1шт.

11

341005A1

LINCH PIN

1 OD

2шт.

12

352693A1

HOLDER

1шт.

a

409-7612

BOLT,3/8"-16 x 1.09" OAL

1шт.

281-54910

SELF-TAP SCREW,Hex Wash Hd, 3/8"-16 x 5/8"

3/8 st x 5/8

1шт.

b

232-5316

FLANGE NUT,Flg, 3/8"-16

1шт.

h

430322A1

JAM NUT

3/8

1шт.

j

493-21039

LOCK WASHER,Int Tooth, 3/8"

3/8

1шт.

Выбрано товаров: 20