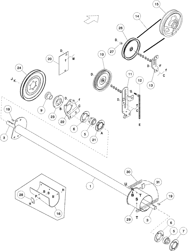
Запчасти Case IH 1052 (09-15) - SINGLE SICKLE DRIVE SHAFT (09) - CHASSIS

Схема запчастей Case IH 1052 - (09-15) - SINGLE SICKLE DRIVE SHAFT (09) - CHASSIS
28
31
19
5
20
24
6
21
7
5
16
3
13
6
11
30
1
26
10
14
12
3
19
29
15
22
23
9
27
FIT
1:1
100%

Артикул

Название

Примечание

Количество

1

346058A1

SUPPORT

, Serial Range: -CCC0011320

1шт.

21.0 Foot Header

1шт.

1

402105A1

SUPPORT

, Start Serial: CCC0011321

1шт.

21.0 Foot Header

1шт.

1

345844A1

SUPPORT

, Serial Range: -CCC0011320

1шт.

25.0 Foot Header

1шт.

1

402106A1

SUPPORT

, Start Serial: CCC0011321

1шт.

25.0 Foot Header

1шт.

1

345845A1

SUPPORT

, Serial Range: -CCC0011320

1шт.

30.0 Foot Header

1шт.

1

402107A1

SUPPORT

, Start Serial: CCC0011321

1шт.

30.0 Foot Header

1шт.

1

372316A1

TUBE

, Serial Range: -CCC0011320

1шт.

36.0 Foot Header

1шт.

1

402108A1

SUPPORT

, Start Serial: CCC0011321

1шт.

36.0 Foot Header

1шт.

3

346014A1

SHAFT

1шт.

21.0 Foot Header

1шт.

3

346017A1

SHAFT

1шт.

25.0 Foot Header

1шт.

3

346025A1

SHAFT

1шт.

30.0 Foot Header

1шт.

3

372314A1

SHAFT

1шт.

36.0 Foot Header

1шт.

5

126608A1

BALL BEARING,34.92mm ID x 72mm OD x 17mm W

Inc. Lock Collar

2шт.

6

1327467C1

FLANGED BEARING

2шт.

7

1327468C1

FLANGE

Inc. Grease Fitting

1шт.

9

126607A1

BUSHING

1шт.

10

1336615C1

PULLEY

1шт.

11

338716A1

SUPPORT

Rear Idler

1шт.

12

338717A1

ROD

1шт.

13

346015A1

SUPPORT

Front Idler

1шт.

14

338626A1

BELT,3688.00 mm L

1шт.

15

338585A1

GUIDE

1шт.

See Figure 09-16

1шт.

16

338832A1

SHIELD

Rubber, Serial Range: -CCC0011320

1шт.

19

126-129

WOODRUFF KEY,#C, 5/16" x 1 1/8", HT

2шт.

20

346021A1

PLATE

1шт.

21

347028A1

FLANGE

Inc. Grease Fitting

1шт.

22

346019A1

SUPPORT

Outer

1шт.

23

346023A1

HUB

1шт.

24

338621A1

PULLEY

330 mm OD

1шт.

26

346010A1

PULLEY

16 mm (5/8 in) ID

1шт.

27

345846A1

BUSHING

1шт.

28

344844A1

SHIELD

, Serial Range: -CCC0011320

1шт.

29

395996A1

SHIELD

Plastic, Start Serial: CCC0011321

1шт.

30

395997A1

CHAIN (CE)

, Start Serial: CCC0011321

1шт.

31

126611A1

SEAL

, Start Serial: CCC0011321

2шт.

a

33-616

CARRIAGE BOLT,Sq Nk, 3/8" - 16 x 1", Gr 5

3/8 x 1

1шт.

b

232-5316

FLANGE NUT,Flg, 3/8"-16

1шт.

c

434-816

CARRIAGE BOLT,Sht Sq Nk, 1/2" - 13 x 1", Gr 5

1/2 x 1

1шт.

d

231-5348

FLANGE NUT,Flg, 1/2"-13

1шт.

e

425-108

NUT,1/2" - 13, Gr 5

1шт.

f

433-836

CARRIAGE BOLT,Sq Nk, 1/2" - 13 x 2 1/4", Gr 5

1шт.

g

495-11053

WASHER,1/2", SAE

(17/32" x 1-1/16" x 3/32")

1шт.

h

434-612

CARRIAGE BOLT,Sht Sq Nk, 3/8" - 16 x 3/4", Gr 5

3/8 x 3/4

1шт.

j

413-616

BOLT,Hex, 3/8" - 16 x 1", Gr 5

1шт.

k

492-11038

LOCK WASHER,3/8"

1шт.

p

409-7612

BOLT,3/8"-16 x 1.09" OAL

1шт.

r

409-768

BOLT,Hex Flg, 3/8" - 16 x 1/2", Spcl

3/8 x 1/2

1шт.

s

413-410

BOLT,Hex, 1/4" - 20 x 5/8", Gr 5

1шт.

t

231-4144

NUT,1/4"-20, GB

1шт.

u

413-412

BOLT,Hex, 1/4" - 20 x 3/4", Gr 5

1шт.

Выбрано товаров: 63